PCCar.ru - Ваш автомобильный компьютер

Вернуться   PCCar.ru - Ваш автомобильный компьютер > Всё Остальное > Проекты > Рабочий журнал

Ответ
 
Опции темы Поиск в этой теме
Старый 19.03.2014, 10:34   #11
il74
Старший Пользователь
 
Аватар для il74
 
Регистрация: 07.05.2009
Возраст: 51
Город: Стерлитамак
Регион: 02
Машина: Toyota Corolla 2007
Сообщений: 115
il74 is on a distinguished road
По умолчанию

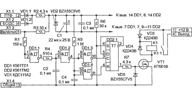
Подправил схему сам, посмотрите пожалуйста в схеме выше, я забыл что мне нужен триггер, а не реле, по моему есть лишнее реле но какое? Приложено схема реле 23.3777.
Миниатюры
Нажмите на изображение для увеличения
Название: схема коммутации AV.jpg
Просмотров: 1127
Размер:	48.0 Кб
ID:	35301   Нажмите на изображение для увеличения
Название: реле 23.3777.jpg
Просмотров: 938
Размер:	67.9 Кб
ID:	35303  
__________________
TOYOTA Corolla 2007 - ПРОДАН
KIA CEED

Последний раз редактировалось il74; 19.03.2014 в 11:23.
il74 вне форума   Ответить с цитированием
Старый 19.03.2014, 11:11   #12
Denkos
Гуру
 
Регистрация: 21.01.2010
Город: Новосибирск
Регион: 54
Сообщений: 2,580
Denkos is a glorious beacon of lightDenkos is a glorious beacon of lightDenkos is a glorious beacon of lightDenkos is a glorious beacon of lightDenkos is a glorious beacon of lightDenkos is a glorious beacon of light
По умолчанию

Напоминает АТС восьмидесятых
Denkos вне форума   Ответить с цитированием
Ответ


Здесь присутствуют: 1 (пользователей: 0 , гостей: 1)
 
Опции темы Поиск в этой теме
Поиск в этой теме:

Расширенный поиск

Ваши права в разделе
Вы не можете создавать новые темы
Вы не можете отвечать в темах
Вы не можете прикреплять вложения
Вы не можете редактировать свои сообщения

BB коды Вкл.
Смайлы Вкл.
[IMG] код Вкл.
HTML код Выкл.



Часовой пояс GMT +4, время: 04:31.


Работает на vBulletin® версия 3.8.4.
Copyright ©2000 - 2026, Jelsoft Enterprises Ltd.
Перевод: zCarot