PCCar.ru - Ваш автомобильный компьютер

Вернуться   PCCar.ru - Ваш автомобильный компьютер > MP3Car ТехИнфа > AndroidCar > Питание

Ответ
 
Опции темы Поиск в этой теме
Старый 27.01.2013, 19:17   #11
alexvtk
Гуру
 
Аватар для alexvtk
 
Регистрация: 08.04.2011
Город: Железногорск, Красноярский край
Регион: 24
Машина: Toyota Prius NHW20, 2008, Park Assist (продана), Chevrolet Lanos, 2006, 1,5
Сообщений: 1,612
alexvtk is just really nicealexvtk is just really nicealexvtk is just really nicealexvtk is just really nicealexvtk is just really nice
По умолчанию

Цитата:
Сообщение от macau Посмотреть сообщение
а куда его?
Никуда. Общий питания идет по общему сигнального кабеля, подключенного к выходу планшета. У меня при таком подключении помехи исчезли полностью.
__________________
Toyota Prius NHW20, 2008, Park Assist, Android CarPc: планшет 7" Ployer momo9 (Allwinner A10) - заменен на Pipo U1pro, Bluetooth GPS, диагностика BT ELM327, Мегафон модем и Wi-Fi роутер TPLINK-MR3020. Фильтр помех по звуку на ВА3121.
(продана)
Chevrolet Lanos, 2006, 1,5. Андроид ГУ Infidini, 2й монитор с тач. контроллером от YAM, кзх, БК Multitronics MPC-800

Мой проект
Апгрейд проекта
Видео
Видео оболочки
Видео оболочки 2

Видео апгрейда
alexvtk вне форума   Ответить с цитированием
Старый 27.01.2013, 19:58   #12
Hamster
Больной. Диагноз "Car PC"
 
Аватар для Hamster
 
Регистрация: 01.09.2005
Возраст: 52
Город: Москва
Регион: 77, 97, 99, 177
Машина: 08\Acura\MDX •••• 07\Honda\Civic 4D
Сообщений: 4,379
Hamster is a splendid one to beholdHamster is a splendid one to beholdHamster is a splendid one to beholdHamster is a splendid one to beholdHamster is a splendid one to beholdHamster is a splendid one to beholdHamster is a splendid one to behold
По умолчанию

Питать всю систему по сигнальной земле не есть гууд. Я конечно понимаю, что планшет мало потребляет, но все равно не правильно
__________________
Старый проект Honda Accord RHD
Теперь будет Acura MDX 2008 и Honda Civic 4D 2007 и Mitsubishi Outlander XL 2011
Hamster вне форума   Ответить с цитированием
Старый 27.01.2013, 20:08   #13
alexvtk
Гуру
 
Аватар для alexvtk
 
Регистрация: 08.04.2011
Город: Железногорск, Красноярский край
Регион: 24
Машина: Toyota Prius NHW20, 2008, Park Assist (продана), Chevrolet Lanos, 2006, 1,5
Сообщений: 1,612
alexvtk is just really nicealexvtk is just really nicealexvtk is just really nicealexvtk is just really nicealexvtk is just really nice
По умолчанию

Цитата:
Сообщение от Hamster Посмотреть сообщение
Питать всю систему по сигнальной земле не есть гууд. Я конечно понимаю, что планшет мало потребляет, но все равно не правильно
Кто Вам сказал, что я питаю всю систему по сигнальной земле? В каком из моих постов Вы это вычитали? Схема питания приведена в моем проекте. Я здесь пишу только о буферном линейном усилителе - подавителе помех земляной петли. И упоминание "общего" провода относилось именно к его подключению. Посмотрите даташит на ВА3121 и все сразу станет ясно из принципа ее работы.
__________________
Toyota Prius NHW20, 2008, Park Assist, Android CarPc: планшет 7" Ployer momo9 (Allwinner A10) - заменен на Pipo U1pro, Bluetooth GPS, диагностика BT ELM327, Мегафон модем и Wi-Fi роутер TPLINK-MR3020. Фильтр помех по звуку на ВА3121.
(продана)
Chevrolet Lanos, 2006, 1,5. Андроид ГУ Infidini, 2й монитор с тач. контроллером от YAM, кзх, БК Multitronics MPC-800

Мой проект
Апгрейд проекта
Видео
Видео оболочки
Видео оболочки 2

Видео апгрейда
alexvtk вне форума   Ответить с цитированием
Старый 27.01.2013, 20:19   #14
Hamster
Больной. Диагноз "Car PC"
 
Аватар для Hamster
 
Регистрация: 01.09.2005
Возраст: 52
Город: Москва
Регион: 77, 97, 99, 177
Машина: 08\Acura\MDX •••• 07\Honda\Civic 4D
Сообщений: 4,379
Hamster is a splendid one to beholdHamster is a splendid one to beholdHamster is a splendid one to beholdHamster is a splendid one to beholdHamster is a splendid one to beholdHamster is a splendid one to beholdHamster is a splendid one to behold
По умолчанию

Брейк, брейк
Возможно я сделал неправильный вывод из:

Цитата:
Сообщение от alexvtk Посмотреть сообщение
Общий питания идет по общему сигнального кабеля, подключенного к выходу планшета.
Тогда сорри. Ну, а даташит на BA3121 я даже на память помню
__________________
Старый проект Honda Accord RHD
Теперь будет Acura MDX 2008 и Honda Civic 4D 2007 и Mitsubishi Outlander XL 2011
Hamster вне форума   Ответить с цитированием
Старый 27.01.2013, 20:29   #15
alexvtk
Гуру
 
Аватар для alexvtk
 
Регистрация: 08.04.2011
Город: Железногорск, Красноярский край
Регион: 24
Машина: Toyota Prius NHW20, 2008, Park Assist (продана), Chevrolet Lanos, 2006, 1,5
Сообщений: 1,612
alexvtk is just really nicealexvtk is just really nicealexvtk is just really nicealexvtk is just really nicealexvtk is just really nice
По умолчанию

Никакого холивара. Главное, что микросхемка реально помогает.
__________________
Toyota Prius NHW20, 2008, Park Assist, Android CarPc: планшет 7" Ployer momo9 (Allwinner A10) - заменен на Pipo U1pro, Bluetooth GPS, диагностика BT ELM327, Мегафон модем и Wi-Fi роутер TPLINK-MR3020. Фильтр помех по звуку на ВА3121.
(продана)
Chevrolet Lanos, 2006, 1,5. Андроид ГУ Infidini, 2й монитор с тач. контроллером от YAM, кзх, БК Multitronics MPC-800

Мой проект
Апгрейд проекта
Видео
Видео оболочки
Видео оболочки 2

Видео апгрейда
alexvtk вне форума   Ответить с цитированием
Старый 27.01.2013, 20:32   #16
Hamster
Больной. Диагноз "Car PC"
 
Аватар для Hamster
 
Регистрация: 01.09.2005
Возраст: 52
Город: Москва
Регион: 77, 97, 99, 177
Машина: 08\Acura\MDX •••• 07\Honda\Civic 4D
Сообщений: 4,379
Hamster is a splendid one to beholdHamster is a splendid one to beholdHamster is a splendid one to beholdHamster is a splendid one to beholdHamster is a splendid one to beholdHamster is a splendid one to beholdHamster is a splendid one to behold
По умолчанию

Это да. И насколько я понимаю - она гораздо лучше трансформаторного ground loop. Ибо не режет АЧХ.
__________________
Старый проект Honda Accord RHD
Теперь будет Acura MDX 2008 и Honda Civic 4D 2007 и Mitsubishi Outlander XL 2011
Hamster вне форума   Ответить с цитированием
Старый 27.01.2013, 22:40   #17
macau
Старший Пользователь
 
Регистрация: 22.10.2012
Регион: 78, 98
Сообщений: 758
macau is just really nicemacau is just really nicemacau is just really nicemacau is just really nice
По умолчанию

кстати наткнулся на фабричный вариант:

http://item.taobao.com/item.htm?id=4078196277
macau вне форума   Ответить с цитированием
Старый 28.01.2013, 04:06   #18
alexvtk
Гуру
 
Аватар для alexvtk
 
Регистрация: 08.04.2011
Город: Железногорск, Красноярский край
Регион: 24
Машина: Toyota Prius NHW20, 2008, Park Assist (продана), Chevrolet Lanos, 2006, 1,5
Сообщений: 1,612
alexvtk is just really nicealexvtk is just really nicealexvtk is just really nicealexvtk is just really nicealexvtk is just really nice
По умолчанию

Цитата:
Сообщение от Hamster Посмотреть сообщение
Это да. И насколько я понимаю - она гораздо лучше трансформаторного ground loop. Ибо не режет АЧХ.
Это точно. Качественный переходной трансформатор это очень непростое в изготовлении и поэтому недешевое изделие. А если у нас трансформаторный Мистери стоит 7-9 баксов, то и уровень используемых трансформаторов, соответственно, низкого качества.
__________________
Toyota Prius NHW20, 2008, Park Assist, Android CarPc: планшет 7" Ployer momo9 (Allwinner A10) - заменен на Pipo U1pro, Bluetooth GPS, диагностика BT ELM327, Мегафон модем и Wi-Fi роутер TPLINK-MR3020. Фильтр помех по звуку на ВА3121.
(продана)
Chevrolet Lanos, 2006, 1,5. Андроид ГУ Infidini, 2й монитор с тач. контроллером от YAM, кзх, БК Multitronics MPC-800

Мой проект
Апгрейд проекта
Видео
Видео оболочки
Видео оболочки 2

Видео апгрейда
alexvtk вне форума   Ответить с цитированием
Старый 29.01.2013, 19:46   #19
s.m.
Гуру
 
Регистрация: 20.07.2009
Город: Минск
Регион: Беларусь
Сообщений: 1,543
s.m. is a splendid one to beholds.m. is a splendid one to beholds.m. is a splendid one to beholds.m. is a splendid one to beholds.m. is a splendid one to beholds.m. is a splendid one to beholds.m. is a splendid one to behold
По умолчанию

Цитата:
Сообщение от Hamster Посмотреть сообщение
Это да. И насколько я понимаю - она гораздо лучше трансформаторного ground loop. Ибо не режет АЧХ.
Пруф есть на АЧХ после микрухи?
Не может быть, чтобы обработка сигнала не портила АЧХ и ФЧХ
__________________
Мой проект: Citroen Xsara Android CarPC
s.m. вне форума   Ответить с цитированием
Старый 29.01.2013, 20:02   #20
alexvtk
Гуру
 
Аватар для alexvtk
 
Регистрация: 08.04.2011
Город: Железногорск, Красноярский край
Регион: 24
Машина: Toyota Prius NHW20, 2008, Park Assist (продана), Chevrolet Lanos, 2006, 1,5
Сообщений: 1,612
alexvtk is just really nicealexvtk is just really nicealexvtk is just really nicealexvtk is just really nicealexvtk is just really nice
По умолчанию

Цитата:
Сообщение от s.m. Посмотреть сообщение
Пруф есть на АЧХ после микрухи?
Не может быть, чтобы обработка сигнала не портила АЧХ и ФЧХ
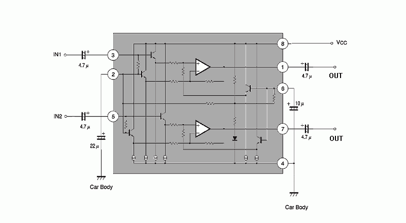
Посмотрите даташит. Здесь нет RC фильтров или их аналогов. В кратце, подавление помехи осуществляется вычитанием синфазного сигнала помехи из полезного сигнала дифференциальными усилителями. Функция чисто линейная, не комплексная. Поразмыслите над картинками.
Миниатюры
Нажмите на изображение для увеличения
Название: Ground isolation.png
Просмотров: 951
Размер:	7.7 Кб
ID:	29557   Нажмите на изображение для увеличения
Название: 0611pg54_fc.jpg
Просмотров: 1401
Размер:	23.3 Кб
ID:	29558  
__________________
Toyota Prius NHW20, 2008, Park Assist, Android CarPc: планшет 7" Ployer momo9 (Allwinner A10) - заменен на Pipo U1pro, Bluetooth GPS, диагностика BT ELM327, Мегафон модем и Wi-Fi роутер TPLINK-MR3020. Фильтр помех по звуку на ВА3121.
(продана)
Chevrolet Lanos, 2006, 1,5. Андроид ГУ Infidini, 2й монитор с тач. контроллером от YAM, кзх, БК Multitronics MPC-800

Мой проект
Апгрейд проекта
Видео
Видео оболочки
Видео оболочки 2

Видео апгрейда
alexvtk вне форума   Ответить с цитированием
Ответ


Здесь присутствуют: 1 (пользователей: 0 , гостей: 1)
 
Опции темы Поиск в этой теме
Поиск в этой теме:

Расширенный поиск

Ваши права в разделе
Вы не можете создавать новые темы
Вы не можете отвечать в темах
Вы не можете прикреплять вложения
Вы не можете редактировать свои сообщения

BB коды Вкл.
Смайлы Вкл.
[IMG] код Вкл.
HTML код Выкл.



Часовой пояс GMT +4, время: 16:31.


Работает на vBulletin® версия 3.8.4.
Copyright ©2000 - 2026, Jelsoft Enterprises Ltd.
Перевод: zCarot