PCCar.ru - Ваш автомобильный компьютер

Вернуться   PCCar.ru - Ваш автомобильный компьютер > MP3Car ТехИнфа > Вопросы и ответы

Ответ
 
Опции темы Поиск в этой теме
Старый 30.03.2012, 15:35   #1
eclipsemmc
Старший Пользователь
 
Аватар для eclipsemmc
 
Регистрация: 08.03.2009
Возраст: 41
Город: Москва
Регион: 77, 97, 99, 177
Машина: Skoda Octavia II A5Fl, 1.8TSI
Сообщений: 369
eclipsemmc has a spectacular aura abouteclipsemmc has a spectacular aura abouteclipsemmc has a spectacular aura about
По умолчанию Радио MA901 мастеркит. Прикрутить антенну.

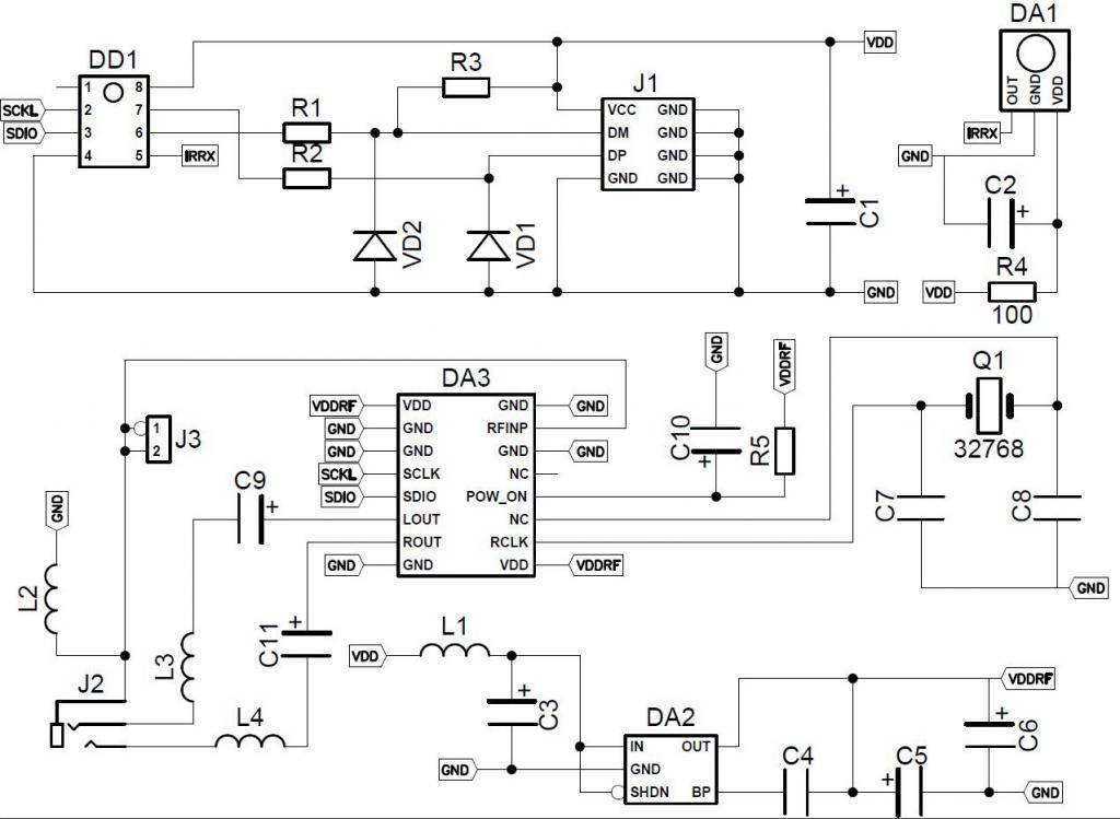
Прикупил себе в качестве радио ради интереса такой девайс http://masterkit.ru/main/set.php?code_id=607729
Встал вопрос как прикрутить к нему антенну. В сапорте молчат, нет конкретики что куда и как, так сказать для нуба... ну да, не шарю в этом деле. Из описания: Для этого нужно перерезать связь (замыкание) на разъёме J3 (низ платы) и впаять антенну на квадратную контактную площадку.
схемыНажмите на изображение для увеличения
Название: image1.jpg
Просмотров: 1294
Размер:	80.2 Кб
ID:	26053:
Нажмите на изображение для увеличения
Название: image2.jpg
Просмотров: 890
Размер:	82.0 Кб
ID:	26054
Максимум на что хватило моего мозга
Нажмите на изображение для увеличения
Название: 3.jpg
Просмотров: 998
Размер:	37.6 Кб
ID:	26055
Так понимаю, просто разорвать дорожку?
На квадратную площадку припаивать + антенны, а землю от антенны куда девать?
__________________
- Intel i3-3220 3.30 GHz/Gigabyte GA-H67N-USB3-B3/8Gb/SSD 300GB/Asus Xonar DX/GPS/Glonass u-blox 8030/Монитор HDMI/VGA/AV 10.1 + мультитач
eclipsemmc вне форума   Ответить с цитированием
Старый 30.03.2012, 15:45   #2
eclipsemmc
Старший Пользователь
 
Аватар для eclipsemmc
 
Регистрация: 08.03.2009
Возраст: 41
Город: Москва
Регион: 77, 97, 99, 177
Машина: Skoda Octavia II A5Fl, 1.8TSI
Сообщений: 369
eclipsemmc has a spectacular aura abouteclipsemmc has a spectacular aura abouteclipsemmc has a spectacular aura about
По умолчанию

Блин, уже ответили в сапорте. "Правильно, просто перерезать скальпелем. На квадратный вывод припаять центральную жилу антенны, землю припаять на средний вывод ИК-приёмника, что справа от надписи "МА901" Вашего скрина." Ув. админы, убейте тему, если не нужна. Спасибо.
__________________
- Intel i3-3220 3.30 GHz/Gigabyte GA-H67N-USB3-B3/8Gb/SSD 300GB/Asus Xonar DX/GPS/Glonass u-blox 8030/Монитор HDMI/VGA/AV 10.1 + мультитач
eclipsemmc вне форума   Ответить с цитированием
Старый 30.03.2012, 17:51   #3
Hamster
Больной. Диагноз "Car PC"
 
Аватар для Hamster
 
Регистрация: 01.09.2005
Возраст: 52
Город: Москва
Регион: 77, 97, 99, 177
Машина: 08\Acura\MDX •••• 07\Honda\Civic 4D
Сообщений: 4,379
Hamster is a splendid one to beholdHamster is a splendid one to beholdHamster is a splendid one to beholdHamster is a splendid one to beholdHamster is a splendid one to beholdHamster is a splendid one to beholdHamster is a splendid one to behold
По умолчанию

Зачем тему то убирать? Есть вопрос, есть ответ. Может кому еще пригодится
__________________
Старый проект Honda Accord RHD
Теперь будет Acura MDX 2008 и Honda Civic 4D 2007 и Mitsubishi Outlander XL 2011
Hamster вне форума   Ответить с цитированием
Старый 30.03.2012, 18:30   #4
zanuda
Старший Пользователь
 
Аватар для zanuda
 
Регистрация: 24.03.2010
Возраст: 51
Город: СПб
Регион: 78, 98
Машина: Fiat Panda
Сообщений: 332
zanuda has a spectacular aura aboutzanuda has a spectacular aura aboutzanuda has a spectacular aura about
По умолчанию

А с Икаром будет работать сей девайс?
zanuda вне форума   Ответить с цитированием
Старый 30.03.2012, 19:56   #5
awtoap
Гуру
 
Аватар для awtoap
 
Регистрация: 19.09.2009
Возраст: 48
Город: Мелитополь
Регион: Украина
Сообщений: 2,022
awtoap is a splendid one to beholdawtoap is a splendid one to beholdawtoap is a splendid one to beholdawtoap is a splendid one to beholdawtoap is a splendid one to beholdawtoap is a splendid one to beholdawtoap is a splendid one to behold
По умолчанию

Думаю врядли, если мастеркиты дадут вам протокол обмена, то уже авторы икара прикрутят, наверное ))).А так там своя софтина.
awtoap вне форума   Ответить с цитированием
Старый 30.03.2012, 20:53   #6
Andycar
Старший Пользователь
 
Регистрация: 14.01.2009
Город: Москва
Регион: 77, 97, 99, 177
Машина: SAAB 9-5 Aero
Сообщений: 271
Andycar has a spectacular aura aboutAndycar has a spectacular aura aboutAndycar has a spectacular aura about
По умолчанию

Цитата:
Сообщение от eclipsemmc Посмотреть сообщение
Блин, уже ответили в сапорте...
А как качество приёма у этого девайса? Интересует реальный тест в машине... Спасибо
__________________
Saab 9-5 Aero: Challenger TA-5.1 S/PDIF+GA-H77N-WIFI+Intel Pentium Ivy Bridge G2030 (3GHz, 22nm), 4Gb RAM DDR3, Win8.1 x64, SSD Samsung 840 PRO 128Gb, LS-23030 GPS (MT3329), Router TP-LINK-MR3020+ Yota LU150 LTE; Logitech C905 Webcam сзади; F200HD cam впереди; 8" 1024x600 LCD ZJ080NA-08A (HDMI); БП M3-ATX; License:CityGuide 7.8, iCarDS Продан вместе с машиной
Andycar вне форума   Ответить с цитированием
Старый 30.03.2012, 21:07   #7
eclipsemmc
Старший Пользователь
 
Аватар для eclipsemmc
 
Регистрация: 08.03.2009
Возраст: 41
Город: Москва
Регион: 77, 97, 99, 177
Машина: Skoda Octavia II A5Fl, 1.8TSI
Сообщений: 369
eclipsemmc has a spectacular aura abouteclipsemmc has a spectacular aura abouteclipsemmc has a spectacular aura about
По умолчанию

Ага, на форуме про сей девайс инфы нет. Сам пока не тестил, пока только разбираюсь. На работе на столе без антенны (в качестве антенны был шнурок к звуковой) работал очень достойно, правда это был центр - Баррикадная ))) Сегодня прикуряпаю антенну, позже отпишусь как оно работает в движении и т.д. Связался с разработчиком радио, попросил исходники софта, хочу поковырять его интерфейс и навести красивости. В ЦФ встраивается штатным способом. Правда что мне не нравится единственный способ отключить радио - выдернуть его из ЮСБ или как-то мютить линейный вход, кнопки выключения в софте нет.
__________________
- Intel i3-3220 3.30 GHz/Gigabyte GA-H67N-USB3-B3/8Gb/SSD 300GB/Asus Xonar DX/GPS/Glonass u-blox 8030/Монитор HDMI/VGA/AV 10.1 + мультитач
eclipsemmc вне форума   Ответить с цитированием
Старый 31.03.2012, 03:49   #8
eclipsemmc
Старший Пользователь
 
Аватар для eclipsemmc
 
Регистрация: 08.03.2009
Возраст: 41
Город: Москва
Регион: 77, 97, 99, 177
Машина: Skoda Octavia II A5Fl, 1.8TSI
Сообщений: 369
eclipsemmc has a spectacular aura abouteclipsemmc has a spectacular aura abouteclipsemmc has a spectacular aura about
По умолчанию

Такс, предварительные результаты. Зафигачил радио в корпус от флешки, прикрутил штекер антенны, залил термопистолетом. С активной антенной бош типа пяточек ноль приема (не исключено, что антенна гикнулась). Установлена пассивная антенна типа штырь, не соприкасается с кузовом авто металлическими частями. В город не выезжал, пятница мужики... пиво . Тестил на 4-м этаже многоэтажного боксового гаража в бетонно-керпичных стенах в ЮЗАО Мск. Результат... блин, оно работает очень не плохо. Не посчитайте за антирекламу, но прием сигнала значительно лучше, чем у USB Car Radio (FM Avto) при абсолютно техже условиях местности, канала радио и проводки. Помимо моего мнения, был еще дружище, который так же подтвердил сей факт и который так же в курсе, как звучит/звучал у меня USB Car Radio. Собственно я и решил отказаться от USB Car Radio в силу его глючности - bsod задрал при выходе из спячки.
Из плюсов, что я заметил, пока могу отметить:
1. прием однозначно лучше по сравнению с USB Car Radio или китайской магнитолой (тоже проходил)... предварительно.
2. там где канал радио принимает менее стабильно и присутствует шипение, оно не на столько режет ухо.
3. качество звука... да фиг знает, уже не помню как звучит настоящее радио Для меня достаточно. Есть некий эквалайзер для повышения низов.
4. Ни каких наводок от БП, компа, воя генератора и прочей гадости в динамиках не заметил.
Минусы.
1. как писал выше, нужно думать что-то с мютинием линейного входа.
2. допиливать софт однозначно... под палец + идеально бы иметь хоткеи. Исходник есть, но я ни разу не программер, думаю на работе помогут.
3. даже через короткий usb-удлиннитель или активный хаб девайс не распознается. так понимаю не хватает питания, хз почему. Пробовал ради интереса втыкать его в зарядник от прикуривателя в виде 2х ЮСБ - работает, но тогда собираются все пакостные наводки в динамиках и лишаемся возможности управлять девайсом софтово... только с пульта.
Пока все.
__________________
- Intel i3-3220 3.30 GHz/Gigabyte GA-H67N-USB3-B3/8Gb/SSD 300GB/Asus Xonar DX/GPS/Glonass u-blox 8030/Монитор HDMI/VGA/AV 10.1 + мультитач
eclipsemmc вне форума   Ответить с цитированием
Старый 31.03.2012, 05:53   #9
Hamster
Больной. Диагноз "Car PC"
 
Аватар для Hamster
 
Регистрация: 01.09.2005
Возраст: 52
Город: Москва
Регион: 77, 97, 99, 177
Машина: 08\Acura\MDX •••• 07\Honda\Civic 4D
Сообщений: 4,379
Hamster is a splendid one to beholdHamster is a splendid one to beholdHamster is a splendid one to beholdHamster is a splendid one to beholdHamster is a splendid one to beholdHamster is a splendid one to beholdHamster is a splendid one to behold
По умолчанию

Цитата:
Сообщение от eclipsemmc Посмотреть сообщение
Тестил на 4-м этаже многоэтажного боксового гаража в бетонно-керпичных стенах в ЮЗАО Мск. й
Радио было в машине или просто в гараже? Если просто в гараже, то результаты ничего не говорят. Надо тестировать в машине, с закрытыми дверями
__________________
Старый проект Honda Accord RHD
Теперь будет Acura MDX 2008 и Honda Civic 4D 2007 и Mitsubishi Outlander XL 2011
Hamster вне форума   Ответить с цитированием
Старый 31.03.2012, 11:51   #10
balabollng
Старший Пользователь
 
Регистрация: 21.10.2010
Возраст: 46
Город: Санкт-Петербург
Регион: 77, 97, 99, 177
Машина: Chevrolet Captiva 2.4 2010
Сообщений: 823
balabollng is a jewel in the roughbalabollng is a jewel in the roughbalabollng is a jewel in the roughbalabollng is a jewel in the rough
По умолчанию

Ждем окончательных тестов.

Если зарекомендует себя, встрою в MFE с поддержкой протокола.
__________________
Собственный FrontEnd и сайт посвященный ему www.myfrontend.ru
Видеорегистратор для камер стандарта UVC PION
Тема по UVC камерам
Мой проект Captiva 2,4
balabollng вне форума   Ответить с цитированием
Ответ


Здесь присутствуют: 1 (пользователей: 0 , гостей: 1)
 
Опции темы Поиск в этой теме
Поиск в этой теме:

Расширенный поиск

Ваши права в разделе
Вы не можете создавать новые темы
Вы не можете отвечать в темах
Вы не можете прикреплять вложения
Вы не можете редактировать свои сообщения

BB коды Вкл.
Смайлы Вкл.
[IMG] код Вкл.
HTML код Выкл.



Часовой пояс GMT +4, время: 07:10.


Работает на vBulletin® версия 3.8.4.
Copyright ©2000 - 2026, Jelsoft Enterprises Ltd.
Перевод: zCarot