PCCar.ru - Ваш автомобильный компьютер

Вернуться   PCCar.ru - Ваш автомобильный компьютер > MP3Car ТехИнфа > Вопросы и ответы

Ответ
 
Опции темы Поиск в этой теме
Старый 06.10.2009, 13:52   #1
MiD_E34
Бывалый писикарщик
 
Аватар для MiD_E34
 
Регистрация: 06.09.2007
Город: Питер
Регион: 78, 98
Машина: Тойота РАВ4, ХА50, 2021.
Сообщений: 3,085
MiD_E34 is a splendid one to beholdMiD_E34 is a splendid one to beholdMiD_E34 is a splendid one to beholdMiD_E34 is a splendid one to beholdMiD_E34 is a splendid one to beholdMiD_E34 is a splendid one to behold
По умолчанию переключить видео источник

нормально ли это сделать с помощью реле?
__________________
Андроид ГУ.
Проект2:http://www.pccar.ru/showthread.php?t=17597
MiD_E34 вне форума   Ответить с цитированием
Старый 06.10.2009, 14:07   #2
user7843188
Пользователь
 
Регистрация: 10.07.2008
Регион: 77, 97, 99, 177
Машина: УАЗ Патриот 2008, Мерседес Вито 112 CDI
Сообщений: 40
user7843188 is on a distinguished road
По умолчанию

Цитата:
Сообщение от MiD_E34 Посмотреть сообщение
нормально ли это сделать с помощью реле?
не совсем правильно, но можно. Если уж коммутировать через реле, то лучше герконовые переключающие. Например РЭС-55. У них есть сплошная экранировка и отдельная нога экрана.
__________________
Мой второй проект CarPC (УАЗ Патрит 2008, SL PSU 5.45, Liliput FA1042-NP, ASUS P5Q-VM, Core2Duo E7300, 4 Gb RAM, 3 HDDx320 Gb, AVerTV Hybrid Speedy PCI-E, VIP Hi-Live I-4, BU-353 USB, A4-Tech GKS-670MD, Helix DB FIVE, Yota, Centrafuse, LeoCAR, OziExplorer и прочая фигня)
user7843188 вне форума   Ответить с цитированием
Старый 06.10.2009, 14:54   #3
MiD_E34
Бывалый писикарщик
 
Аватар для MiD_E34
 
Регистрация: 06.09.2007
Город: Питер
Регион: 78, 98
Машина: Тойота РАВ4, ХА50, 2021.
Сообщений: 3,085
MiD_E34 is a splendid one to beholdMiD_E34 is a splendid one to beholdMiD_E34 is a splendid one to beholdMiD_E34 is a splendid one to beholdMiD_E34 is a splendid one to beholdMiD_E34 is a splendid one to behold
По умолчанию

даонимаю, что не очень правильно - вот и решил спросить. Или стоит электронный коммутатор делать.
__________________
Андроид ГУ.
Проект2:http://www.pccar.ru/showthread.php?t=17597
MiD_E34 вне форума   Ответить с цитированием
Старый 06.10.2009, 16:44   #4
DimDim-istra
Пользователь
 
Аватар для DimDim-istra
 
Регистрация: 15.06.2009
Возраст: 53
Город: Истра
Регион: 50, 90, 150
Машина: 2006\hyundai\accent
Сообщений: 45
DimDim-istra is on a distinguished road
По умолчанию

Посмотри здесь.
Влезет в половинку реле.
DimDim-istra вне форума   Ответить с цитированием
Старый 06.10.2009, 16:48   #5
MiD_E34
Бывалый писикарщик
 
Аватар для MiD_E34
 
Регистрация: 06.09.2007
Город: Питер
Регион: 78, 98
Машина: Тойота РАВ4, ХА50, 2021.
Сообщений: 3,085
MiD_E34 is a splendid one to beholdMiD_E34 is a splendid one to beholdMiD_E34 is a splendid one to beholdMiD_E34 is a splendid one to beholdMiD_E34 is a splendid one to beholdMiD_E34 is a splendid one to behold
По умолчанию

так там совсем не то: мне же не активатор нужен, а переключить монитор на другой источник видеосигнала. Т.е. вход у меня один, а камер - две
__________________
Андроид ГУ.
Проект2:http://www.pccar.ru/showthread.php?t=17597
MiD_E34 вне форума   Ответить с цитированием
Старый 06.10.2009, 17:14   #6
MiD_E34
Бывалый писикарщик
 
Аватар для MiD_E34
 
Регистрация: 06.09.2007
Город: Питер
Регион: 78, 98
Машина: Тойота РАВ4, ХА50, 2021.
Сообщений: 3,085
MiD_E34 is a splendid one to beholdMiD_E34 is a splendid one to beholdMiD_E34 is a splendid one to beholdMiD_E34 is a splendid one to beholdMiD_E34 is a splendid one to beholdMiD_E34 is a splendid one to behold
По умолчанию

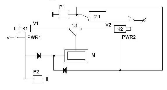
т.е. пока вот такую схему нарисовал:
Приоритет у К1. Т.е. если она включена, то сразу выключает К2 или не дает ей включиться
Миниатюры
Нажмите на изображение для увеличения
Название: shm1.JPG
Просмотров: 452
Размер:	15.8 Кб
ID:	13299  
__________________
Андроид ГУ.
Проект2:http://www.pccar.ru/showthread.php?t=17597
MiD_E34 вне форума   Ответить с цитированием
Старый 06.10.2009, 21:34   #7
(vS)
Гуру
 
Аватар для (vS)
 
Регистрация: 13.10.2006
Возраст: 48
Город: Санкт-Петербург
Регион: 54
Машина: '98 PRIUS NHW10
Сообщений: 1,991
(vS) will become famous soon enough(vS) will become famous soon enough
По умолчанию

тебе надо 4053 микросхему
или BA7606
или NJM 2244
__________________
маст{ер} c[лов]а и стил<ус>а

мои детки: сивик и геша + а у него названья нет + примус +
грандесла
(vS) вне форума   Ответить с цитированием
Старый 07.10.2009, 11:15   #8
MiD_E34
Бывалый писикарщик
 
Аватар для MiD_E34
 
Регистрация: 06.09.2007
Город: Питер
Регион: 78, 98
Машина: Тойота РАВ4, ХА50, 2021.
Сообщений: 3,085
MiD_E34 is a splendid one to beholdMiD_E34 is a splendid one to beholdMiD_E34 is a splendid one to beholdMiD_E34 is a splendid one to beholdMiD_E34 is a splendid one to beholdMiD_E34 is a splendid one to behold
По умолчанию

Цитата:
Сообщение от (vS) Посмотреть сообщение
тебе надо 4053 микросхему
или BA7606
или NJM 2244
Да, спасибо, думаю это то, что нужно. Я и не знал, что ест такие. Как стемнеет - буду брать..
Я так понял, что BA7606 - специальный видеосвичер, а остальные - простые мультиплексоры. Первой вообще нет в наших магазах. Чем, интересно, BA7606 принципиально отличается от мультиплексора?
__________________
Андроид ГУ.
Проект2:http://www.pccar.ru/showthread.php?t=17597
MiD_E34 вне форума   Ответить с цитированием
Старый 07.10.2009, 11:34   #9
MiD_E34
Бывалый писикарщик
 
Аватар для MiD_E34
 
Регистрация: 06.09.2007
Город: Питер
Регион: 78, 98
Машина: Тойота РАВ4, ХА50, 2021.
Сообщений: 3,085
MiD_E34 is a splendid one to beholdMiD_E34 is a splendid one to beholdMiD_E34 is a splendid one to beholdMiD_E34 is a splendid one to beholdMiD_E34 is a splendid one to beholdMiD_E34 is a splendid one to behold
По умолчанию

дома есть видик разобранный - может в нем есть BA7606...
Нашел еще в магазе TS5V330 - 25 руб всего - тоже видеопереключатель
__________________
Андроид ГУ.
Проект2:http://www.pccar.ru/showthread.php?t=17597
MiD_E34 вне форума   Ответить с цитированием
Старый 07.10.2009, 11:56   #10
user7843188
Пользователь
 
Регистрация: 10.07.2008
Регион: 77, 97, 99, 177
Машина: УАЗ Патриот 2008, Мерседес Вито 112 CDI
Сообщений: 40
user7843188 is on a distinguished road
По умолчанию

Цитата:
Сообщение от MiD_E34 Посмотреть сообщение
Чем, интересно, BA7606 принципиально отличается от мультиплексора?
по архитектуре ничем. Посмотрел даташит - классический аналоговый МОП мультиплексор.
__________________
Мой второй проект CarPC (УАЗ Патрит 2008, SL PSU 5.45, Liliput FA1042-NP, ASUS P5Q-VM, Core2Duo E7300, 4 Gb RAM, 3 HDDx320 Gb, AVerTV Hybrid Speedy PCI-E, VIP Hi-Live I-4, BU-353 USB, A4-Tech GKS-670MD, Helix DB FIVE, Yota, Centrafuse, LeoCAR, OziExplorer и прочая фигня)
user7843188 вне форума   Ответить с цитированием
Ответ


Здесь присутствуют: 1 (пользователей: 0 , гостей: 1)
 
Опции темы Поиск в этой теме
Поиск в этой теме:

Расширенный поиск

Ваши права в разделе
Вы не можете создавать новые темы
Вы не можете отвечать в темах
Вы не можете прикреплять вложения
Вы не можете редактировать свои сообщения

BB коды Вкл.
Смайлы Вкл.
[IMG] код Вкл.
HTML код Выкл.



Часовой пояс GMT +4, время: 18:49.


Работает на vBulletin® версия 3.8.4.
Copyright ©2000 - 2026, Jelsoft Enterprises Ltd.
Перевод: zCarot