PCCar.ru - Ваш автомобильный компьютер

Вернуться   PCCar.ru - Ваш автомобильный компьютер > MP3Car ТехИнфа > Блоки питания > Самодельные блоки питания

Ответ
 
Опции темы Поиск в этой теме
Старый 23.05.2009, 09:28   #51
БАЛУ
Старший Пользователь
 
Регистрация: 09.05.2009
Город: ТОМСК
Регион: 78, 98
Сообщений: 143
БАЛУ is on a distinguished road
По умолчанию

ну от тяжелых случаев поломок никто не застрахован . мона на дежурку повесить пару стабилитронов на 5.5в(подобное решение используется в IN-WIN) тогда при обрыве обратной связи на 3844 сгорит резистор в цепи стока транзюка потом выгорит 3844
БАЛУ вне форума   Ответить с цитированием
Старый 26.05.2009, 12:08   #52
БАЛУ
Старший Пользователь
 
Регистрация: 09.05.2009
Город: ТОМСК
Регион: 78, 98
Сообщений: 143
БАЛУ is on a distinguished road
По умолчанию

столкнулся с проблемой при заводке машины напруга падает до 9в комп отрубается .похоже на мимросхему дежурки надо завести обратку +12SB через диод
БАЛУ вне форума   Ответить с цитированием
Старый 26.05.2009, 12:36   #53
alex__k
Пользователь
 
Регистрация: 16.01.2008
Регион: Украина
Машина: PASSAT B3
Сообщений: 66
alex__k is on a distinguished road
По умолчанию

Цитата:
Сообщение от БАЛУ Посмотреть сообщение
столкнулся с проблемой при заводке машины напруга падает до 9в комп отрубается .похоже на мимросхему дежурки надо завести обратку +12SB через диод
У меня была такая проблемма на tl494, я решил её подав питание черездиоды прямо с выхода +12V блока питания
alex__k вне форума   Ответить с цитированием
Старый 27.05.2009, 07:23   #54
serg_wolf
Старший Пользователь
 
Аватар для serg_wolf
 
Регистрация: 04.03.2008
Город: NSK
Регион: 54
Машина: Toyota Camry SV33 3s-fe
Сообщений: 153
serg_wolf is on a distinguished road
По умолчанию

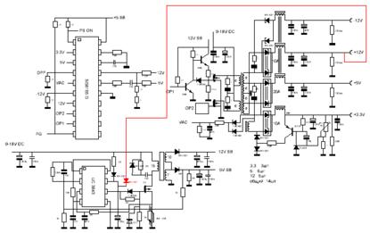
Все проще
Миниатюры
Нажмите на изображение для увеличения
Название: питаниеТЛ.JPG
Просмотров: 1674
Размер:	32.1 Кб
ID:	11271  
__________________
Дорога в тысячу миль, начинается с одного шага...
serg_wolf вне форума   Ответить с цитированием
Старый 27.05.2009, 13:52   #55
БАЛУ
Старший Пользователь
 
Регистрация: 09.05.2009
Город: ТОМСК
Регион: 78, 98
Сообщений: 143
БАЛУ is on a distinguished road
По умолчанию

места на материнке маловато для диодов др и кр диод с резюком само то (проверено отрубается именно дежурка хотя от 9 до 16 в без резких перепадов работает без глюков )буду пробовать
БАЛУ вне форума   Ответить с цитированием
Старый 27.05.2009, 13:53   #56
alex__k
Пользователь
 
Регистрация: 16.01.2008
Регион: Украина
Машина: PASSAT B3
Сообщений: 66
alex__k is on a distinguished road
По умолчанию

Цитата:
Сообщение от serg_wolf Посмотреть сообщение
Все проще
http://www.pccar.ru/images/smilies/p...ions/blush.gif

Куда проще.
Миниатюры
Нажмите на изображение для увеличения
Название: ПРЕОБРЗОВАТЕЛЬ  12V--ATX 1.0.jpg
Просмотров: 1666
Размер:	19.3 Кб
ID:	11272  
alex__k вне форума   Ответить с цитированием
Старый 27.05.2009, 14:15   #57
alex__k
Пользователь
 
Регистрация: 16.01.2008
Регион: Украина
Машина: PASSAT B3
Сообщений: 66
alex__k is on a distinguished road
По умолчанию

Или так.
Миниатюры
Нажмите на изображение для увеличения
Название: ПРЕОБРЗОВАТЕЛЬ  12V-ATX 1.0.jpg
Просмотров: 1625
Размер:	19.9 Кб
ID:	11274  
alex__k вне форума   Ответить с цитированием
Старый 27.05.2009, 14:27   #58
БАЛУ
Старший Пользователь
 
Регистрация: 09.05.2009
Город: ТОМСК
Регион: 78, 98
Сообщений: 143
БАЛУ is on a distinguished road
По умолчанию

вариант куда проще похоже самый простой
БАЛУ вне форума   Ответить с цитированием
Старый 27.05.2009, 14:40   #59
alex__k
Пользователь
 
Регистрация: 16.01.2008
Регион: Украина
Машина: PASSAT B3
Сообщений: 66
alex__k is on a distinguished road
По умолчанию

Вообщем мне твой вариант блока оч понравился по свободе хочу собрать.
alex__k вне форума   Ответить с цитированием
Старый 28.05.2009, 07:50   #60
serg_wolf
Старший Пользователь
 
Аватар для serg_wolf
 
Регистрация: 04.03.2008
Город: NSK
Регион: 54
Машина: Toyota Camry SV33 3s-fe
Сообщений: 153
serg_wolf is on a distinguished road
По умолчанию

ЫЫы, ну можно итак, тока помех для шим будет больше, особенно если частоту увеличивать. Вам же кпд не безразличен, а чистое питание шим, драйверов, это залог нормального КПД. ИПБ с ос, и так шумные...
Ставте тогда уж дросселек мелкий после диода и керамику+мелкий електролит.
__________________
Дорога в тысячу миль, начинается с одного шага...
serg_wolf вне форума   Ответить с цитированием
Ответ

Метки
схема бп


Здесь присутствуют: 1 (пользователей: 0 , гостей: 1)
 

Ваши права в разделе
Вы не можете создавать новые темы
Вы не можете отвечать в темах
Вы не можете прикреплять вложения
Вы не можете редактировать свои сообщения

BB коды Вкл.
Смайлы Вкл.
[IMG] код Вкл.
HTML код Выкл.



Часовой пояс GMT +4, время: 10:36.


Работает на vBulletin® версия 3.8.4.
Copyright ©2000 - 2026, Jelsoft Enterprises Ltd.
Перевод: zCarot