PCCar.ru - Ваш автомобильный компьютер

Вернуться   PCCar.ru - Ваш автомобильный компьютер > MP3Car ТехИнфа > АвтоЗвук > Усилители

Ответ
 
Опции темы Поиск в этой теме
Старый 11.05.2018, 04:33   #1
1976oldi
Новый Пользователь
 
Регистрация: 11.05.2018
Возраст: 49
Регион: 27
Сообщений: 4
1976oldi is on a distinguished road
По умолчанию Усилитель из 2din автомагнитолы

Приветствую всех...
Такая проблемка, есть 2 din автомагнитола дисплей треснул и давненько умер.
Магнитола рабочая при включении сразу работает радио, звук регулируется..
Хочу установить 8 дюймовый планшет с windows 10 в качестве бортового компьютера, а манитолу использовать как корпус для доп контроллеров и усилитель..

Схемы на плату в инете нет так как автомагнитола нонейм, но звук был очень даже не плохой.

Фото прилагаю...

Подскажите где можно подпаять провода (AUX) что бы вырубить радио так как нужен только усилитель
за ранее большое спасибо за любую информацию.
Миниатюры
Нажмите на изображение для увеличения
Название: 20180511_073243_resized.jpg
Просмотров: 1154
Размер:	159.7 Кб
ID:	49691   Нажмите на изображение для увеличения
Название: 20180511_073254_resized.jpg
Просмотров: 1162
Размер:	168.4 Кб
ID:	49692   Нажмите на изображение для увеличения
Название: 20180511_073328_resized.jpg
Просмотров: 1130
Размер:	132.9 Кб
ID:	49693  
1976oldi вне форума   Ответить с цитированием
Старый 11.05.2018, 07:08   #2
(vS)
Гуру
 
Аватар для (vS)
 
Регистрация: 13.10.2006
Возраст: 48
Город: Санкт-Петербург
Регион: 54
Машина: '98 PRIUS NHW10
Сообщений: 1,991
(vS) will become famous soon enough(vS) will become famous soon enough
По умолчанию

маркировку с трех микросхем дай, вдоль задней стенки рядом стоят
__________________
маст{ер} c[лов]а и стил<ус>а

мои детки: сивик и геша + а у него названья нет + примус +
грандесла
(vS) вне форума   Ответить с цитированием
Старый 11.05.2018, 10:56   #3
1976oldi
Новый Пользователь
 
Регистрация: 11.05.2018
Возраст: 49
Регион: 27
Сообщений: 4
1976oldi is on a distinguished road
По умолчанию

Цитата:
маркировку с трех микросхем дай, вдоль задней стенки рядом стоят
от большой к более мелкой по порядку
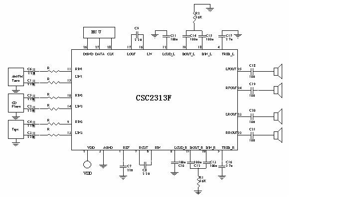
1.CSC2313F
2.CD4052BM
3.CSC6502
Миниатюры
Нажмите на изображение для увеличения
Название: IMG-20180511-WA0003.jpg
Просмотров: 1191
Размер:	147.9 Кб
ID:	49694  
1976oldi вне форума   Ответить с цитированием
Старый 11.05.2018, 11:45   #4
awtoap
Гуру
 
Аватар для awtoap
 
Регистрация: 19.09.2009
Возраст: 48
Город: Мелитополь
Регион: Украина
Сообщений: 2,022
awtoap is a splendid one to beholdawtoap is a splendid one to beholdawtoap is a splendid one to beholdawtoap is a splendid one to beholdawtoap is a splendid one to beholdawtoap is a splendid one to beholdawtoap is a splendid one to behold
По умолчанию

Твоя микра CSC2313F. Это аудипроц. Открывай даташит и смотри входа ее (номера ножек...входа всего три). И методом тыка выясни на какую пару приходит звук с радио. Если не надо переключать входа (скажем с пульта), то отпаиваешь кондеры с ножек 7-6 и 17-16 и после этого через кондеры подаешь сигнал на ногу 16(левый канал) и на ногу 6(правый) ну и третий провод на массу мафона. В таком варианте звук будет всегда идти с планшета и переключить на другой источник в мафоне не получится.
awtoap вне форума   Ответить с цитированием
Старый 11.05.2018, 14:56   #5
1976oldi
Новый Пользователь
 
Регистрация: 11.05.2018
Возраст: 49
Регион: 27
Сообщений: 4
1976oldi is on a distinguished road
По умолчанию

Цитата:
отпаиваешь кондеры с ножек 7-6 и 17-16 и после этого через кондеры подаешь сигнал на ногу 16(левый канал) и на ногу 6(правый
спасибо большое ...Все заработало.. играет вполне приемлемо ...только как будто тише стало..
и не запоминает громкость ...но это уже не критично..
мб либо длинна проводов либо кондеры нужны другие..поставил те что были тут ..
Кондеры довольно мелкие боюсь что оторвутся при установке...Какие номиналы в идеале ставить вместо них??
Просто не знаю как неподходящие номиналы себя поведут...
Могут кондеры на громкость влиять?
Миниатюры
Нажмите на изображение для увеличения
Название: 683ed9as-960.jpg
Просмотров: 1190
Размер:	43.6 Кб
ID:	49696  

Последний раз редактировалось 1976oldi; 11.05.2018 в 17:04.
1976oldi вне форума   Ответить с цитированием
Старый 11.05.2018, 19:03   #6
awtoap
Гуру
 
Аватар для awtoap
 
Регистрация: 19.09.2009
Возраст: 48
Город: Мелитополь
Регион: Украина
Сообщений: 2,022
awtoap is a splendid one to beholdawtoap is a splendid one to beholdawtoap is a splendid one to beholdawtoap is a splendid one to beholdawtoap is a splendid one to beholdawtoap is a splendid one to beholdawtoap is a splendid one to behold
По умолчанию

Если подключено к ногам 6 и 16 то будет отсутствовать дополнительное усиление, которое как раз стоит в селекторе и может принимать три значения усиления(0, +4дб, +11дб). Если нужно чуток громче, то тогда подключаться к входу, на котором висит радио. Кондеры любые выводные 0.1-1мкф. По поводу незапоминания громкости это уже проблема управляющего контроллера.
awtoap вне форума   Ответить с цитированием
Старый 12.05.2018, 13:07   #7
1976oldi
Новый Пользователь
 
Регистрация: 11.05.2018
Возраст: 49
Регион: 27
Сообщений: 4
1976oldi is on a distinguished road
По умолчанию

Подключил как вы сказали - вернул общие кондеры на место, повесил на радио aux так как оно автоматом врубается кондеры поставил 1 mf...Все шикарно звук хороший...
Большое спасибо ...
1976oldi вне форума   Ответить с цитированием
Ответ


Здесь присутствуют: 1 (пользователей: 0 , гостей: 1)
 

Ваши права в разделе
Вы не можете создавать новые темы
Вы не можете отвечать в темах
Вы не можете прикреплять вложения
Вы не можете редактировать свои сообщения

BB коды Вкл.
Смайлы Вкл.
[IMG] код Вкл.
HTML код Выкл.



Часовой пояс GMT +4, время: 04:30.


Работает на vBulletin® версия 3.8.4.
Copyright ©2000 - 2026, Jelsoft Enterprises Ltd.
Перевод: zCarot