PCCar.ru - Ваш автомобильный компьютер

Вернуться   PCCar.ru - Ваш автомобильный компьютер > MP3Car ТехИнфа > Сделай сам

Ответ
 
Опции темы Поиск в этой теме
Старый 13.07.2009, 02:38   #1
Janik
Пользователь
 
Регистрация: 27.09.2007
Возраст: 43
Город: Ua, Odessa
Регион: Украина
Сообщений: 32
Janik is on a distinguished road
По умолчанию Сделать AUX на Pioneer DEH-2800MP

Есть Pioneer DEH-2800MP.
Проигрыватель дисков не нужен, вместо CD-проигрывателя возможно сделать AUX?
Сервис мануал во вложение.
Вложения
Тип файла: zip PIONEER DEH-2800MP, DEH-2850MP.zip (1.40 Мб, 5306 просмотров)
Janik вне форума   Ответить с цитированием
Старый 13.07.2009, 02:48   #2
(vS)
Гуру
 
Аватар для (vS)
 
Регистрация: 13.10.2006
Возраст: 48
Город: Санкт-Петербург
Регион: 54
Машина: '98 PRIUS NHW10
Сообщений: 1,991
(vS) will become famous soon enough(vS) will become famous soon enough
По умолчанию

IC151
5 страница
__________________
маст{ер} c[лов]а и стил<ус>а

мои детки: сивик и геша + а у него названья нет + примус +
грандесла
(vS) вне форума   Ответить с цитированием
Старый 13.07.2009, 16:54   #3
Janik
Пользователь
 
Регистрация: 27.09.2007
Возраст: 43
Город: Ua, Odessa
Регион: Украина
Сообщений: 32
Janik is on a distinguished road
По умолчанию

Цитата:
Сообщение от (vS) Посмотреть сообщение
IC151
5 страница
т.е. мне нужно припаять 2 проводка к 2 и 19 ноге IC151, и подать на них выход с звуковой карты компьютера?
Фото прилагаю.
Миниатюры
Нажмите на изображение для увеличения
Название: IC151.JPG
Просмотров: 14184
Размер:	63.4 Кб
ID:	11793  
Janik вне форума   Ответить с цитированием
Старый 13.07.2009, 18:54   #4
BTTB
Новый Пользователь
 
Регистрация: 15.02.2008
Город: 1
Регион: 77, 97, 99, 177
Машина: 1
Сообщений: 17
BTTB will become famous soon enoughBTTB will become famous soon enough
По умолчанию

Скорее всего не получится. Потому как контроллер должен выбрать входа от СД, чего он не сделает без диска, его инициализации и воспроизведения. Обнануть не получится, т.к. аудиотрак коммутируется в последнюю очередь, когда идут данные с диска. Гораздо правильнее проще и совершенно автоматически можно использовать радио секцию. Релюшка перерлючаемая с двумя парами контактов. В обесточенном состоянии все работает как есть, а при подачи питания на реле она перекидывает радио входа этой микрухи на ваш сигнал с компа. Сама магдитола даже не представляет, что ее усилитель усиливает совсем не то, что ловит ее тюнер. Включение этой релюхи можно организовать от компа - или програмно или аппаратно.

Удачи
BTTB вне форума   Ответить с цитированием
Старый 13.07.2009, 18:58   #5
(vS)
Гуру
 
Аватар для (vS)
 
Регистрация: 13.10.2006
Возраст: 48
Город: Санкт-Петербург
Регион: 54
Машина: '98 PRIUS NHW10
Сообщений: 1,991
(vS) will become famous soon enough(vS) will become famous soon enough
По умолчанию

либо заморачиваться с электронным управлением селектором... что муторно но интересно
__________________
маст{ер} c[лов]а и стил<ус>а

мои детки: сивик и геша + а у него названья нет + примус +
грандесла
(vS) вне форума   Ответить с цитированием
Старый 13.07.2009, 18:59   #6
admin
Administrator
 
Аватар для admin
 
Регистрация: 15.06.2005
Город: Москва
Регион: 77, 97, 99, 177
Машина: Lexus RX400h
Сообщений: 842
admin is a glorious beacon of lightadmin is a glorious beacon of lightadmin is a glorious beacon of lightadmin is a glorious beacon of lightadmin is a glorious beacon of lightadmin is a glorious beacon of light
По умолчанию

Сделай коммутатор на релюшке , а управлять ей можно от питания АМ модуля.
__________________
Все для arduino.
admin вне форума   Ответить с цитированием
Старый 13.07.2009, 19:44   #7
Janik
Пользователь
 
Регистрация: 27.09.2007
Возраст: 43
Город: Ua, Odessa
Регион: Украина
Сообщений: 32
Janik is on a distinguished road
По умолчанию

А можно на пальцах объяснить?
А куда реле повесить, каким обзором сделать переключение реле с помощью кнопки AM, куда подавать выход с звуковой карты?
Паять умею, а вот в схемах не сильно понимаю..
Janik вне форума   Ответить с цитированием
Старый 13.07.2009, 20:37   #8
admin
Administrator
 
Аватар для admin
 
Регистрация: 15.06.2005
Город: Москва
Регион: 77, 97, 99, 177
Машина: Lexus RX400h
Сообщений: 842
admin is a glorious beacon of lightadmin is a glorious beacon of lightadmin is a glorious beacon of lightadmin is a glorious beacon of lightadmin is a glorious beacon of lightadmin is a glorious beacon of light
По умолчанию

С АМ фокус не прокатит так как модуль AM/FM управляется по шине SPI
А коммутировать через релюшку нужно сигналы Rch и Lch выходящий из Tuner FM/AM
__________________
Все для arduino.
admin вне форума   Ответить с цитированием
Старый 14.07.2009, 10:58   #9
BTTB
Новый Пользователь
 
Регистрация: 15.02.2008
Город: 1
Регион: 77, 97, 99, 177
Машина: 1
Сообщений: 17
BTTB will become famous soon enoughBTTB will become famous soon enough
По умолчанию

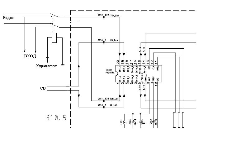
Типа того

Если на вход управления напруга не подана - реле просто заменяет штатное соединение тюнера и комутатора. А если туда подать напругу, оно переключится и подключит к входу комутатора внешний источник.

Как этим управлять - думай сам. Можно от компа, можно вывести отдельный переключатель, а можно.... А что за кнопка "AUDIO" и где приглушение громкости, которое "MUTE"?
Миниатюры
Нажмите на изображение для увеличения
Название: Audio_input.JPG
Просмотров: 10942
Размер:	31.3 Кб
ID:	11799  
BTTB вне форума   Ответить с цитированием
Старый 14.07.2009, 16:10   #10
Janik
Пользователь
 
Регистрация: 27.09.2007
Возраст: 43
Город: Ua, Odessa
Регион: Украина
Сообщений: 32
Janik is on a distinguished road
По умолчанию

Цитата:
Сообщение от BTTB Посмотреть сообщение
Типа того

Если на вход управления напруга не подана - реле просто заменяет штатное соединение тюнера и комутатора. А если туда подать напругу, оно переключится и подключит к входу комутатора внешний источник.

Как этим управлять - думай сам. Можно от компа, можно вывести отдельный переключатель, а можно.... А что за кнопка "AUDIO" и где приглушение громкости, которое "MUTE"?
Спасибо!
А как подцепить реле на кнопку без фиксации?
Janik вне форума   Ответить с цитированием
Ответ


Здесь присутствуют: 1 (пользователей: 0 , гостей: 1)
 

Ваши права в разделе
Вы не можете создавать новые темы
Вы не можете отвечать в темах
Вы не можете прикреплять вложения
Вы не можете редактировать свои сообщения

BB коды Вкл.
Смайлы Вкл.
[IMG] код Вкл.
HTML код Выкл.



Часовой пояс GMT +4, время: 05:35.


Работает на vBulletin® версия 3.8.4.
Copyright ©2000 - 2026, Jelsoft Enterprises Ltd.
Перевод: zCarot