Показать сообщение отдельно
Старый 24.02.2009, 18:21   #3
(vS)
Гуру
 
Аватар для (vS)
 
Регистрация: 13.10.2006
Возраст: 48
Город: Санкт-Петербург
Регион: 54
Машина: '98 PRIUS NHW10
Сообщений: 1,991
(vS) will become famous soon enough(vS) will become famous soon enough
По умолчанию

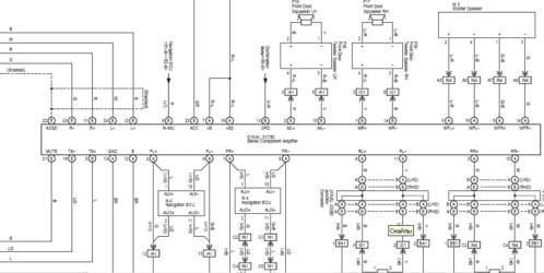
да со штатным в любом случае облом... он "умный"
Миниатюры
Нажмите на изображение для увеличения
Название: 1.jpg
Просмотров: 1252
Размер:	20.5 Кб
ID:	9447  
__________________
маст{ер} c[лов]а и стил<ус>а

мои детки: сивик и геша + а у него названья нет + примус +
грандесла
(vS) вне форума   Ответить с цитированием