PCCar.ru - Ваш автомобильный компьютер

PCCar.ru - Ваш автомобильный компьютер (https://pccar.ru/index.php)
-   Рабочий журнал (https://pccar.ru/forumdisplay.php?f=25)
-   -   Андроид планшет как CarPC в Toyota Prius II. "Бескровная" установка (https://pccar.ru/showthread.php?t=18106)

alexvtk 31.10.2012 08:39

Андроид планшет как CarPC в Toyota Prius II. "Бескровная" установка
 
Вложений: 20
Описание CarPC на базе планшета Ployer momo9

Почему планшет на Андроиде? Потому что компьютер на Винде уже был в предыдущей машине и все специфические сопутствующие «прелести» я вкусил. Почему планшет Ployer momo9? Потому что он построен на процессоре Allwinner A10 и к весне этого года известный в Андроид кругах забугорный ромодел Кристиан Трой наваял целую линейку кастомных прошивок СМ9 для таблеток на А10, поддерживающих внешний USB DAC, Bluetooth донглы и USB GPS. Да и потому что на момент начала построения Андроид КарПиси он просто у меня был.

Планшет устанавливался в гибрид Toyota Prius NHW20, 2008, Park Assist, которая имеет штатную камеру заднего хода, систему автопарковки и отличную штатную bluetooth hands-free. Плюсом леворукого Приуса оказалось наличие AUX-IN под крышкой подлокотника и рядом с ним гнезда прикуривателя. Регистратор использую в виде отдельного девайса. Компу регистрацию не доверяю. Ненадежно.
Планшету оставлены следующие функции: музыка, видео, навигация, диагностика по OBDII, интернет.
Главная задача «бескровная инсталляция», т.е. не трогать торпеду, но встроить планшет максимально органично в интерьер панели (хотя бы по-моему мнению «органично»). Вариант «оперативного вмешательства» уже проходил на Toyota Vitz, встраивая китайский моник с тачем вместо штатной магнитолы.

Комплектующие
Собственно 7 дюймовый планшет Ployer momo9 с минимальными доработками. Выведено внешнее питание (штатный разъем подключения зарядника очень «хлипкий») и пара проводников от контактов кнопки Power для организации просыпания-засыпания планшета по наличию-отсутствию АСС.
Вложение 28339 Вложение 28340

Wi-Fi маршрутизатор TPLINK-MR3020 и Мегафон модем.
Вложение 28341 Вложение 28342

Bluetooth GPS приемник. В процессе отладки «на столе» пробовал популярный USB GPS приемник BU-353. Работал, но под Андроидом требуется прога, которая нестабильно автостартует. Остановился на BT GPS. Никаких дополнительных прог не потребовалось. BT GPS поселился в бардачке, батарея вынута, запитан по гнезду зарядки от АСС через DC-DC 5V.

USB Audio. Приобретено 3 внешних USB Audio: нонейм за 1,5 бакса, типа «брендовый» "SoundBlaster Play!" и плата DAC на PCM2704 (еще едет почтой из Китая). Никакой разницы между нонейм и "SoundBlaster Play!" не ощутил. Но ощущается отличие в лучшую сторону у обеих звуковух от выхода на наушники планшета.
Вложение 28343 Вложение 28344

На подходе такая платка http://www.aliexpress.com/item/Frees...548543837.html

USB хаб. Ничего особенного, Defender на 4 входа. Со стороны планшета провод +5В в хабе отпаян. Только внешнее питание от АСС через 5В DC-DC стабилизатор.
Вложение 28345 Вложение 28346

USB Bluetooth донгл.
Старенький Orient. Работает с Андроид очень стабильно. Проблем с режимом сна нет.

Адаптер OBDII Bluetooth ELM327
Вложение 28347

Блок питания и автоматики.

Внешнее питание планшета 5В 3А собрано на модуле KIS-3R33S.
Вложение 28350 Вложение 28349

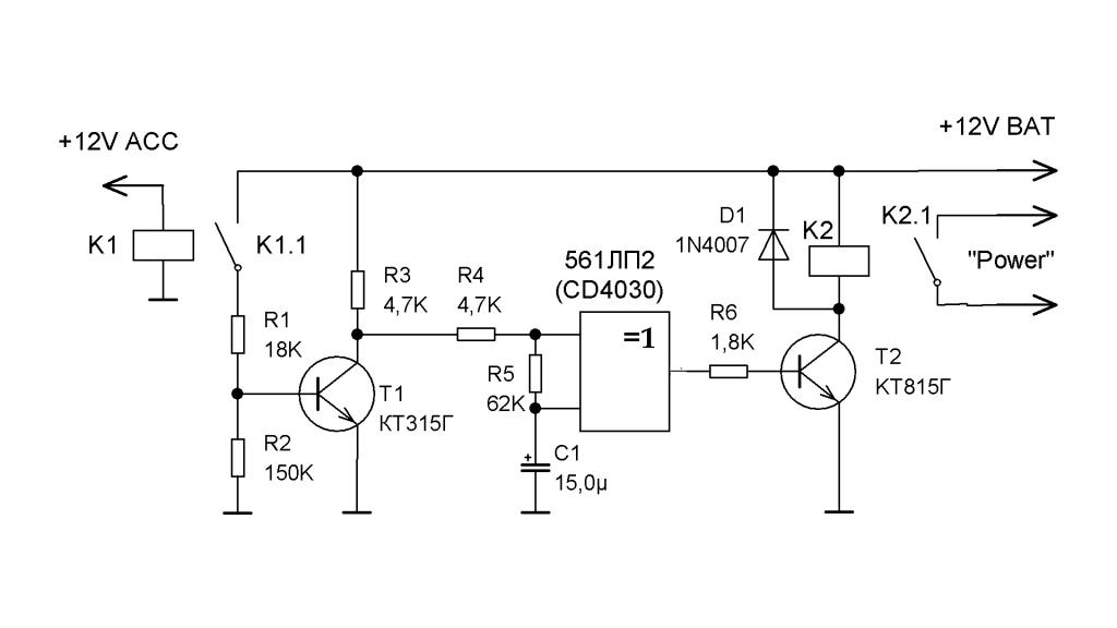
Для «нажатия» кнопки Power классическая схема на К561ЛП2. При появлении – пропадании АСС реле на секунду замыкает контакты кнопки Power планшета.Тут масса вариантов, можно и микроконтроллеры. Мне привычней и надежней два реле, два транзистора и одна К-МОП микросхема.

Получилось так:
Вложение 28351 Вложение 28352 Вложение 28353

Для питания USB GPS и USB HUB от АСС использованы «затычки» в прикуриватель.

Софт

1. Прошивка: Cyanogenmod9 2012-09-13 с поддержкой BT, USB Audio, USB GPS
2. Автоматика: Tasker и AutomateIt
3. Аудиоплеер: PowerAmp
4. Видеоплеер: MXPlayer
5. Интернет радио: TuneIn Radio
6. Интернет телефония: Skype
7. Диагностика: Torque
8. Навигация: 7Дорог, Сити Гид , Навител, Яндекс пробки
9. Оформление рабочего стола: Desktop VisualizeR


Схема коммутации
Планшет никогда не выключается полностью. Уводится в сон. Батарея в планшете оставлена.

Вложение 28354


Инсталяция в машину

Инсталяция – это громко сказано. Одной из задач было не «дорабатывать напильником» торпеду. Было решено пожертвовать целевым назначением «бардачка» под штатной магнитолой. Для крепления был придуман кронштейн из трех деталей. Изготовлен из пластика (использована нижняя часть старой клавиатуры). Для закрепления планшета на кронштейне использована лента застежки-липучки. Верхним краем планшет входит под нижний край панели магнитолы куда подклеен кусочек уплотнителя для окон, чтобы планшет не дребезжал.
Вот макет кронштейна из картона. И вот готовый кронштейн в машине.
Вложение 28355Вложение 28360

Так это выглядит в итоге. Хаб в подлокотнике.
Вложение 28357 Вложение 28358

Скрин рабочего стола.
Вложение 28361

Принципиальный апгpейд не планирую. Попробую как будет звучать идущая почтой платка DAC на PCM2704, и, возможно, перенесу блок питания и автоматики поближе к планшету (в неиспользуемый теперь бардачок под магнитолой за планшетом).

А все таки не утерпел. Тут апгрейд проекта.

macau 31.10.2012 11:39

а есть ли готовые варианты для питания планшета и кнопки?

maxkuz 01.11.2012 20:45

С таким же успехом можно его было тупо прилепить на присоску к лобовухе и воткнуть в прикуриватель...смотрится чужеродно. Имея современный штатный монитор с примочками, необходимость в планшете пропадает, безсмыслица и нагромождение "огорода".

Hamster 01.11.2012 20:59

Цитата:

Сообщение от maxkuz (Сообщение 235206)
С таким же успехом можно его было тупо прилепить на присоску к лобовухе и воткнуть в прикуриватель...

Да ладно... Смотрится как раз хорошо, да низкова-то, но это уже другой вопрос.
Соглашусь с Alex-NN, тема про андроид планшеты уже за 200 страниц, а проектов с фотками очень мало.

Gorynch 01.11.2012 21:20

картинок бы побольше, и при свете )

а так - хорошо

DmitrySmol 01.11.2012 21:56

Нормуль все, кроме крепления и высоты (как мне кажется). А штатный лучше не трогать .. написано ведь здесь: "Бескровная" установка. На присоске такое получить тоже можно, но вопрос ведь не в этом .. А в GPS, Audio, 3G, WiFi и диагностике на android.

alexvtk, есть вопросы .. :)
1. как насчет саморазряда в режиме сна?
2. хаб, питание для него отрубается при выключении ACC?
3. в KIS-3R33S вроде нет гальванической развязки по земле, что насчет помех по звуку?

s.m. 02.11.2012 01:22

Цитата:

На подходе такая платка http://www.aliexpress.com/item/Frees...548543837.html
То, что на выходе стоят пленочные конденсаторы - это правильно для качества звука, а вот то, что такой USB разъем - нет, ибо кабель нужен нестандартный уже.

alexvtk 02.11.2012 09:53

Цитата:

Сообщение от maxkuz (Сообщение 235206)
С таким же успехом можно его было тупо прилепить на присоску к лобовухе и воткнуть в прикуриватель...смотрится чужеродно. Имея современный штатный монитор с примочками, необходимость в планшете пропадает, безсмыслица и нагромождение "огорода".

У каждого свое мнение. У меня не было задачи разворотить штатную панель (это уже пройдено на другой машине) и моник. Тем более, что нет реальных решений под Андроид. Точнее говоря, якобы, есть некие платы, которыми торгуют из Австралии, но сайт больше похож на фейк или мошенничество. У Примуса дохрена примочек на штатном монике, только много бесполезных. Возьмем навигацию. Последние карты нави Е15 с картой Росии для Приуса и Лексуса убогие. Нарезка их наболванку, как оказалось, те еще танцы с бубном (можно почитать на сайтах примусоводов) Диск русификации Нави толкают в нете за 4тр. Трип компьютет показывает красивый мультик с крутящимися колесиками и стрелками направления движения энергии от двигателей и зарядки большой батарейки. Из полезного только расход на 100 км и рекуперацию. Хэндз-фри и КЗХ, отмечу, работают надежно. Оно мне надо такие "примочки"? Диагностика по ЕЛМ дает мне полную инфу о большой батарейке и много еще полезного даже для такого дилетанта, как я. За такую диагостику при покупке машины я заплатил "спецам" 600 р. А теперь каждый раз нажимая кнопку Torque я не плачу ничего:whistle:
Насчет нагромождения... А что там нагромождено? От нижнего края магнитолы под углом еще одна плоскость - планшет. Из него сбоку торчит мини усб. И все. Остальное не видно.

Цитата:

Сообщение от Gorynch (Сообщение 235208)
картинок бы побольше, и при свете )

Сделаю в выходные днем фотки и возможно видео.

Цитата:

Сообщение от DmitrySmol (Сообщение 235210)
1. как насчет саморазряда в режиме сна?
2. хаб, питание для него отрубается при выключении ACC?
3. в KIS-3R33S вроде нет гальванической развязки по земле, что насчет помех по звуку?

Нет саморазряда в режиме сна, тк плаштет запитан от АКБ батареи машины. Поскольку батарея все время 100%, то потребление режиме сна от АКБ машины около 40мА.
Питание хаба отрубается при отключении АСС. Проблем с подхватыванием устройств при пробуждении планшета и включении хаба нет.
Да, в KIS нет гальванической развязки. Помехи по питанию все-таки есть. На макс громкости на паузе слышны легкие потрескивания. Можно было бы с ними побороться выведя общий от контура платы планшета и толстенным проводником искать точку заземления, либо землиться от общего аналогового выхода DAC (кучу вариантов пришлось бы попробовать), но я забил на этот неблагодарный и тяжкий процесс Да и не слушаю паузу на максимальной громкости:smile2:

Цитата:

Сообщение от s.m. (Сообщение 235236)
То, что на выходе стоят пленочные конденсаторы - это правильно для качества звука, а вот то, что такой USB разъем - нет, ибо кабель нужен нестандартный уже.

Кабель будет подпаян непосредственно на плату DAC.
По большому счету все эти УСБ разъемы, особенно миниусб - полное дерьмо в контексте использования в машине. Надо бы просто припаять БТ УСБ и кабель от DAC напрямую к плате хаба. Возможно так и сделаю впоследствии. А DAC в идеале запитать от отдельной батарейки вообще. Но это уже, типа, Hi-End.

ЗЫ: тут, конечно, есть лазейки для помех по земле, например, питание хаба. В идеале надо бы делать качественные источники с гальванической развязкой и землить уже общий контакт входного гнезда AUX-IN.

s.m. 02.11.2012 12:46

Цитата:

Приобретено 3 внешних USB Audio: нонейм за 1,5 бакса
купил такой вчера на подмену умершему DAC - на низких уровнях громкости ужасные искажения. Не хочет нормально работать в OTG, много помех от рядом подключенного hdd, издает громкий щелчок при появлении звука. PCM звучал в разы лучше, особенно в наушниках. Жду новый DAC PCM2704 с eBAy. Кстати, осторожно с ним!
У меня умер один PCM2704 в процессе экспериментов, даже не понял почему, может статика. Теперь "устройство не опознано" на всех компах с Виндой.

alexvtk 02.11.2012 13:17

Цитата:

Сообщение от s.m. (Сообщение 235255)
купил такой вчера на подмену умершему DAC - на низких уровнях громкости ужасные искажения. Не хочет нормально работать в OTG, много помех от рядом подключенного hdd, издает громкий щелчок при появлении звука. PCM звучал в разы лучше, особенно в наушниках. Жду новый DAC PCM2704 с eBAy. Кстати, осторожно с ним!
У меня умер один PCM2704 в процессе экспериментов, даже не понял почему, может статика. Теперь "устройство не опознано" на всех компах с Виндой.

Я насчет этого нонейма и даже "Саундбластера" иллюзий не строю. Правда, щелчков и ощутимых на слух искажений нет. А что за эксперименты привели к смерти РСМ2704? Чтобы не наступить на грабли.


Часовой пояс GMT +4, время: 21:35.

Работает на vBulletin® версия 3.8.4.
Copyright ©2000 - 2026, Jelsoft Enterprises Ltd.
Перевод: zCarot