PCCar.ru - Ваш автомобильный компьютер

PCCar.ru - Ваш автомобильный компьютер (https://pccar.ru/index.php)
-   Сделай сам (https://pccar.ru/forumdisplay.php?f=17)
-   -   переходник Adapter Mini PCI-E to PCI-E Ver2.11 (https://pccar.ru/showthread.php?t=14880)

vovicus62 23.04.2011 03:04

переходник Adapter Mini PCI-E to PCI-E Ver2.11
 
Вложений: 17
Может у кого лежат невостребованные карты WI-FI, WI-MAX от ноутбуков, можно внедрить их в кар-пц.
Идею взял отсюда http://www.hwtools.net/Adapter/MP2W.html там есть схемки внизу, и кое какое описание.
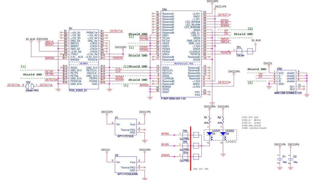
Печатная плата двусторонняя, разработана в Sprint-lavout 5, полный схемный аналог Adapter Mini PCI-E to PCI-E Ver2.11, адаптирован под нужды кар-пц (делал под свой самопальный корпусок) имеет размер 36 х 63 мм.
На борту присутствует USB коннектор, для работы с соответствующими картами, вне корпуса Писи, адаптер универсален.
Вложение 21755
Вложение 21749
Вложение 21750
Вложение 21751
печатная плата изготовлена ЛУТ, слой М1 основной монтажный, печатаем зеркально.
Вложение 21752
Вложение 21753
Вложение 21754
распечатывать ловчее несколько штук сразу, удобнее совмещать слои
Вложение 21756
Вложение 21757
пилим, сверлим, лудим, собираем :wacko2:
светодиоды любые для SMD монтажа, стабилизаторы 1117 на 3,3v и 1,8v
если предполагается эксплуатация только в PCI-E слоте, стабилизаторы можно незапаивать.
Разъём Mini PCI-E добываем в старом ноуте, отпаивать его нужно феном, и очень быстро, чтобы непоплыл.
Вложение 21758
Вложение 21759
Вложение 21760
Вложение 21761
Вложение 21762
Вложение 21763
втыкаем в комп, ставим дрова, всё работает :yes4:
Вложение 21764
Вложение 21765

tarick 23.04.2011 21:20

usb разъем имхо стоило на обратную сторону платы развести

vovicus62 23.04.2011 21:39

Цитата:

Сообщение от tarick (Сообщение 181942)
usb разъем имхо стоило на обратную сторону платы развести

зачем на обратную сторону ?, если адаптер вне компа, какая разница куда втыкать :smile1:, он ещё выполняет роль подпорки для карточки, высота разъёма 8мм.

vovicus62 23.04.2011 22:14

антена
 
Вложений: 4
ноутбуковская антена WI-FI, в sprint-lavout 5, и в векторе.
вообще интересно кто какие антены в авто использует!?, и куда её крепить ?.
Вложение 21773
Вложение 21774
Вложение 21771
Вложение 21772

Fasterpast 25.04.2011 21:42

Прикольно ) На ибее такие за копейки продаются, правда без USB, но зато с пигтейлами для антенн.

vovicus62 26.04.2011 00:27

Цитата:

Сообщение от Fasterpast (Сообщение 182169)
Прикольно ) На ибее такие за копейки продаются, правда без USB, но зато с пигтейлами для антенн.

я делал низкопрофильный вариант для кар-пс, пигтейлы налудить 15 мин, да и попаяться люблю иногда.
300р + пересылка, это уже некопейки, да и не все умеют отовариваться на ибее.

aptm 26.04.2011 08:18

Мне понравился переходник, особенно размерами. Оригинальный требует корпус высотой 80мм. Жалко только за образец не была взята MP2A, с гнездом под sim. ;)

Аннтену для WiFi использую "обычную" как на картах/роутерах на 2.4 GHz. Разьем rp-sma крепиться на спойлере 5-й двери.
Разъем такой:
http://www.brownbear.ru/foto/foto/165089.jpg
Антенна:
http://img.tjskl.org.cn/28786561_d/n...lan_rp_sma.jpg

vovicus62 27.04.2011 14:31

Цитата:

Сообщение от aptm (Сообщение 182192)
Мне понравился переходник, особенно размерами. Оригинальный требует корпус высотой 80мм. Жалко только за образец не была взята MP2A, с гнездом под sim. ;)

Аннтену для WiFi использую "обычную" как на картах/роутерах на 2.4 GHz. Разьем rp-sma крепиться на спойлере 5-й двери.
Разъем такой:
http://www.brownbear.ru/foto/foto/165089.jpg
Антенна:
http://img.tjskl.org.cn/28786561_d/n...lan_rp_sma.jpg

гнездо под симку :rolleyes2:!?, а зачем оно нужно, модем типа.

Fasterpast 27.04.2011 14:44

Цитата:

Сообщение от vovicus62 (Сообщение 182178)
я делал низкопрофильный вариант для кар-пс, пигтейлы налудить 15 мин, да и попаяться люблю иногда.
300р + пересылка, это уже некопейки, да и не все умеют отовариваться на ибее.

Да не, сделано всё классно ) Всегда приятно, что там внутри что-то сделанное своими руками работает...
Про ибей, это я так, для справки тем, кто зайдёт в тему и будет спрашивать " а нельзя ли такой купить" и т.д.

aptm 27.04.2011 21:15

Цитата:

Сообщение от vovicus62 (Сообщение 182375)
гнездо под симку :rolleyes2:!?, а зачем оно нужно, модем типа.

Типа да, под такой


Часовой пояс GMT +4, время: 21:32.

Работает на vBulletin® версия 3.8.4.
Copyright ©2000 - 2026, Jelsoft Enterprises Ltd.
Перевод: zCarot