PCCar.ru - Ваш автомобильный компьютер

Вернуться   PCCar.ru - Ваш автомобильный компьютер > MP3Car ТехИнфа > Блоки питания > Самодельные блоки питания

Ответ
 
Опции темы Поиск в этой теме
Старый 11.08.2009, 11:46   #81
БАЛУ
Старший Пользователь
 
Регистрация: 09.05.2009
Город: ТОМСК
Регион: 78, 98
Сообщений: 143
БАЛУ is on a distinguished road
По умолчанию

тоесть у тебя петвичка 3+3 вторичка 4+3+3+4 и сильно греется ДГС (ПО12В ультрафаст по 5В шотки ) а нагрузка какая .
БАЛУ вне форума   Ответить с цитированием
Старый 11.08.2009, 12:37   #82
alex__k
Пользователь
 
Регистрация: 16.01.2008
Регион: Украина
Машина: PASSAT B3
Сообщений: 66
alex__k is on a distinguished road
По умолчанию

Я пробовал разные варианты
1 6+6w 0.6x4
2 6+6w 0.6x4
3 8+8w 0.6x2
alex__k вне форума   Ответить с цитированием
Старый 11.08.2009, 12:38   #83
alex__k
Пользователь
 
Регистрация: 16.01.2008
Регион: Украина
Машина: PASSAT B3
Сообщений: 66
alex__k is on a distinguished road
По умолчанию

http://www.pccar.ru/showthread.php?t=4346
Мой БП
alex__k вне форума   Ответить с цитированием
Старый 11.08.2009, 15:21   #84
БАЛУ
Старший Пользователь
 
Регистрация: 09.05.2009
Город: ТОМСК
Регион: 78, 98
Сообщений: 143
БАЛУ is on a distinguished road
По умолчанию

ДГС МОЖЕТ ГРЕТСЯ от вихревых токов либо если нагрузка по каналам не равнозначна либо от больших пульсаций(либо все вместе ). В данном варианте частота ШИМ ОК 65КГЦ дгс крупныи при той мощности что я снимал он практически не греется . Последний вариант что я выкладывал ОКАЗЫВАЕТСЯ НЕ последний,поставил диоды после мостов перед ДГС обалдел,в той конфигурации что на фотках при техже условиях ток потребления упал с 2.9А до 2.5А ФОТО выложу завтра
БАЛУ вне форума   Ответить с цитированием
Старый 11.08.2009, 16:17   #85
alex__k
Пользователь
 
Регистрация: 16.01.2008
Регион: Украина
Машина: PASSAT B3
Сообщений: 66
alex__k is on a distinguished road
По умолчанию

А что за диоды.
alex__k вне форума   Ответить с цитированием
Старый 12.08.2009, 08:32   #86
БАЛУ
Старший Пользователь
 
Регистрация: 09.05.2009
Город: ТОМСК
Регион: 78, 98
Сообщений: 143
БАЛУ is on a distinguished road
По умолчанию

обычные быстродействующие диоды шотки способные работать на частотах выше 100кгц при токе до 8А.в обратном включении после мостов перед ДГС на землю (ДГС в этом случае работает еще как накопительный дроссель прямохода НА УДВОЕННОЙ ЧАСТОТЕ ШИМА!!!)
БАЛУ вне форума   Ответить с цитированием
Старый 12.08.2009, 13:24   #87
sdslavi
Старший Пользователь
 
Аватар для sdslavi
 
Регистрация: 12.08.2009
Возраст: 47
Город: Плевен
Регион: Болгария
Машина: Mitsubishi Space Star 99г
Сообщений: 151
sdslavi will become famous soon enoughsdslavi will become famous soon enough
По умолчанию

А друга печатка будет?
sdslavi вне форума   Ответить с цитированием
Старый 12.08.2009, 14:13   #88
alex__k
Пользователь
 
Регистрация: 16.01.2008
Регион: Украина
Машина: PASSAT B3
Сообщений: 66
alex__k is on a distinguished road
По умолчанию

БАЛУ
Ты можеш назвать БП донора 3.3в
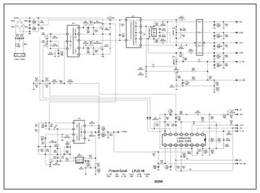
Я нашел linkworld_LPJ2-18 но там схема немного не такая и дросселя другие
Миниатюры
Нажмите на изображение для увеличения
Название: L.jpg
Просмотров: 1209
Размер:	44.1 Кб
ID:	12191   Нажмите на изображение для увеличения
Название: linkworld_LPJ2-18.jpg
Просмотров: 972
Размер:	16.3 Кб
ID:	12192  
alex__k вне форума   Ответить с цитированием
Старый 12.08.2009, 15:24   #89
alex__k
Пользователь
 
Регистрация: 16.01.2008
Регион: Украина
Машина: PASSAT B3
Сообщений: 66
alex__k is on a distinguished road
По умолчанию

Вот нашел
Миниатюры
Нажмите на изображение для увеличения
Название: ATX3.3v.jpg
Просмотров: 1368
Размер:	17.0 Кб
ID:	12193  
alex__k вне форума   Ответить с цитированием
Старый 12.08.2009, 15:39   #90
БАЛУ
Старший Пользователь
 
Регистрация: 09.05.2009
Город: ТОМСК
Регион: 78, 98
Сообщений: 143
БАЛУ is on a distinguished road
По умолчанию

по поводу печатки пока не сделал (сложней развести силовую)для теста припаял со стороны дорожек три диода . второй вопрос непонял судя по фотке в термотрубке дроссель подмагничивания длинный дроссель сглаживания 3.3в АСЬ
БАЛУ вне форума   Ответить с цитированием
Ответ

Метки
схема бп


Здесь присутствуют: 1 (пользователей: 0 , гостей: 1)
 

Ваши права в разделе
Вы не можете создавать новые темы
Вы не можете отвечать в темах
Вы не можете прикреплять вложения
Вы не можете редактировать свои сообщения

BB коды Вкл.
Смайлы Вкл.
[IMG] код Вкл.
HTML код Выкл.



Часовой пояс GMT +4, время: 17:36.


Работает на vBulletin® версия 3.8.4.
Copyright ©2000 - 2026, Jelsoft Enterprises Ltd.
Перевод: zCarot