PCCar.ru - Ваш автомобильный компьютер

Вернуться   PCCar.ru - Ваш автомобильный компьютер > MP3Car ТехИнфа > AndroidCar > Питание

Результаты опроса: Писать ли про развитие проекта, или пофиг, есть свой и работает.
Пиши дальше 210 96.33%
Не пиши, лучше займись чем нибудь (другим) полезным. 8 3.67%
Голосовавшие: 218. Вы ещё не голосовали в этом опросе

Ответ
 
Опции темы Поиск в этой теме
Старый 11.02.2017, 03:52   #871
oleg707
Гуру
 
Аватар для oleg707
 
Регистрация: 16.04.2014
Возраст: 41
Город: Gdynia
Регион: другой - для добавления сообщить ab
Сообщений: 2,548
oleg707 has a reputation beyond reputeoleg707 has a reputation beyond reputeoleg707 has a reputation beyond reputeoleg707 has a reputation beyond reputeoleg707 has a reputation beyond reputeoleg707 has a reputation beyond reputeoleg707 has a reputation beyond reputeoleg707 has a reputation beyond reputeoleg707 has a reputation beyond reputeoleg707 has a reputation beyond repute
По умолчанию

Цитата:
Сообщение от mazay66 Посмотреть сообщение
Я использую 4,1к и 1к.
oleg707 а в чём необходимость оставлять АКБ в планшете? Если уже отвечали на этот вопрос, дайте ссылку. Посмотрел схему без ардуино и ваше видео с описанием работы. Видимо, используете нексус 12 wi-fi. Для работы с планшетом 3G надо делать задержку на включение отг 15-18сек после "автостарта".
p.s. Вопрос снят. Увидел, что вы уже избавились от батареи.
неа, не избавился.
Самое нужное мне применение батареи - то, что планшет помнит дату и время. Ну и как кондёр работает многофарадный. Иначе иногда могло подглючить при длинном старте авто. Звуковуху не увидеть, например. Приходилось передёргивать зажигание. Контроллер в штатном режиме - то есть все защиты не вырезал, оставил как по заводу было.
Цитата:
Для работы с планшетом 3G надо делать задержку на включение отг 15-18сек после "автостарта".
Хм. Не знаю, как на 3G, а на этом почти сразу можно пихать.
Мы же можем воткнуть Y-OTG шнурок в выключенный планшет с клавиатурой, например. И только потом включить планшет. И что, не увидит клаву?
oleg707 вне форума   Ответить с цитированием
Старый 11.02.2017, 09:38   #872
Sergey 4_4
Старший Пользователь
 
Регистрация: 25.01.2015
Регион: 44
Машина: Toyota Avensis T250
Сообщений: 430
Sergey 4_4 has a spectacular aura aboutSergey 4_4 has a spectacular aura aboutSergey 4_4 has a spectacular aura about
По умолчанию

Цитата:
Сообщение от oleg707 Посмотреть сообщение
Хм. Не знаю, как на 3G, а на этом почти сразу можно пихать.
Мы же можем воткнуть Y-OTG шнурок в выключенный планшет с клавиатурой, например. И только потом включить планшет. И что, не увидит клаву?
Клаву увидит. Проблемы могут быть с работой изикапа,также если пользоваться поверампом и слушать музыку которая записана на флешку,может не сохраняться пауза и трек при включении планшета и монтирования флешки играет с начала а не с момента остановки. oleg707А можешь немного "поспойлерить" про версию блока на атмеге? Размеры? Что в качестве преобразователей использовал?
__________________
Nexus 7 2012/USB Hub D-Link7(без доп.питания)/контроллер от YAM1966+джойстик iDrive/. фото + видео
Sergey 4_4 вне форума   Ответить с цитированием
Старый 11.02.2017, 11:16   #873
plus88
Старший Пользователь
 
Регистрация: 05.05.2015
Город: Омск
Регион: 55
Машина: Prado 120
Сообщений: 133
plus88 is on a distinguished road
По умолчанию

Цитата:
Сообщение от oleg707 Посмотреть сообщение
по факту понял правильно, будет работать. по сути - нет.
Давай по порядку.

вот где ты делитель то увидел? токограничивающий резистор и подтяжку транзистора делителем обзываешь?
Левая нога - это затвор. Управляющий вывод.
Пока на левую ногу подается питание, транзистор открыт и пропускает через себя массу. Которую и подаём на ДХ.

Я бы рекомендовал посмотреть на ютуб канале ролик про принцип действия БП 3й версии. Там всё разжевано. Мноого вопросов должно отпасть.
Смотрю видео. В восторге, надо было раньше посмотреть все сразу становится понятно! спасибо большое! буду штурмовать дальше
ВОпрос по поводу патча, какой патч ставили для автостарта планшета по подаче +5 на зарядку ? я видел только автовключение при появлении любого питания.
plus88 вне форума   Ответить с цитированием
Старый 11.02.2017, 13:25   #874
oleg707
Гуру
 
Аватар для oleg707
 
Регистрация: 16.04.2014
Возраст: 41
Город: Gdynia
Регион: другой - для добавления сообщить ab
Сообщений: 2,548
oleg707 has a reputation beyond reputeoleg707 has a reputation beyond reputeoleg707 has a reputation beyond reputeoleg707 has a reputation beyond reputeoleg707 has a reputation beyond reputeoleg707 has a reputation beyond reputeoleg707 has a reputation beyond reputeoleg707 has a reputation beyond reputeoleg707 has a reputation beyond reputeoleg707 has a reputation beyond repute
По умолчанию

Цитата:
Сообщение от plus88;382018/
ВОпрос по поводу патча, какой патч ставили для автостарта планшета по подаче +5 на зарядку ? я видел только автовключение при появлении любого питания.
Это он и есть.

Цитата:
Сообщение от Sergey 4_4 Посмотреть сообщение
]А можешь немного "поспойлерить" про версию блока на атмеге? Размеры? Что в качестве преобразователей использовал?
А смысл? Там проект до конца не закончен, физически не обкатан. По сути повторяет 5 версию, только на голом проце.
Ща найти не могу
Нажмите на изображение для увеличения
Название: Clipboard01.jpg
Просмотров: 942
Размер:	150.0 Кб
ID:	46727

Последний раз редактировалось oleg707; 11.02.2017 в 14:27.
oleg707 вне форума   Ответить с цитированием
Старый 11.02.2017, 15:30   #875
plus88
Старший Пользователь
 
Регистрация: 05.05.2015
Город: Омск
Регион: 55
Машина: Prado 120
Сообщений: 133
plus88 is on a distinguished road
По умолчанию

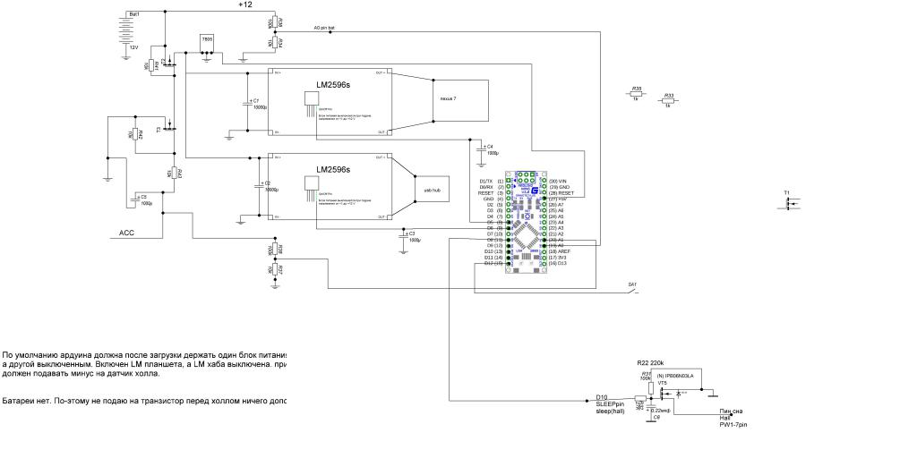
oleg707, если не сложно взгляни пожалуйста. Схема не идеал конечно еще пилить и пилить. За основу взята схема твего блока 3 версии.

Все В описании по сути как и у тебя. За исключением пары моментов. У меня батареи нет, соответственно дополнительно на транзистор "сна" ничего не подаю.
Еще пока не придумал как сделать это так же через трназисторы вот какую штуку.
По схеме видно что у меня сразу все включается. Обе Lmки и LM7805. Которая включает ардуину в свою очередь.
Ардуина прогружается и выключает LMку с USB хаба. Надо какой-то фокус, может так же на транзисторах, чтобы до прогрузки ардуины вторая лмка не включалась.
Далее с +12 и ACC так же через делители на аналоговые пины ардуины ушли контакты для мониторинга состояния бортовой сети.
Далее по активации кнопки включается LMка усб хаба и с транзистора сна убирается +, планшет просыпается.

Укажи пожалуйста на явные ошибки, думаю мысль ты понял заранее огромное спасибо. За видео отдельный поклон! Посмотрел и прям все разжевано
Миниатюры
Нажмите на изображение для увеличения
Название: блок питания схема.jpg
Просмотров: 914
Размер:	36.5 Кб
ID:	46728  
plus88 вне форума   Ответить с цитированием
Старый 11.02.2017, 15:40   #876
oleg707
Гуру
 
Аватар для oleg707
 
Регистрация: 16.04.2014
Возраст: 41
Город: Gdynia
Регион: другой - для добавления сообщить ab
Сообщений: 2,548
oleg707 has a reputation beyond reputeoleg707 has a reputation beyond reputeoleg707 has a reputation beyond reputeoleg707 has a reputation beyond reputeoleg707 has a reputation beyond reputeoleg707 has a reputation beyond reputeoleg707 has a reputation beyond reputeoleg707 has a reputation beyond reputeoleg707 has a reputation beyond reputeoleg707 has a reputation beyond repute
По умолчанию

Цитата:
Сообщение от plus88 Посмотреть сообщение
oleg707, если не сложно взгляни пожалуйста. Схема не идеал конечно еще пилить и пилить. За основу взята схема твего блока 3 версии.

Все В описании по сути как и у тебя. За исключением пары моментов. У меня батареи нет, соответственно дополнительно на транзистор "сна" ничего не подаю.
Еще пока не придумал как сделать это так же через трназисторы вот какую штуку.
По схеме видно что у меня сразу все включается. Обе Lmки и LM7805. Которая включает ардуину в свою очередь.
Ардуина прогружается и выключает LMку с USB хаба. Надо какой-то фокус, может так же на транзисторах, чтобы до прогрузки ардуины вторая лмка не включалась.
Далее с +12 и ACC так же через делители на аналоговые пины ардуины ушли контакты для мониторинга состояния бортовой сети.
Далее по активации кнопки включается LMка усб хаба и с транзистора сна убирается +, планшет просыпается.

Укажи пожалуйста на явные ошибки, думаю мысль ты понял заранее огромное спасибо. За видео отдельный поклон! Посмотрел и прям все разжевано
опять ты просишь разработать схему. Kiw3312s стоит 5$ за 10! штук. Купи ты его и ставь, как по схеме. Всё.
Когда я пришел на этот форум и начал искать готовый для повторения БП, я ВООБЩЕ ничего не нашёл. Поэтому пришлось разрабатывать с нуля.
У тебя же есть готовое решение, ну так модифицируй и пользуйся. Не умеешь - повтори и пользуйся. Наберёшься опыта - своё допилишь.
oleg707 вне форума   Ответить с цитированием
Старый 11.02.2017, 16:39   #877
plus88
Старший Пользователь
 
Регистрация: 05.05.2015
Город: Омск
Регион: 55
Машина: Prado 120
Сообщений: 133
plus88 is on a distinguished road
По умолчанию

ну тогда просто скажи есть ошибки?
plus88 вне форума   Ответить с цитированием
Старый 11.02.2017, 17:09   #878
oleg707
Гуру
 
Аватар для oleg707
 
Регистрация: 16.04.2014
Возраст: 41
Город: Gdynia
Регион: другой - для добавления сообщить ab
Сообщений: 2,548
oleg707 has a reputation beyond reputeoleg707 has a reputation beyond reputeoleg707 has a reputation beyond reputeoleg707 has a reputation beyond reputeoleg707 has a reputation beyond reputeoleg707 has a reputation beyond reputeoleg707 has a reputation beyond reputeoleg707 has a reputation beyond reputeoleg707 has a reputation beyond reputeoleg707 has a reputation beyond repute
По умолчанию

Цитата:
Сообщение от plus88 Посмотреть сообщение
ну тогда просто скажи есть ошибки?
качество *****. не видно.
oleg707 вне форума   Ответить с цитированием
Старый 11.02.2017, 22:49   #879
mazay66
Старший Пользователь
 
Регистрация: 17.10.2015
Город: Санкт-Петербург
Регион: 78, 98
Машина: Рено Колеос
Сообщений: 647
mazay66 is a name known to allmazay66 is a name known to allmazay66 is a name known to allmazay66 is a name known to allmazay66 is a name known to allmazay66 is a name known to all
По умолчанию

Ну что ж, хватило терпения прочитать всю ветку форума. Понял, что схема, с которой вы начинали, мало чего общего имеет с платой последней модификации. Чего не понял, так это того, в какой момент в схеме появилась ITS716G и с какой целью? На последнем фото, смотрю вообще нет полевиков, есть ещё микросхемка. Чего не устраивает, что ищите?
Поделюсь своей концепцией подхода к БП. Сейчас у меня установлен 12-й нексус с 3G? аналоговый БП на КИСах с необходимыми задержками и отключением при просадке батареи. Работает не плохо, но хочу уйти от реле и перейти на 13-й. Ваша схема (без реле) интересна, но концепция у меня немного другая:
1. Отсутствие батареи в планшете
2. Отсутствие дополнительных кнопок - только автозапуск.
3. Никакого перерезания питающего провода между хабом и планшетом.
Реализуется просто - через таймер времени на NE555. Появилось питание +5В, после включения ААС, и через замкнутые контакты реле таймера отправляется на контакт пого (в 13-м видимо на рабъём микро юсб). Сработал таймер через несколько секунд, пого-контакт планшета обесточился. Но +5В там больше и не требуется. Планшет уже стартонул из выключенного состояния, необходимое действие свершилось) Таймер перекинул +5 с пого на реле замыкающее 4-й контакт микро юсб на землю. Подключился режим ОТГ. Отключили АСС, таймер откинул контакты реле назад. ОТГ отключилось, POGO подключиля, но +5В уже с КИСа не раздоется. Экран тухнет с задержкой через делитель и конденсатор по ДХ. КИС на 4,2В продолжает питать планшет в спящем режиме. Через 3-и часа Таскер полностью отключает планшет и потребленее его почти отсутствует. НО, время не сбрасывается, поскольку КИС поддерживает 4,2В. При просадке напряжения батареи ниже 11В, КИС отключится, посколько получает информацию о состоянии батарее по входу ON/Off. Но за год использования, такого не происходило.
Вот в раздумьях теперь - скопитовать ваш БП или как-то заменить мои реле полевыми транзисторами/эл ключами.
Не подскажете, как можно "заставить" ключ на полевом транзисторе выдать кратковременные +5в. Интервалом в 4-5 сек (для автостарта 13-го нексуса)?
mazay66 вне форума   Ответить с цитированием
Старый 12.02.2017, 00:01   #880
plus88
Старший Пользователь
 
Регистрация: 05.05.2015
Город: Омск
Регион: 55
Машина: Prado 120
Сообщений: 133
plus88 is on a distinguished road
По умолчанию

Цитата:
Сообщение от oleg707 Посмотреть сообщение
качество *****. не видно.
Поправил выгружаю еще раз. Посмотри пожалуйста.
Миниатюры
Нажмите на изображение для увеличения
Название: блок питания схема.jpg
Просмотров: 938
Размер:	38.2 Кб
ID:	46734  
plus88 вне форума   Ответить с цитированием
Ответ

Метки
arduino, nexus7, блок питания, блок питания планшета


Здесь присутствуют: 1 (пользователей: 0 , гостей: 1)
 

Ваши права в разделе
Вы не можете создавать новые темы
Вы не можете отвечать в темах
Вы не можете прикреплять вложения
Вы не можете редактировать свои сообщения

BB коды Вкл.
Смайлы Вкл.
[IMG] код Вкл.
HTML код Выкл.



Часовой пояс GMT +4, время: 22:50.


Работает на vBulletin® версия 3.8.4.
Copyright ©2000 - 2026, Jelsoft Enterprises Ltd.
Перевод: zCarot