PCCar.ru - Ваш автомобильный компьютер

Вернуться   PCCar.ru - Ваш автомобильный компьютер > MP3Car ТехИнфа > Блоки питания > Разное

Ответ
 
Опции темы Поиск в этой теме
Старый 31.03.2007, 19:08   #71
MibMib
Пользователь
 
Регистрация: 03.01.2006
Город: Не Москва! :)
Машина: Subaru Legacy 2.0 Twin Turbo
Сообщений: 63
MibMib is on a distinguished road
По умолчанию

mebitek ток если надумаете собирать ь- по даташитам внимательно гляньте - правильно ли плату он там развел или как вариант - возьмите за основы -шим контролеры из этого проекта , и метод их соединения ...... и все - можете нарисовать сами с нуля - опираясь на даташиты и апликэйшн ноуты от производителя
Там на сайте есть еще и руководство по сборке в картинках ! И еще - у этого блока отсутствует явление перекоса напряжений

Последний раз редактировалось MibMib; 31.03.2007 в 20:41.
MibMib вне форума   Ответить с цитированием
Старый 31.03.2007, 23:36   #72
mebitek
Кот да Винчи
 
Аватар для mebitek
 
Регистрация: 26.11.2006
Возраст: 51
Регион: 78, 98
Сообщений: 744
mebitek is on a distinguished road
По умолчанию

Спасибо Тебе друже!
mebitek вне форума   Ответить с цитированием
Старый 31.03.2007, 23:38   #73
mebitek
Кот да Винчи
 
Аватар для mebitek
 
Регистрация: 26.11.2006
Возраст: 51
Регион: 78, 98
Сообщений: 744
mebitek is on a distinguished road
По умолчанию

А Ты где живёшь?
mebitek вне форума   Ответить с цитированием
Старый 01.04.2007, 00:08   #74
MibMib
Пользователь
 
Регистрация: 03.01.2006
Город: Не Москва! :)
Машина: Subaru Legacy 2.0 Twin Turbo
Сообщений: 63
MibMib is on a distinguished road
По умолчанию

в финляндии
MibMib вне форума   Ответить с цитированием
Старый 01.04.2007, 00:55   #75
mebitek
Кот да Винчи
 
Аватар для mebitek
 
Регистрация: 26.11.2006
Возраст: 51
Регион: 78, 98
Сообщений: 744
mebitek is on a distinguished road
По умолчанию

Хорошо не в Антарктиде!
mebitek вне форума   Ответить с цитированием
Старый 03.04.2007, 21:59   #76
pilot_66
Новый Пользователь
 
Регистрация: 30.03.2007
Возраст: 57
Город: Е-бург
Машина: 21103
Сообщений: 4
pilot_66 is on a distinguished road
По умолчанию

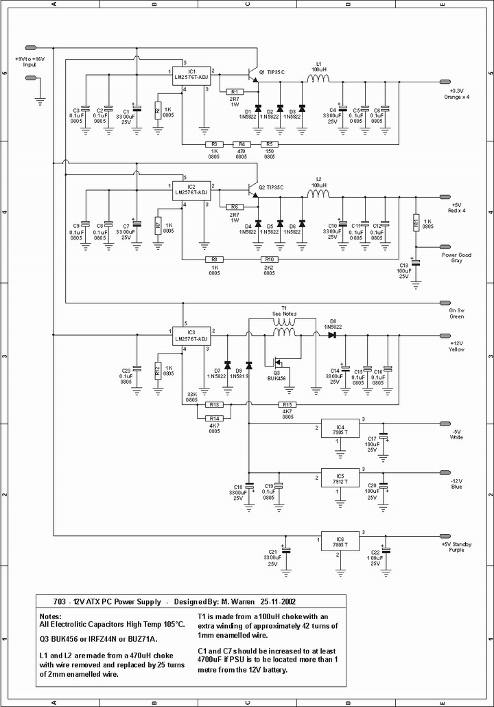
На LM2576 пробовал кто-нить собирать ?
Вместо аджуст можно на фикс напряжение поставить.. . Только непонятна нагрузочная способность по +12 вольт , транзюк интересно включён как-то...
Миниатюры
Нажмите на изображение для увеличения
Название: 0atx_circuit.jpg
Просмотров: 4465
Размер:	131.7 Кб
ID:	2267  
pilot_66 вне форума   Ответить с цитированием
Старый 04.04.2007, 04:21   #77
sagge
Пользователь
 
Аватар для sagge
 
Регистрация: 18.01.2007
Возраст: 50
Машина: хожу пешком
Сообщений: 31
sagge is on a distinguished road
По умолчанию

Мысль неплохая для современной элементной базы, тут MibMib недавно ссылку кидал на подобный блок, где положительные напряжения делаются max787 788, смонтированные в параллель, хотя я посчитал стоимость деталей, то Серегин блок дает фору по цене в несколько раз... ДОРОГОВАТО получается! Серегин блок с удвоенным количеством деталей платой и хлорным железом мне вышел в 500 рублей, а тут один MAX стоит 200, да и вообще трансформаторный пуш-пул надежен и прост, сделай аккуратно и будет тебе счастие!!
__________________
Машину оформляю. Компьютер собираю!!!!
sagge вне форума   Ответить с цитированием
Старый 07.04.2007, 00:00   #78
Beer100
Гуру
 
Аватар для Beer100
 
Регистрация: 04.01.2006
Возраст: 56
Город: Минск
Регион: Беларусь
Машина: 2002\Audi\A6 3.0i
Сообщений: 1,135
Beer100 will become famous soon enough
По умолчанию

Кто тут у нас полиглот? Переведите пожалуйста на русско-технический вот это:
Изображения
 
__________________
БП SL "умнай"- Сергея Лебедева (собственного изготовления), 7" Prology PCM-700, PIII 1,2 Tualatin, Intel i815, Video Gforce 440 64mb
, 2.5" HDD 40 Gb (Hitachi), 2.5" HDD 60 Gb (Fujitsu), PCI->USB2.0,
PCI TV tuner Beholder Behold TV 507 FM, DVD 5.25" (USB -> IDE переходник), GPS Globalsat BU-353, Web камера 3-COM, USB HUB D-Link, BT,
Софт: оболочка - Centrafuse, Навигация - GisRX, EDGE
Beer100 вне форума   Ответить с цитированием
Старый 07.04.2007, 00:12   #79
AlexxxV
Старший Пользователь
 
Регистрация: 02.01.2007
Возраст: 62
Город: Ростов-на-Дону
Регион: 61
Машина: Renault Scenic F3R
Сообщений: 254
AlexxxV is on a distinguished road
По умолчанию

Цитата:
Сообщение от Beer100 Посмотреть сообщение
Кто тут у нас полиглот? Переведите пожалуйста на русско-технический вот это:
данные катушки делаются из стандартных (для Америки ) 470 микрогенри путем сматывания всех проводов и наматывания 25 витков 2-мм провода
__________________
Машинка почти такая же как у MediaCar
--------------------------------------------------
Case Z39 "ПилимСами"+моник уперли+БП SL( )+Advantech PCM-9580+Celeron 2,2 спалил +SAMSUNG DDR (512Mb+256Mb)+120 Gb 3.5"+NEC сдох+Terratec Aureon 5.1 USB MKII+BU-353+AverTV Hybrid FM Volar+CardReader 3,5"+DUB-H4+DBT-122+DWL-AG132+DDT2000, Digitronik LPG...LeoCar( )
AlexxxV вне форума   Ответить с цитированием
Старый 07.04.2007, 00:18   #80
Beer100
Гуру
 
Аватар для Beer100
 
Регистрация: 04.01.2006
Возраст: 56
Город: Минск
Регион: Беларусь
Машина: 2002\Audi\A6 3.0i
Сообщений: 1,135
Beer100 will become famous soon enough
По умолчанию

Во, блин....
А мы же не в Америке.
__________________
БП SL "умнай"- Сергея Лебедева (собственного изготовления), 7" Prology PCM-700, PIII 1,2 Tualatin, Intel i815, Video Gforce 440 64mb
, 2.5" HDD 40 Gb (Hitachi), 2.5" HDD 60 Gb (Fujitsu), PCI->USB2.0,
PCI TV tuner Beholder Behold TV 507 FM, DVD 5.25" (USB -> IDE переходник), GPS Globalsat BU-353, Web камера 3-COM, USB HUB D-Link, BT,
Софт: оболочка - Centrafuse, Навигация - GisRX, EDGE
Beer100 вне форума   Ответить с цитированием
Ответ


Здесь присутствуют: 1 (пользователей: 0 , гостей: 1)
 

Ваши права в разделе
Вы не можете создавать новые темы
Вы не можете отвечать в темах
Вы не можете прикреплять вложения
Вы не можете редактировать свои сообщения

BB коды Вкл.
Смайлы Вкл.
[IMG] код Вкл.
HTML код Выкл.



Часовой пояс GMT +4, время: 23:23.


Работает на vBulletin® версия 3.8.4.
Copyright ©2000 - 2026, Jelsoft Enterprises Ltd.
Перевод: zCarot