PCCar.ru - Ваш автомобильный компьютер

Вернуться   PCCar.ru - Ваш автомобильный компьютер > MP3Car ТехИнфа > Мониторы > Матрицы для CarPC > Матрицы 9 - 10 дюймов

Ответ
 
Опции темы Поиск в этой теме
Старый 19.03.2014, 10:13   #61
-=zds=-
Старший Пользователь
 
Регистрация: 06.04.2009
Возраст: 42
Город: Владивосток
Регион: 25
Машина: Toyota CAMRY
Сообщений: 636
-=zds=- is a jewel in the rough-=zds=- is a jewel in the rough-=zds=- is a jewel in the rough
По умолчанию

Все оказалось просто. Надо всего 4 провода припаять напрямую в USB. Вот картинка с пояснением:
На восьмерке определяется без проблем, все работает.
Миниатюры
Нажмите на изображение для увеличения
Название: 2df75624d708.jpg
Просмотров: 1701
Размер:	23.7 Кб
ID:	35300  
__________________
Chaser продал
forester продал
Legacy продал
Impreza GH8 идет постройка... Продал, комп забрал...
Toyota Camry 2015 07.09.18 Продал комп отдал с машиной, следующий будет полностью с ноля!
-=zds=- вне форума   Ответить с цитированием
Старый 26.05.2015, 22:42   #62
Святослав
Пользователь
 
Регистрация: 07.05.2015
Город: Челябинск
Регион: 74
Машина: AUDI A6 (C5)
Сообщений: 35
Святослав is on a distinguished road
По умолчанию

Цитата:
Сообщение от -=zds=- Посмотреть сообщение
Все оказалось просто. Надо всего 4 провода припаять напрямую в USB. Вот картинка с пояснением:
На восьмерке определяется без проблем, все работает.
добрый вечер,купил данный тачскрин,припаялка как у вас, комп обнаруживает как hid сенсорный экран, но почему то сенсор не откликается, в чем может быть дело?
Святослав вне форума   Ответить с цитированием
Старый 24.06.2015, 06:55   #63
shark510
Новый Пользователь
 
Регистрация: 28.07.2010
Возраст: 42
Город: Братск
Регион: 38
Машина: Camry
Сообщений: 4
shark510 is on a distinguished road
По умолчанию

такую штуку вчера обнаружил: при подключении сигнального кабеля(VGA, HDMI) к контроллеру матрицы перестает работать тач.. винда его не теряет, но на касания тач не реагирует.. причем питание на контроллер даже не подается.. отключаешь сигнальный кабель - тач работает без сбоев..
проверь у себя..
shark510 вне форума   Ответить с цитированием
Старый 05.03.2016, 01:57   #64
nektomaks
Старший Пользователь
 
Регистрация: 23.11.2013
Возраст: 44
Регион: 77, 97, 99, 177
Машина: черный улан :) был, теперь серебристый чужеземец)
Сообщений: 278
nektomaks will become famous soon enough
По умолчанию

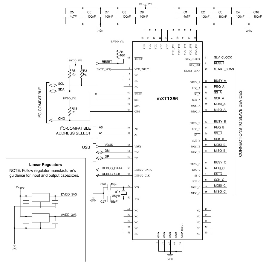
сегодня отпаял чип мхт1386 для проверки работы по юсб
собственно 2 вопроса
1. нужен тонкий изолированный кабель 0.2-0.3мм ну до 0.5 1-2м
москва, ювао или вао, или подскажите где купить не дорого
хочу типо навесным припаять чип пока
2. к знающим, пин vbus за что отвечает?
Миниатюры
Нажмите на изображение для увеличения
Название: мх1.jpg
Просмотров: 1160
Размер:	112.8 Кб
ID:	42854   Нажмите на изображение для увеличения
Название: мх2.jpg
Просмотров: 1197
Размер:	229.8 Кб
ID:	42855   Нажмите на изображение для увеличения
Название: мх3.jpg
Просмотров: 899
Размер:	135.3 Кб
ID:	42856  
nektomaks вне форума   Ответить с цитированием
Старый 05.03.2016, 09:48   #65
basurman
Super Moderator
 
Аватар для basurman
 
Регистрация: 19.07.2011
Возраст: 54
Город: Нижегородские болота
Регион: 52
Машина: пешкарус
Сообщений: 2,033
basurman has a reputation beyond reputebasurman has a reputation beyond reputebasurman has a reputation beyond reputebasurman has a reputation beyond reputebasurman has a reputation beyond reputebasurman has a reputation beyond reputebasurman has a reputation beyond reputebasurman has a reputation beyond reputebasurman has a reputation beyond repute
По умолчанию

Цитата:
Сообщение от nektomaks Посмотреть сообщение
пин vbus за что отвечает?
5 вольт от юсб к микросхеме, к общим +5 вольтам подключается как правило через переключающий транзистор(если необходимо).
__________________
ВСЕ ДЛЯ АРДУИНО

Моя почта - mogirov971sobakamail.ru
basurman вне форума   Ответить с цитированием
Ответ


Здесь присутствуют: 1 (пользователей: 0 , гостей: 1)
 

Ваши права в разделе
Вы не можете создавать новые темы
Вы не можете отвечать в темах
Вы не можете прикреплять вложения
Вы не можете редактировать свои сообщения

BB коды Вкл.
Смайлы Вкл.
[IMG] код Вкл.
HTML код Выкл.



Часовой пояс GMT +4, время: 21:50.


Работает на vBulletin® версия 3.8.4.
Copyright ©2000 - 2026, Jelsoft Enterprises Ltd.
Перевод: zCarot