|  | 
|  15.09.2013, 23:52 | #61 | 
| Banned  Регистрация: 06.11.2009 Возраст: 39 Город: Nizhniy Novgorod Регион: 52 Машина: Ford Focus III 
					Сообщений: 1,776
				            |   Пришли релюшки, скоро начнем собирать БП с мозгами. 362.3787-01 -Реле контроля напряжения РЕГТАЙМ3-12-1800 - Реле времени оба реле основаны на PIC12F629 Последний раз редактировалось Rage2; 16.09.2013 в 02:39. | 
|   |   | 
|  16.09.2013, 13:53 | #62 | 
| Новый Пользователь Регистрация: 31.08.2012 Возраст: 44 Регион: Украина 
					Сообщений: 7
				  |   Прикольно. А я в Украине так и не нашел такие релюшки. | 
|   |   | 
|  17.09.2013, 01:05 | #63 | 
| Старший Пользователь  Регистрация: 13.07.2010 Возраст: 41 Город: Одесса Регион: Украина Машина: Lexus RX350 '07 US 
					Сообщений: 476
				    |   metaforos, не ты один... 
				__________________ Lexus RX350 '07, US, Android TV Box на родной монитор - установлено и работает было: Toyota Carina ED '94, Android PC: Nexus 7, USB audio DAC Muse ч/з toslink на Challenger TA5.1, WiFi 3G роутер Novatel MiFi 5510L. Съемный вариант, работало на 99% как часы. | 
|   |   | 
|  17.09.2013, 18:06 | #64 | 
| Новый Пользователь Регистрация: 31.08.2012 Возраст: 44 Регион: Украина 
					Сообщений: 7
				  |   Нашел только здесь - http://www.super-auto.com.ua, но у них проблемы с какие-то... Не серьезный магазин. | 
|   |   | 
|  22.09.2013, 00:53 | #65 | 
| Banned  Регистрация: 06.11.2009 Возраст: 39 Город: Nizhniy Novgorod Регион: 52 Машина: Ford Focus III 
					Сообщений: 1,776
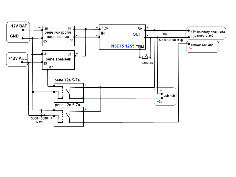
				            |   Спаял =) -вход +12в от АКБ -вход +12в АСС -выход 5.1в на плату вместо батарейки -выход 5.1в на гнездо зарядки планшета, подается при вкл. АСС и выключается через 5сек отсутствия АСС. -выход 5.1в на юсб хаб, подается при вкл. АСС и выключается через 30мин отсутствия АСС -контроль напряжения. Включено при >12в и выключено при <11.5в напряжения АКБ. -гальваническая развязка земли. | 
|   |   | 
|  22.09.2013, 01:33 | #66 | 
| Новый Пользователь Регистрация: 31.08.2012 Возраст: 44 Регион: Украина 
					Сообщений: 7
				  |   Круто. А схема будет? | 
|   |   | 
|  22.09.2013, 19:25 | #67 | 
| Старший Пользователь  Регистрация: 14.02.2013 Возраст: 38 Город: Сургут Регион: 86 Машина: Chevrolet Sonic 
					Сообщений: 338
				  |   Отличный БП. Схему бы желательно. | 
|   |   | 
|  25.09.2013, 12:21 | #68 | 
| Пользователь  Регистрация: 23.07.2013 Город: Казань Регион: 16, 116 Машина: Lancer IX 
					Сообщений: 85
				  |   Присоединяюсь к просьбе выложить схему с подробным описанием. | 
|   |   | 
|  28.10.2013, 16:23 | #69 | 
| Пользователь  Регистрация: 21.02.2012 Возраст: 38 Город: Тверь Регион: 69 Машина: Dodge Caliber 
					Сообщений: 69
				  |   Также присоединяюсь очень хочется схему увидеть так как питание хочется организовать также, но лишь с другими интервалами времени | 
|   |   | 
|  30.10.2013, 01:35 | #70 | 
| Banned  Регистрация: 06.11.2009 Возраст: 39 Город: Nizhniy Novgorod Регион: 52 Машина: Ford Focus III 
					Сообщений: 1,776
				            |   Угощайтесь UP! перезалил. Переменный резистор между TRIM и GND дает повышение выходного напряжения. Т.к без него на выходе имеем ~4.95в, что может быть маловато для хаба (+неизбежная утечка на проводах) Подбираем значение сами опытным путем. К примеру при 10к получаем на выходе 5.2в Последний раз редактировалось Rage2; 30.10.2013 в 18:12. | 
|   |   | 
|  | 
| Метки | 
| android, corolla, toyota, андройд планшет | 
| Здесь присутствуют: 3 (пользователей: 0 , гостей: 3) | |
| 
 |  |