PCCar.ru - Ваш автомобильный компьютер

Вернуться   PCCar.ru - Ваш автомобильный компьютер > MP3Car ТехИнфа > Блоки питания > Разное

Ответ
 
Опции темы Поиск в этой теме
Старый 10.09.2009, 14:44   #571
serg_wolf
Старший Пользователь
 
Аватар для serg_wolf
 
Регистрация: 04.03.2008
Город: NSK
Регион: 54
Машина: Toyota Camry SV33 3s-fe
Сообщений: 153
serg_wolf is on a distinguished road
По умолчанию

Цитата:
Сообщение от ALABAMA Посмотреть сообщение
Да вот ещё между сток-исток ёмкость висела 0,1мкФ, может напрано.
Зачем? Ну снабер RC ещё понимаю ставят но на половинки первичек транса, а так получается ты "растянул" фронт. Ндя, если ночью седня поборю свою лень и буду починять китайский трансбубен, обязательно сфотаю на осцике что делает резитор на стоке-истоке.
__________________
Дорога в тысячу миль, начинается с одного шага...
serg_wolf вне форума   Ответить с цитированием
Старый 10.09.2009, 15:25   #572
ALABAMA
Пользователь
 
Регистрация: 30.07.2009
Возраст: 52
Город: Красногорск
Регион: 50, 90, 150
Сообщений: 60
ALABAMA is on a distinguished road
По умолчанию

Вот и я думаю что напрасно ведь ёмкость ключа и без того немалая и про снабер в первичке забыл совсем, было бе него.
Просто взял эту мысль из чужой схемы. А по поводу транса и токов какие мысли, если не в лом конечно. Оч уж надо оно мне!!!
Зарание сеньксь(тобишь спасиба).
Эх схему потерял где ёмкости были, но там затвор открывал эмитеный повторитель и ток в затвор до 4А .
ALABAMA вне форума   Ответить с цитированием
Старый 10.09.2009, 17:29   #573
ALABAMA
Пользователь
 
Регистрация: 30.07.2009
Возраст: 52
Город: Красногорск
Регион: 50, 90, 150
Сообщений: 60
ALABAMA is on a distinguished road
По умолчанию

Схему нашёл.
Точно снаберы есть а ёмкости в драйверах торчали. Блин схема во весь экран не лезла вот и накосячил.
ALABAMA вне форума   Ответить с цитированием
Старый 13.09.2009, 17:47   #574
vab3
Новый Пользователь
 
Регистрация: 03.09.2009
Город: Хабаровск
Регион: 27
Сообщений: 6
vab3 is on a distinguished road
По умолчанию Схема. Работает.

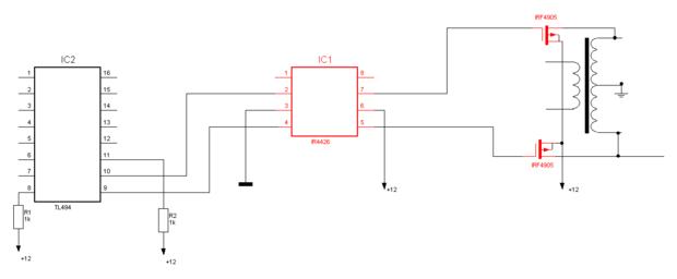
Как и обещал - выкладываю свою реализацию.
Сразу предупреждаю, что я не конструктор и тем более никогда не занимался БП. Хотя образование как бы обязывает. . Выкладываю свою схему. Неделю в машине на прогонке - полет нормальный. Блок не греется вообще. Из вентилятора дует прохладный воздух. Ток потребления по входу 10-12А в зависимости от нагрузки. Старт двигателя не выдерживает - ребутается, но я это отношу к сырости схемы. Ваял на авось. Попробую побороться с данным неудобством.
Сейчас есть еще один блок под переделку. Детали закуплены. Буду работать. По результатам отпишусь. А вот моя схема. Блок NAVI-340.
Схемы StandBy не привожу - стандартная 7805. Красным мои детали, черным то, что было. Не нарисовал фильтрующие конденсаторы по питанию, но тут можно добавлять по вкусу. Еще раз оговорюсь - я ничего не рассчитывал и паял по ходу.
IC1 - IR4426
IC2 - TL494 (штатная в схеме БП)
Транзисторы - IRF4905
Миниатюры
Нажмите на изображение для увеличения
Название: 2.jpg
Просмотров: 1715
Размер:	9.2 Кб
ID:	12653  
vab3 вне форума   Ответить с цитированием
Старый 14.09.2009, 09:10   #575
serg_wolf
Старший Пользователь
 
Аватар для serg_wolf
 
Регистрация: 04.03.2008
Город: NSK
Регион: 54
Машина: Toyota Camry SV33 3s-fe
Сообщений: 153
serg_wolf is on a distinguished road
По умолчанию

vab3, сделай отдельное питание шим и дров на 15в и будет усе в шоколаде.
__________________
Дорога в тысячу миль, начинается с одного шага...
serg_wolf вне форума   Ответить с цитированием
Старый 14.09.2009, 13:38   #576
vab3
Новый Пользователь
 
Регистрация: 03.09.2009
Город: Хабаровск
Регион: 27
Сообщений: 6
vab3 is on a distinguished road
По умолчанию

Serg_Wolf:
Отдельным преобразователем? Это конечно добавит КПД, но вот вопрос - понизит-ли нижний предел (8,5 В) входного напряжения, при котором блок еще выдает приемлемые напряжения?
Сейчас пока питание от входных 12В. При токе потребления 10 и более ампер по входу нагрева не наблюдается. Косвенно можно судить о КПД 90 и более%. 7805 рассеивает больше, чем оба полевика.
Есть другая проблема (пока не занимался серьезно) - ребут компьютера при прокрутке стартера. Сегодня попробую снять осциллограммы на воде БП. Или помехи или просадка напряжения - у меня дизель.
vab3 вне форума   Ответить с цитированием
Старый 14.09.2009, 18:37   #577
ALABAMA
Пользователь
 
Регистрация: 30.07.2009
Возраст: 52
Город: Красногорск
Регион: 50, 90, 150
Сообщений: 60
ALABAMA is on a distinguished road
По умолчанию

Сейчас пока питание от входных 12В. При токе потребления 10 и более ампер по входу нагрева не наблюдается. Косвенно можно судить о КПД 90 и более%. 7805 рассеивает больше, чем оба полевика.

Доброго здоровья.
Не оттветети ли на пару вопросов.
1. О какой мощности идёт речь.
2. Что будет со схемой если пробьёт ключи в одном или обеих плечах.
Зарание спасибо.
ALABAMA вне форума   Ответить с цитированием
Старый 15.09.2009, 03:51   #578
vab3
Новый Пользователь
 
Регистрация: 03.09.2009
Город: Хабаровск
Регион: 27
Сообщений: 6
vab3 is on a distinguished road
По умолчанию

Цитата:
Сообщение от ALABAMA Посмотреть сообщение
Доброго здоровья.
Не оттветети ли на пару вопросов.
1. О какой мощности идёт речь.
2. Что будет со схемой если пробьёт ключи в одном или обеих плечах.
Зарание спасибо.
1. Из поста 552: тестовый комп Athlon XP 2500+ 1Gb RAM, HDD 40Gb, VGA MX440, DVD-RW Teac. Примерная мощность 120-150Вт в зависимости от нагрузки. При загрузке компа БП потребляет по входу 10А. Дальше не мерит китайский мультимер.

2. Выгорят симметрично полевики, заберут с собой IR4426, сгорит предохранитель во входных цепях. Я думаю это все.
vab3 вне форума   Ответить с цитированием
Старый 15.09.2009, 10:01   #579
serg_wolf
Старший Пользователь
 
Аватар для serg_wolf
 
Регистрация: 04.03.2008
Город: NSK
Регион: 54
Машина: Toyota Camry SV33 3s-fe
Сообщений: 153
serg_wolf is on a distinguished road
По умолчанию

Диоды на выход драйвера повесить?
__________________
Дорога в тысячу миль, начинается с одного шага...
serg_wolf вне форума   Ответить с цитированием
Старый 15.09.2009, 11:48   #580
vab3
Новый Пользователь
 
Регистрация: 03.09.2009
Город: Хабаровск
Регион: 27
Сообщений: 6
vab3 is on a distinguished road
По умолчанию

Цитата:
Сообщение от serg_wolf Посмотреть сообщение
Диоды на выход драйвера повесить?
Сегодня полез разбираться с ребутами компа. Снял эпюры с нескольких точек. С учетом того, что блок собран и закрыт крышкой, была возможность проверить только на входе и выходах БП.
Результат на картинках. Мое предположение - недостаточно быстро и стабильно отрабатывает стабилизация. На снимках приведены моменты старта и работы по истечении 3-5 сек. после этого. На втором снимке момент стабилизации совпадает по времени с увеличением оборотов двигателя, а соответственно увеличении входного напрядения до 13.5-14В. Сетка по горизонтали - 1с/дел, по вертикали - 0,5В/дел. Показания снимались по линии 3,3В.
Мои предположения. При резком уменьшении входного напряжения с 12,5 до 9В (в момент начала работы стартера) система стабилизации пытается компенсировать провал и скачком задирает выходные напряжения, но т.к. резкий провал достаточно короткий (200-300мс), а затем напряжение поднимается до 10-10.5 не успевает снизить напряжения до необходимого и тянет этот процесс примерно 1 - 1,5с. Потом начинается вообще невообразимое. Через некоторое время (3-5с) напряжения начинают плыть от 3 до 3,3В пока на входе не появляется 13-14В. После этого работа достаточно стабильная с небольшими помехами и шумами.
Как думаешь, Serg_Wolf, где покопаться? Драйвер 494, супервизор 339.
Миниатюры
Нажмите на изображение для увеличения
Название: PH_42_resize.jpg
Просмотров: 1432
Размер:	98.1 Кб
ID:	12734   Нажмите на изображение для увеличения
Название: PH_43_resize.jpg
Просмотров: 1318
Размер:	95.3 Кб
ID:	12735  
vab3 вне форума   Ответить с цитированием
Ответ


Здесь присутствуют: 1 (пользователей: 0 , гостей: 1)
 

Ваши права в разделе
Вы не можете создавать новые темы
Вы не можете отвечать в темах
Вы не можете прикреплять вложения
Вы не можете редактировать свои сообщения

BB коды Вкл.
Смайлы Вкл.
[IMG] код Вкл.
HTML код Выкл.



Часовой пояс GMT +4, время: 17:35.


Работает на vBulletin® версия 3.8.4.
Copyright ©2000 - 2026, Jelsoft Enterprises Ltd.
Перевод: zCarot