PCCar.ru - Ваш автомобильный компьютер

Вернуться   PCCar.ru - Ваш автомобильный компьютер > MP3Car ТехИнфа > Блоки питания > Разное

Ответ
 
Опции темы Поиск в этой теме
Старый 25.04.2011, 09:14   #441
flymouse
Старший Пользователь
 
Регистрация: 27.03.2011
Регион: 78, 98
Сообщений: 98
flymouse will become famous soon enoughflymouse will become famous soon enough
По умолчанию

А вот и нет! я выбрал Analog Devices ADP3168 - контроллер - там есть где развернуться и драйверы ADP3418
flymouse вне форума   Ответить с цитированием
Старый 25.04.2011, 12:07   #442
strannicmd
Новый Пользователь
 
Регистрация: 14.04.2011
Возраст: 63
Регион: другой - для добавления сообщить ab
Сообщений: 20
strannicmd is on a distinguished road
По умолчанию

Вот смотрите, по моему идеально, и синхровыпрямители, и 2 фазы... http://datasheet.su/datasheet/Intersil/HIP6302CB-T
С материнки...
Миниатюры
Нажмите на изображение для увеличения
Название: 6302.png
Просмотров: 1283
Размер:	51.1 Кб
ID:	21809  
strannicmd вне форума   Ответить с цитированием
Старый 25.04.2011, 12:44   #443
strannicmd
Новый Пользователь
 
Регистрация: 14.04.2011
Возраст: 63
Регион: другой - для добавления сообщить ab
Сообщений: 20
strannicmd is on a distinguished road
По умолчанию

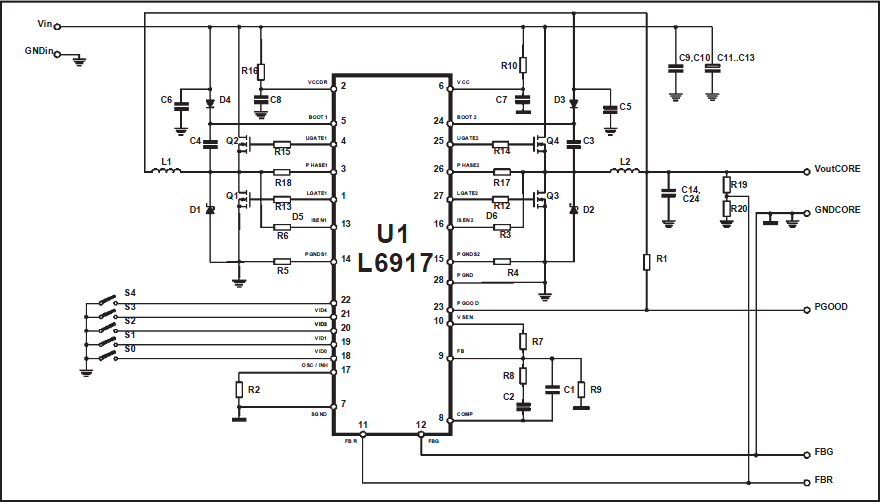
L6916D, то же самое (похоже), но встроенные драйверы.. Не могу найти на неё ПДФ (на 17 нашёл, говорят то же самое, но хоцца всё же посмотреть отличия..)
Миниатюры
Нажмите на изображение для увеличения
Название: L6917D.png
Просмотров: 1151
Размер:	39.2 Кб
ID:	21810  
strannicmd вне форума   Ответить с цитированием
Старый 25.04.2011, 15:39   #444
strannicmd
Новый Пользователь
 
Регистрация: 14.04.2011
Возраст: 63
Регион: другой - для добавления сообщить ab
Сообщений: 20
strannicmd is on a distinguished road
По умолчанию

Блин, это всё "понижалки", а надо "повышалки", их можно как-то переделать? Никто не в курсе?
strannicmd вне форума   Ответить с цитированием
Старый 25.04.2011, 22:41   #445
flymouse
Старший Пользователь
 
Регистрация: 27.03.2011
Регион: 78, 98
Сообщений: 98
flymouse will become famous soon enoughflymouse will become famous soon enough
По умолчанию

Попробую! Но надо время. не надо никогда бежать впереди паровоза. Надо поизучать тему. Я думаю что переделать можно, но не свеми любимым способом "Как-бы чё допаять или домотать чтобы переделать". Есть проблема с управлением "нижним плечём" которое преобразуется нечто не очень стабильно работающее.

Немного отойдёт от темы синхронного выпрямления.
Сегодня потестил давно забытую свою железку. Сделана на, не побоюсь этого слова, легендарной UC3843. 40 Ватт тянет. Проверено. КПД оклоло 90%.

Если интересно -выложу схему и плату.
Фотал на телефон, прошу прощения за качество.
Все детали обходятся рублей в 60+ колечко от компьютерного блока питания отжившего свой век.
Миниатюры
Нажмите на изображение для увеличения
Название: pnettop-bot.jpg
Просмотров: 2764
Размер:	43.0 Кб
ID:	21811   Нажмите на изображение для увеличения
Название: pnettop-top.jpg
Просмотров: 2529
Размер:	39.8 Кб
ID:	21812  
flymouse вне форума   Ответить с цитированием
Старый 26.04.2011, 00:38   #446
strannicmd
Новый Пользователь
 
Регистрация: 14.04.2011
Возраст: 63
Регион: другой - для добавления сообщить ab
Сообщений: 20
strannicmd is on a distinguished road
По умолчанию

Цитата:
Если интересно -выложу схему и плату
Давай, для разнообразия, сравню с другими что есть у меня
strannicmd вне форума   Ответить с цитированием
Старый 26.04.2011, 09:03   #447
flymouse
Старший Пользователь
 
Регистрация: 27.03.2011
Регион: 78, 98
Сообщений: 98
flymouse will become famous soon enoughflymouse will become famous soon enough
По умолчанию

Плата будет вечером. Где-то шаблон потерял.
Миниатюры
Нажмите на изображение для увеличения
Название: NBpm.jpg
Просмотров: 1887
Размер:	53.2 Кб
ID:	21813  
flymouse вне форума   Ответить с цитированием
Старый 26.04.2011, 12:19   #448
strannicmd
Новый Пользователь
 
Регистрация: 14.04.2011
Возраст: 63
Регион: другой - для добавления сообщить ab
Сообщений: 20
strannicmd is on a distinguished road
По умолчанию

И как с нагревом? Резисторы в защите не сильно греются? Пока найду LTC3863 надо будет собрать что-нить ампер на 6...7
strannicmd вне форума   Ответить с цитированием
Старый 26.04.2011, 22:26   #449
flymouse
Старший Пользователь
 
Регистрация: 27.03.2011
Регион: 78, 98
Сообщений: 98
flymouse will become famous soon enoughflymouse will become famous soon enough
По умолчанию

Наверно R15 R20 - так это резисторы датчика тока. С них снимается пилообразное напряжение тока индуктивности по которому "гуляет" токовый ШИМ контроллер.
Учитывая что UC3843 всё-таки микросхема для сетевых источников, напряжение отсечки (защиты) у неё 1 вольт. То есть ток через резистор 0,05 Ом должен быть 20 Ампер - при таком токе резисторы уже испарятся
Максимальный импульсный ток через эти резисторы около 5 ампер, но из за пилообразного характера мощность, выделяемая на них не превышает 0,2~0.25 Вт. А вот диод греется заметно. Именно по этому я и веду поиски оптимального и дешёвого решения синхронного выпрямления.
flymouse вне форума   Ответить с цитированием
Старый 27.04.2011, 00:45   #450
strannicmd
Новый Пользователь
 
Регистрация: 14.04.2011
Возраст: 63
Регион: другой - для добавления сообщить ab
Сообщений: 20
strannicmd is on a distinguished road
По умолчанию

А как дросель греется? И на какой частоте это всё работает?
strannicmd вне форума   Ответить с цитированием
Ответ


Здесь присутствуют: 1 (пользователей: 0 , гостей: 1)
 

Ваши права в разделе
Вы не можете создавать новые темы
Вы не можете отвечать в темах
Вы не можете прикреплять вложения
Вы не можете редактировать свои сообщения

BB коды Вкл.
Смайлы Вкл.
[IMG] код Вкл.
HTML код Выкл.



Часовой пояс GMT +4, время: 16:32.


Работает на vBulletin® версия 3.8.4.
Copyright ©2000 - 2026, Jelsoft Enterprises Ltd.
Перевод: zCarot