PCCar.ru - Ваш автомобильный компьютер

Вернуться   PCCar.ru - Ваш автомобильный компьютер > MP3Car ТехИнфа > Блоки питания > Разное

Ответ
 
Опции темы Поиск в этой теме
Старый 30.06.2009, 21:05   #291
максиматор
Пользователь
 
Регистрация: 08.10.2008
Возраст: 38
Регион: 77, 97, 99, 177
Машина: 2111
Сообщений: 48
максиматор can only hope to improve
По умолчанию

Цитата:
Сообщение от MibМib Посмотреть сообщение
Приветствую
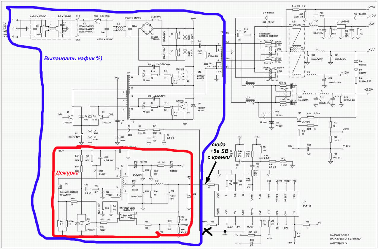
1.смотрим на атач - красным дежурка, синим то что нада выпаять - ибо оно нафик не нужно ! вывод OPP на землю, питание микросхемы = указано стрелкой - подать с кренки - которая дежурку будет вырабатывать
2 НА ОП 1 ОП2 будут либо лог единицы либо лог нули - не более 5 вольт , ниче туда подавать ненадо! - это выходы! Которые могут управлять драйвером ir 4427( именно 4427 - выходы синфазны входам!!! у 4426- противофазны и он туту не пойдет - хотя мона извратиться ) , а он уже будет управлять полевиками - открываете даташит на драйвер и схему самоделкина - и глядите как реализуется подключение ключей, выводы сигналы с выводов оп1 и оп2 подаем на входы драйвера 2,4 - вобщем также смотрите схему самоделкина , если не понятно ........ вроде все ...... - можа че и пропустил ......
за рисунок пардон - пад рукойтока пэинт на данный момент

п.с. - ну и массу первички должна быть соединена с массой вторички - а то работать не буит - кароче масса в обоих схемах общая
Вложение 4159
а можно для особо одаренных,собрал схему как описано выше,подойдет?ну и как ее прилепить,буду безгранично благодарен
максиматор вне форума   Ответить с цитированием
Старый 01.07.2009, 22:33   #292
максиматор
Пользователь
 
Регистрация: 08.10.2008
Возраст: 38
Регион: 77, 97, 99, 177
Машина: 2111
Сообщений: 48
максиматор can only hope to improve
По умолчанию

мужики никто на 6105 не делал что ли?
максиматор вне форума   Ответить с цитированием
Старый 02.07.2009, 13:22   #293
SileNTViP
Новый Пользователь
 
Аватар для SileNTViP
 
Регистрация: 24.02.2009
Возраст: 42
Город: Павловский Посад
Регион: 50, 90, 150
Машина: Nissan Almera 99
Сообщений: 7
SileNTViP is on a distinguished road
По умолчанию

Светик паять плюсом к резистору )
SileNTViP вне форума   Ответить с цитированием
Старый 02.07.2009, 15:17   #294
максиматор
Пользователь
 
Регистрация: 08.10.2008
Возраст: 38
Регион: 77, 97, 99, 177
Машина: 2111
Сообщений: 48
максиматор can only hope to improve
По умолчанию

так и сделала теперь как бы это се к 6105 подцепить?ХЭЛП
максиматор вне форума   Ответить с цитированием
Старый 02.07.2009, 15:29   #295
SileNTViP
Новый Пользователь
 
Аватар для SileNTViP
 
Регистрация: 24.02.2009
Возраст: 42
Город: Павловский Посад
Регион: 50, 90, 150
Машина: Nissan Almera 99
Сообщений: 7
SileNTViP is on a distinguished road
По умолчанию

Цитата:
Сообщение от максиматор Посмотреть сообщение
так и сделала теперь как бы это се к 6105 подцепить?ХЭЛП
Вот человек делал - http://forum.pccar.ru/showpost.php?p...&postcount=274
SileNTViP вне форума   Ответить с цитированием
Старый 02.07.2009, 22:21   #296
максиматор
Пользователь
 
Регистрация: 08.10.2008
Возраст: 38
Регион: 77, 97, 99, 177
Машина: 2111
Сообщений: 48
максиматор can only hope to improve
По умолчанию

угу вижу,тока хотелось бы с использованием платки (той что выше)а то че ж зря что ль ваял
максиматор вне форума   Ответить с цитированием
Старый 02.07.2009, 23:43   #297
taximan
Пользователь
 
Аватар для taximan
 
Регистрация: 06.11.2007
Город: МИНСК
Регион: Беларусь
Машина: FIAT BRAVO 1.6I 103
Сообщений: 99
taximan is on a distinguished road
По умолчанию help!!! помогите!!!!!!!!

народ кто подскажите куда и как приклеить транс.
имею в веду куда 8 куда 6 витков где начало?
зарание огромное спосибо
Миниатюры
Нажмите на изображение для увеличения
Название: PIC-0003.jpg
Просмотров: 1553
Размер:	14.8 Кб
ID:	11664   Нажмите на изображение для увеличения
Название: S5000001.jpg
Просмотров: 1566
Размер:	66.8 Кб
ID:	11665   Нажмите на изображение для увеличения
Название: S5000011.jpg
Просмотров: 1476
Размер:	59.4 Кб
ID:	11666  
__________________

интересное
taximan вне форума   Ответить с цитированием
Старый 03.07.2009, 14:59   #298
webnao
Пользователь
 
Аватар для webnao
 
Регистрация: 19.02.2009
Город: Санкт-Петербург
Регион: 78, 98
Машина: 2008\Chevrolet\Aveo
Сообщений: 89
webnao is on a distinguished road
По умолчанию

Обратную сторону платки бы еще .. и фото номер 2 покрупнее ...
webnao вне форума   Ответить с цитированием
Старый 04.07.2009, 11:46   #299
VoFFka417
Новый Пользователь
 
Аватар для VoFFka417
 
Регистрация: 07.11.2008
Возраст: 49
Город: Череповец
Регион: 35
Машина: 1999 VW Passat B5
Сообщений: 4
VoFFka417 is on a distinguished road
По умолчанию

Только что переделал АТХ блок так, как предложено в этой теме, правда транс оставил старый, намотал первичку 3+3 проводом который снял со старой первички.

Распаял АТХ блок



Перемотал транс



БП заработал!!



Все заработало, но потребляемый ток пугает - до 15А с мамкой и камнем Celeron 533 и памятью 128Мб (старый комп). Транс сделал временно, буду делать другой та тороиде. Один вопрос: можно ли вместо провода диаметром 1мм использовать провод 0.67 в два провода? Или в 3? Думаю можно, так как в преобразователях в автомобильных усилителях так и сделано. Но все таки?....

Последний раз редактировалось VoFFka417; 31.10.2010 в 19:56.
VoFFka417 вне форума   Ответить с цитированием
Старый 04.07.2009, 12:42   #300
change
Старший Пользователь
 
Аватар для change
 
Регистрация: 09.06.2009
Возраст: 59
Город: Моск.обл
Регион: 50, 90, 150
Машина: HONDA CR-V 1998г
Сообщений: 436
change is on a distinguished road
По умолчанию

[QUOTE=VoFFka417;103035]Только что переделал АТХ блок так, как предложено в этой теме, правда транс оставил старый, намотал первичку 3+3 проводом который снял со старой первички.

а почему 3+3 .наверное правильнее будет 6+6 и ток будет в норме



Один вопрос: можно ли вместо провода диаметром 1мм использовать провод 0.67 в два провода? Или в 3?

конечно можно в два провода
сечение будет больше
считать просто
пи R в квадрате
__________________

интересное
change вне форума   Ответить с цитированием
Ответ


Здесь присутствуют: 1 (пользователей: 0 , гостей: 1)
 

Ваши права в разделе
Вы не можете создавать новые темы
Вы не можете отвечать в темах
Вы не можете прикреплять вложения
Вы не можете редактировать свои сообщения

BB коды Вкл.
Смайлы Вкл.
[IMG] код Вкл.
HTML код Выкл.



Часовой пояс GMT +4, время: 19:05.


Работает на vBulletin® версия 3.8.4.
Copyright ©2000 - 2026, Jelsoft Enterprises Ltd.
Перевод: zCarot