PCCar.ru - Ваш автомобильный компьютер

Вернуться   PCCar.ru - Ваш автомобильный компьютер > MP3Car ТехИнфа > AndroidCar > Для новичков

Ответ
 
Опции темы Поиск в этой теме
Старый 08.09.2014, 13:31   #21
tsynik
Старший Пользователь
 
Регистрация: 17.03.2011
Город: Moscow
Регион: 77, 97, 99, 177
Машина: Alfa Romeo
Сообщений: 322
tsynik has a spectacular aura abouttsynik has a spectacular aura abouttsynik has a spectacular aura about
По умолчанию

Цитата:
Сообщение от _Lexus Посмотреть сообщение
tsynik, ну у Вас усилок ведь не с hdmi входом?
Без. Но мне казалось, что цифроаналог происходит аж на 24-битных ЦАП-ах в ARM железках типа A10, а у Пионера и подавно все должно быть красиво схемотехнически... до линейников как минимум...

Цитата:
Сообщение от _Lexus Посмотреть сообщение
Я даже на пробу покупал простенький 2-х канальный усь, но все мои претензии к встроенному усю пионера сохранились: ощутимое шипение на уровне громкости 10+ (возможно проблема в "земле"); отсутствие "сцены", ощущение, как при переполюсовке динамиков (возможно проблема в ухах :-) и штатной акустике); 5-ти полосный эквалайзер, настроенный по ВЧ на 8кГц - не по аудиофильски.
Сейчас пользую 1 din jvc, звук не в пример лучше.

П.С. sph-da100 покупал не новым, а в ситилинковском ларьке у Семена после инсталляции. Может подпаленная, но не похоже.
Я не то чтоб аудиофил, но звук планшетов что ставил, меня категорически не устраивал, так что пришлось разобраться с USB DAC-ами и Android ;-) Вот к китайцу я его точно подключу в варианте стерео... )

Просто психологически не могу решиться на китайца за 14 когда есть Пионер за 7 ) Хотя первый мне нравится больше )
tsynik вне форума   Ответить с цитированием
Старый 08.09.2014, 14:26   #22
_Lexus
Старший Пользователь
 
Регистрация: 11.01.2013
Город: Москва
Регион: 77, 97, 99, 177
Машина: Skoda A5 FL
Сообщений: 354
_Lexus is on a distinguished road
По умолчанию

tsynik, мне кажется, что сейчас никто никому ничего не должен. Пионер не исключение. Если не ошибаюсь, это не их собственная разработка, а "по заказу".
Звук планшетов с выхода наушников отдельная песня, слово звук даже не всегда применимо.
Сейчас у меня компоненты "атас я нищий" - jvc 1din за 3000 и мегафон планшет за 2 т.р. Соединены по усб, с планшета идет софтовая цифра. Ухи просто отдыхают, даже на штатной акустике.
Из минусов, потерял функционал радио и громкой связи ГУ, из плюсов все остальное: навигация, фоном медиа с управлением с руля, всплывающие попапы с пиликаньем от mapcamdroid.
Пока тестирую, есть шероховатости, но мне уже нравится.

П.с. по теме - пионер однозначно! Если кетай, то лучше какой-нибудь newsmy, у них по осени новя платформа пойдет.
_Lexus вне форума   Ответить с цитированием
Старый 08.09.2014, 15:47   #23
macau
Старший Пользователь
 
Регистрация: 22.10.2012
Регион: 78, 98
Сообщений: 758
macau is just really nicemacau is just really nicemacau is just really nicemacau is just really nice
По умолчанию

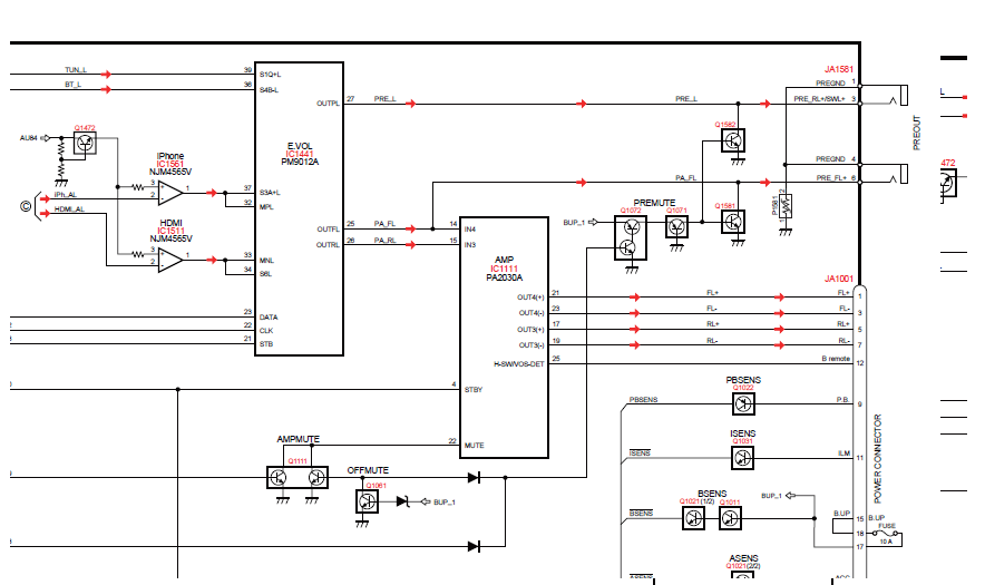
вот вам блок-схема аудиотракта 100-110 модели пионера. сам кодек там человеческий wm, от него с малыми изменениями аналог идет через темброблок на усь. при этом выходы на саб идут чистыми, так что просто криво настроен выход саба(для этого в голове есть отдельные настройки)
Миниатюры
Нажмите на изображение для увеличения
Название: 1.PNG
Просмотров: 839
Размер:	37.3 Кб
ID:	37060   Нажмите на изображение для увеличения
Название: 2.PNG
Просмотров: 919
Размер:	42.3 Кб
ID:	37061   Нажмите на изображение для увеличения
Название: 3.PNG
Просмотров: 855
Размер:	58.5 Кб
ID:	37062  
macau вне форума   Ответить с цитированием
Старый 09.09.2014, 21:22   #24
tsynik
Старший Пользователь
 
Регистрация: 17.03.2011
Город: Moscow
Регион: 77, 97, 99, 177
Машина: Alfa Romeo
Сообщений: 322
tsynik has a spectacular aura abouttsynik has a spectacular aura abouttsynik has a spectacular aura about
По умолчанию

Цитата:
Сообщение от _Lexus Посмотреть сообщение
П.с. по теме - пионер однозначно! Если кетай, то лучше какой-нибудь newsmy, у них по осени новя платформа пойдет.
Ну взял я этот пионер, занедорого слава Богу - 6 тысяч новый + 1500 Pioneer подарил как карту webmoney, были отправлены на телефон ) Готов поменяться на 7180 )
У DA110 интерфейс не плавный (радио отрисовывается с задержками), скролл столов дергается, и картинка по MirrirLink имеет неправильные пропорции, плюс немного мылит, градиенты как будто 8-битные (не плавные) ;-) Плюс попапы при включении и пока bluetooth не соединится... Больше всего доставляет центральная кнопка не по центру ;-) Ну и для кнопок руля еще нужен адаптер.
Насчет китайцев - мне нужно просто чтоб работало, а не в космос летать ;-)
По отзывам владельцев 7180/7280 вроде как все хорошо с этим ;-)

Последний раз редактировалось tsynik; 10.09.2014 в 10:16.
tsynik вне форума   Ответить с цитированием
Старый 28.09.2014, 07:01   #25
roboroma
Новый Пользователь
 
Аватар для roboroma
 
Регистрация: 28.09.2014
Возраст: 45
Город: Иркутск
Регион: 38
Машина: УАЗ-3163
Сообщений: 13
roboroma is on a distinguished road
По умолчанию

Купил бате в подарок. Поставил. Поет очень даже неплохо. Вот только вопрос, возможно ли к USB прицепить хаб дабы расширить функционал?
roboroma вне форума   Ответить с цитированием
Старый 28.09.2014, 09:41   #26
warhow
Новый Пользователь
 
Регистрация: 09.09.2014
Возраст: 46
Город: Челябинск
Регион: 74
Машина: Nissan Note
Сообщений: 1
warhow is on a distinguished road
По умолчанию

Да, хабы работают.
Пробывал и активный с внешним БП и Пассивный !
warhow вне форума   Ответить с цитированием
Старый 28.09.2014, 17:56   #27
roboroma
Новый Пользователь
 
Аватар для roboroma
 
Регистрация: 28.09.2014
Возраст: 45
Город: Иркутск
Регион: 38
Машина: УАЗ-3163
Сообщений: 13
roboroma is on a distinguished road
По умолчанию

Цитата:
Сообщение от warhow Посмотреть сообщение
Да, хабы работают.
Пробывал и активный с внешним БП и Пассивный !
Отличная новость, а сколько устройств одновременно он сможет вытянуть?
roboroma вне форума   Ответить с цитированием
Старый 28.09.2014, 19:31   #28
tsynik
Старший Пользователь
 
Регистрация: 17.03.2011
Город: Moscow
Регион: 77, 97, 99, 177
Машина: Alfa Romeo
Сообщений: 322
tsynik has a spectacular aura abouttsynik has a spectacular aura abouttsynik has a spectacular aura about
По умолчанию

Цитата:
Сообщение от roboroma Посмотреть сообщение
Отличная новость, а сколько устройств одновременно он сможет вытянуть?
Сколько портов есть в хабе, логично ведь? ;-)
У A10 полноценный хост, а точнее даже 2 хоста + ОТГ
Но вот на OTG ограничение в 8 чтоль endpoints, уже не помню точно.
На обоих хостах этого ограничения нет.
tsynik вне форума   Ответить с цитированием
Старый 28.09.2014, 20:47   #29
Rage2
Banned
 
Регистрация: 06.11.2009
Возраст: 40
Город: Nizhniy Novgorod
Регион: 52
Машина: Ford Focus III
Сообщений: 1,776
Rage2 has a brilliant futureRage2 has a brilliant futureRage2 has a brilliant futureRage2 has a brilliant futureRage2 has a brilliant futureRage2 has a brilliant futureRage2 has a brilliant futureRage2 has a brilliant futureRage2 has a brilliant futureRage2 has a brilliant futureRage2 has a brilliant future
По умолчанию

Цитата:
Сообщение от tsynik Посмотреть сообщение
Но вот на OTG ограничение в 8 чтоль endpoints, уже не помню точно.
Пять.
Rage2 вне форума   Ответить с цитированием
Старый 29.09.2014, 16:12   #30
roboroma
Новый Пользователь
 
Аватар для roboroma
 
Регистрация: 28.09.2014
Возраст: 45
Город: Иркутск
Регион: 38
Машина: УАЗ-3163
Сообщений: 13
roboroma is on a distinguished road
По умолчанию

Цитата:
Сообщение от Rage2 Посмотреть сообщение
Пять.
Я так понял, что на USB мы можем повесить только 5 устройств?

Никто не смотрел случаем на чем там собран выходной тракт?

Последний раз редактировалось roboroma; 30.09.2014 в 16:18.
roboroma вне форума   Ответить с цитированием
Ответ


Здесь присутствуют: 1 (пользователей: 0 , гостей: 1)
 

Ваши права в разделе
Вы не можете создавать новые темы
Вы не можете отвечать в темах
Вы не можете прикреплять вложения
Вы не можете редактировать свои сообщения

BB коды Вкл.
Смайлы Вкл.
[IMG] код Вкл.
HTML код Выкл.



Часовой пояс GMT +4, время: 13:21.


Работает на vBulletin® версия 3.8.4.
Copyright ©2000 - 2026, Jelsoft Enterprises Ltd.
Перевод: zCarot