PCCar.ru - Ваш автомобильный компьютер

Вернуться   PCCar.ru - Ваш автомобильный компьютер > MP3Car ТехИнфа > Разработка устройств

Ответ
 
Опции темы Поиск в этой теме
Старый 08.02.2007, 20:14   #21
Beer100
Гуру
 
Аватар для Beer100
 
Регистрация: 04.01.2006
Возраст: 56
Город: Минск
Регион: Беларусь
Машина: 2002\Audi\A6 3.0i
Сообщений: 1,135
Beer100 will become famous soon enough
По умолчанию

Паузу можно регулировать емкостью, но тогда надо и подстроечник изменить, что бы длина импульсов сохранилась.

Т имп = 2RC.

В нашем случае:
0,495 сек = 2 х 1500 Ом х 0,00033 Ф
__________________
БП SL "умнай"- Сергея Лебедева (собственного изготовления), 7" Prology PCM-700, PIII 1,2 Tualatin, Intel i815, Video Gforce 440 64mb
, 2.5" HDD 40 Gb (Hitachi), 2.5" HDD 60 Gb (Fujitsu), PCI->USB2.0,
PCI TV tuner Beholder Behold TV 507 FM, DVD 5.25" (USB -> IDE переходник), GPS Globalsat BU-353, Web камера 3-COM, USB HUB D-Link, BT,
Софт: оболочка - Centrafuse, Навигация - GisRX, EDGE
Beer100 вне форума   Ответить с цитированием
Старый 09.02.2007, 00:23   #22
mcf1
Guest
 
Сообщений: n/a
По умолчанию

Цитата:
Сообщение от Beer100 Посмотреть сообщение
Паузу можно регулировать емкостью, но тогда надо и подстроечник изменить, что бы длина импульсов сохранилась.

Т имп = 2RC.

В нашем случае:
0,495 сек = 2 х 1500 Ом х 0,00033 Ф
емкость имеется ввиду та которая на схеме обозначена как 20мкФ?
в какую сторону менять, хочу взять подстроечную емкость что бы все это отладить, а потом можно и народу выложить с готовыми номиналами
  Ответить с цитированием
Старый 09.02.2007, 00:47   #23
archer
Гуру
 
Аватар для archer
 
Регистрация: 17.10.2006
Возраст: 51
Город: Москва
Регион: 77, 97, 99, 177
Машина: 2007\chery\Amulet
Сообщений: 1,691
archer will become famous soon enougharcher will become famous soon enough
По умолчанию

Ага! Народу бы еще платку нарисовать. И желательно с односторонним монтажом

Наглый у нас народ

З.Ы. Спасибо!
__________________
Монитор - XDX 8" | Мать - Asus M2NPV-VM| Камень - AMD Athlon 64 X2 3800+ EE | Память - DDR2-533 2х512 | SB live 24-bit (Don_ik_kot edition) | Винт - 3,5" 250 Gb Seagate Barracuda | Корпус - ноунейм миниатх | БП - SL PSU | GPS GlobalSat BU-355 | Silabs USB Radio | Bluetooth noname (Broadcom) |USB-Hub D-Link 7 ports | Card-reader 52-in-1 | Radio mouse |WiFi LinkSys WUSB54G| усилитель Fusion EN-AM6004 |Keyboard | Centrafuse| а еще парктроник с камерой
archer вне форума   Ответить с цитированием
Старый 09.02.2007, 01:21   #24
Beer100
Гуру
 
Аватар для Beer100
 
Регистрация: 04.01.2006
Возраст: 56
Город: Минск
Регион: Беларусь
Машина: 2002\Audi\A6 3.0i
Сообщений: 1,135
Beer100 will become famous soon enough
По умолчанию

Емкость та, которая 330 мкф. Но таких кондюков переменных небывает! Надо брать горсть и пробывать (а лучше посчитать по формуле).

На счет платки: в качестве эксперемента можно на монтажке спаять. Там пайки то на 15 мин.
__________________
БП SL "умнай"- Сергея Лебедева (собственного изготовления), 7" Prology PCM-700, PIII 1,2 Tualatin, Intel i815, Video Gforce 440 64mb
, 2.5" HDD 40 Gb (Hitachi), 2.5" HDD 60 Gb (Fujitsu), PCI->USB2.0,
PCI TV tuner Beholder Behold TV 507 FM, DVD 5.25" (USB -> IDE переходник), GPS Globalsat BU-353, Web камера 3-COM, USB HUB D-Link, BT,
Софт: оболочка - Centrafuse, Навигация - GisRX, EDGE
Beer100 вне форума   Ответить с цитированием
Старый 11.02.2007, 13:56   #25
mcf1
Guest
 
Сообщений: n/a
По умолчанию

спаял, но не за 15 мин, а примрно за час,......не работает
конденсатор 20мк не разряжаается (собственно ему и некуда) и на входе К561ЛП2 постоянно весит 5В
третий каскад К155ЛА3 постоянно генерирует

что то в схеме не правильно.

где взять инфу как работают логические элементы?
  Ответить с цитированием
Старый 11.02.2007, 16:44   #26
Beer100
Гуру
 
Аватар для Beer100
 
Регистрация: 04.01.2006
Возраст: 56
Город: Минск
Регион: Беларусь
Машина: 2002\Audi\A6 3.0i
Сообщений: 1,135
Beer100 will become famous soon enough
По умолчанию

Тихо, тихо! Сейчас разберемся!
На выхоте ЛП2 пр включении"задней" должен проскачить имульс длительностью 0,02 сек. Ты его вольтметром не увидешь.

На 11 ноге ЛА3 есть нужные импульсы?
__________________
БП SL "умнай"- Сергея Лебедева (собственного изготовления), 7" Prology PCM-700, PIII 1,2 Tualatin, Intel i815, Video Gforce 440 64mb
, 2.5" HDD 40 Gb (Hitachi), 2.5" HDD 60 Gb (Fujitsu), PCI->USB2.0,
PCI TV tuner Beholder Behold TV 507 FM, DVD 5.25" (USB -> IDE переходник), GPS Globalsat BU-353, Web камера 3-COM, USB HUB D-Link, BT,
Софт: оболочка - Centrafuse, Навигация - GisRX, EDGE
Beer100 вне форума   Ответить с цитированием
Старый 11.02.2007, 17:11   #27
Beer100
Гуру
 
Аватар для Beer100
 
Регистрация: 04.01.2006
Возраст: 56
Город: Минск
Регион: Беларусь
Машина: 2002\Audi\A6 3.0i
Сообщений: 1,135
Beer100 will become famous soon enough
По умолчанию

Или давай попорядку:
Вернись к моей схеме в 4-м посту и заставь заработать генератор и счетчик постоянно, соеденв на ноль 2 и 3 ноги ИЕ5.

Заработало?
__________________
БП SL "умнай"- Сергея Лебедева (собственного изготовления), 7" Prology PCM-700, PIII 1,2 Tualatin, Intel i815, Video Gforce 440 64mb
, 2.5" HDD 40 Gb (Hitachi), 2.5" HDD 60 Gb (Fujitsu), PCI->USB2.0,
PCI TV tuner Beholder Behold TV 507 FM, DVD 5.25" (USB -> IDE переходник), GPS Globalsat BU-353, Web камера 3-COM, USB HUB D-Link, BT,
Софт: оболочка - Centrafuse, Навигация - GisRX, EDGE
Beer100 вне форума   Ответить с цитированием
Старый 12.02.2007, 01:20   #28
mcf1
Guest
 
Сообщений: n/a
По умолчанию

Цитата:
Сообщение от Beer100 Посмотреть сообщение
Тихо, тихо! Сейчас разберемся!
На выхоте ЛП2 пр включении"задней" должен проскачить имульс длительностью 0,02 сек. Ты его вольтметром не увидешь.

На 11 ноге ЛА3 есть нужные импульсы?
на к561лп2 не нашел ни какой документации, и тоже запитал ее от пяти вольтовой кренки, или ее от бортовой сети питать и на вход на прямую с задней сигнал подавать?
  Ответить с цитированием
Старый 12.02.2007, 13:23   #29
Beer100
Гуру
 
Аватар для Beer100
 
Регистрация: 04.01.2006
Возраст: 56
Город: Минск
Регион: Беларусь
Машина: 2002\Audi\A6 3.0i
Сообщений: 1,135
Beer100 will become famous soon enough
По умолчанию

Все микросхемы (и ЛП2) надо запитать от 5В.
На вход ЛП2 надо подавать тоже логическую единицу (+5В).
Сообразишь как это сдалать из 12В?

Логика лаботы ЛП2 такова:
входы: 0 0 выход: 0
входы: 1 1 выход: 0
входы: 1 0 выход: 1
входы: 0 1 выход: 1
__________________
БП SL "умнай"- Сергея Лебедева (собственного изготовления), 7" Prology PCM-700, PIII 1,2 Tualatin, Intel i815, Video Gforce 440 64mb
, 2.5" HDD 40 Gb (Hitachi), 2.5" HDD 60 Gb (Fujitsu), PCI->USB2.0,
PCI TV tuner Beholder Behold TV 507 FM, DVD 5.25" (USB -> IDE переходник), GPS Globalsat BU-353, Web камера 3-COM, USB HUB D-Link, BT,
Софт: оболочка - Centrafuse, Навигация - GisRX, EDGE
Beer100 вне форума   Ответить с цитированием
Старый 12.02.2007, 13:43   #30
_SDY_
Пользователь
 
Регистрация: 17.03.2006
Возраст: 48
Город: Владивосток
Регион: 25
Машина: Карина
Сообщений: 60
_SDY_ will become famous soon enough
По умолчанию

По-моему, первый вариант всегда будет генерировать импульсы.
В первом варианте (генератор работает всегда):
1 импульс генератора => на ногах код 0010
2 импульс генератора => на ногах код 0100
3 импульс генератора => на ногах код 0110
4 импульс генератора => на ногах код 0000
итп.

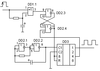
Во втором варианте вроде бы все правильно, но, видимо генератор вообще не запускается или как там все должно работать? Я бы сделал что-то вроде http://gelezo.vir.ru/ttl_kmop/630000..._impulsov.html там на рис 322 есть схема ждущего мультивибратора. И прицепил бы еще триггер. Короче, моя схема такая:
Изображения
Тип файла: bmp 2 imp.bmp (10.0 Кб, 1996 просмотров)
_SDY_ вне форума   Ответить с цитированием
Ответ


Здесь присутствуют: 1 (пользователей: 0 , гостей: 1)
 

Ваши права в разделе
Вы не можете создавать новые темы
Вы не можете отвечать в темах
Вы не можете прикреплять вложения
Вы не можете редактировать свои сообщения

BB коды Вкл.
Смайлы Вкл.
[IMG] код Вкл.
HTML код Выкл.



Часовой пояс GMT +4, время: 03:11.


Работает на vBulletin® версия 3.8.4.
Copyright ©2000 - 2026, Jelsoft Enterprises Ltd.
Перевод: zCarot