PCCar.ru - Ваш автомобильный компьютер

Вернуться   PCCar.ru - Ваш автомобильный компьютер > MP3Car ТехИнфа > Сделай сам

Ответ
 
Опции темы Поиск в этой теме
Старый 21.10.2011, 21:26   #21
Vic58
Старший Пользователь
 
Регистрация: 21.10.2009
Регион: 61
Сообщений: 603
Vic58 is on a distinguished road
По умолчанию

Цитата:
Сообщение от laytya Посмотреть сообщение
Я где-то писал про наводки на вольтметр БК?
Вы нет, про них писал я.

Если в автомобиле нет проблем с зарядкой аккумулятора, яркость света фар не меняется, и нет других признаков нестабильности напряжения бортовой сети, кроме "непогрешимого" вольтметра, то остается сделать правильный вывод - проблема в вольтметре.

ЗЫ Для моего удовлетворения ничего делать не нужно, Вы спросили совета, я Вам ответил, да и не только я, но вы слышите только то, что хотите. Можете идти тем же путем. Успехов.
Vic58 вне форума   Ответить с цитированием
Старый 21.10.2011, 22:35   #22
laytya
Старший Пользователь
 
Регистрация: 30.07.2011
Город: Новосибирск
Регион: 54
Машина: Honda Civic Ferio
Сообщений: 361
laytya is a glorious beacon of lightlaytya is a glorious beacon of lightlaytya is a glorious beacon of lightlaytya is a glorious beacon of lightlaytya is a glorious beacon of lightlaytya is a glorious beacon of light
По умолчанию

в том то и дело что я и опасаюсь что будут проблемы с зарядкой аккума,
1. фары я вместе с ДХО не включаю поэтому не могу сказать притухают они или нет
2. на 12В ничего я думаю не притухает

вопрос имеено в том идет ли заряд на аккум или нет - больше меня пока не волнует ничего...

вот как понять в движении заряжается ли аккумулятор или нет?

при 14.1 В я думаю что генератор работает и заряжает
а вот при 12.1В - вопрос открыт - работатет ли генератор? ибо 10Вт ДХО ну не могут просаживать на 2В бортовую сеть....

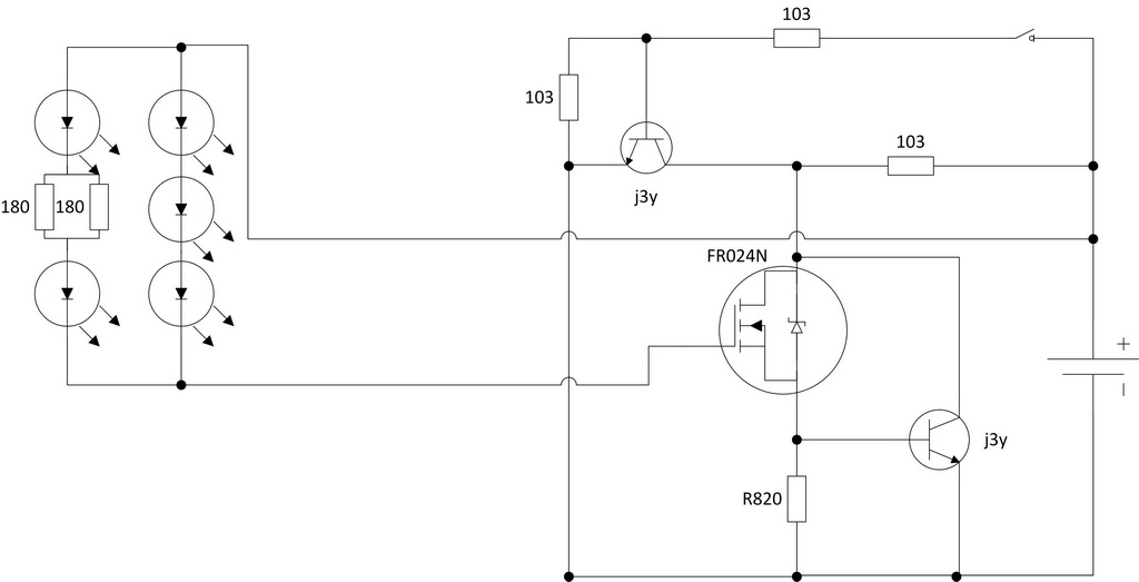
Седня разобрал ДХО - схему прикладываю

Как видно из схемы фильтров никаких нет, а посмотрев несколько подобных схем стабилизаторов - ЛС фильтр на них имеется
Миниатюры
Нажмите на изображение для увеличения
Название: DHO_schem.jpg
Просмотров: 1087
Размер:	44.9 Кб
ID:	24127  
laytya вне форума   Ответить с цитированием
Старый 21.10.2011, 23:18   #23
Virtual
Гуру
 
Регистрация: 07.11.2009
Возраст: 51
Регион: 02
Машина: Hyundai Accent :)
Сообщений: 1,361
Virtual has a spectacular aura aboutVirtual has a spectacular aura about
По умолчанию

Цитата:
Сообщение от laytya Посмотреть сообщение
в том то и дело что я и опасаюсь что будут проблемы с зарядкой аккума,
1. фары я вместе с ДХО не включаю поэтому не могу сказать притухают они или нет
2. на 12В ничего я думаю не притухает

вопрос имеено в том идет ли заряд на аккум или нет - больше меня пока не волнует ничего...

вот как понять в движении заряжается ли аккумулятор или нет?

при 14.1 В я думаю что генератор работает и заряжает
а вот при 12.1В - вопрос открыт - работатет ли генератор? ибо 10Вт ДХО ну не могут просаживать на 2В бортовую сеть....

Седня разобрал ДХО - схему прикладываю

Как видно из схемы фильтров никаких нет, а посмотрев несколько подобных схем стабилизаторов - ЛС фильтр на них имеется
из схемы видно что схема неправильная! эта схема работать не может.
__________________
Accent + Mystery MMT-8120S+ежик700_2Gssd_798МГц проц
Virtual вне форума   Ответить с цитированием
Старый 22.10.2011, 00:10   #24
mcf1
Guest
 
Сообщений: n/a
По умолчанию

блин, что может быть проще чем замерить напряжение НОРМАЛЬНЫМ МУЛЬТИМЕТРОМ на аккумуляторе в тот момент когда БК показывает лажу?
и наконец то придти к выводу что либо БК выкинуть, либо пересмотреть схему гего подключения, и/или схему подключения ДХО.
  Ответить с цитированием
Старый 22.10.2011, 10:42   #25
laytya
Старший Пользователь
 
Регистрация: 30.07.2011
Город: Новосибирск
Регион: 54
Машина: Honda Civic Ferio
Сообщений: 361
laytya is a glorious beacon of lightlaytya is a glorious beacon of lightlaytya is a glorious beacon of lightlaytya is a glorious beacon of lightlaytya is a glorious beacon of lightlaytya is a glorious beacon of light
По умолчанию

Цитата:
Сообщение от Virtual Посмотреть сообщение
из схемы видно что схема неправильная! эта схема работать не может.
Почему неправильная(она ж работает, светит и отключается по включению габаритов)? Хотелось бы аргументированого ответа...

по поводу вольтметра на акб - седня попробую замутить....
laytya вне форума   Ответить с цитированием
Старый 22.10.2011, 13:17   #26
Virtual
Гуру
 
Регистрация: 07.11.2009
Возраст: 51
Регион: 02
Машина: Hyundai Accent :)
Сообщений: 1,361
Virtual has a spectacular aura aboutVirtual has a spectacular aura about
По умолчанию

Цитата:
Сообщение от laytya Посмотреть сообщение
Почему неправильная(она ж работает, светит и отключается по включению габаритов)? Хотелось бы аргументированого ответа...

по поводу вольтметра на акб - седня попробую замутить....
по схеме светики подрублены к изолированному затвору транзистора... фантастика ибо в этой цепи тока нет!
__________________
Accent + Mystery MMT-8120S+ежик700_2Gssd_798МГц проц
Virtual вне форума   Ответить с цитированием
Старый 22.10.2011, 14:42   #27
laytya
Старший Пользователь
 
Регистрация: 30.07.2011
Город: Новосибирск
Регион: 54
Машина: Honda Civic Ferio
Сообщений: 361
laytya is a glorious beacon of lightlaytya is a glorious beacon of lightlaytya is a glorious beacon of lightlaytya is a glorious beacon of lightlaytya is a glorious beacon of lightlaytya is a glorious beacon of light
По умолчанию

Короче померил нормальным мультиметром в движении (взял пару проводов с аккума в салон)... реальность такова - отрубается генератор - остается напруга только самого аккумулятора 12.6В

Поставил ЛС фильтр, будем проверять.
laytya вне форума   Ответить с цитированием
Старый 22.10.2011, 14:44   #28
laytya
Старший Пользователь
 
Регистрация: 30.07.2011
Город: Новосибирск
Регион: 54
Машина: Honda Civic Ferio
Сообщений: 361
laytya is a glorious beacon of lightlaytya is a glorious beacon of lightlaytya is a glorious beacon of lightlaytya is a glorious beacon of lightlaytya is a glorious beacon of lightlaytya is a glorious beacon of light
По умолчанию

Цитата:
Сообщение от Virtual Посмотреть сообщение
по схеме светики подрублены к изолированному затвору транзистора... фантастика ибо в этой цепи тока нет!
ну я пока искал вчера схемки аналогичные - находил и не одну.
Да и в даташите от этого мосфета - схема похожая...
laytya вне форума   Ответить с цитированием
Старый 23.10.2011, 13:36   #29
laytya
Старший Пользователь
 
Регистрация: 30.07.2011
Город: Новосибирск
Регион: 54
Машина: Honda Civic Ferio
Сообщений: 361
laytya is a glorious beacon of lightlaytya is a glorious beacon of lightlaytya is a glorious beacon of lightlaytya is a glorious beacon of lightlaytya is a glorious beacon of lightlaytya is a glorious beacon of light
По умолчанию

короче ЛС фильтр не помогает, или не те параметры =(...
laytya вне форума   Ответить с цитированием
Старый 23.10.2011, 15:59   #30
mcf1
Guest
 
Сообщений: n/a
По умолчанию

и не поможет, это же токовый регулятор, он не может создавать каких либо помех. в отличии от ШИМ.
  Ответить с цитированием
Ответ


Здесь присутствуют: 1 (пользователей: 0 , гостей: 1)
 

Ваши права в разделе
Вы не можете создавать новые темы
Вы не можете отвечать в темах
Вы не можете прикреплять вложения
Вы не можете редактировать свои сообщения

BB коды Вкл.
Смайлы Вкл.
[IMG] код Вкл.
HTML код Выкл.



Часовой пояс GMT +4, время: 15:50.


Работает на vBulletin® версия 3.8.4.
Copyright ©2000 - 2026, Jelsoft Enterprises Ltd.
Перевод: zCarot