PCCar.ru - Ваш автомобильный компьютер

Вернуться   PCCar.ru - Ваш автомобильный компьютер > MP3Car ТехИнфа > Вопросы и ответы

Ответ
 
Опции темы Поиск в этой теме
Старый 04.12.2006, 18:31   #21
Don_ik_kot
Главный Ибонех
 
Аватар для Don_ik_kot
 
Регистрация: 04.09.2006
Возраст: 45
Регион: 50, 90, 150
Машина: Mazda3
Сообщений: 815
Don_ik_kot will become famous soon enoughDon_ik_kot will become famous soon enough
По умолчанию

а запуск - триггеры? можешь схемку царапнуть?
Don_ik_kot вне форума   Ответить с цитированием
Старый 04.12.2006, 18:48   #22
SeRiLLo
Старший Пользователь
 
Аватар для SeRiLLo
 
Регистрация: 01.12.2006
Возраст: 45
Город: Москва
Машина: Audi A6(4B) 2.8quattro
Сообщений: 263
SeRiLLo has a spectacular aura aboutSeRiLLo has a spectacular aura about
По умолчанию

Цитата:
Сообщение от Don_ik_kot Посмотреть сообщение
а запуск - триггеры? можешь схемку царапнуть?
какой запуск? зачем тригеры? Говорю же две релюшки и два концевика на размыкание. Концевики ставятся в конечных положениях....
Аааа понял я, что ты имел ввиду Монитор выезжает не от фронта, а от уровня. Т.е. питание пришло -выехал и остановился, питание снялось - уехал.
Схемку щас быстренько нарисую в ПаинтБраше
__________________
Audi A6 BlackToWhite CSR Carbon Edition - бесконечна
Lexus IS250 multimedia monster - закончен
SeRiLLo вне форума   Ответить с цитированием
Старый 04.12.2006, 19:15   #23
SeRiLLo
Старший Пользователь
 
Аватар для SeRiLLo
 
Регистрация: 01.12.2006
Возраст: 45
Город: Москва
Машина: Audi A6(4B) 2.8quattro
Сообщений: 263
SeRiLLo has a spectacular aura aboutSeRiLLo has a spectacular aura about
По умолчанию

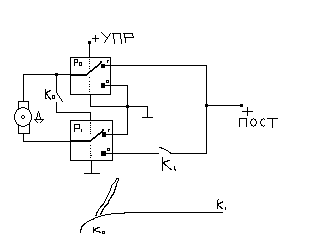
Вот схемка. Внизу схема расположения концевиков - Ko размыкается, когда монитор выдвинулся, а K1, когда убрался.
В начальный момент, когда монитор сложен и "УПР" питания нет - концевик Ко-замкнут, К1-разомкнут. Один контакт двигателя "Д" на массе, другой в воздухе - двигатель стоит, ток не идёт.
Подаём на "Упр" +. Реле 0 -замыкает контакт 1 -плюс на один контакт двигателя. Через концевик Ко замыкается Реле 1 - масса на другой контакт - монитор поехал. Сразу после старта освобождается и замыкается концевик К1. Когда монитор выдвинулся, он размыкает концевик Ко=> реле Р1 расслабляется на контакт 0 => на обоих контактах двигателя потенциал равный=> двиг стоит и мы глядим на монитор.
Питание снимается..... всё в обратном порядке.
Изображения
Тип файла: bmp sxema.bmp (9.4 Кб, 3898 просмотров)
__________________
Audi A6 BlackToWhite CSR Carbon Edition - бесконечна
Lexus IS250 multimedia monster - закончен
SeRiLLo вне форума   Ответить с цитированием
Старый 04.12.2006, 19:33   #24
Beer100
Гуру
 
Аватар для Beer100
 
Регистрация: 04.01.2006
Возраст: 56
Город: Минск
Регион: Беларусь
Машина: 2002\Audi\A6 3.0i
Сообщений: 1,135
Beer100 will become famous soon enough
По умолчанию

SeRiLLo

Ты левша? (в прямом смысле слова)
Beer100 вне форума   Ответить с цитированием
Старый 04.12.2006, 19:38   #25
SeRiLLo
Старший Пользователь
 
Аватар для SeRiLLo
 
Регистрация: 01.12.2006
Возраст: 45
Город: Москва
Машина: Audi A6(4B) 2.8quattro
Сообщений: 263
SeRiLLo has a spectacular aura aboutSeRiLLo has a spectacular aura about
По умолчанию

Цитата:
Сообщение от Beer100 Посмотреть сообщение
SeRiLLo

Ты левша? (в прямом смысле слова)
Да нет. Скорее в переносном
__________________
Audi A6 BlackToWhite CSR Carbon Edition - бесконечна
Lexus IS250 multimedia monster - закончен
SeRiLLo вне форума   Ответить с цитированием
Старый 04.12.2006, 19:41   #26
Beer100
Гуру
 
Аватар для Beer100
 
Регистрация: 04.01.2006
Возраст: 56
Город: Минск
Регион: Беларусь
Машина: 2002\Audi\A6 3.0i
Сообщений: 1,135
Beer100 will become famous soon enough
По умолчанию

То, что в переносном, так это точно!
... просто паяльник слева лежит у тебя.
Beer100 вне форума   Ответить с цитированием
Старый 04.12.2006, 19:45   #27
SeRiLLo
Старший Пользователь
 
Аватар для SeRiLLo
 
Регистрация: 01.12.2006
Возраст: 45
Город: Москва
Машина: Audi A6(4B) 2.8quattro
Сообщений: 263
SeRiLLo has a spectacular aura aboutSeRiLLo has a spectacular aura about
По умолчанию

Цитата:
Сообщение от Beer100 Посмотреть сообщение
То, что в переносном, так это точно!
... просто паяльник слева лежит у тебя.
Так его справа положить некуда было... бардак полный....точнее правильная рабочая обстановка
__________________
Audi A6 BlackToWhite CSR Carbon Edition - бесконечна
Lexus IS250 multimedia monster - закончен
SeRiLLo вне форума   Ответить с цитированием
Старый 04.12.2006, 23:38   #28
steeLLWater
Старший Пользователь
 
Регистрация: 15.11.2005
Возраст: 58
Город: Москва
Машина: `00-2111
Сообщений: 141
steeLLWater is on a distinguished road
По умолчанию

Спасибо за фотки и видео, задумка отличная, только реализацию кинематики плохо рассмотрел, мелковато. Поздравляю, надеюсь увидим твое изобретение на одном из слетов.
steeLLWater вне форума   Ответить с цитированием
Старый 05.12.2006, 01:13   #29
Don_ik_kot
Главный Ибонех
 
Аватар для Don_ik_kot
 
Регистрация: 04.09.2006
Возраст: 45
Регион: 50, 90, 150
Машина: Mazda3
Сообщений: 815
Don_ik_kot will become famous soon enoughDon_ik_kot will become famous soon enough
По умолчанию

спасибо, как раз это и хотел узнать.
Я так понимаю УПР+ берешь с выхода БП компа, и когда он включается, моник выезжает. Выключатеся - моник сворачивается.
Красота!
Don_ik_kot вне форума   Ответить с цитированием
Старый 08.12.2006, 15:39   #30
SeRiLLo
Старший Пользователь
 
Аватар для SeRiLLo
 
Регистрация: 01.12.2006
Возраст: 45
Город: Москва
Машина: Audi A6(4B) 2.8quattro
Сообщений: 263
SeRiLLo has a spectacular aura aboutSeRiLLo has a spectacular aura about
По умолчанию

Цитата:
Сообщение от Don_ik_kot Посмотреть сообщение
спасибо, как раз это и хотел узнать.
Я так понимаю УПР+ берешь с выхода БП компа, и когда он включается, моник выезжает. Выключатеся - моник сворачивается.
Красота!
Именно так
__________________
Audi A6 BlackToWhite CSR Carbon Edition - бесконечна
Lexus IS250 multimedia monster - закончен
SeRiLLo вне форума   Ответить с цитированием
Ответ


Здесь присутствуют: 1 (пользователей: 0 , гостей: 1)
 

Ваши права в разделе
Вы не можете создавать новые темы
Вы не можете отвечать в темах
Вы не можете прикреплять вложения
Вы не можете редактировать свои сообщения

BB коды Вкл.
Смайлы Вкл.
[IMG] код Вкл.
HTML код Выкл.



Часовой пояс GMT +4, время: 17:39.


Работает на vBulletin® версия 3.8.4.
Copyright ©2000 - 2026, Jelsoft Enterprises Ltd.
Перевод: zCarot