PCCar.ru - Ваш автомобильный компьютер

Вернуться   PCCar.ru - Ваш автомобильный компьютер > MP3Car ТехИнфа > Блоки питания > Контроллеры управления питанием

Ответ
 
Опции темы Поиск в этой теме
Старый 19.11.2009, 16:31   #261
Electron
Пользователь
 
Регистрация: 03.08.2007
Возраст: 41
Город: Саранск
Регион: 13
Машина: Subaru Outback
Сообщений: 42
Electron is on a distinguished road
По умолчанию

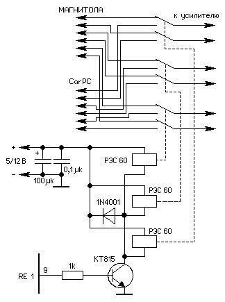
Схема простейшего аудиокоммутатора на 6 каналов. Реле любые. Для ориентировки РЭС 60, справочные данные по ним есть тут и тут. В зависимости от напряжения включения реле, выбирается питание блока, 5 или 12 вольт. Разьём на моей печатке разведён на 5В.
Миниатюры
Нажмите на изображение для увеличения
Название: Аудиокоммутатор.bmp
Просмотров: 693
Размер:	18.8 Кб
ID:	13926  

Последний раз редактировалось Electron; 19.11.2009 в 17:59.
Electron вне форума   Ответить с цитированием
Старый 23.11.2009, 19:42   #262
Electron
Пользователь
 
Регистрация: 03.08.2007
Возраст: 41
Город: Саранск
Регион: 13
Машина: Subaru Outback
Сообщений: 42
Electron is on a distinguished road
По умолчанию

Переписал прошивку для неруссифицированных дисплеев. Также выкладываю оба варианта с изменённым расположением кнопок. Применительно к моему варианту дисплейной платы, Menu|Bypass|Audio|Reset|Select переназначено как Menu|Select|Bypass|Audio|Reset

P.S. Разобрался с управлением ЛСД, подтягивающие резисторы на RB7-3 можно не ставить, т.к. чтение при R/W = 0 невозможно.
Вложения
Тип файла: rar step5_30_eng.rar (9.9 Кб, 738 просмотров)
Тип файла: rar STEP5_40.RAR (10.1 Кб, 700 просмотров)
Тип файла: rar step5_40_eng.rar (9.9 Кб, 814 просмотров)

Последний раз редактировалось Electron; 23.11.2009 в 21:40.
Electron вне форума   Ответить с цитированием
Старый 04.12.2009, 11:09   #263
Electron
Пользователь
 
Регистрация: 03.08.2007
Возраст: 41
Город: Саранск
Регион: 13
Машина: Subaru Outback
Сообщений: 42
Electron is on a distinguished road
По умолчанию

При пропадании ACC, контроллер выжидает паузу, порядка минуты, для возможности перейти на ручное управление (нажать байпас), по истечении времени, если кнопка не была нажата, запускается процедура выключения компьютера. При появлении АСС, включение компа произойдёт только при активированном автоматическом режиме. С алгоритмом работы АVC-Lan не знаком. В чём трабл такой связки?
Electron вне форума   Ответить с цитированием
Старый 06.12.2009, 21:58   #264
Vladget
Moderator
 
Регистрация: 04.04.2009
Возраст: 69
Город: Краснодар
Регион: 23, 93
Машина: HONDA CR-V-08
Сообщений: 3,129
Vladget is a splendid one to beholdVladget is a splendid one to beholdVladget is a splendid one to beholdVladget is a splendid one to beholdVladget is a splendid one to beholdVladget is a splendid one to beholdVladget is a splendid one to behold
По умолчанию

Цитата:
Сообщение от aleksey_upp Посмотреть сообщение
Не спеши радоваться.
А ты не подумал что произойдет когда ты после выключения асс снова его включишь? А как же будет работать адаптер АVC-Lan без АСС? Устройство опять нажмет на кнопку. Так что еще придется схему доработать.
А популярно объясни при чем тут контроллер (который может стоять в любой машине а не только в тайоте) и этот адаптер AVC-Lan и зачем он (этот адптер) в мазде, БМВ, всех наших "карах" ну т.д. (тайоту не рассмаритваем)???? а то мож я уже год катаюсь с РС в "КАРЕ" и не знаю всей прелести которая меня ждет если я его (адаптер) поставлю
Vladget вне форума   Ответить с цитированием
Старый 22.12.2009, 21:23   #265
GEBs
Новый Пользователь
 
Регистрация: 06.10.2009
Возраст: 65
Город: Барнаул
Регион: 22
Машина: 1998\ВАЗ-2107
Сообщений: 9
GEBs is on a distinguished road
По умолчанию

Цитата:
Сообщение от ][ I M Посмотреть сообщение
вопрос тут был затронут, но вскользь...
кто сможет под заказ собрать такой контроллер для индивидуального пользования?
Напишите в личку, плз!
Ты бы спецам в личку.
GEBs вне форума   Ответить с цитированием
Старый 10.02.2010, 11:05   #266
libvin
Новый Пользователь
 
Регистрация: 27.06.2009
Возраст: 40
Город: Нефтекамск
Регион: 02
Сообщений: 21
libvin is on a distinguished road
По умолчанию

Здравствуйте можете подсказать можно ли эти супрессоры поменять на на zenner 6.8v и 16v? и где можно отпаять самовостанавливающийся предохранитель и МС34063 или может есть аналоги ее?
libvin вне форума   Ответить с цитированием
Старый 10.02.2010, 11:17   #267
Virtual
Гуру
 
Регистрация: 07.11.2009
Возраст: 51
Регион: 02
Машина: Hyundai Accent :)
Сообщений: 1,361
Virtual has a spectacular aura aboutVirtual has a spectacular aura about
По умолчанию

libvin
Цитата:
и где можно отпаять самовостанавливающийся предохранитель
на дохлых МП конечно гдеж еще
__________________
Accent + Mystery MMT-8120S+ежик700_2Gssd_798МГц проц
Virtual вне форума   Ответить с цитированием
Старый 11.02.2010, 11:32   #268
libvin
Новый Пользователь
 
Регистрация: 27.06.2009
Возраст: 40
Город: Нефтекамск
Регион: 02
Сообщений: 21
libvin is on a distinguished road
По умолчанию

Цитата:
Сообщение от Virtual Посмотреть сообщение
libvin

на дохлых МП конечно гдеж еще
Что он из себя представляет может кто нибудь фото выложить?
libvin вне форума   Ответить с цитированием
Старый 11.02.2010, 13:00   #269
Virtual
Гуру
 
Регистрация: 07.11.2009
Возраст: 51
Регион: 02
Машина: Hyundai Accent :)
Сообщений: 1,361
Virtual has a spectacular aura aboutVirtual has a spectacular aura about
По умолчанию

ща.....
этот на 1А при 1.5А валится в защиту
Миниатюры
Нажмите на изображение для увеличения
Название: fu.jpg
Просмотров: 1546
Размер:	15.9 Кб
ID:	15037  
__________________
Accent + Mystery MMT-8120S+ежик700_2Gssd_798МГц проц
Virtual вне форума   Ответить с цитированием
Старый 11.02.2010, 13:39   #270
Virtual
Гуру
 
Регистрация: 07.11.2009
Возраст: 51
Регион: 02
Машина: Hyundai Accent :)
Сообщений: 1,361
Virtual has a spectacular aura aboutVirtual has a spectacular aura about
По умолчанию

а mc34063 в любом магазине по 10р россыпью .
__________________
Accent + Mystery MMT-8120S+ежик700_2Gssd_798МГц проц
Virtual вне форума   Ответить с цитированием
Ответ


Здесь присутствуют: 1 (пользователей: 0 , гостей: 1)
 

Ваши права в разделе
Вы не можете создавать новые темы
Вы не можете отвечать в темах
Вы не можете прикреплять вложения
Вы не можете редактировать свои сообщения

BB коды Вкл.
Смайлы Вкл.
[IMG] код Вкл.
HTML код Выкл.



Часовой пояс GMT +4, время: 21:08.


Работает на vBulletin® версия 3.8.4.
Copyright ©2000 - 2026, Jelsoft Enterprises Ltd.
Перевод: zCarot