PCCar.ru - Ваш автомобильный компьютер

Вернуться   PCCar.ru - Ваш автомобильный компьютер > MP3Car ТехИнфа > Блоки питания > Разное

Ответ
 
Опции темы Поиск в этой теме
Старый 08.05.2009, 22:24   #241
Botyfalf
Старший Пользователь
 
Аватар для Botyfalf
 
Регистрация: 20.02.2008
Возраст: 45
Город: Обнинск
Регион: 40
Машина: 2006/Mazda6Sedan/2.0AT/Black
Сообщений: 171
Botyfalf is on a distinguished road
По умолчанию

Цитата:
Сообщение от sergbb Посмотреть сообщение
Ну вот наконец после не продолжительных родов и я запустился
транс не колол ,просто срезал старую первичку и в образовавшийся зазор намотал обмотку на 8 витков (сечением 1,0 мм)с отводом по средине,получилось 4+4.
Поздравляю!
Вчера гонял комп на всю катушку + доп. нагрузки понавешал: БП схалтурил - система стала перезагружаться. Выпаял трансформатор, обнаружил трещину в феррите Нашел новый трансформатор побольше, тоже с блока на TL494, не разбирая срезал желтый пенополипропилон с медью - в зазор намотал 3.5 витка в два провода 1.2мм. В результате - полевики вообще не греются, диоды достаточно теплые без кулеров и прочего. Ток стенд бай - 200 мА. С навешеной лабудой снизился с 5А до 3.2А. Так что, друзья, с ферритом осторожней!
__________________
Проект http://forum.pccar.ru/showthread.php?t=8281
Botyfalf вне форума   Ответить с цитированием
Старый 08.05.2009, 23:57   #242
questioner
Старший Пользователь
 
Регистрация: 18.03.2009
Возраст: 43
Регион: 56
Машина: Toyota Corolla 120
Сообщений: 170
questioner is on a distinguished road
По умолчанию

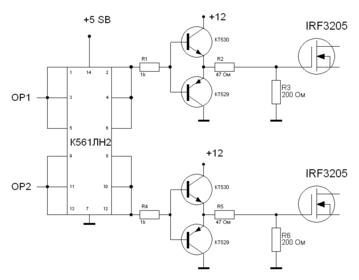
Вот какой я родил драйвер (для SG6105), но прежде чем брать в руки паяльник решил посоветоваться, может я где ошибся...
__________________
Мой первый проект
questioner вне форума   Ответить с цитированием
Старый 10.05.2009, 14:06   #243
Botyfalf
Старший Пользователь
 
Аватар для Botyfalf
 
Регистрация: 20.02.2008
Возраст: 45
Город: Обнинск
Регион: 40
Машина: 2006/Mazda6Sedan/2.0AT/Black
Сообщений: 171
Botyfalf is on a distinguished road
По умолчанию

Цитата:
Сообщение от questioner Посмотреть сообщение
Вот какой я родил драйвер (для SG6105), но прежде чем брать в руки паяльник решил посоветоваться, может я где ошибся...
вряд ли там все зарегистрированы, лучше тут выложить.
__________________
Проект http://forum.pccar.ru/showthread.php?t=8281
Botyfalf вне форума   Ответить с цитированием
Старый 10.05.2009, 15:50   #244
questioner
Старший Пользователь
 
Регистрация: 18.03.2009
Возраст: 43
Регион: 56
Машина: Toyota Corolla 120
Сообщений: 170
questioner is on a distinguished road
По умолчанию

Воблин! сори, я думал там региься необязательно...
если тут не отображает - вот ссылки
Вариант1(буду его делать)
Вариант2
Миниатюры
Нажмите на изображение для увеличения
Название: Драйвер3.jpg
Просмотров: 1971
Размер:	11.1 Кб
ID:	11043   Нажмите на изображение для увеличения
Название: Драйвер4.jpg
Просмотров: 1557
Размер:	9.5 Кб
ID:	11044  
__________________
Мой первый проект
questioner вне форума   Ответить с цитированием
Старый 12.05.2009, 21:19   #245
sergbb
Старший Пользователь
 
Аватар для sergbb
 
Регистрация: 07.01.2008
Город: харьков
Регион: Украина
Машина: ваз-2108(1,1) , Део\Ланос 1.5 и Hunday\Solaris 1,4
Сообщений: 176
sergbb is on a distinguished road
По умолчанию

Цитата:
Сообщение от filk24 Посмотреть сообщение
... а мой БП отказуется работать. Напряжения все есть в разъеме, а мать не запускает, напряжение проседает. В машине от аккумулятора пробовал - бесполезно. Уже и транс перемотал и целый ферит стоит, хз где еще копать... Когда отсоединяеш от кренки провод на дежурку кулер на проце начинает работать...
1 До переделки работал?(основное условие переделывать однозначно исправный БП)
2 Пока не появится 5вольт на "повер гуд" мама не запустится.
3 кулер начинает крутится при замыкании "повер ОН" на землю,или постоянно.
__________________
Intel i3/2G/SSD-250Gb/IZUMI 8"toch/iCar/ATX-12v/СитиГид
Хочу электронную приборку
Восьмерочка
Ланос
Акцент
sergbb вне форума   Ответить с цитированием
Старый 13.05.2009, 14:57   #246
filk24
Пользователь
 
Регистрация: 10.12.2008
Возраст: 50
Город: Красноярск
Регион: 24
Машина: С-RV II
Сообщений: 51
filk24 is on a distinguished road
По умолчанию

До переделки работал. 5V в разъеме есть. Кулер крутися постоянно (если убрать 5V), а если не убирать - то замыкая "повер он" мать пускается не всегда (и то без перефирии), а если запустилась, то напряжение в разъеме где должно 12V - 7V, где 5 - 3 всего. По этому ничего и не запускается...
filk24 вне форума   Ответить с цитированием
Старый 14.05.2009, 00:00   #247
sergbb
Старший Пользователь
 
Аватар для sergbb
 
Регистрация: 07.01.2008
Город: харьков
Регион: Украина
Машина: ваз-2108(1,1) , Део\Ланос 1.5 и Hunday\Solaris 1,4
Сообщений: 176
sergbb is on a distinguished road
По умолчанию

Цитата:
Сообщение от filk24 Посмотреть сообщение
До переделки работал. 5V в разъеме есть. Кулер крутися постоянно (если убрать 5V), а если не убирать - то замыкая "повер он" мать пускается не всегда (и то без перефирии), а если запустилась, то напряжение в разъеме где должно 12V - 7V, где 5 - 3 всего. По этому ничего и не запускается...
-Скорее всего ошибка монтажа(проверь прозвони особенно там где дорожки резались)
-попробуй сравнить напряжения в цепях полевиков.
-поищи в теме гдето было напряжение на 1 ноге микросхемы (это обратная связь )
-транс правильно подключил(две обмотки по 4 витка,соединил вместе начало1 и конец2 на +12, конец1 и начало2 на полевики)
-проверь пайку(тут ктото писал подобное,разобрал собрал и О! чудо)
__________________
Intel i3/2G/SSD-250Gb/IZUMI 8"toch/iCar/ATX-12v/СитиГид
Хочу электронную приборку
Восьмерочка
Ланос
Акцент
sergbb вне форума   Ответить с цитированием
Старый 14.05.2009, 12:15   #248
Botyfalf
Старший Пользователь
 
Аватар для Botyfalf
 
Регистрация: 20.02.2008
Возраст: 45
Город: Обнинск
Регион: 40
Машина: 2006/Mazda6Sedan/2.0AT/Black
Сообщений: 171
Botyfalf is on a distinguished road
По умолчанию

Цитата:
Сообщение от filk24 Посмотреть сообщение
До переделки работал. 5V в разъеме есть. Кулер крутися постоянно (если убрать 5V), а если не убирать - то замыкая "повер он" мать пускается не всегда (и то без перефирии), а если запустилась, то напряжение в разъеме где должно 12V - 7V, где 5 - 3 всего. По этому ничего и не запускается...
Думаю, проблема в трансформаторе. Проверь еще раз правильность перемотки - направление витков (должно быть в ту же сторону, что и "штатные") и коммутацию обмоток - в предыдущем посте верно описано.
__________________
Проект http://forum.pccar.ru/showthread.php?t=8281
Botyfalf вне форума   Ответить с цитированием
Старый 14.05.2009, 15:01   #249
Botyfalf
Старший Пользователь
 
Аватар для Botyfalf
 
Регистрация: 20.02.2008
Возраст: 45
Город: Обнинск
Регион: 40
Машина: 2006/Mazda6Sedan/2.0AT/Black
Сообщений: 171
Botyfalf is on a distinguished road
По умолчанию

В общем, спасибо этой теме - помогла мне понять принципы работы БП, схемотехнику и т.д. Я все же забил на свой переделанный (хоть и работает) и поставил нормальный БП с контроллером. Если посчитать затраты на переделку (благо, у меня все блоки были халявные, а излопатил я их в свое время с десяток) - выйдет ли дешевле, вот я о чем подумал))) И время.
__________________
Проект http://forum.pccar.ru/showthread.php?t=8281
Botyfalf вне форума   Ответить с цитированием
Старый 14.05.2009, 20:26   #250
filk24
Пользователь
 
Регистрация: 10.12.2008
Возраст: 50
Город: Красноярск
Регион: 24
Машина: С-RV II
Сообщений: 51
filk24 is on a distinguished road
По умолчанию

Цитата:
Сообщение от sergbb Посмотреть сообщение
-транс правильно подключил(две обмотки по 4 витка,соединил вместе начало1 и конец2 на +12, конец1 и начало2 на полевики)
Блин, это ж другая схема коммутации обмоток получается!

А я делал как в этом "ФАКе":"9) Наматываем в два провода диметром 1 мм в том же направлении, что и те 19 витков новые 4 витка.
10) Начало первого провода соединяем на контакт от старой обмотки. Конец первого провода соединил с началом второго - повесил в воздух - сюда когда-нибудь в будущем подадим наши мощные +12 с аккумулятора (провод нужен хорошего сечения, либо если впаиваете на плату, как в моем случае - не жалейте припоя).
11) Конец второй обмотки на вторую клемму трансформатора.
19) ... Средний конец первичных обмоток трансформатора вешаем на входное питание, крайние концы на стоки транзисторов. Истоки транзисторов на землю. Затворы транзисторов, через резисторы в 15Ом на 9 и 10 ноги TL494. Затворы транзисторов через 200Ом резисторы повесить на землю..." Штатные дорожки, естественно, убираем, либо "подгоняем" под вышеописанное".
filk24 вне форума   Ответить с цитированием
Ответ


Здесь присутствуют: 1 (пользователей: 0 , гостей: 1)
 

Ваши права в разделе
Вы не можете создавать новые темы
Вы не можете отвечать в темах
Вы не можете прикреплять вложения
Вы не можете редактировать свои сообщения

BB коды Вкл.
Смайлы Вкл.
[IMG] код Вкл.
HTML код Выкл.



Часовой пояс GMT +4, время: 15:48.


Работает на vBulletin® версия 3.8.4.
Copyright ©2000 - 2026, Jelsoft Enterprises Ltd.
Перевод: zCarot