PCCar.ru - Ваш автомобильный компьютер

Вернуться   PCCar.ru - Ваш автомобильный компьютер > MP3Car ТехИнфа > Блоки питания > Разное

Ответ
 
Опции темы Поиск в этой теме
Старый 03.05.2009, 21:04   #211
filk24
Пользователь
 
Регистрация: 10.12.2008
Возраст: 49
Город: Красноярск
Регион: 24
Машина: С-RV II
Сообщений: 51
filk24 is on a distinguished road
По умолчанию

Цитата:
Сообщение от questioner Посмотреть сообщение
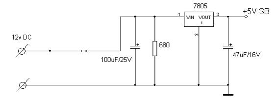
Да, SB это и есть дежурка (+5В). Делается Элементарно - кренка на 5 вольт (КР142ЕН5А,КР142ЕН5В или КА7805) поворачиваешь мордой к себе, ногами вниз, слева направо вход(+12)-земля-выход(+5). Выход припаиваешь на разъем БП на SB, не отпаивая родной провод от платы или на плату, откуда сей проводок выходит.
Ну теперь дошло, что такое SB (вырезка из схемы первого поста). questioner а резистор с конденсаторами что ли не ставил?
Миниатюры
Нажмите на изображение для увеличения
Название: 321.jpg
Просмотров: 2011
Размер:	7.8 Кб
ID:	10934  
filk24 вне форума   Ответить с цитированием
Старый 03.05.2009, 22:13   #212
questioner
Старший Пользователь
 
Регистрация: 18.03.2009
Возраст: 42
Регион: 56
Машина: Toyota Corolla 120
Сообщений: 170
questioner is on a distinguished road
По умолчанию

Нет не ставил, все работало и так, хотя думаю имеет смысл поставить эти фильтры.

Мне так понравилось, как блок заработал "на коленке" - транзюки грелись вполне умеренно. Собрал все в корпус с карпутером проверил с окрытой крышкой - радиатор транзисторов, обдуваемый вентилятором нагрелся так, что палец не терпит. Комп работает... прошло немного времени и сгорел предохраниель 30А!!! Буду разбираться.
Транзюки у меня IRF3205, посморел - сопротивление затворов такое же как у IRF44 и номиналы резисторов оставил как для IRF44, но может для 3205 нужно другие резисторы? Как найти методику расчета?
__________________
Мой первый проект
questioner вне форума   Ответить с цитированием
Старый 04.05.2009, 02:07   #213
SileNTViP
Новый Пользователь
 
Аватар для SileNTViP
 
Регистрация: 24.02.2009
Возраст: 42
Город: Павловский Посад
Регион: 50, 90, 150
Машина: Nissan Almera 99
Сообщений: 7
SileNTViP is on a distinguished road
По умолчанию

Подумал может кому пригодиться. Тут схемы и книжка по устройству ATX блоков... Сам пока пытаюсь переделать Codegen 300w пока не получается )) посмотрю может InWin пойдет..
Вложения
Тип файла: rar схемы блоков питания от АТ до АТХ1.rar (1.83 Мб, 2242 просмотров)
Тип файла: rar схемы блоков питания от АТ до АТХ2.rar (2.00 Мб, 2595 просмотров)
Тип файла: zip AT_PSU.ZIP (4.66 Мб, 4141 просмотров)
SileNTViP вне форума   Ответить с цитированием
Старый 04.05.2009, 10:41   #214
support_rc
Новый Пользователь
 
Регистрация: 10.11.2008
Возраст: 49
Город: Ростов-на-Дону
Регион: 61
Машина: KIA Ceed SW
Сообщений: 24
support_rc is on a distinguished road
По умолчанию

Цитата:
Сообщение от questioner Посмотреть сообщение
Мне так понравилось, как блок заработал "на коленке" - транзюки грелись вполне умеренно. Собрал все в корпус ....
Аналогичная ситуация... только разница в том что если подключаю МВ Chaintech 6ojv2 i815 celeron733 все работает нормально , транзисторы греются прилично , но палец держать на радиаторе можно. А если я подключаю Microstar MS-6380 KT266 c duron850 транзисторы нагреваются очень очень сильно, и при этом выгорел электролит стоящий по входу 7805 , (если правильно вспомнил то 47мкф 16v)
Какие будут по этому случаю соображения ?
support_rc вне форума   Ответить с цитированием
Старый 04.05.2009, 12:09   #215
Botyfalf
Старший Пользователь
 
Аватар для Botyfalf
 
Регистрация: 20.02.2008
Возраст: 45
Город: Обнинск
Регион: 40
Машина: 2006/Mazda6Sedan/2.0AT/Black
Сообщений: 171
Botyfalf is on a distinguished road
По умолчанию

Цитата:
Сообщение от support_rc Посмотреть сообщение
Аналогичная ситуация... только разница в том что если подключаю МВ Chaintech 6ojv2 i815 celeron733 все работает нормально , транзисторы греются прилично , но палец держать на радиаторе можно. А если я подключаю Microstar MS-6380 KT266 c duron850 транзисторы нагреваются очень очень сильно, и при этом выгорел электролит стоящий по входу 7805 , (если правильно вспомнил то 47мкф 16v)
Какие будут по этому случаю соображения ?
Полярность кондера не перепутал? Трансформатор не колол? На радиатор хорошо б кулер прицепить или вентилятор направить. У меня тоже прилично греются. Можно поставить не один IRFZ, а по паре-тройке в плечо. Или делать драйвер, я не заморачивался - все и так прекрасно работает. Гонял свою конфигу под разными нагрузками с утра до вечера. Кстати, эти селеры и особенно дюроны, по-моему, достаточно прожорливы, но могу ошибаться, глянь на форуме где-то таблица была по потреблению мощности различными компонентами.
__________________
Проект http://forum.pccar.ru/showthread.php?t=8281
Botyfalf вне форума   Ответить с цитированием
Старый 04.05.2009, 12:21   #216
support_rc
Новый Пользователь
 
Регистрация: 10.11.2008
Возраст: 49
Город: Ростов-на-Дону
Регион: 61
Машина: KIA Ceed SW
Сообщений: 24
support_rc is on a distinguished road
По умолчанию

Цитата:
Сообщение от Botyfalf Посмотреть сообщение
Полярность кондера не перепутал? Трансформатор не колол? На радиатор хорошо б кулер прицепить или вентилятор направить. У меня тоже прилично греются. Можно поставить не один IRFZ, а по паре-тройке в плечо. Или делать драйвер, я не заморачивался - все и так прекрасно работает. Гонял свою конфигу под разными нагрузками с утра до вечера. Кстати, эти селеры и особенно дюроны, по-моему, достаточно прожорливы, но могу ошибаться, глянь на форуме где-то таблица была по потреблению мощности различными компонентами.
полярность впорядке, все как надо. А вот ферит .... откалол при очередной сборке\разборке транса отколол одну полку Ш профиля, далее ферит был склеен супер клеем. обдув радиатора выполнен штатным кулером 8х8см.

Есть ли смысл полностью перемотать транс? при этом использовать кольцо , или Ш-образный будет получше ?
если перематывать то подскажите как комутировать вторичку, что куда... вечером выложу фотку новой платы БП, т.к. тот БП что я ранее выкладывал оказался не рабочим (низковольтная часть) ... а разбираться не было желания.
support_rc вне форума   Ответить с цитированием
Старый 04.05.2009, 13:24   #217
questioner
Старший Пользователь
 
Регистрация: 18.03.2009
Возраст: 42
Регион: 56
Машина: Toyota Corolla 120
Сообщений: 170
questioner is on a distinguished road
По умолчанию

Как комутировать вторичку есть на первых станицах, даже помойму на первой...
__________________
Мой первый проект
questioner вне форума   Ответить с цитированием
Старый 04.05.2009, 14:15   #218
Botyfalf
Старший Пользователь
 
Аватар для Botyfalf
 
Регистрация: 20.02.2008
Возраст: 45
Город: Обнинск
Регион: 40
Машина: 2006/Mazda6Sedan/2.0AT/Black
Сообщений: 171
Botyfalf is on a distinguished road
По умолчанию

Цитата:
Сообщение от support_rc Посмотреть сообщение
Есть ли смысл полностью перемотать транс? при этом использовать кольцо , или Ш-образный будет получше ?
если перематывать то подскажите как комутировать вторичку,
Если перематывать, то вторичку не трогаем. Кольцо или Ш - без разницы, имхо. Кольцо я решил отложить для БП усилителя. А вот то, что треснуло - это не гут. В начале топика есть подробное описание как мотать.
__________________
Проект http://forum.pccar.ru/showthread.php?t=8281
Botyfalf вне форума   Ответить с цитированием
Старый 04.05.2009, 15:16   #219
questioner
Старший Пользователь
 
Регистрация: 18.03.2009
Возраст: 42
Регион: 56
Машина: Toyota Corolla 120
Сообщений: 170
questioner is on a distinguished road
По умолчанию

Имеет ли смысл увличивать число полевиков, и если да, то какой, ведь от этого КПД не увеличится, а значит и не снизится тепловыделение? Или тепловыделение не линейно зависит от тока?
__________________
Мой первый проект
questioner вне форума   Ответить с цитированием
Старый 04.05.2009, 15:24   #220
support_rc
Новый Пользователь
 
Регистрация: 10.11.2008
Возраст: 49
Город: Ростов-на-Дону
Регион: 61
Машина: KIA Ceed SW
Сообщений: 24
support_rc is on a distinguished road
По умолчанию

Цитата:
Сообщение от Botyfalf Посмотреть сообщение
Если перематывать, то вторичку не трогаем. Кольцо или Ш - без разницы, имхо. Кольцо я решил отложить для БП усилителя. А вот то, что треснуло - это не гут. В начале топика есть подробное описание как мотать.
на стр3. в посте №22 _SDY_ написал -
7. ....
8. Вторичные обмотки припаиваем куда надо. :-)

так вот куда надо? как их между собой комутировать ?
support_rc вне форума   Ответить с цитированием
Ответ


Здесь присутствуют: 1 (пользователей: 0 , гостей: 1)
 

Ваши права в разделе
Вы не можете создавать новые темы
Вы не можете отвечать в темах
Вы не можете прикреплять вложения
Вы не можете редактировать свои сообщения

BB коды Вкл.
Смайлы Вкл.
[IMG] код Вкл.
HTML код Выкл.



Часовой пояс GMT +4, время: 15:08.


Работает на vBulletin® версия 3.8.4.
Copyright ©2000 - 2026, Jelsoft Enterprises Ltd.
Перевод: zCarot