PCCar.ru - Ваш автомобильный компьютер

Вернуться   PCCar.ru - Ваш автомобильный компьютер > MP3Car ТехИнфа > АвтоЗвук

Ответ
 
Опции темы Поиск в этой теме
Старый 13.03.2010, 02:47   #11
Xellow
Старший Пользователь
 
Регистрация: 23.02.2010
Город: Смоленск
Регион: 67
Машина: Sportage 3
Сообщений: 165
Xellow will become famous soon enoughXellow will become famous soon enough
По умолчанию

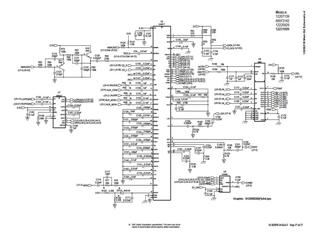
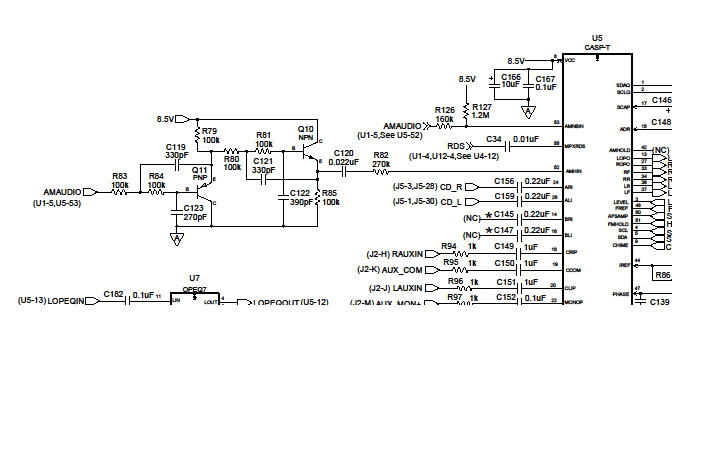
Товарисчи Help !!! Мозг кипит!!! Имею следующую схему аудио входов(см вложение) AM и FM входят на усилок раздельно. С FM ом всё понятно - в него можно врезаться - норм звук. А вот что за схема на АМ. И как её использовать не пойму. Подскажите плиз...
Миниатюры
Нажмите на изображение для увеличения
Название: ALL.jpg
Просмотров: 1431
Размер:	70.1 Кб
ID:	15668   Нажмите на изображение для увеличения
Название: AM.jpg
Просмотров: 1114
Размер:	57.0 Кб
ID:	15669  
Xellow вне форума   Ответить с цитированием
Ответ


Здесь присутствуют: 1 (пользователей: 0 , гостей: 1)
 

Ваши права в разделе
Вы не можете создавать новые темы
Вы не можете отвечать в темах
Вы не можете прикреплять вложения
Вы не можете редактировать свои сообщения

BB коды Вкл.
Смайлы Вкл.
[IMG] код Вкл.
HTML код Выкл.



Часовой пояс GMT +4, время: 13:55.


Работает на vBulletin® версия 3.8.4.
Copyright ©2000 - 2026, Jelsoft Enterprises Ltd.
Перевод: zCarot