PCCar.ru - Ваш автомобильный компьютер

Вернуться   PCCar.ru - Ваш автомобильный компьютер > MP3Car ТехИнфа > Сделай сам

Ответ
 
Опции темы Поиск в этой теме
Старый 23.05.2007, 19:05   #11
den_sad
Старший Пользователь
 
Регистрация: 04.05.2007
Город: Москва
Регион: 77, 97, 99, 177
Машина: 2000\Форд\Пума
Сообщений: 278
den_sad is on a distinguished road
По умолчанию

Цитата:
Сообщение от Wanted Посмотреть сообщение
Огромное Спасибо уважаемый den_sad. Вопрос один, 4секунды - какой кондер брать? И насчет первого включения - это в самый первый раз включения схемы или вообще????
В самый первый раз :-) Это просто для того, чтобы при подаче напряжения не сгорел транзистор. Просто перед включением замер сопротивление резистора (уже на собранной схеме), чтобы оно было равно номиналу резистора и ни в коем случае не 0.

Делать задержку на 4 сек тебе не имеет смысла -ведь комп включается/выключается от кратковременного импульса. Насчет конденсатора - думаю стоит начать с 500 микрофарад... вообще то эту схемку можно немного модернизировать, тогда емкость и уменьшить можно - но считаю что это не имеет смысла.

Если будешь в районе кантемировской - можем пересечься, все в подробностях расскажу, присоветую, просто может там быть несколько подводных камней - все зависит от того какие детали выберешь
P.S где пиво то? :-)
den_sad вне форума   Ответить с цитированием
Старый 23.05.2007, 19:45   #12
Wanted
Hello world!
 
Аватар для Wanted
 
Регистрация: 28.01.2007
Город: Moscow
Регион: 77, 97, 99, 177
Машина: BMW-320td-2001 BMW-E92-325XI
Сообщений: 1,209
Wanted will become famous soon enoughWanted will become famous soon enough
По умолчанию

Цитата:
Сообщение от den_sad Посмотреть сообщение
В самый первый раз :-) Это просто для того, чтобы при подаче напряжения не сгорел транзистор. Просто перед включением замер сопротивление резистора (уже на собранной схеме), чтобы оно было равно номиналу резистора и ни в коем случае не 0.

Делать задержку на 4 сек тебе не имеет смысла -ведь комп включается/выключается от кратковременного импульса. Насчет конденсатора - думаю стоит начать с 500 микрофарад... вообще то эту схемку можно немного модернизировать, тогда емкость и уменьшить можно - но считаю что это не имеет смысла.

Если будешь в районе кантемировской - можем пересечься, все в подробностях расскажу, присоветую, просто может там быть несколько подводных камней - все зависит от того какие детали выберешь
P.S где пиво то? :-)
На кантиме невопрос, раньше частенько у вас бывал.
ПРосто фишка вот в чем насчет 4х секунд, начну попорядку:
Грубо говоря - кнопка+крутилка - как на магнитолах - крутишь - громкость - нажимаешь мьют. Мне надо вот что (чтобы не было вопросов про задержку):
1. Когда нажимаешь кнопку и комп не работает - он тупо замыкает PW_ON комп включился
2.1 Когда нажимаешь кнопку и комп работает и отпускаешь ее - замыкается Мьют
2.2 Когда нажимаешь кнопку и комп работает и ты ее держишь юолее 4 секунд - мьют не срабатывает, а PW_ON замыкается и не размыкается до тех пор пока ты не отпустил кнопку.

1 и 2 части этой идеи разделяются тупо двухпарным реле (РЭС8 например)
Одну часть вешаем на нормально замкнутую пару, втору есс-но вешаем на нормально разомкнутую.
Остался вопрос - сделать 2.1 и 2.2!
Поэтому немного den_sad Твоя схема не подходит или требуется ее доработка, но все равно большое спасибо и если угодно пива - не проблема на тусе организую
__________________
Мой mediaBMW

Прогресс постройки: [##########] 100%
Прогресс установки: [##########] 100%
Прогресс настройки: [#########-] 90% Почти до идеала

Видеонаблюдение в машине? ДА!
Wanted вне форума   Ответить с цитированием
Старый 23.05.2007, 23:15   #13
aptm
Гуру
 
Аватар для aptm
 
Регистрация: 04.11.2005
Город: Москва
Регион: 77, 97, 99, 177
Машина: VW Passat Variant
Сообщений: 1,425
aptm is a splendid one to beholdaptm is a splendid one to beholdaptm is a splendid one to beholdaptm is a splendid one to beholdaptm is a splendid one to beholdaptm is a splendid one to beholdaptm is a splendid one to behold
По умолчанию

Чтобы так работало, придеться отслеживать и короткое нажатие, а мьют будет срабатывать с задержкой. IMHO, без пика такое сделать тяжело будет.
aptm вне форума   Ответить с цитированием
Старый 24.05.2007, 00:20   #14
mcf1
Guest
 
Сообщений: n/a
По умолчанию

Цитата:
Сообщение от aptm Посмотреть сообщение
Чтобы так работало, придеться отслеживать и короткое нажатие, а мьют будет срабатывать с задержкой. IMHO, без пика такое сделать тяжело будет.
+1
изучай контроллеры AVR, и будет тебе счастье, ты же программер с образованием, а думаешь о каких то реле
  Ответить с цитированием
Старый 24.05.2007, 14:16   #15
Wanted
Hello world!
 
Аватар для Wanted
 
Регистрация: 28.01.2007
Город: Moscow
Регион: 77, 97, 99, 177
Машина: BMW-320td-2001 BMW-E92-325XI
Сообщений: 1,209
Wanted will become famous soon enoughWanted will become famous soon enough
По умолчанию

Цитата:
Сообщение от mcf1 Посмотреть сообщение
+1
изучай контроллеры AVR, и будет тебе счастье, ты же программер с образованием, а думаешь о каких то реле
Спасибо Друзья. Я просто иногда бываю очень ленивым программером
__________________
Мой mediaBMW

Прогресс постройки: [##########] 100%
Прогресс установки: [##########] 100%
Прогресс настройки: [#########-] 90% Почти до идеала

Видеонаблюдение в машине? ДА!
Wanted вне форума   Ответить с цитированием
Старый 25.05.2007, 03:41   #16
Exial
Старший Пользователь
 
Аватар для Exial
 
Регистрация: 02.11.2006
Возраст: 41
Город: Москва
Машина: Nissan Titan
Сообщений: 149
Exial is on a distinguished road
По умолчанию

Вот потянуло меня в ребусы.
Итак, предлагаю концепт логики работы девайса.
Паш, ты как программист надеюсь разгадаешь. ) Вся схема реализуется на элементах стандартной логики, плюс два "черных ящика" (ну во всяком случае таковых для меня) - буфер на 1 секунду и задержка на 4 секунды.
Ящики должны работать так:
Буфер - при подаче на вход логической единицы сразу выдать логическую единицу на выход, и продолжать давать логическую единицу на выходе еще некоторое время (всяко меньше секунды) после подачи нуля на вход.
Задержка - при подаче единицы на вход выход остается нулевым до истечения 4 секунд. После 4 секунд на выход подается единица, и остается там до возврата входа на уровень нуля.

Думаю, логика "ящиков" элементарная, подобное тут рисовали не раз, прошу повторить на бис. ))

P.S. Заметил трабл - даже при сработавшем PW_OFF после отпускания кнопки все равно отработает нажатие MUTE. В принципе выключенному компьютеру это уже должно быть безразлично - но если вдруг это критично, можно и исправить.

Собсно концепт:
Миниатюры
Нажмите на изображение для увеличения
Название: wanted-mute.gif
Просмотров: 1679
Размер:	8.5 Кб
ID:	2840  
Exial вне форума   Ответить с цитированием
Старый 25.05.2007, 13:16   #17
Wanted
Hello world!
 
Аватар для Wanted
 
Регистрация: 28.01.2007
Город: Moscow
Регион: 77, 97, 99, 177
Машина: BMW-320td-2001 BMW-E92-325XI
Сообщений: 1,209
Wanted will become famous soon enoughWanted will become famous soon enough
По умолчанию

Цитата:
Сообщение от Exial Посмотреть сообщение
Вот потянуло меня в ребусы.
Итак, предлагаю концепт логики работы девайса.
Паш, ты как программист надеюсь разгадаешь. ) Вся схема реализуется на элементах стандартной логики, плюс два "черных ящика" (ну во всяком случае таковых для меня) - буфер на 1 секунду и задержка на 4 секунды.
Ящики должны работать так:
Буфер - при подаче на вход логической единицы сразу выдать логическую единицу на выход, и продолжать давать логическую единицу на выходе еще некоторое время (всяко меньше секунды) после подачи нуля на вход.
Задержка - при подаче единицы на вход выход остается нулевым до истечения 4 секунд. После 4 секунд на выход подается единица, и остается там до возврата входа на уровень нуля.

Думаю, логика "ящиков" элементарная, подобное тут рисовали не раз, прошу повторить на бис. ))

P.S. Заметил трабл - даже при сработавшем PW_OFF после отпускания кнопки все равно отработает нажатие MUTE. В принципе выключенному компьютеру это уже должно быть безразлично - но если вдруг это критично, можно и исправить.

Собсно концепт:
Спасибо Шурик. А в чем рисовал и тестил?
__________________
Мой mediaBMW

Прогресс постройки: [##########] 100%
Прогресс установки: [##########] 100%
Прогресс настройки: [#########-] 90% Почти до идеала

Видеонаблюдение в машине? ДА!
Wanted вне форума   Ответить с цитированием
Старый 25.05.2007, 18:00   #18
Exial
Старший Пользователь
 
Аватар для Exial
 
Регистрация: 02.11.2006
Возраст: 41
Город: Москва
Машина: Nissan Titan
Сообщений: 149
Exial is on a distinguished road
По умолчанию

Рисовал в MS Visio, тестил на M&M'сах )) Так что давай паяй быстрее, проверим как оно на самом деле работает. )
Exial вне форума   Ответить с цитированием
Старый 31.05.2007, 01:13   #19
Wanted
Hello world!
 
Аватар для Wanted
 
Регистрация: 28.01.2007
Город: Moscow
Регион: 77, 97, 99, 177
Машина: BMW-320td-2001 BMW-E92-325XI
Сообщений: 1,209
Wanted will become famous soon enoughWanted will become famous soon enough
По умолчанию

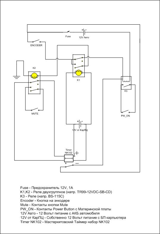
Шурик, вот что наваял, уже даже спаял почти....
1. В схеме конечно Релешек дохрена, т.е. сцуко щелкать будет, но правда только в момент нажатия.
2. NK102 Таймер оказался пипец кал - я думал он работает так: нажимаешь кнопку - таймер отрабатывает и замыкает реле если не разорвать питание
Оказалось работает так: Нажимаешь кнопку - включается реле - работает и по истечению заданного времени выключается.
Так что схему адаптировал именно под его работу.
Стоит вся эта лабуда где-то 400р. (NK102 - 312р.)

Алгоритм работы:
1. Комп выключен
1.1 При нажатии на Encoder - замыкается PW_ON с помощью реле K3
2. Комп включен
2.1 При нажатии на Encoder - замыкается Mute
2.2 Если держать дольше чем установлено времени на NK102 - замкнется PW_ON
2.2.1 Если комп живой - начнет засыпать/выключаться
2.2.2 Если комп завис - выключится

Итого - одна кнопка на панеле - функций много
Кстати при удержании кнопки Encoder - можно заменить действие на нажатие кнопки Reset!
Миниатюры
Нажмите на изображение для увеличения
Название: Суперкнопка_карпц.jpg
Просмотров: 1614
Размер:	43.8 Кб
ID:	2914  
__________________
Мой mediaBMW

Прогресс постройки: [##########] 100%
Прогресс установки: [##########] 100%
Прогресс настройки: [#########-] 90% Почти до идеала

Видеонаблюдение в машине? ДА!
Wanted вне форума   Ответить с цитированием
Старый 31.05.2007, 02:42   #20
Exial
Старший Пользователь
 
Аватар для Exial
 
Регистрация: 02.11.2006
Возраст: 41
Город: Москва
Машина: Nissan Titan
Сообщений: 149
Exial is on a distinguished road
По умолчанию

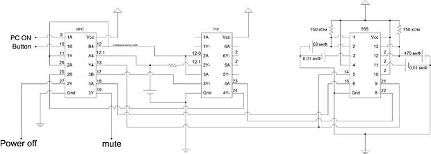
Мои поздравления
Ну, ежели вдруг не защелкают, вот тебе альтернативный вариант (немного поменял схему, так вроде правильнее). В этом варианте нужно еще подрисовать обработку включения, потому как схема при выключенном компутере не сработает.
Ну и второй картинкой реализация схемы на 3-х микрухах (сугубо мое видиние ). Опять же, пока сырая - нужно добавить на выходе элементы, замыкающие контакты кнопок.

P.S. Вот картинка в нормальном размере, а то форум ее порезал.
Миниатюры
Нажмите на изображение для увеличения
Название: wanted-mute.jpg
Просмотров: 1433
Размер:	12.9 Кб
ID:	2915   Нажмите на изображение для увеличения
Название: wanted-mute2.jpg
Просмотров: 1379
Размер:	14.6 Кб
ID:	2916  
Exial вне форума   Ответить с цитированием
Ответ


Здесь присутствуют: 1 (пользователей: 0 , гостей: 1)
 

Ваши права в разделе
Вы не можете создавать новые темы
Вы не можете отвечать в темах
Вы не можете прикреплять вложения
Вы не можете редактировать свои сообщения

BB коды Вкл.
Смайлы Вкл.
[IMG] код Вкл.
HTML код Выкл.



Часовой пояс GMT +4, время: 09:05.


Работает на vBulletin® версия 3.8.4.
Copyright ©2000 - 2026, Jelsoft Enterprises Ltd.
Перевод: zCarot