PCCar.ru - Ваш автомобильный компьютер

Вернуться   PCCar.ru - Ваш автомобильный компьютер > MP3Car ТехИнфа > Мониторы > Матрицы для CarPC > Матрицы 8 дюймов

Ответ
 
Опции темы Поиск в этой теме
Старый 17.02.2016, 18:51   #11
kotya
Пользователь
 
Регистрация: 24.12.2008
Возраст: 47
Город: Прокопьевск
Регион: 42
Машина: 2003/honda/inspire
Сообщений: 39
kotya is on a distinguished road
По умолчанию

Спасибо!,буду ждать.
kotya вне форума   Ответить с цитированием
Старый 18.02.2016, 13:48   #12
Vlad1993
Пользователь
 
Регистрация: 15.02.2016
Возраст: 32
Город: Москва
Регион: 77, 97, 99, 177
Машина: Соболь Баргузин 2003
Сообщений: 57
Vlad1993 is on a distinguished road
По умолчанию

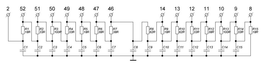
Распиновку проверил. Всё совпадает. По поводу цепей коррекции получилось следующее: Нажмите на изображение для увеличения
Название: schem1.jpg
Просмотров: 784
Размер:	33.7 Кб
ID:	42666
Те резисторы, которые 38 ом - по маркировке 57X. Странно, такую маркировку не встречал. Кондёры для измерения надо выпаивать. Если надо - тогда ближе к вечеру. Номера выводов - по номерам самой матрицы.
Vlad1993 вне форума   Ответить с цитированием
Старый 18.02.2016, 14:40   #13
Leobor
Старший Пользователь
 
Регистрация: 13.05.2014
Возраст: 60
Город: Воронеж
Регион: 36
Машина: Hyundai S-Fe I
Сообщений: 799
Leobor has a brilliant futureLeobor has a brilliant futureLeobor has a brilliant futureLeobor has a brilliant futureLeobor has a brilliant futureLeobor has a brilliant futureLeobor has a brilliant futureLeobor has a brilliant futureLeobor has a brilliant futureLeobor has a brilliant futureLeobor has a brilliant future
По умолчанию

Не надо выпаивать кондеры. А то можно попортить плату. Сделайте реальную фотку двух массивов элементов на плате. По виду попробуем оценить, что там за емкости.
__________________
Ёпть! А то ж...
Leobor вне форума   Ответить с цитированием
Старый 18.02.2016, 14:55   #14
Vlad1993
Пользователь
 
Регистрация: 15.02.2016
Возраст: 32
Город: Москва
Регион: 77, 97, 99, 177
Машина: Соболь Баргузин 2003
Сообщений: 57
Vlad1993 is on a distinguished road
По умолчанию

0805 обычные. Но, немного разные и по оттенку и по виду (металл контактов чуть шире или уже на разных кондёрах). Или это такой разброс в пределах партии, а номинал один или, что более вероятно, они разные.
А что, китайские платы совсем никакие? Даже 1 перепайки не перенесут? Феном аккуратненько.

Прикладываю фото
Миниатюры
Нажмите на изображение для увеличения
Название: part1.jpg
Просмотров: 630
Размер:	102.4 Кб
ID:	42668   Нажмите на изображение для увеличения
Название: part2.jpg
Просмотров: 933
Размер:	105.2 Кб
ID:	42669  
Vlad1993 вне форума   Ответить с цитированием
Старый 18.02.2016, 16:43   #15
basurman
Super Moderator
 
Аватар для basurman
 
Регистрация: 19.07.2011
Возраст: 54
Город: Нижегородские болота
Регион: 52
Машина: пешкарус
Сообщений: 2,033
basurman has a reputation beyond reputebasurman has a reputation beyond reputebasurman has a reputation beyond reputebasurman has a reputation beyond reputebasurman has a reputation beyond reputebasurman has a reputation beyond reputebasurman has a reputation beyond reputebasurman has a reputation beyond reputebasurman has a reputation beyond repute
По умолчанию

Если аккуратно, то и не одну перепайку переживут, хотя какчество у них обычно никакое.
__________________
ВСЕ ДЛЯ АРДУИНО

Моя почта - mogirov971sobakamail.ru
basurman вне форума   Ответить с цитированием
Старый 18.02.2016, 17:02   #16
Leobor
Старший Пользователь
 
Регистрация: 13.05.2014
Возраст: 60
Город: Воронеж
Регион: 36
Машина: Hyundai S-Fe I
Сообщений: 799
Leobor has a brilliant futureLeobor has a brilliant futureLeobor has a brilliant futureLeobor has a brilliant futureLeobor has a brilliant futureLeobor has a brilliant futureLeobor has a brilliant futureLeobor has a brilliant futureLeobor has a brilliant futureLeobor has a brilliant futureLeobor has a brilliant future
По умолчанию

Я надеялся что они одинаковые, а они сцк все разные...
Я думаю, некуя курочить. Если прижимает - нужно с продавцом связываться и все. Авось не каждый день такие матрицы подключаем - процесс разовый. У меня лежит одна ттл 7" 800*480 с гамма-коррекцией, но она такое гуано, что даже пытаться не буду.
__________________
Ёпть! А то ж...
Leobor вне форума   Ответить с цитированием
Старый 18.02.2016, 17:21   #17
Vlad1993
Пользователь
 
Регистрация: 15.02.2016
Возраст: 32
Город: Москва
Регион: 77, 97, 99, 177
Машина: Соболь Баргузин 2003
Сообщений: 57
Vlad1993 is on a distinguished road
По умолчанию

Написал в службу поддержки магазина(не продавцу, у которого брал), который торгует этими наборами (оказывается, их рекламная бумажка была в коробке). Фиг знает, ответят или нет. Пока номер заказа запросили и молчат.
Vlad1993 вне форума   Ответить с цитированием
Старый 18.02.2016, 17:32   #18
Leobor
Старший Пользователь
 
Регистрация: 13.05.2014
Возраст: 60
Город: Воронеж
Регион: 36
Машина: Hyundai S-Fe I
Сообщений: 799
Leobor has a brilliant futureLeobor has a brilliant futureLeobor has a brilliant futureLeobor has a brilliant futureLeobor has a brilliant futureLeobor has a brilliant futureLeobor has a brilliant futureLeobor has a brilliant futureLeobor has a brilliant futureLeobor has a brilliant futureLeobor has a brilliant future
По умолчанию

Я облазил Таобао, но пока там таких нет. Есть только для TTL матриц
__________________
Ёпть! А то ж...
Leobor вне форума   Ответить с цитированием
Старый 18.02.2016, 18:03   #19
Vlad1993
Пользователь
 
Регистрация: 15.02.2016
Возраст: 32
Город: Москва
Регион: 77, 97, 99, 177
Машина: Соболь Баргузин 2003
Сообщений: 57
Vlad1993 is on a distinguished road
По умолчанию

Кое-что нашёл по цепям коррекции. Пока особо не вникал, но с первого взгляда похоже на то, что на плате. http://img.docstoccdn.com/thumb/orig/108378005.png
Патент Самсунга.
Vlad1993 вне форума   Ответить с цитированием
Старый 18.02.2016, 18:23   #20
Vlad1993
Пользователь
 
Регистрация: 15.02.2016
Возраст: 32
Город: Москва
Регион: 77, 97, 99, 177
Машина: Соболь Баргузин 2003
Сообщений: 57
Vlad1993 is on a distinguished road
По умолчанию

Да, схема, снятая с переходника вполне преобразуется в ту, что в патенте. За исключением нескольких моментов - резисторы по "краям". Но они, похоже, для термостабилизации служат(утверждать не берусь).
П.с. Почитал - точно термостабилизация, вернее, -компенсация.
Про конденсаторы не нашёл. Но, есть подозрение, что они будут одинаковыми несмотря на внешние различия. Схема эта - резисторная матрица (по сути многоступенчатый делитель напряжения). Конденсаторы, как мне кажется, здесь нужны, дабы никакая высокочастотная срань не лезла. Какие-нибудь 100 нФ, нбойсь окажутся =)
Vlad1993 вне форума   Ответить с цитированием
Ответ


Здесь присутствуют: 1 (пользователей: 0 , гостей: 1)
 

Ваши права в разделе
Вы не можете создавать новые темы
Вы не можете отвечать в темах
Вы не можете прикреплять вложения
Вы не можете редактировать свои сообщения

BB коды Вкл.
Смайлы Вкл.
[IMG] код Вкл.
HTML код Выкл.



Часовой пояс GMT +4, время: 07:50.


Работает на vBulletin® версия 3.8.4.
Copyright ©2000 - 2025, Jelsoft Enterprises Ltd.
Перевод: zCarot