PCCar.ru - Ваш автомобильный компьютер

Вернуться   PCCar.ru - Ваш автомобильный компьютер > MP3Car ТехИнфа > Для новичков

Ответ
 
Опции темы Поиск в этой теме
Старый 23.03.2007, 03:16   #11
Albert.comp
Старший Пользователь
 
Аватар для Albert.comp
 
Регистрация: 27.12.2006
Возраст: 54
Город: Нижний Новгород
Регион: 52
Машина: Wolksvagen Jetta, Toyota Matrix
Сообщений: 495
Albert.comp has a spectacular aura aboutAlbert.comp has a spectacular aura about
По умолчанию

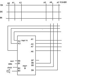
Кому будет интересно поковыряться вот схемка и прошивка (pic16f628)
Какие кнопки будут нажиматься - можно прочитать в исходнике. Пару портов можно задействовать под энкодер.
Миниатюры
Нажмите на изображение для увеличения
Название: КЛАВА.jpg
Просмотров: 1247
Размер:	8.1 Кб
ID:	2080  
Вложения
Тип файла: rar Прошивка панели управления.rar (14.6 Кб, 864 просмотров)
__________________
ATOM525 GA-D525TUD, 160Gx2.5, моник 800х600 тач, GPS18USB, Питание I1-ATX собственная разработка + разобранная клава + контроллер управления + 2 усилка
Проект Matrix
Albert.comp вне форума   Ответить с цитированием
Старый 25.03.2007, 14:49   #12
Albert.comp
Старший Пользователь
 
Аватар для Albert.comp
 
Регистрация: 27.12.2006
Возраст: 54
Город: Нижний Новгород
Регион: 52
Машина: Wolksvagen Jetta, Toyota Matrix
Сообщений: 495
Albert.comp has a spectacular aura aboutAlbert.comp has a spectacular aura about
По умолчанию

Купил клаву такую вот : DEFENDER Luna KM-2080 за 400р. с двумя крутилками и софтиной (правда софт не очень гибкий - но за 400р потянет) При регулировке на экране идет графика.

Попробую разобрать её, взять нужные кнопки и объединив это с autohotkey и контроллером microchip - создать что нибудь , и впихнуть в панельку от мафона (или прям в торпеду или лучше в "бороду"!!! чтоб не бояться оставить в машине)
Разобраная клава:
__________________
ATOM525 GA-D525TUD, 160Gx2.5, моник 800х600 тач, GPS18USB, Питание I1-ATX собственная разработка + разобранная клава + контроллер управления + 2 усилка
Проект Matrix
Albert.comp вне форума   Ответить с цитированием
Старый 25.03.2007, 15:58   #13
pafftis
Гуру
 
Аватар для pafftis
 
Регистрация: 29.10.2006
Возраст: 39
Город: Череповец
Регион: 35
Машина: 1987\Ауди\80
Сообщений: 1,008
pafftis will become famous soon enough
По умолчанию

чегото не отображается у меня нефига твои картинки! Плиз разбери клапву покажи что там во внутриностях!!!
pafftis вне форума   Ответить с цитированием
Старый 25.03.2007, 19:47   #14
Albert.comp
Старший Пользователь
 
Аватар для Albert.comp
 
Регистрация: 27.12.2006
Возраст: 54
Город: Нижний Новгород
Регион: 52
Машина: Wolksvagen Jetta, Toyota Matrix
Сообщений: 495
Albert.comp has a spectacular aura aboutAlbert.comp has a spectacular aura about
По умолчанию

Цитата:
Сообщение от pafftis Посмотреть сообщение
чегото не отображается у меня нефига твои картинки! Плиз разбери клапву покажи что там во внутриностях!!!
Мож я чё не так сделал (не совсем научился ещё)

вот повтор:
Миниатюры
Нажмите на изображение для увеличения
Название: CIMG3172_resize.JPG
Просмотров: 1454
Размер:	95.0 Кб
ID:	2145   Нажмите на изображение для увеличения
Название: клава2_resize.JPG
Просмотров: 1422
Размер:	91.1 Кб
ID:	2146   Нажмите на изображение для увеличения
Название: resize3.JPG
Просмотров: 1390
Размер:	75.6 Кб
ID:	2147  
__________________
ATOM525 GA-D525TUD, 160Gx2.5, моник 800х600 тач, GPS18USB, Питание I1-ATX собственная разработка + разобранная клава + контроллер управления + 2 усилка
Проект Matrix
Albert.comp вне форума   Ответить с цитированием
Старый 26.03.2007, 02:02   #15
pafftis
Гуру
 
Аватар для pafftis
 
Регистрация: 29.10.2006
Возраст: 39
Город: Череповец
Регион: 35
Машина: 1987\Ауди\80
Сообщений: 1,008
pafftis will become famous soon enough
По умолчанию

погоди я чёто недопонял, ты перепоял что ли их на микросхему?? а зачем??
я так понял в мультимедийных кнопках там не плёнка идёт а микросхемой так ведь???
pafftis вне форума   Ответить с цитированием
Старый 26.03.2007, 09:58   #16
Albert.comp
Старший Пользователь
 
Аватар для Albert.comp
 
Регистрация: 27.12.2006
Возраст: 54
Город: Нижний Новгород
Регион: 52
Машина: Wolksvagen Jetta, Toyota Matrix
Сообщений: 495
Albert.comp has a spectacular aura aboutAlbert.comp has a spectacular aura about
По умолчанию

Цитата:
Сообщение от pafftis Посмотреть сообщение
погоди я чёто недопонял, ты перепоял что ли их на микросхему?? а зачем??
я так понял в мультимедийных кнопках там не плёнка идёт а микросхемой так ведь???
Да нет там все штатно - просто разобрал до винтика и взял верхнюю часть кнопок. Сбоку болтается доп. скролл(многофункциональный), а пленка осталась с основными кнопками - они независимы. А microchip будет нужен только для контроля питания(ну может еще для чего - выясним в процессе).
__________________
ATOM525 GA-D525TUD, 160Gx2.5, моник 800х600 тач, GPS18USB, Питание I1-ATX собственная разработка + разобранная клава + контроллер управления + 2 усилка
Проект Matrix
Albert.comp вне форума   Ответить с цитированием
Ответ


Здесь присутствуют: 1 (пользователей: 0 , гостей: 1)
 

Ваши права в разделе
Вы не можете создавать новые темы
Вы не можете отвечать в темах
Вы не можете прикреплять вложения
Вы не можете редактировать свои сообщения

BB коды Вкл.
Смайлы Вкл.
[IMG] код Вкл.
HTML код Выкл.



Часовой пояс GMT +4, время: 00:46.


Работает на vBulletin® версия 3.8.4.
Copyright ©2000 - 2026, Jelsoft Enterprises Ltd.
Перевод: zCarot