PCCar.ru - Ваш автомобильный компьютер

Вернуться   PCCar.ru - Ваш автомобильный компьютер > MP3Car ТехИнфа > Вопросы и ответы

Ответ
 
Опции темы Поиск в этой теме
Старый 28.09.2010, 23:29   #11
Alex-L
Moderator
 
Аватар для Alex-L
 
Регистрация: 23.03.2008
Возраст: 55
Город: Москва, Нагорная
Регион: 77, 97, 99, 177
Машина: Mitsubishi Lancer-X
Сообщений: 2,096
Alex-L is a splendid one to beholdAlex-L is a splendid one to beholdAlex-L is a splendid one to beholdAlex-L is a splendid one to beholdAlex-L is a splendid one to beholdAlex-L is a splendid one to beholdAlex-L is a splendid one to behold
По умолчанию

Размер корпуса матрицы: 193 х 117 х 7

Внешний размер каркаса: 211 х 132

Размер показанный в картинко: 220

Шлейф тычскрина и провода подсветки - внутри каркаса получаются (по 3мм с каждой стороны); шлейфы матрицы - внутри.

С чего бы ей туда не влезть ? Еще и по 4.5мм с каждой стороны "на подвигать" остается! Я ж прикладывал.

p/s/ завтра сфоткаю с обратной стороны матрицу в рамке...
Миниатюры
Нажмите на изображение для увеличения
Название: 120399049.jpg
Просмотров: 770
Размер:	105.9 Кб
ID:	18455  
Alex-L вне форума   Ответить с цитированием
Старый 28.09.2010, 23:34   #12
St@rz
Модератор
 
Аватар для St@rz
 
Регистрация: 27.05.2008
Возраст: 51
Город: Пермь
Регион: 59
Машина: INDESIT/2007
Сообщений: 1,330
St@rz is a splendid one to beholdSt@rz is a splendid one to beholdSt@rz is a splendid one to beholdSt@rz is a splendid one to beholdSt@rz is a splendid one to beholdSt@rz is a splendid one to beholdSt@rz is a splendid one to behold
По умолчанию

Матрица с одной стороны больше, а с другой меньше. Один край упираться должен.

Еще фото.

Только матрицу крепить не внутри а снаружи и к боковинкам прикрепить штатные крепления от 2 дин магнитолы которые регулируются по положению.

St@rz вне форума   Ответить с цитированием
Старый 28.09.2010, 23:39   #13
Alex-L
Moderator
 
Аватар для Alex-L
 
Регистрация: 23.03.2008
Возраст: 55
Город: Москва, Нагорная
Регион: 77, 97, 99, 177
Машина: Mitsubishi Lancer-X
Сообщений: 2,096
Alex-L is a splendid one to beholdAlex-L is a splendid one to beholdAlex-L is a splendid one to beholdAlex-L is a splendid one to beholdAlex-L is a splendid one to beholdAlex-L is a splendid one to beholdAlex-L is a splendid one to behold
По умолчанию

Скоро каркас из текстолита сделается... Покажу тогда все в сборе... Как хочу - проще все намного получается!
Alex-L вне форума   Ответить с цитированием
Старый 28.09.2010, 23:49   #14
St@rz
Модератор
 
Аватар для St@rz
 
Регистрация: 27.05.2008
Возраст: 51
Город: Пермь
Регион: 59
Машина: INDESIT/2007
Сообщений: 1,330
St@rz is a splendid one to beholdSt@rz is a splendid one to beholdSt@rz is a splendid one to beholdSt@rz is a splendid one to beholdSt@rz is a splendid one to beholdSt@rz is a splendid one to beholdSt@rz is a splendid one to behold
По умолчанию

Ок. Интересно. Ждем.
St@rz вне форума   Ответить с цитированием
Старый 29.09.2010, 11:31   #15
Alex-L
Moderator
 
Аватар для Alex-L
 
Регистрация: 23.03.2008
Возраст: 55
Город: Москва, Нагорная
Регион: 77, 97, 99, 177
Машина: Mitsubishi Lancer-X
Сообщений: 2,096
Alex-L is a splendid one to beholdAlex-L is a splendid one to beholdAlex-L is a splendid one to beholdAlex-L is a splendid one to beholdAlex-L is a splendid one to beholdAlex-L is a splendid one to beholdAlex-L is a splendid one to behold
По умолчанию

Вот, как обещал, фотки:



Места - вагон!
На последней фотке матрица чуть сдвинулась вверх, вообще встает практически идеально.
Alex-L вне форума   Ответить с цитированием
Старый 29.09.2010, 13:56   #16
Alex-L
Moderator
 
Аватар для Alex-L
 
Регистрация: 23.03.2008
Возраст: 55
Город: Москва, Нагорная
Регион: 77, 97, 99, 177
Машина: Mitsubishi Lancer-X
Сообщений: 2,096
Alex-L is a splendid one to beholdAlex-L is a splendid one to beholdAlex-L is a splendid one to beholdAlex-L is a splendid one to beholdAlex-L is a splendid one to beholdAlex-L is a splendid one to beholdAlex-L is a splendid one to behold
По умолчанию

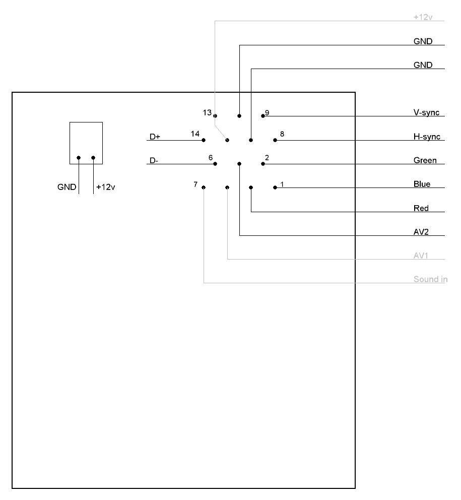
Вот распиновка (на плате что куда паять) Lilliput 889GL-NP-C-T со светодиодной подсветкой. Может кому сгодится...
На фотке минус питания - красный провод Это не я - это кетайцы пошалили! А хорошо что проверил однако...
Миниатюры
Нажмите на изображение для увеличения
Название: 889-1.jpg
Просмотров: 871
Размер:	118.1 Кб
ID:	18457   Нажмите на изображение для увеличения
Название: 889.JPG
Просмотров: 945
Размер:	46.9 Кб
ID:	18458  
Alex-L вне форума   Ответить с цитированием
Старый 29.09.2010, 14:41   #17
Alex-L
Moderator
 
Аватар для Alex-L
 
Регистрация: 23.03.2008
Возраст: 55
Город: Москва, Нагорная
Регион: 77, 97, 99, 177
Машина: Mitsubishi Lancer-X
Сообщений: 2,096
Alex-L is a splendid one to beholdAlex-L is a splendid one to beholdAlex-L is a splendid one to beholdAlex-L is a splendid one to beholdAlex-L is a splendid one to beholdAlex-L is a splendid one to beholdAlex-L is a splendid one to behold
По умолчанию

Не давали мне покоя эти все размеры - уже башка от них болит! Собрал тестовый стенд. Размеры реально видимого изображения оказались 176 х 102

Подитожим:

- корпус матрицы: 193 х 117 х 7
- стекло тачскрина: 193 х 117 х 1.5
- видимая область: 180 х 103
- реально видимое изображение: 176 х 102 (разрешение 800х600)
- 2DIN дыра в рамке: 178 х 102

- размер каркаса под матрицу: 211 х 132
- максимальное расстояние между воздуховодами: 220

Вывод: все отлично умещается и согласуется

Фотки получились темными, но в целом понятно. Перефоткать не могу т.к. стенд разобрал - собирать снова не хочу - боюсь шлейфы поломать, итак уже изнасиловал этот монитор
Миниатюры
Нажмите на изображение для увеличения
Название: 3.1-Monitor-0023.jpg
Просмотров: 786
Размер:	58.7 Кб
ID:	18459   Нажмите на изображение для увеличения
Название: 3.1-Monitor-0024.jpg
Просмотров: 543
Размер:	66.8 Кб
ID:	18460  
Alex-L вне форума   Ответить с цитированием
Старый 29.09.2010, 16:31   #18
Alex-L
Moderator
 
Аватар для Alex-L
 
Регистрация: 23.03.2008
Возраст: 55
Город: Москва, Нагорная
Регион: 77, 97, 99, 177
Машина: Mitsubishi Lancer-X
Сообщений: 2,096
Alex-L is a splendid one to beholdAlex-L is a splendid one to beholdAlex-L is a splendid one to beholdAlex-L is a splendid one to beholdAlex-L is a splendid one to beholdAlex-L is a splendid one to beholdAlex-L is a splendid one to behold
По умолчанию

Дырки, обведенные красным, имеют диаметр 2.5мм.
А чё будет если их рассверлить до 3мм ?
Плата то многослойная... боюсь...
Миниатюры
Нажмите на изображение для увеличения
Название: 889-2.jpg
Просмотров: 748
Размер:	119.0 Кб
ID:	18461  
Alex-L вне форума   Ответить с цитированием
Старый 29.09.2010, 16:37   #19
mcf1
Guest
 
Сообщений: n/a
По умолчанию

до 3мм можно рассверлить не задумываясь, там рядом точно ни чего нет.
  Ответить с цитированием
Старый 29.09.2010, 16:41   #20
Alex-L
Moderator
 
Аватар для Alex-L
 
Регистрация: 23.03.2008
Возраст: 55
Город: Москва, Нагорная
Регион: 77, 97, 99, 177
Машина: Mitsubishi Lancer-X
Сообщений: 2,096
Alex-L is a splendid one to beholdAlex-L is a splendid one to beholdAlex-L is a splendid one to beholdAlex-L is a splendid one to beholdAlex-L is a splendid one to beholdAlex-L is a splendid one to beholdAlex-L is a splendid one to behold
По умолчанию

А внутренние слои я не поуродую? Там же обычно слои питания проходят... в данном случае земляные... Ну внешние два слоя у меня через болт замкнуться а внутри не получится обрыва?
Alex-L вне форума   Ответить с цитированием
Ответ


Здесь присутствуют: 1 (пользователей: 0 , гостей: 1)
 

Ваши права в разделе
Вы не можете создавать новые темы
Вы не можете отвечать в темах
Вы не можете прикреплять вложения
Вы не можете редактировать свои сообщения

BB коды Вкл.
Смайлы Вкл.
[IMG] код Вкл.
HTML код Выкл.



Часовой пояс GMT +4, время: 19:40.


Работает на vBulletin® версия 3.8.4.
Copyright ©2000 - 2026, Jelsoft Enterprises Ltd.
Перевод: zCarot