PCCar.ru - Ваш автомобильный компьютер

Вернуться   PCCar.ru - Ваш автомобильный компьютер > MP3Car ТехИнфа > Разработка устройств

Ответ
 
Опции темы Поиск в этой теме
Старый 24.04.2010, 19:10   #11
Saer
Пользователь
 
Аватар для Saer
 
Регистрация: 17.02.2007
Возраст: 37
Город: Луганск
Регион: Украина
Машина: 2107
Сообщений: 65
Saer will become famous soon enoughSaer will become famous soon enough
По умолчанию

не только с WOL. там есть на ps-on программирование
Saer вне форума   Ответить с цитированием
Старый 06.05.2010, 17:08   #12
CyberSubaru
Гуру
 
Аватар для CyberSubaru
 
Регистрация: 20.01.2010
Возраст: 44
Город: Владивосток
Регион: 25
Машина: Subaru Impreza GF/GG
Сообщений: 1,064
CyberSubaru has a spectacular aura aboutCyberSubaru has a spectacular aura aboutCyberSubaru has a spectacular aura about
По умолчанию

вопрос немножко не по теме:
к максимовскому преобразователю подключил фотодиод. и все это дело повесил на компорт (ком1). гипертерминалка инфу с пульта получает. через ReadFile() тоже можно считать байтики.
но ни винлирк ни слайконтрол компорт не видят!!!!
как заставить работать эти программы?
CyberSubaru вне форума   Ответить с цитированием
Старый 06.05.2010, 18:38   #13
nrubanov
Старший Пользователь
 
Аватар для nrubanov
 
Регистрация: 11.01.2009
Возраст: 40
Город: Москва
Регион: 77, 97, 99, 177
Машина: Немецкий Ведроид, С25XE, АКПП, ГУР, АБС
Сообщений: 174
nrubanov is on a distinguished road
По умолчанию

к максимовскому преобразователю ? Это что ? Давай схему.
__________________
Первый проект "Accent" -http://pccar.ru/showthread.php?t=732...E0%ED%E3%E5%EB Продана
Второй проект - "Skoda Felicia Project" - http://pccar.ru/showthread.php?t=9401 Продана
Последний проект Daewoo Nexia 2 - http://pccar.ru/showthread.php?t=10827 Закрыт - машина разбита.
Скоро, на дорогах страны - ведроид 1.0 Alles in einem
nrubanov вне форума   Ответить с цитированием
Старый 06.05.2010, 23:02   #14
NSMax
Сибиряк
 
Аватар для NSMax
 
Регистрация: 11.04.2007
Возраст: 52
Город: Свободно перемещающийся
Регион: другой - для добавления сообщить ab
Машина: Jaguar X-Type
Сообщений: 785
NSMax has a spectacular aura aboutNSMax has a spectacular aura aboutNSMax has a spectacular aura about
По умолчанию

Видимо имеется в виду MAX23xx
NSMax вне форума   Ответить с цитированием
Старый 07.05.2010, 03:27   #15
CyberSubaru
Гуру
 
Аватар для CyberSubaru
 
Регистрация: 20.01.2010
Возраст: 44
Город: Владивосток
Регион: 25
Машина: Subaru Impreza GF/GG
Сообщений: 1,064
CyberSubaru has a spectacular aura aboutCyberSubaru has a spectacular aura aboutCyberSubaru has a spectacular aura about
По умолчанию

Цитата:
Сообщение от NSMax Посмотреть сообщение
Видимо имеется в виду MAX23xx
да.
maxim max232
CyberSubaru вне форума   Ответить с цитированием
Старый 07.05.2010, 09:29   #16
nrubanov
Старший Пользователь
 
Аватар для nrubanov
 
Регистрация: 11.01.2009
Возраст: 40
Город: Москва
Регион: 77, 97, 99, 177
Машина: Немецкий Ведроид, С25XE, АКПП, ГУР, АБС
Сообщений: 174
nrubanov is on a distinguished road
По умолчанию

Нарисуй все таки схему подключения .
__________________
Первый проект "Accent" -http://pccar.ru/showthread.php?t=732...E0%ED%E3%E5%EB Продана
Второй проект - "Skoda Felicia Project" - http://pccar.ru/showthread.php?t=9401 Продана
Последний проект Daewoo Nexia 2 - http://pccar.ru/showthread.php?t=10827 Закрыт - машина разбита.
Скоро, на дорогах страны - ведроид 1.0 Alles in einem
nrubanov вне форума   Ответить с цитированием
Старый 07.05.2010, 12:01   #17
CyberSubaru
Гуру
 
Аватар для CyberSubaru
 
Регистрация: 20.01.2010
Возраст: 44
Город: Владивосток
Регион: 25
Машина: Subaru Impreza GF/GG
Сообщений: 1,064
CyberSubaru has a spectacular aura aboutCyberSubaru has a spectacular aura aboutCyberSubaru has a spectacular aura about
По умолчанию

Цитата:
Сообщение от nrubanov Посмотреть сообщение
Нарисуй все таки схему подключения .
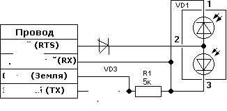
сейчас все гораздо проще.
убрал макс232.
схема такая.
терминалка опять же получает с пульта байтики, винлирк не видит порт -(

придется вручную команды расшифровывать-((
Миниатюры
Нажмите на изображение для увеличения
Название: 22.GIF
Просмотров: 1293
Размер:	2.8 Кб
ID:	16782  
CyberSubaru вне форума   Ответить с цитированием
Старый 07.05.2010, 13:42   #18
nrubanov
Старший Пользователь
 
Аватар для nrubanov
 
Регистрация: 11.01.2009
Возраст: 40
Город: Москва
Регион: 77, 97, 99, 177
Машина: Немецкий Ведроид, С25XE, АКПП, ГУР, АБС
Сообщений: 174
nrubanov is on a distinguished road
По умолчанию

Нафига тебе этот геморой ?
Собери класический DCD - http://slydiman.narod.ru/scr/plugins/dcd.htm
__________________
Первый проект "Accent" -http://pccar.ru/showthread.php?t=732...E0%ED%E3%E5%EB Продана
Второй проект - "Skoda Felicia Project" - http://pccar.ru/showthread.php?t=9401 Продана
Последний проект Daewoo Nexia 2 - http://pccar.ru/showthread.php?t=10827 Закрыт - машина разбита.
Скоро, на дорогах страны - ведроид 1.0 Alles in einem
nrubanov вне форума   Ответить с цитированием
Старый 07.05.2010, 14:00   #19
sdyz
Старший Пользователь
 
Аватар для sdyz
 
Регистрация: 21.05.2009
Возраст: 47
Город: Умань
Регион: Украина
Машина: Subaru Outback 3.0
Сообщений: 214
sdyz is on a distinguished road
По умолчанию

Вот я себе сделал. Позже сделал усовершенствованный модуль DSR. Большой разницы в работе этих устройств не заметил. Так что простой DCD-модуль со стабилитроном, собранный "на коленке" отрабатывает потраченное на него время и деньги на все 100%!!!
sdyz вне форума   Ответить с цитированием
Старый 07.05.2010, 14:51   #20
CyberSubaru
Гуру
 
Аватар для CyberSubaru
 
Регистрация: 20.01.2010
Возраст: 44
Город: Владивосток
Регион: 25
Машина: Subaru Impreza GF/GG
Сообщений: 1,064
CyberSubaru has a spectacular aura aboutCyberSubaru has a spectacular aura aboutCyberSubaru has a spectacular aura about
По умолчанию

Цитата:
Сообщение от nrubanov Посмотреть сообщение
Нафига тебе этот геморой ?
Собери класический DCD - http://slydiman.narod.ru/scr/plugins/dcd.htm
собирал это:

видать пульт на другой частоте работает нежели тот tsop который купил (1730). либо потому что стабилизатор 7805 на выходе выдавал 2 вольта вместо 5 - у меня на компорте 5.5в RTS.
а вижу разницу. я через RX делал. ну и в настройках винлирка RX ставил - бесполезно.


я по сути хочу записать несколько команд с двух пультов, чтобы затем
с компа управлять монитором и камерой.
CyberSubaru вне форума   Ответить с цитированием
Ответ

Метки
irman, pic12f675, redray, uir, ик приемник на pic12f675


Здесь присутствуют: 1 (пользователей: 0 , гостей: 1)
 

Ваши права в разделе
Вы не можете создавать новые темы
Вы не можете отвечать в темах
Вы не можете прикреплять вложения
Вы не можете редактировать свои сообщения

BB коды Вкл.
Смайлы Вкл.
[IMG] код Вкл.
HTML код Выкл.



Часовой пояс GMT +4, время: 17:24.


Работает на vBulletin® версия 3.8.4.
Copyright ©2000 - 2026, Jelsoft Enterprises Ltd.
Перевод: zCarot