PCCar.ru - Ваш автомобильный компьютер

Вернуться   PCCar.ru - Ваш автомобильный компьютер > MP3Car ТехИнфа > Блоки питания > CAR-ATX p4 (SL PSU)

Ответ
 
Опции темы Поиск в этой теме
Старый 31.01.2012, 11:43   #1811
korozub
Старший Пользователь
 
Регистрация: 03.05.2011
Возраст: 37
Город: Краснодар
Регион: 23, 93
Машина: BMW 525 E60
Сообщений: 160
korozub is on a distinguished road
По умолчанию

Если опыта построения подобных девайсов нет, то выкини IRку, запускай блок без нее, КПД просядет не существенно, на такой то мощности.. ты же не сварочный инвертор строишь.. потом разберешься как это работает и доведешь уже до ума
Кстати и правда, замени ключи на IRF3205, по два в плече, вот это будет ощутимо
__________________
Машина продана вместе с компом
korozub вне форума   Ответить с цитированием
Старый 31.01.2012, 17:08   #1812
King
Новый Пользователь
 
Регистрация: 16.09.2011
Регион: Казахстан
Сообщений: 24
King is on a distinguished road
Question

Попробовал померить вот таким способом:
"Красный щуп на центральный (сток), черный на правый (исток). Затем переносим черный и тыкаем раз в левый (затвор). Возвращаем назад черный. Тестер показывает бесконечность. Емкость затвора мы разрядили. Теперь переносим на затвор красный щуп. Насыщаем емкость. Возвращаем щуп на место и видим низкое сопротивление. Канал открылся. Теперь ставим черный на сток, красный на исток и проверяем падение напряжения на обратном диоде. Должно быть пол вольта."
Результаты таковы:
vt3 4.94 4.89
vt4 4.94 4.89
vt5 4.94 4.89
vt6 4.94 4.89
Мерил на 200 Омах! Осциллографа дома нету!

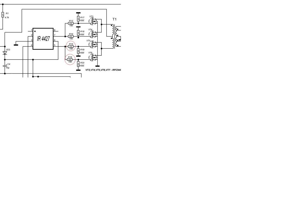
Те резисторы которые горят выделены красным кружком!
IR4427 Заменил на перемычки! фотку к сожалению выложить не могу! Не РАботает USB!!((
Миниатюры
Нажмите на изображение для увеличения
Название: V34!3~1~1.jpg
Просмотров: 1398
Размер:	29.4 Кб
ID:	25279  
King вне форума   Ответить с цитированием
Старый 31.01.2012, 18:22   #1813
Vladget
Moderator
 
Регистрация: 04.04.2009
Возраст: 69
Город: Краснодар
Регион: 23, 93
Машина: HONDA CR-V-08
Сообщений: 3,129
Vladget is a splendid one to beholdVladget is a splendid one to beholdVladget is a splendid one to beholdVladget is a splendid one to beholdVladget is a splendid one to beholdVladget is a splendid one to beholdVladget is a splendid one to behold
По умолчанию

Ну самый то простой способ проверить транзисторы это два сверху поставить вниз а эти наверх и посмотреть что будет, если греться будут те же R, то проблема не в полевиках, а скорее всего в трансе, а если другие то в полевиках.
__________________


Vladget вне форума   Ответить с цитированием
Старый 31.01.2012, 19:42   #1814
King
Новый Пользователь
 
Регистрация: 16.09.2011
Регион: Казахстан
Сообщений: 24
King is on a distinguished road
По умолчанию

а еще что меня поразило то что VT7 вообще реакций не дает хоть как затыкай! показывает 1 и все! что это может значить? или это так и должно быть? а насчёт совета сейчас попробую!
Миниатюры
Нажмите на изображение для увеличения
Название: V34!3~1~1.JPG
Просмотров: 1194
Размер:	17.6 Кб
ID:	25281  
King вне форума   Ответить с цитированием
Старый 31.01.2012, 19:52   #1815
Vaduha
Новый Пользователь
 
Регистрация: 31.01.2012
Возраст: 47
Город: Брянка
Регион: Украина
Машина: Daewoo Nubira dohc1.6 1998
Сообщений: 3
Vaduha is on a distinguished road
По умолчанию

Подскажите, собираю блок питания по схеме MAXa, нагружать буду мощностью порядка 170 Вт. Смотрел по даташиту IRFZ44N на 55V и 49A. У меня есть транзисторы 50N06 (с бесперебойника). Они на 50А и 60V. Думаю должны подойти. И ещё диоды Шотки S30D40 есть, но их мне кажется маловато будет. Протравил 2 платы, мотать транс буду на Ш-сердечнике от ATX блока питания (высокий).
Vaduha вне форума   Ответить с цитированием
Старый 31.01.2012, 20:28   #1816
korozub
Старший Пользователь
 
Регистрация: 03.05.2011
Возраст: 37
Город: Краснодар
Регион: 23, 93
Машина: BMW 525 E60
Сообщений: 160
korozub is on a distinguished road
По умолчанию

короче по твоей схеме понятно что огромный затворный ток жгет резисторы. Меняй полевики. Все 4. Потому если один какой то сгорел то меняют все 4. Скорее всего IRке тоже кирдык. Вытащи ее и замкни 2 с 7 и 4 с 5 ногами.

По полевикам: какая то слишком сложная технология проверки. Достаточно убедиться что между всеми тремя ножками нет пробоя.

А насчет V7 погоди пока, за все сразу не хватайся, запусти вначале полевики и транс, чтоб появилась напруга на выходе.

На время тестов ставь по одному транзистору в плече, чтоб сразу два не палить вдруг чего и врубай схему через автомобильный 5 А предохранитель. Как сделаешь отпишись о результатах
__________________
Машина продана вместе с компом
korozub вне форума   Ответить с цитированием
Старый 31.01.2012, 20:34   #1817
korozub
Старший Пользователь
 
Регистрация: 03.05.2011
Возраст: 37
Город: Краснодар
Регион: 23, 93
Машина: BMW 525 E60
Сообщений: 160
korozub is on a distinguished road
По умолчанию

Vaduha мосфеты пойдут, токо ставь два в плече, желлательно с драйвером, будут греться. Диоды норм, 30А, будет хватать.
__________________
Машина продана вместе с компом
korozub вне форума   Ответить с цитированием
Старый 31.01.2012, 20:40   #1818
King
Новый Пользователь
 
Регистрация: 16.09.2011
Регион: Казахстан
Сообщений: 24
King is on a distinguished road
По умолчанию

Цитата:
Сообщение от korozub Посмотреть сообщение
короче по твоей схеме понятно что огромный затворный ток жгет резисторы. Меняй полевики. Все 4. Потому если один какой то сгорел то меняют все 4. Скорее всего IRке тоже кирдык. Вытащи ее и замкни 2 с 7 и 4 с 5 ногами.

По полевикам: какая то слишком сложная технология проверки. Достаточно убедиться что между всеми тремя ножками нет пробоя.

А насчет V7 погоди пока, за все сразу не хватайся, запусти вначале полевики и транс, чтоб появилась напруга на выходе.

На время тестов ставь по одному транзистору в плече, чтоб сразу два не палить вдруг чего и врубай схему через автомобильный 5 А предохранитель. Как сделаешь отпишись о результатах
забыл написать что вся эта вата была с нагрузкой! сейчас я попробовал без нагрузки! только клемма к + и лопается к чертям VT3(! Ты прав скорее всего поменяю все 4 штуки разом!
King вне форума   Ответить с цитированием
Старый 31.01.2012, 22:02   #1819
Vladget
Moderator
 
Регистрация: 04.04.2009
Возраст: 69
Город: Краснодар
Регион: 23, 93
Машина: HONDA CR-V-08
Сообщений: 3,129
Vladget is a splendid one to beholdVladget is a splendid one to beholdVladget is a splendid one to beholdVladget is a splendid one to beholdVladget is a splendid one to beholdVladget is a splendid one to beholdVladget is a splendid one to behold
По умолчанию

Цитата:
Сообщение от Vaduha Посмотреть сообщение
Подскажите, собираю блок питания по схеме MAXa, нагружать буду мощностью порядка 170 Вт. Смотрел по даташиту IRFZ44N на 55V и 49A. У меня есть транзисторы 50N06 (с бесперебойника). Они на 50А и 60V. Думаю должны подойти. И ещё диоды Шотки S30D40 есть, но их мне кажется маловато будет. Протравил 2 платы, мотать транс буду на Ш-сердечнике от ATX блока питания (высокий).
шотка по момему только в 5 вольт самое то, а в 12 будет сильно греться она на 40В надо не менее чем на 60 но если другого нет пробуй.
__________________


Vladget вне форума   Ответить с цитированием
Старый 31.01.2012, 22:04   #1820
Vladget
Moderator
 
Регистрация: 04.04.2009
Возраст: 69
Город: Краснодар
Регион: 23, 93
Машина: HONDA CR-V-08
Сообщений: 3,129
Vladget is a splendid one to beholdVladget is a splendid one to beholdVladget is a splendid one to beholdVladget is a splendid one to beholdVladget is a splendid one to beholdVladget is a splendid one to beholdVladget is a splendid one to behold
По умолчанию

Цитата:
Сообщение от King Посмотреть сообщение
а еще что меня поразило то что VT7 вообще реакций не дает хоть как затыкай! показывает 1 и все! что это может значить? или это так и должно быть? а насчёт совета сейчас попробую!
так а остальные напряжения в норме ? 3,3 делается из 5ти, мож у тебя все полевики с браком? донор разбирал? там 3,3 в канал на полевике? если да поставь оттуда схема поди одна и таже.
__________________



Последний раз редактировалось Vladget; 31.01.2012 в 22:50.
Vladget вне форума   Ответить с цитированием
Ответ

Метки
блок питания


Здесь присутствуют: 1 (пользователей: 0 , гостей: 1)
 

Ваши права в разделе
Вы не можете создавать новые темы
Вы не можете отвечать в темах
Вы не можете прикреплять вложения
Вы не можете редактировать свои сообщения

BB коды Вкл.
Смайлы Вкл.
[IMG] код Вкл.
HTML код Выкл.



Часовой пояс GMT +4, время: 13:27.


Работает на vBulletin® версия 3.8.4.
Copyright ©2000 - 2026, Jelsoft Enterprises Ltd.
Перевод: zCarot