PCCar.ru - Ваш автомобильный компьютер

Вернуться   PCCar.ru - Ваш автомобильный компьютер > MP3Car ТехИнфа > AndroidCar > Железо > Планшеты

Закрытая тема
 
Опции темы Поиск в этой теме
Старый 21.08.2012, 14:51   #1711
alexvtk
Гуру
 
Аватар для alexvtk
 
Регистрация: 08.04.2011
Город: Железногорск, Красноярский край
Регион: 24
Машина: Toyota Prius NHW20, 2008, Park Assist (продана), Chevrolet Lanos, 2006, 1,5
Сообщений: 1,612
alexvtk is just really nicealexvtk is just really nicealexvtk is just really nicealexvtk is just really nicealexvtk is just really nice
По умолчанию

Я в шоке. Мы тут бьемся ап стену, а это решает все наши проблемы, кроме усб аудио, всего за 170 зеленых. Еще и 2 симки, 2 камеры и IPS экран.
alexvtk вне форума  
Старый 21.08.2012, 15:14   #1712
Kacap
Старший Пользователь
 
Регистрация: 13.07.2010
Возраст: 42
Город: Одесса
Регион: Украина
Машина: Lexus RX350 '07 US
Сообщений: 476
Kacap has a spectacular aura aboutKacap has a spectacular aura aboutKacap has a spectacular aura about
По умолчанию

Цитата:
Сообщение от alexvtk Посмотреть сообщение
Я в шоке. Мы тут бьемся ап стену, а это решает все наши проблемы, кроме усб аудио, всего за 170 зеленых. Еще и 2 симки, 2 камеры и IPS экран.
И чем он решает наши проблемы? наличие 3G и GPS? 3G свисток и так подключается без проблем, GPS в торпедо как правило ловит крайне хреново, все-равно внешний понадобится, камеру заднего вида к нему опять же просто так не подключишь...
Kacap вне форума  
Старый 21.08.2012, 16:31   #1713
ymka-66
Старший Пользователь
 
Аватар для ymka-66
 
Регистрация: 10.11.2009
Возраст: 60
Город: Снежинск
Регион: 74
Машина: Газ-3110 и купил Renault Duster 1.6 передний привод
Сообщений: 365
ymka-66 is on a distinguished road
По умолчанию

я кстати заказал такой уже -едет -уже москву покинул
приедет-расскажу
на счет камеры зх -я так думаю это не столь важно
ymka-66 вне форума  
Старый 21.08.2012, 19:16   #1714
alexvtk
Гуру
 
Аватар для alexvtk
 
Регистрация: 08.04.2011
Город: Железногорск, Красноярский край
Регион: 24
Машина: Toyota Prius NHW20, 2008, Park Assist (продана), Chevrolet Lanos, 2006, 1,5
Сообщений: 1,612
alexvtk is just really nicealexvtk is just really nicealexvtk is just really nicealexvtk is just really nicealexvtk is just really nice
По умолчанию

Цитата:
Сообщение от ymka-66 Посмотреть сообщение
я кстати заказал такой уже -едет -уже москву покинул
приедет-расскажу
на счет камеры зх -я так думаю это не столь важно
Для меня камера вообще не важна, в машине она есть и даже автопарковка. Штатная БТ хэндз фри цепляет телефон мгновенно и "насмерть", качество звука при разговоре очень приличное, виндовский блюсолейл отдыхает. А танцы с бубном при выходе из сна УСБ БТ свистка напрягают (у меня на нем БТ ЕЛМ327 и БТ ЖПС). Раза 2-3 в неделю БТ из сна не выходит. Ездил в машине с телефоном на МТК6573, закрепленном на простом держателе на вент. решетке. Нафигация работала без проблем. Так что делись информацией. Возможно, кому-то из нас этот девайс подойдет. (где заказывал и стоимость с доставкой тоже интересно).
alexvtk вне форума  
Старый 21.08.2012, 21:36   #1715
KiLLWarez
Пользователь
 
Регистрация: 21.08.2012
Регион: Беларусь
Сообщений: 36
KiLLWarez is on a distinguished road
По умолчанию

Друзья, тема длинная, вечером уже не смогу её всю прочесть. Я собираю на Mele и думаю, сможет ли он сделать 480х234 ? Может в этой теме кто-нибудь уже ковырялся в ядре на эту тему?
KiLLWarez вне форума  
Старый 22.08.2012, 00:10   #1716
Indigo 12
Пользователь
 
Регистрация: 15.07.2009
Город: Москва
Регион: 77, 97, 99, 177
Машина: Audi A6 2009 3.0T
Сообщений: 42
Indigo 12 is on a distinguished road
По умолчанию

Цитата:
Сообщение от alexvtk Посмотреть сообщение
Кнопки элементарно нарисовал в фотошопе. Я к нему привык. Можно взять любые готовые из паков. Связал кнопки и приложения этой прогой. Про реле напишу завтра.
Напиши про реле пожалуйста.
Народ в ожидании)
Indigo 12 вне форума  
Старый 22.08.2012, 00:59   #1717
Indigo 12
Пользователь
 
Регистрация: 15.07.2009
Город: Москва
Регион: 77, 97, 99, 177
Машина: Audi A6 2009 3.0T
Сообщений: 42
Indigo 12 is on a distinguished road
По умолчанию

А подскажите можно как нибудь сделать ярлык для системных приложений, которые не видно в списке приложений при добавлении ярлыка на рабочий стол.
Indigo 12 вне форума  
Старый 22.08.2012, 07:10   #1718
alexvtk
Гуру
 
Аватар для alexvtk
 
Регистрация: 08.04.2011
Город: Железногорск, Красноярский край
Регион: 24
Машина: Toyota Prius NHW20, 2008, Park Assist (продана), Chevrolet Lanos, 2006, 1,5
Сообщений: 1,612
alexvtk is just really nicealexvtk is just really nicealexvtk is just really nicealexvtk is just really nicealexvtk is just really nice
По умолчанию

Цитата:
Сообщение от Indigo 12 Посмотреть сообщение
А подскажите можно как нибудь сделать ярлык для системных приложений, которые не видно в списке приложений при добавлении ярлыка на рабочий стол.
Можно попробовать сначала Титаниумом перевести приложение из системных в сторонние. Должно появиться в приложениях.
alexvtk вне форума  
Старый 22.08.2012, 07:28   #1719
alexvtk
Гуру
 
Аватар для alexvtk
 
Регистрация: 08.04.2011
Город: Железногорск, Красноярский край
Регион: 24
Машина: Toyota Prius NHW20, 2008, Park Assist (продана), Chevrolet Lanos, 2006, 1,5
Сообщений: 1,612
alexvtk is just really nicealexvtk is just really nicealexvtk is just really nicealexvtk is just really nicealexvtk is just really nice
По умолчанию

Цитата:
Сообщение от Indigo 12 Посмотреть сообщение
Напиши про реле пожалуйста.
Народ в ожидании)
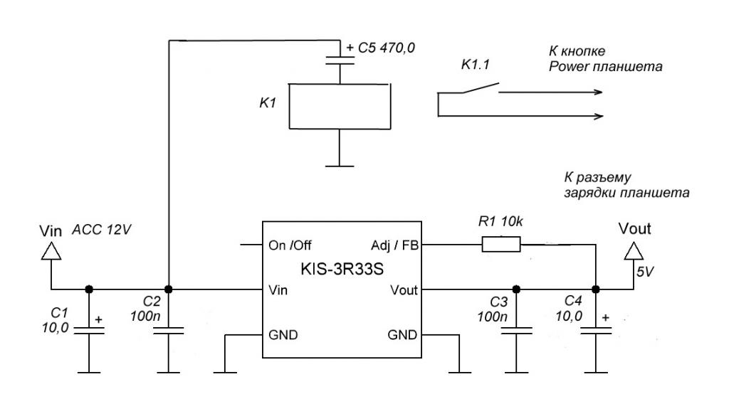
Выполняю обещанное. Но сначала немного исходной информации, что бы избежать ненужных советов и обсуждений. У меня гибрид, при включении машины (гибриды именно включаются, а не заводятся) нет просадок 12В. Поэтому затержки подачи АСС нет. Почему реле, а не оптрон? Не люблю я оптроны. А миниатюрное слаботочное реле на 12В стоит 60 руб.

Схема всего питания ниже. На замечательной китайской сборке KIS-3R33S собран стабилизатор на 5В напряжение с которого подается на разъем зарядки. Батарея в планшете присутствует. Планшет полностью не отключается, а уводится в сон. Схема с реле всем давно известна. При подаче АСС начинает заряжаться конденсатор С5 и полнное напряжение 12В прикладывается к реле К1. Его контакты К1.1 замыкаются и замыкают кнопку питания. После зарядки конденсатора (через 0,2 сек примерно, зависит от сопротивления обмотки реле и емкости конденсатора) напряжение на обмотке реле пропадает, контакты размыкаются. Таким образом, происходит кратковременное нажатие кнопки питания и планшет просыпается.
Миниатюры
Нажмите на изображение для увеличения
Название: Схема1.jpg
Просмотров: 869
Размер:	37.0 Кб
ID:	27615  

Последний раз редактировалось alexvtk; 22.08.2012 в 11:22.
alexvtk вне форума  
Старый 22.08.2012, 17:04   #1720
s.m.
Гуру
 
Регистрация: 20.07.2009
Город: Минск
Регион: Беларусь
Сообщений: 1,543
s.m. is a splendid one to beholds.m. is a splendid one to beholds.m. is a splendid one to beholds.m. is a splendid one to beholds.m. is a splendid one to beholds.m. is a splendid one to beholds.m. is a splendid one to behold
По умолчанию

схема имеет косяки - нет обязательного шунтирующего диода параллельно реле - без него по питанию будут нехилые выбросы напряжения обратной полярности в сети, к которой все подключено. Это чревато повреждением чего-либо там - возможно, что дорогостоящего. Или реле содержит уже диод?
Второй косяк - нет цепи разряда конденсатора последовательно реле - если быстро включить выключить-включить машину - второй раз уже реле не сработает - конденсатор разрядиться не успеет. Лечится установкой диода параллельно конденсаторы в обратной полярности.
Все электролиты в цепи 12В лучше иметь на напряжение 25В, в крайнем случае 16 (чревато взрывом, если в бортсети будет больше 16В)
s.m. вне форума  
Закрытая тема


Здесь присутствуют: 1 (пользователей: 0 , гостей: 1)
 

Ваши права в разделе
Вы не можете создавать новые темы
Вы не можете отвечать в темах
Вы не можете прикреплять вложения
Вы не можете редактировать свои сообщения

BB коды Вкл.
Смайлы Вкл.
[IMG] код Вкл.
HTML код Выкл.



Часовой пояс GMT +4, время: 02:41.


Работает на vBulletin® версия 3.8.4.
Copyright ©2000 - 2026, Jelsoft Enterprises Ltd.
Перевод: zCarot