PCCar.ru - Ваш автомобильный компьютер

Вернуться   PCCar.ru - Ваш автомобильный компьютер > MP3Car ТехИнфа > Блоки питания > Разное

Ответ
 
Опции темы Поиск в этой теме
Старый 09.03.2012, 00:32   #1441
Владимир74
Новый Пользователь
 
Аватар для Владимир74
 
Регистрация: 08.03.2012
Город: Витебск
Регион: Беларусь
Машина: АудиА6С5
Сообщений: 18
Владимир74 is on a distinguished road
По умолчанию

Цитата:
Сообщение от change Посмотреть сообщение
на SG6105D много заморочек для первого раза,делай на КА7500В.
Я вот думаю хватит ли мощности 250W БП на КА7500В ?
Я хочу запитать системник на Атлоне CORE 4600,DDR II 2Gb,HD 250,Video 9600PRO у видео двойное питание, когда подключал этот блок к моему компу во время игр обрубался комп походу БП не тянул
Владимир74 вне форума   Ответить с цитированием
Старый 09.03.2012, 02:52   #1442
novar
Новый Пользователь
 
Регистрация: 08.03.2012
Город: Минск
Регион: Беларусь
Машина: Хендай Соната
Сообщений: 12
novar is on a distinguished road
По умолчанию

Цитата:
Сообщение от korozub Посмотреть сообщение
novar 2 по 3 витка делай первичку
я сделал 2 по 3 витка первичку и при 8-ми вольт(блок питания) на входе срабатывает защита. Если сразу от аккумулятора то он даже не включается только вентилятор дрыгнет и все.
novar вне форума   Ответить с цитированием
Старый 09.03.2012, 11:51   #1443
Владимир74
Новый Пользователь
 
Аватар для Владимир74
 
Регистрация: 08.03.2012
Город: Витебск
Регион: Беларусь
Машина: АудиА6С5
Сообщений: 18
Владимир74 is on a distinguished road
По умолчанию

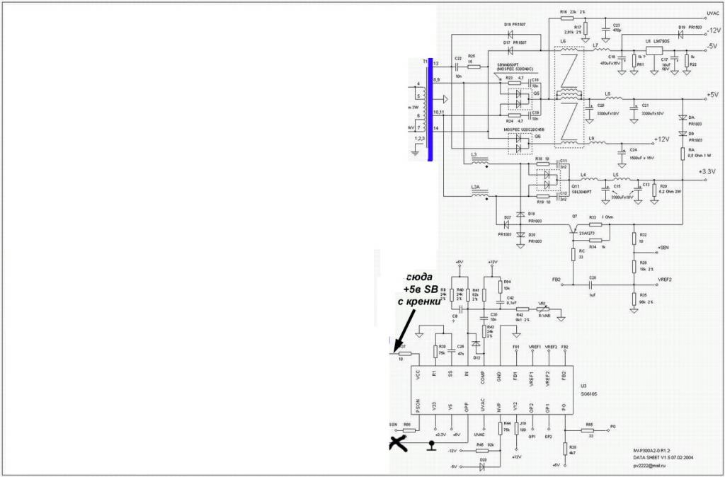
Вот нашёл в этой теме от пользователя MibМib начало переделки БП на SG6105D , очень бы хотелось увидеть продолжение. Помогите пожалуйста подрисуйте на схеме включение трасформатора и драйвера управлениея полевыми транзисторами, реализация дежурки я так понял уже нарисована.

Я сюда загрузил два скрина один с сообщением MibМib а другой с убранной уже высоковольтной частью, в надежде что подрисуете.В схемах не много разбираюсь

Нашёл схему моего БП идеальный вариант если на ней покажете процесс
Миниатюры
Нажмите на изображение для увеличения
Название: схема SG 6105 D.jpg
Просмотров: 4698
Размер:	119.6 Кб
ID:	25742   Нажмите на изображение для увеличения
Название: схема SG.jpg
Просмотров: 1316
Размер:	57.9 Кб
ID:	25743   Нажмите на изображение для увеличения
Название: Схема БП ColorSet 340U.jpg
Просмотров: 1598
Размер:	96.7 Кб
ID:	25744  

Последний раз редактировалось Владимир74; 09.03.2012 в 12:35.
Владимир74 вне форума   Ответить с цитированием
Старый 09.03.2012, 16:22   #1444
change
Старший Пользователь
 
Аватар для change
 
Регистрация: 09.06.2009
Возраст: 59
Город: Моск.обл
Регион: 50, 90, 150
Машина: HONDA CR-V 1998г
Сообщений: 436
change is on a distinguished road
По умолчанию

так как на выходе у SG6105D постоянка на уровне 1.5 в,воизбежания головников не рекомендую выпаивать высоковольтную часть.
у высоковольтных транзисторов разорвать соединение между коллектором нижнего и эмитером верхнего,соеденить эмитеры вместе с обмотками к ним подходящим с общим проводом,на коллекторы повесить сопротивления 50-100 Ом,и эти сигналы подавать на затворы ключей.

пост #1346 нарисовано как нужно правильно сделать силовую часть,вместо ТЛ494 у тебя будут коллекторы транзисторов с сопротивлениями 50-100 Ом
__________________

интересное
change вне форума   Ответить с цитированием
Старый 09.03.2012, 16:53   #1445
novar
Новый Пользователь
 
Регистрация: 08.03.2012
Город: Минск
Регион: Беларусь
Машина: Хендай Соната
Сообщений: 12
novar is on a distinguished road
По умолчанию

Цитата:
Сообщение от change Посмотреть сообщение
найдёшь схему,выложишь,посмотрим.
а вот от количества витков в твоём случае ничего не зависит.
это про сообщение korozub
Нажмите на изображение для увеличения
Название: jnc_200-atx.jpg
Просмотров: 2526
Размер:	98.7 Кб
ID:	25746
novar вне форума   Ответить с цитированием
Старый 10.03.2012, 13:07   #1446
Владимир74
Новый Пользователь
 
Аватар для Владимир74
 
Регистрация: 08.03.2012
Город: Витебск
Регион: Беларусь
Машина: АудиА6С5
Сообщений: 18
Владимир74 is on a distinguished road
По умолчанию

[QUOTE=change у тебя есть cхемка БП с подключением контроллера SG6105D, драйвером и полевиками если есть таковая кинь сюда пожалуйста почти всё прочёл но подобного не нашёл либо какие то куски схем боюсь спалить
Владимир74 вне форума   Ответить с цитированием
Старый 10.03.2012, 13:35   #1447
change
Старший Пользователь
 
Аватар для change
 
Регистрация: 09.06.2009
Возраст: 59
Город: Моск.обл
Регион: 50, 90, 150
Машина: HONDA CR-V 1998г
Сообщений: 436
change is on a distinguished road
По умолчанию

всё что нужно сделать я написал.
спалить ничего не получится.
__________________

интересное
change вне форума   Ответить с цитированием
Старый 16.03.2012, 10:31   #1448
Нариман160295
Старший Пользователь
 
Аватар для Нариман160295
 
Регистрация: 22.05.2011
Город: Астана
Регион: Казахстан
Машина: Пассат Б3 2.0 115 л.c + если без глушителся 123 л.c
Сообщений: 121
Нариман160295 is on a distinguished road
По умолчанию

Подопытный сердечник от трансформатора
как его намотать
вот фото
с перво наматывать первичную или вторичную ветки ?



Нариман160295 вне форума   Ответить с цитированием
Старый 16.03.2012, 11:08   #1449
change
Старший Пользователь
 
Аватар для change
 
Регистрация: 09.06.2009
Возраст: 59
Город: Моск.обл
Регион: 50, 90, 150
Машина: HONDA CR-V 1998г
Сообщений: 436
change is on a distinguished road
По умолчанию

первичка первой для лучшей индуктивной связи
__________________

интересное
change вне форума   Ответить с цитированием
Старый 16.03.2012, 11:24   #1450
Vladget
Moderator
 
Регистрация: 04.04.2009
Возраст: 69
Город: Краснодар
Регион: 23, 93
Машина: HONDA CR-V-08
Сообщений: 3,129
Vladget is a splendid one to beholdVladget is a splendid one to beholdVladget is a splendid one to beholdVladget is a splendid one to beholdVladget is a splendid one to beholdVladget is a splendid one to beholdVladget is a splendid one to behold
По умолчанию

да и еще имея каркас нужно (можно) посчитать максимальный диаметр проволоки которая сюда влезет зная ширину каркаса и высоту и количество витков можно посчитать, при этом желательно что бы первичка вся была равномерно распределена по каркасу т.е. либо в один слой все 12 витков либо равномерно в два слоя.
__________________


Vladget вне форума   Ответить с цитированием
Ответ


Здесь присутствуют: 1 (пользователей: 0 , гостей: 1)
 

Ваши права в разделе
Вы не можете создавать новые темы
Вы не можете отвечать в темах
Вы не можете прикреплять вложения
Вы не можете редактировать свои сообщения

BB коды Вкл.
Смайлы Вкл.
[IMG] код Вкл.
HTML код Выкл.



Часовой пояс GMT +4, время: 23:21.


Работает на vBulletin® версия 3.8.4.
Copyright ©2000 - 2026, Jelsoft Enterprises Ltd.
Перевод: zCarot