PCCar.ru - Ваш автомобильный компьютер

Вернуться   PCCar.ru - Ваш автомобильный компьютер > MP3Car ТехИнфа > Блоки питания > Разное

Ответ
 
Опции темы Поиск в этой теме
Старый 20.01.2012, 23:44   #1371
filka_kolya
Новый Пользователь
 
Регистрация: 16.01.2012
Город: Черкассы
Регион: Украина
Машина: ВАЗ 2170 Приора
Сообщений: 11
filka_kolya is on a distinguished road
По умолчанию

Подскажите тогда, правильно ли изобразил дежурку, и как сделать мягкое питание куда кандёры прикрутить? И где-то читал про драйверы ткните пальцем как его прикрутить.
filka_kolya вне форума   Ответить с цитированием
Старый 21.01.2012, 11:48   #1372
Vladget
Moderator
 
Регистрация: 04.04.2009
Возраст: 69
Город: Краснодар
Регион: 23, 93
Машина: HONDA CR-V-08
Сообщений: 3,129
Vladget is a splendid one to beholdVladget is a splendid one to beholdVladget is a splendid one to beholdVladget is a splendid one to beholdVladget is a splendid one to beholdVladget is a splendid one to beholdVladget is a splendid one to behold
По умолчанию

если посмотришь на схему то в первичке Т2 есть снаббер это R3 и C4 их надо также впаять в твой транс на кольце между крайними отводами певичной обмотки, можно еще и во вторичку добавить снаббер между крайними витками схема та же, номинал (сопротивление 15ом + кондер 10n) у тебя на схеме по 5В он есть (номиналы и порядковый номер отсутствуют) и по идее должно быть два у тебя один ну пусть так, а по 12В нету но он не помешает а даже поможет.
Ты мало исправил на схеме почитай про 8,11 ит.д. ноги в п.16,17,18 в твоем пошаговом руководстве.
Ты бы отдельно первичку и 5ВSB нарисовал тебе было бы понятней (7850 надо поменять на 7805, а еще лучше будет LM2576-5V- это импульсник практически не будет греться в отличии от кипятильника на 7805)) вот тебе образец схемы, откуда надо взять входную часть http://www.pccar.ru/showthread.php?p=86678#post86678 тут как раз и ноги твоей 7500 подсоединены как надо, а мягкий старт у тебя есть это С31 по схеме.
И если полевики не покупал еще то лучше посмотри на IR3205 по характеристикам они намного лучше 44-х и 48-х (у нас чуть дороже 48х).
Драйвер IR4427 имеет 8 ног 1 и 8 не используются 3 на массу, 6 к+12В, 4-я к 9 ноге 7500, 6-я к 10 ног 7500, 7-я к R3(по схеме приведенной выше и его можно уменьшить до 10 ом), 5-я к R5(аналогично R3).
__________________



Последний раз редактировалось Vladget; 21.01.2012 в 13:12.
Vladget вне форума   Ответить с цитированием
Старый 23.01.2012, 23:04   #1373
rich650
Новый Пользователь
 
Регистрация: 23.01.2012
Возраст: 37
Регион: 63, 163
Сообщений: 3
rich650 is on a distinguished road
По умолчанию

Добрый вечер, уважаемые форумчане. Завалялся тут у меня в закромах блок питания Linkworld LW2-300W на одной микросхеме АТ 2005В 901В11. В связи с чем хотел бы переделать его под автомобильный. Выпаял высоковольтную часть, а дальше не знаю что делать, т.к. не встречал здесь моего БП (может конечно что-то и пропустил). Хотелось бы совет как переделать мой БП. К сожалению схему не нашел в интернете.



С уважением. Максим.
rich650 вне форума   Ответить с цитированием
Старый 24.01.2012, 00:28   #1374
Vladget
Moderator
 
Регистрация: 04.04.2009
Возраст: 69
Город: Краснодар
Регион: 23, 93
Машина: HONDA CR-V-08
Сообщений: 3,129
Vladget is a splendid one to beholdVladget is a splendid one to beholdVladget is a splendid one to beholdVladget is a splendid one to beholdVladget is a splendid one to beholdVladget is a splendid one to beholdVladget is a splendid one to behold
По умолчанию

А это не она http://vrtp.ru/index.php?showtopic=10474
а что микросхема так и называется АТ 2005В 901В11?? или ты все что на ней написано принял за её марку?
На самом деле это АТ2005В (без пробела) а остальное это что то завод изготовитель написал. Исходя из того как ты написал название микросхемы проще тебе найти другой БП где бы в качестве ШИМа была 494-я или 7500 так как здесь на этой плате все по другому, а для указанных микросхем все разложено по полочкам и есть пошаговая инструкция. И кстати он твой БП был рабочий? так как основная поломка в этих блоках это микросхема а найти её не вариант.
__________________



Последний раз редактировалось Vladget; 24.01.2012 в 01:35.
Vladget вне форума   Ответить с цитированием
Старый 24.01.2012, 09:16   #1375
rich650
Новый Пользователь
 
Регистрация: 23.01.2012
Возраст: 37
Регион: 63, 163
Сообщений: 3
rich650 is on a distinguished road
По умолчанию

Доброе утро.
Значит - этот блок питания не удастся без шаманских плясок переделать под автомобильный. Очень жаль. Кстати БП был рабочий. А не подскажите тогда какие БП подойдут (марку, модель). С уважением, Максим.
rich650 вне форума   Ответить с цитированием
Старый 24.01.2012, 11:31   #1376
Vladget
Moderator
 
Регистрация: 04.04.2009
Возраст: 69
Город: Краснодар
Регион: 23, 93
Машина: HONDA CR-V-08
Сообщений: 3,129
Vladget is a splendid one to beholdVladget is a splendid one to beholdVladget is a splendid one to beholdVladget is a splendid one to beholdVladget is a splendid one to beholdVladget is a splendid one to beholdVladget is a splendid one to behold
По умолчанию

А же написал! Марка БП не имеет значения чем старее (но АТХ) тем больше вероятность что подойдет, главное что бы микросхема ШИМа была 494-я или ее аналог 7500, а этот скорее всего можно переделать но методом проб и ошибок и еще надо разбираться и понимать что ты делаешь, а просто так по рекомендациям из интернета когда один хочет а другой ничего не видит а просто читает сообщения другого желающего -- наврядли, а из этого БП можно было сделать неплохую зарядку для автомобильного аккумулятора (в нете есть пошаговая инструкция), но наверно увы ты уже все разобрал.
__________________


Vladget вне форума   Ответить с цитированием
Старый 24.01.2012, 19:15   #1377
rich650
Новый Пользователь
 
Регистрация: 23.01.2012
Возраст: 37
Регион: 63, 163
Сообщений: 3
rich650 is on a distinguished road
По умолчанию

Спасибо буду искать на 494-й или 7500.
rich650 вне форума   Ответить с цитированием
Старый 29.01.2012, 03:48   #1378
filka_kolya
Новый Пользователь
 
Регистрация: 16.01.2012
Город: Черкассы
Регион: Украина
Машина: ВАЗ 2170 Приора
Сообщений: 11
filka_kolya is on a distinguished road
По умолчанию

Сегодня целый день игрался с блоком . Запускаеться почему-то при подачи на него питания, при замыкании PS-on на землю, никаких результатов, при размыкании тоже. Нагрузку плохо держит. В нагрузке были винт, кулер и dvd-rom, когда всё включено винт стартует через раз. Так ничё я с ним не сделал. Прошу у Вас помощи
filka_kolya вне форума   Ответить с цитированием
Старый 29.01.2012, 22:16   #1379
Vladget
Moderator
 
Регистрация: 04.04.2009
Возраст: 69
Город: Краснодар
Регион: 23, 93
Машина: HONDA CR-V-08
Сообщений: 3,129
Vladget is a splendid one to beholdVladget is a splendid one to beholdVladget is a splendid one to beholdVladget is a splendid one to beholdVladget is a splendid one to beholdVladget is a splendid one to beholdVladget is a splendid one to behold
По умолчанию

Цитата:
Сообщение от filka_kolya Посмотреть сообщение
Сегодня целый день игрался с блоком . Запускаеться почему-то при подачи на него питания, при замыкании PS-on на землю, никаких результатов, при размыкании тоже. Нагрузку плохо держит. В нагрузке были винт, кулер и dvd-rom, когда всё включено винт стартует через раз. Так ничё я с ним не сделал. Прошу у Вас помощи
см. личку
И в схеме у тебя ошибка там куда ты подал +5Вsb на С12 на самом деле не 5В должно быть, там же за счет транса больше получается (наверно там 12В) относительно массы на D7 будет 5В, а вот на D8 уже больше и если ты на коллектор С6 подал 5 в то что то тут не то и не открывается Q11, поэтому у тебя и не работает система запуска, а вот согласно 18 пункта твоей пошаговой инструкции на D8 надо подать 12в c аккумулятора, при этом туда же надо подключить вход 7805 а её выход в точку 5ВSB, а не на С12, надо же было эту инструкцию выполнить до конца!
__________________



Последний раз редактировалось Vladget; 31.01.2012 в 13:55.
Vladget вне форума   Ответить с цитированием
Старый 20.02.2012, 18:53   #1380
Vladi
Новый Пользователь
 
Регистрация: 13.02.2012
Возраст: 41
Город: SPB
Регион: 78, 98
Машина: Old Scool 2108
Сообщений: 13
Vladi is on a distinguished road
По умолчанию

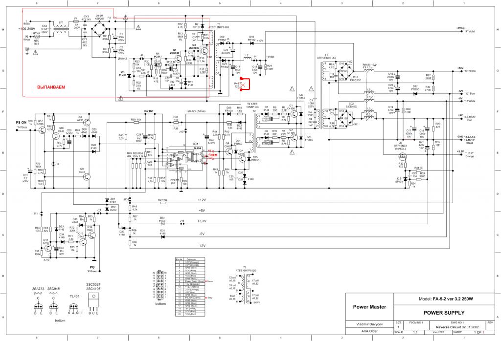
Переделываю блок powermaster ориентируясь по 94 и 189 посту данной ветки. Поправил схему. Появились вопросы:
- Все ли верно, ничего не упустил?
- Как быть с трансформатором? Выпаивать старый и его переделывать(сматывать первичку и т.д.) или лучше будет все таки как в 94м сообщении , намотать на кольце?
- Что на выходе у этого трансформатора, когда он работает с IRFZ44 и ШИМом? Если я правильно понимаю, то там должны быть примерно +12 и +5.
- В схеме http://www.pccar.ru/attachment.php?a...4&d=1196987842 установлен ERI-33CAL (был) , потом был намотан трансформатор на ферритовом кольце, немного не понял как делал человек, на схеме, со вторичной обмотки идут заземления, т.е при намотке обмотки нужно это учитывать и делать "вывод" .... Не понял тут немного....
Прощу помощи
Миниатюры
Нажмите на изображение для увеличения
Название: power_master_fa_5_2_v3-2.jpg
Просмотров: 3683
Размер:	100.6 Кб
ID:	25489  
Vladi вне форума   Ответить с цитированием
Ответ


Здесь присутствуют: 1 (пользователей: 0 , гостей: 1)
 

Ваши права в разделе
Вы не можете создавать новые темы
Вы не можете отвечать в темах
Вы не можете прикреплять вложения
Вы не можете редактировать свои сообщения

BB коды Вкл.
Смайлы Вкл.
[IMG] код Вкл.
HTML код Выкл.



Часовой пояс GMT +4, время: 16:50.


Работает на vBulletin® версия 3.8.4.
Copyright ©2000 - 2026, Jelsoft Enterprises Ltd.
Перевод: zCarot