PCCar.ru - Ваш автомобильный компьютер

Вернуться   PCCar.ru - Ваш автомобильный компьютер > Всё Остальное > Проекты

Ответ
 
Опции темы Поиск в этой теме
Старый 03.10.2010, 12:26   #121
Alex-L
Moderator
 
Аватар для Alex-L
 
Регистрация: 23.03.2008
Возраст: 55
Город: Москва, Нагорная
Регион: 77, 97, 99, 177
Машина: Mitsubishi Lancer-X
Сообщений: 2,096
Alex-L is a splendid one to beholdAlex-L is a splendid one to beholdAlex-L is a splendid one to beholdAlex-L is a splendid one to beholdAlex-L is a splendid one to beholdAlex-L is a splendid one to beholdAlex-L is a splendid one to behold
По умолчанию

Стекло тонированное, но пленка по моему не металлизированная - не знаю. У меня под задней полкой приемник работает отлично. Были опасения про тонировку и обогреватель - не подтвердилось. Просто раньше системник был в металлическом корпусе, а щас в деревянном ящике, прямо под приемником. Вот я и опасаюсь - кабы чего не вышло... С другой стороны - под задней пластиковой полкой у меня еще металлическая...
"...крышку из оргстекла 10мм с гравировкой и подсветкой..." - конечно красиво, но там у меня все равно аварийный набор, пылесос валяется... да и вообще в багажник не часто заглядываешь...
Да и какая нафик красота... вот когда я в ЦИАМе работал, у нас был коллега - как он жгуты вязал...! Это песня! Хоть с линейкой проверяй - проводочек к проводочку, все строго параллельно и перпендикулярно!
А если уж такое делать, то мне думается, не крышку из оргстекла, а вставку из оргстекла в крышку обтянутую карпетом. Будет смотреться более естественно и гармонично.
Alex-L вне форума   Ответить с цитированием
Старый 08.10.2010, 21:23   #122
Alex-L
Moderator
 
Аватар для Alex-L
 
Регистрация: 23.03.2008
Возраст: 55
Город: Москва, Нагорная
Регион: 77, 97, 99, 177
Машина: Mitsubishi Lancer-X
Сообщений: 2,096
Alex-L is a splendid one to beholdAlex-L is a splendid one to beholdAlex-L is a splendid one to beholdAlex-L is a splendid one to beholdAlex-L is a splendid one to beholdAlex-L is a splendid one to beholdAlex-L is a splendid one to behold
По умолчанию

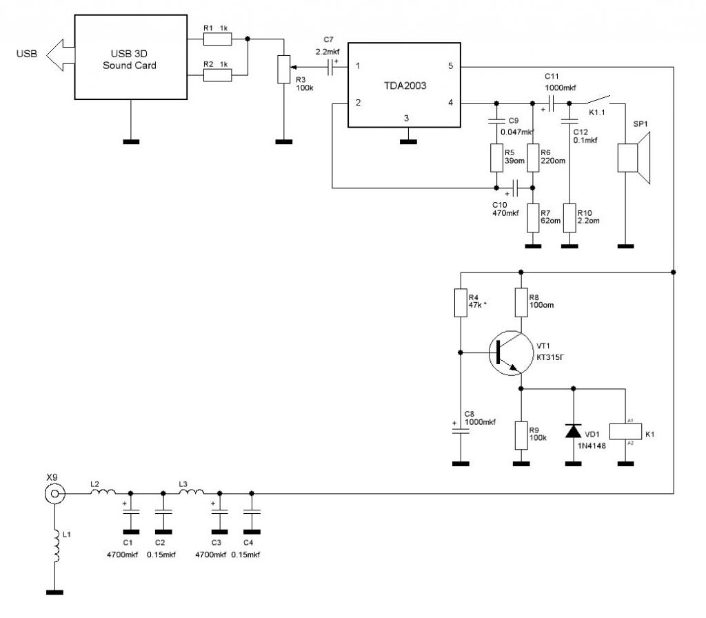
Я сегодня молодец! Я сегодня 3(три) звуковые карты (второй картинко) спалил!

Конструктивно собрано все на одной п/п по схеме на картинко один.
Первая звуковуха была извлечена из корпуса и из неё выпаяны разъемы микрофона и наушников, USB разъем без изменений. Вместо разъема наушников впаяны, соблюдая распиновку, 3 проводочка (левый, правый, земля) и подпаяны к усилителю. Остальные две подключались в первозданном виде с помощью мини-джека.
Питание +12в берется с блока питания настольного компьютера.
USB кабелем A-F (удлинитель) - с того же компьютера.

Все просто отлично! Усилок работает, релюшко щелкает! Все красиво!
Пока не вотнешь USB - тут же и сразу же с дымком и характерным запахом сгорает звуковуха!
Шо за хрень несуразная!? Или я совсем отупел!? Сдается мне что тут опять земля какая то, шоб её, виновата... но физики процесса понять не могу...

Самое прикольное то, что моя самодельная звуковуха на PCM2902 работает в тех же условиях на 5 с + ! Правда питается она от тех же 12в, что и усилок через преобразователь 7805, +5в USB вообще не задействованы.
Наверное излишне говорить, что ДО подключения к этому усилителю все три звуковухи работали нормально и с наушниками и с компьютерными колонками.

Не дайте в дурдом попасть! Просветите в чём тут секс!
В принципе мне уже пофик - звуковухи кончились - буду ставить PCM2902.
Но хочется хоть задним числом разобраться где зарылась сабака!
Миниатюры
Нажмите на изображение для увеличения
Название: 1921179_1_57416.jpg
Просмотров: 2082
Размер:	10.9 Кб
ID:	18627   Нажмите на изображение для увеличения
Название: 3d.jpg
Просмотров: 1029
Размер:	49.4 Кб
ID:	18628  

Последний раз редактировалось Alex-L; 08.10.2010 в 22:08.
Alex-L вне форума   Ответить с цитированием
Старый 08.10.2010, 22:44   #123
dadlick
Пользователь
 
Регистрация: 07.08.2009
Регион: 77, 97, 99, 177
Сообщений: 54
dadlick is on a distinguished road
По умолчанию

Цитата:
Сообщение от Alex-L Посмотреть сообщение
Не дайте в дурдом попасть! Просветите в чём тут секс!
В принципе мне уже пофик - звуковухи кончились - буду ставить PCM2902.
Но хочется хоть задним числом разобраться где зарылась сабака!
Леш, посмотри на сгоревших звуковухах земля по USB и на разъеме джек общая?
dadlick вне форума   Ответить с цитированием
Старый 08.10.2010, 22:51   #124
Alex-L
Moderator
 
Аватар для Alex-L
 
Регистрация: 23.03.2008
Возраст: 55
Город: Москва, Нагорная
Регион: 77, 97, 99, 177
Машина: Mitsubishi Lancer-X
Сообщений: 2,096
Alex-L is a splendid one to beholdAlex-L is a splendid one to beholdAlex-L is a splendid one to beholdAlex-L is a splendid one to beholdAlex-L is a splendid one to beholdAlex-L is a splendid one to beholdAlex-L is a splendid one to behold
По умолчанию

О, как!
В понедельник посмотрю. Все на работе.
По моему нет... точно не помню, но кажется не звонилась земля USB и разъема наушников.

Off
Да, кстати, у меня щас 2 штуки NSD15-12S5 и один NSD15-12S12/ Земля входа и земля выхода на них не звонится. Т.е. развязка однако.
Alex-L вне форума   Ответить с цитированием
Старый 09.10.2010, 00:02   #125
dadlick
Пользователь
 
Регистрация: 07.08.2009
Регион: 77, 97, 99, 177
Сообщений: 54
dadlick is on a distinguished road
По умолчанию

Цитата:
Сообщение от Alex-L Посмотреть сообщение
О, как!
В понедельник посмотрю. Все на работе.
По моему нет... точно не помню, но кажется не звонилась земля USB и разъема наушников.
Предполагаю, что в звуковухе выходы построены по мостовой схеме с общей точкой не равной потенциалу земли, а ты ее на землю, микруха не имеет защиту, вот она и в дым.
dadlick вне форума   Ответить с цитированием
Старый 09.10.2010, 00:12   #126
Pinin
Гуру
 
Аватар для Pinin
 
Регистрация: 03.01.2008
Возраст: 61
Город: Н. Новгород
Регион: 52
Машина: MMC Pajero Pinin GDI 2.0 2004, Volvo XC 60, D4, 2014
Сообщений: 1,301
Pinin will become famous soon enoughPinin will become famous soon enough
По умолчанию

Цитата:
Питание +12в берется с блока питания настольного компьютера.
Ты, я так понимаю, не в машине экспериментировал? А USB втыкался в тот же настольный компьютер или все-таки в карписю?

И чего-то я туплю - по схеме правый и левый каналы звуковухи объединены что ли?
__________________
Крепко жму горло, с увлажнением.
Pinin
Pinin вне форума   Ответить с цитированием
Старый 09.10.2010, 00:12   #127
mcf1
Guest
 
Сообщений: n/a
По умолчанию

а что в карте то сгорает? чип?
земля звуковая и земля USB видимо не одно и тоже в этом чипе

PS а на кой ... тебе такая звуковая при наличии Челенджера на борту?
позже дописано предполагаю для навигации ))) я проще сделал, голос навигашки в левый канал перекинул и все.
  Ответить с цитированием
Старый 09.10.2010, 01:06   #128
grblmm
Старший Пользователь
 
Регистрация: 09.02.2010
Регион: Украина
Машина: Chery Amulet
Сообщений: 118
grblmm is on a distinguished road
По умолчанию

да, жалко звуковухи ) но если внимательно почитать форум ....
__________________
Мой КарПисюк)
grblmm вне форума   Ответить с цитированием
Старый 09.10.2010, 08:08   #129
Alex-L
Moderator
 
Аватар для Alex-L
 
Регистрация: 23.03.2008
Возраст: 55
Город: Москва, Нагорная
Регион: 77, 97, 99, 177
Машина: Mitsubishi Lancer-X
Сообщений: 2,096
Alex-L is a splendid one to beholdAlex-L is a splendid one to beholdAlex-L is a splendid one to beholdAlex-L is a splendid one to beholdAlex-L is a splendid one to beholdAlex-L is a splendid one to beholdAlex-L is a splendid one to behold
По умолчанию

Цитата:
Сообщение от dadlick Посмотреть сообщение
Предполагаю, что в звуковухе выходы построены по мостовой схеме с общей точкой не равной потенциалу земли, а ты ее на землю, микруха не имеет защиту, вот она и в дым.
Скорее всего так оно и есть. Но ведь сгорает она при подключении USB? т.е. при подаче питания +5в. А как же она тогда с компьютерными колонками работает? Там же тоже минус в конечном итоге на массу компа попадает...

Цитата:
Сообщение от Pinin Посмотреть сообщение
Ты, я так понимаю, не в машине экспериментировал? А USB втыкался в тот же настольный компьютер или все-таки в карписю? И чего-то я туплю - по схеме правый и левый каналы звуковухи объединены что ли?
Эксперименты проводились на настольном компьютере.
Цитата:
Сообщение от Пост #122 Посмотреть сообщение
...Питание +12в берется с блока питания настольного компьютера.
USB кабелем A-F (удлинитель) - с того же компьютера...
По схеме, совершенно верно, левый и правый канал объеденены - моно.

Цитата:
Сообщение от mcf1 Посмотреть сообщение
а что в карте то сгорает? чип?
земля звуковая и земля USB видимо не одно и тоже в этом чипе
PS а на кой ... тебе такая звуковая при наличии Челенджера на борту?
позже дописано предполагаю для навигации ))) я проще сделал, голос навигашки в левый канал перекинул и все.
Да, сгорает чип. Там больше и нет ничего кроме кварца и нескольких SMD резисторов.
Да, в основном для навигации. Хочу вообще системные звуки на этот динамик вывести. Т.е. USB звуковуха делается основной в системе, а плееры уже настраиваются на Realtek (оптика). Получаются системные звуки, в т.ч. навигация через маленький динамик под торпедой, а мультимедиа через усилитель с акустикой. Громкость регулируется повермэйтом. Если плеер в фокусе - громкость акустики, если нет - громкость маленького динамика.

Цитата:
Сообщение от grblmm Посмотреть сообщение
да, жалко звуковухи ) но если внимательно почитать форум ....
Так вот именно что там речь идет про отдельное питание. А у меня то - звуковуха питается от USB. По этой логике самодельная на PCM2902 должна сгорать. А она то как раз работает.
Alex-L вне форума   Ответить с цитированием
Старый 10.10.2010, 01:08   #130
mcf1
Guest
 
Сообщений: n/a
По умолчанию

а что за чип в звуковухе? думаю даташит на чип даст ответ на твой вопрос.
  Ответить с цитированием
Ответ


Здесь присутствуют: 1 (пользователей: 0 , гостей: 1)
 

Ваши права в разделе
Вы не можете создавать новые темы
Вы не можете отвечать в темах
Вы не можете прикреплять вложения
Вы не можете редактировать свои сообщения

BB коды Вкл.
Смайлы Вкл.
[IMG] код Вкл.
HTML код Выкл.



Часовой пояс GMT +4, время: 17:50.


Работает на vBulletin® версия 3.8.4.
Copyright ©2000 - 2026, Jelsoft Enterprises Ltd.
Перевод: zCarot