PCCar.ru - Ваш автомобильный компьютер

Вернуться   PCCar.ru - Ваш автомобильный компьютер > MP3Car ТехИнфа > Блоки питания > Самодельные блоки питания

Ответ
 
Опции темы Поиск в этой теме
Старый 21.08.2009, 18:04   #111
alex__k
Пользователь
 
Регистрация: 16.01.2008
Регион: Украина
Машина: PASSAT B3
Сообщений: 66
alex__k is on a distinguished road
По умолчанию

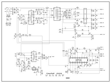
Это ДГС от донора
Миниатюры
Нажмите на изображение для увеличения
Название: POWERLINK_LPJ2-18.jpg
Просмотров: 1521
Размер:	16.3 Кб
ID:	12294  
alex__k вне форума   Ответить с цитированием
Старый 22.08.2009, 15:26   #112
alex__k
Пользователь
 
Регистрация: 16.01.2008
Регион: Украина
Машина: PASSAT B3
Сообщений: 66
alex__k is on a distinguished road
По умолчанию

Собрал дежурку на выходе 5В 3В без нагрузки и сильно греется полевик.
После выходных буду разбираться.
alex__k вне форума   Ответить с цитированием
Старый 25.08.2009, 14:27   #113
alex__k
Пользователь
 
Регистрация: 16.01.2008
Регион: Украина
Машина: PASSAT B3
Сообщений: 66
alex__k is on a distinguished road
По умолчанию

Разобрался были проблемы с намоткой транса,без нагрузки 5.2в с нагрузкой 4ом 5.1в 3 ом 4.6в

Последний раз редактировалось alex__k; 25.08.2009 в 15:57.
alex__k вне форума   Ответить с цитированием
Старый 25.08.2009, 16:11   #114
alex__k
Пользователь
 
Регистрация: 16.01.2008
Регион: Украина
Машина: PASSAT B3
Сообщений: 66
alex__k is on a distinguished road
По умолчанию

Фото
Миниатюры
Нажмите на изображение для увеличения
Название: IMG_0043.JPG
Просмотров: 1522
Размер:	241.9 Кб
ID:	12346  
alex__k вне форума   Ответить с цитированием
Старый 25.08.2009, 23:54   #115
БАЛУ
Старший Пользователь
 
Регистрация: 09.05.2009
Город: ТОМСК
Регион: 78, 98
Сообщений: 143
БАЛУ is on a distinguished road
По умолчанию

попробуй уменьшить резюк в стоке до 0.2 или 0.15 ома должно работать
напруга чуток больше сделана дабы компенсировать длину проводов делитель мона подобрать
БАЛУ вне форума   Ответить с цитированием
Старый 26.08.2009, 13:05   #116
alex__k
Пользователь
 
Регистрация: 16.01.2008
Регион: Украина
Машина: PASSAT B3
Сообщений: 66
alex__k is on a distinguished road
По умолчанию

Цитата:
Сообщение от БАЛУ Посмотреть сообщение
попробуй уменьшить резюк в стоке до 0.2 или 0.15 ома должно работать
напруга чуток больше сделана дабы компенсировать длину проводов делитель мона подобрать
Я поставил 2х0.49ом,сегодня приехали диоды 90SQ045 .
Миниатюры
Нажмите на изображение для увеличения
Название: IMG_0046.JPG
Просмотров: 1425
Размер:	227.7 Кб
ID:	12364  
alex__k вне форума   Ответить с цитированием
Старый 26.08.2009, 20:29   #117
alex__k
Пользователь
 
Регистрация: 16.01.2008
Регион: Украина
Машина: PASSAT B3
Сообщений: 66
alex__k is on a distinguished road
По умолчанию

Вот так стали диоды.
Миниатюры
Нажмите на изображение для увеличения
Название: IMG_00481.JPG
Просмотров: 1421
Размер:	164.4 Кб
ID:	12375  
alex__k вне форума   Ответить с цитированием
Старый 26.08.2009, 21:15   #118
Grubin
Новый Пользователь
 
Регистрация: 16.06.2009
Возраст: 58
Город: Odessa
Регион: 54
Машина: FiatGP-06
Сообщений: 14
Grubin is on a distinguished road
По умолчанию

Фоток нет....
Grubin вне форума   Ответить с цитированием
Старый 26.08.2009, 22:38   #119
alex__k
Пользователь
 
Регистрация: 16.01.2008
Регион: Украина
Машина: PASSAT B3
Сообщений: 66
alex__k is on a distinguished road
По умолчанию

А где на этом форуме сейчас есть фотки.
alex__k вне форума   Ответить с цитированием
Старый 26.08.2009, 22:49   #120
alex__k
Пользователь
 
Регистрация: 16.01.2008
Регион: Украина
Машина: PASSAT B3
Сообщений: 66
alex__k is on a distinguished road
По умолчанию

Админ чё случилось.
alex__k вне форума   Ответить с цитированием
Ответ

Метки
схема бп


Здесь присутствуют: 1 (пользователей: 0 , гостей: 1)
 

Ваши права в разделе
Вы не можете создавать новые темы
Вы не можете отвечать в темах
Вы не можете прикреплять вложения
Вы не можете редактировать свои сообщения

BB коды Вкл.
Смайлы Вкл.
[IMG] код Вкл.
HTML код Выкл.



Часовой пояс GMT +4, время: 02:54.


Работает на vBulletin® версия 3.8.4.
Copyright ©2000 - 2026, Jelsoft Enterprises Ltd.
Перевод: zCarot