PCCar.ru - Ваш автомобильный компьютер

Вернуться   PCCar.ru - Ваш автомобильный компьютер > MP3Car ТехИнфа > AndroidCar > Софт

Ответ
 
Опции темы Поиск в этой теме
Старый 17.02.2016, 23:59   #111
Alladim
Новый Пользователь
 
Регистрация: 03.12.2010
Возраст: 42
Город: Одесса
Регион: Украина
Машина: Mitsubishi Galant 8
Сообщений: 24
Alladim is on a distinguished road
По умолчанию

Цитата:
Сообщение от demtro Посмотреть сообщение
можно через банальный сумматор, есть по низкому уровню
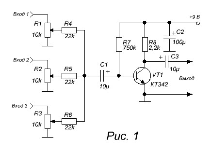
Поделитесь схемкой пожалуйста
Alladim вне форума   Ответить с цитированием
Старый 18.02.2016, 09:47   #112
demtro
Старший Пользователь
 
Регистрация: 17.12.2014
Возраст: 34
Город: Самара
Регион: 63, 163
Машина: Lifan Solano
Сообщений: 184
demtro is on a distinguished road
По умолчанию

Цитата:
Сообщение от Alladim Посмотреть сообщение
Поделитесь схемкой пожалуйста
Например вот так
Миниатюры
Нажмите на изображение для увеличения
Название: rz_miksh.jpg
Просмотров: 522
Размер:	21.8 Кб
ID:	42664  
demtro вне форума   Ответить с цитированием
Старый 18.02.2016, 13:41   #113
Alladim
Новый Пользователь
 
Регистрация: 03.12.2010
Возраст: 42
Город: Одесса
Регион: Украина
Машина: Mitsubishi Galant 8
Сообщений: 24
Alladim is on a distinguished road
По умолчанию

Спасибо, сделал тоже по похожей схеме http://pccar.ru/showpost.php?p=303760&postcount=61
Качество пока не ясно, проверял на портативной колонке. Надеюсь не будет портить звук. С функцией смешивания справляется без проблем.
Alladim вне форума   Ответить с цитированием
Старый 23.02.2016, 20:18   #114
ruslaxa
Новый Пользователь
 
Регистрация: 07.02.2016
Регион: 38
Сообщений: 8
ruslaxa is on a distinguished road
По умолчанию

И что, через этот микшер цепляем прямо на основной звук и тогда кнопку AUX жать не надо будет?
ruslaxa вне форума   Ответить с цитированием
Старый 24.02.2016, 17:43   #115
slon25
Старший Пользователь
 
Регистрация: 29.10.2009
Возраст: 49
Регион: Украина
Сообщений: 131
slon25 is a jewel in the roughslon25 is a jewel in the roughslon25 is a jewel in the rough
По умолчанию

Может кто-то подскажет. При входящих сообщения на телефон на планшете сообщение появляется во вплывающем окне. При входящем вызове нет, хотя везде галки стоят. При чем как при сопряжении по блютузу так и вайфай. В чем может быть проблема???
slon25 вне форума   Ответить с цитированием
Старый 27.02.2016, 08:56   #116
ruslaxa
Новый Пользователь
 
Регистрация: 07.02.2016
Регион: 38
Сообщений: 8
ruslaxa is on a distinguished road
По умолчанию

Цитата:
Сообщение от ruslaxa Посмотреть сообщение
И что, через этот микшер цепляем прямо на основной звук и тогда кнопку AUX жать не надо будет?
Кто-нибудь ответит?
ruslaxa вне форума   Ответить с цитированием
Старый 27.02.2016, 09:22   #117
Alladim
Новый Пользователь
 
Регистрация: 03.12.2010
Возраст: 42
Город: Одесса
Регион: Украина
Машина: Mitsubishi Galant 8
Сообщений: 24
Alladim is on a distinguished road
По умолчанию

Цитата:
Сообщение от ruslaxa Посмотреть сообщение
Кто-нибудь ответит?
По этой схеме 2 линейных источника сигнала сходятся в 1 с возможностью регулировки уровня каждого переменным резистором.
Насчет aux не понял, что Вы имели в виду.
Alladim вне форума   Ответить с цитированием
Старый 12.04.2016, 17:50   #118
mazay66
Старший Пользователь
 
Регистрация: 17.10.2015
Город: Санкт-Петербург
Регион: 78, 98
Машина: Рено Колеос
Сообщений: 647
mazay66 is a name known to allmazay66 is a name known to allmazay66 is a name known to allmazay66 is a name known to allmazay66 is a name known to allmazay66 is a name known to all
По умолчанию

Может, кто-нибудь, распишет тут оптимальные настройки программы? Расскажет настройки автоматизации для трех вариантов использования - BT, WIFI и смарт, в роли точки доступа. Какой самый стабильный из трех вариантов.
mazay66 вне форума   Ответить с цитированием
Старый 14.04.2016, 18:58   #119
ruslaxa
Новый Пользователь
 
Регистрация: 07.02.2016
Регион: 38
Сообщений: 8
ruslaxa is on a distinguished road
По умолчанию

Тут все индивидуально. Зависит от гатжетов, прошивок на них и т.д. и т.п.
ruslaxa вне форума   Ответить с цитированием
Старый 14.04.2016, 22:17   #120
mazay66
Старший Пользователь
 
Регистрация: 17.10.2015
Город: Санкт-Петербург
Регион: 78, 98
Машина: Рено Колеос
Сообщений: 647
mazay66 is a name known to allmazay66 is a name known to allmazay66 is a name known to allmazay66 is a name known to allmazay66 is a name known to allmazay66 is a name known to all
По умолчанию

Понимаю. Не понимаю только как организовать автоматический запуск программы на СМАРТФОНЕ при нахождении в автомобиле. На планшете программа работает в фоновом режиме всегда. А на смартфоне не хочется держать её запущенной всегда. Как организовать запуск программы, например, при появлении зарядки?
mazay66 вне форума   Ответить с цитированием
Ответ


Здесь присутствуют: 1 (пользователей: 0 , гостей: 1)
 

Ваши права в разделе
Вы не можете создавать новые темы
Вы не можете отвечать в темах
Вы не можете прикреплять вложения
Вы не можете редактировать свои сообщения

BB коды Вкл.
Смайлы Вкл.
[IMG] код Вкл.
HTML код Выкл.



Часовой пояс GMT +4, время: 02:52.


Работает на vBulletin® версия 3.8.4.
Copyright ©2000 - 2026, Jelsoft Enterprises Ltd.
Перевод: zCarot