PCCar.ru - Ваш автомобильный компьютер

Вернуться   PCCar.ru - Ваш автомобильный компьютер > Всё Остальное > Проекты > Рабочий журнал

Ответ
 
Опции темы Поиск в этой теме
Старый 13.11.2006, 18:39   #101
Alexx13
Пользователь
 
Регистрация: 09.11.2006
Город: Moscow
Сообщений: 95
Alexx13 will become famous soon enoughAlexx13 will become famous soon enough
По умолчанию Линейный вход

Линейный вход в этой магнитоле подключается к звуко-считывающей головке кассетного механизма и в магнитоллу вставляют кассету без пленки с соединенными между собой катушками. В итоге включаем кассету и вот линейный вход!!!
Alexx13 вне форума   Ответить с цитированием
Старый 13.11.2006, 20:36   #102
Eugene
Страшный Пользователь
 
Аватар для Eugene
 
Регистрация: 28.02.2006
Возраст: 42
Город: Москва
Регион: 77, 97, 99, 177
Машина: 2006\Toyota\Land Cruiser 120 Prado
Сообщений: 661
Eugene will become famous soon enough
По умолчанию

это неправильный подход. качество будет ацтой.
в эрте устанавливают внутрь устройства специальную плату .

а усилитель с 99 процентной вероятностью у нас Пионер...
Eugene вне форума   Ответить с цитированием
Старый 13.11.2006, 22:11   #103
AxiDim
Старший Пользователь
 
Аватар для AxiDim
 
Регистрация: 14.10.2006
Возраст: 42
Город: Новосибирск
Регион: 54
Машина: ОКА 1990, HONDA S-MX
Сообщений: 112
AxiDim is on a distinguished road
По умолчанию

Правельно качество с кассетным адаптером не очень, лучше использовать стерео ФМ передатчик. На радио настраиваеш выбранную частоту и слушаеш и не каких проводо. Найти готовый довольно легко, да и в конструкторах Мастер Кит есть.

По поводу штатного усилителя то скореее всего линеек там вообще нет, по крайней мере не мерседесе их точно нет. Там сигнал с башки подается со встроенного усилителя небольшой мощьности а потом увеличевается в дополнительном. Провода входов обычно довольно тонкие по сравнению с остальными да и прозвонить их можно подключая немощьный динамик (сам такое делал на Гелене).
Кстати в мереновском усилке на выходе дополнительного усилка сигнал выдается через кросовер (фильтр).
И еще есть такое замечательное устройство согласование штатной башки без линеек с нормальным усилком. К сожелению забыл как оно назывется и кокой фирмы. Это что то вроде "абсолютовского блока" но там есть уникальные функции такие как автоматическая настройка амплитуды входа по тестовому диску.

Но прошу заметить что в ГЕРМАНИИ и ЯПОНИЯ взгляды на технику разные.
AxiDim вне форума   Ответить с цитированием
Старый 14.11.2006, 01:02   #104
Eugene
Страшный Пользователь
 
Аватар для Eugene
 
Регистрация: 28.02.2006
Возраст: 42
Город: Москва
Регион: 77, 97, 99, 177
Машина: 2006\Toyota\Land Cruiser 120 Prado
Сообщений: 661
Eugene will become famous soon enough
По умолчанию

FM модулятор в Москве видимо не покатит из-за плотности радиостанций. Да и качество тоже слегка страдает. Найти-то не проблема, всего 500 рублей - и вот оно счастье для регионов.

А для Москвы только впайка линейников.
Там отдельная платка. Активируются по любой кнопке на выбор, обычно АМ. Интересно, кто из нас когда в последний раз слушал радио в амплитйдной модуляции?
Eugene вне форума   Ответить с цитированием
Старый 14.11.2006, 01:12   #105
novorado
Старший Пользователь
 
Аватар для novorado
 
Регистрация: 11.10.2006
Город: ЗАО Москва
Регион: 77, 97, 99, 177
Машина: Ford Focus Mk3.5
Сообщений: 365
novorado is on a distinguished road
По умолчанию

Как наверняка узнать, что этот раз - последний .. Смотря что на кнопку АМ выведено
novorado вне форума   Ответить с цитированием
Старый 15.11.2006, 01:46   #106
AxiDim
Старший Пользователь
 
Аватар для AxiDim
 
Регистрация: 14.10.2006
Возраст: 42
Город: Новосибирск
Регион: 54
Машина: ОКА 1990, HONDA S-MX
Сообщений: 112
AxiDim is on a distinguished road
По умолчанию

Вообще Фм модулятор настраиваю обычно на разрешенную частутоту (88....Мг) для систем какраоке и прочего, и ее забить радиостанцией не как не должны.
Другое дело в Москве наверно и караоке на каждом шагу.
AxiDim вне форума   Ответить с цитированием
Старый 15.11.2006, 12:11   #107
Hamster
Больной. Диагноз "Car PC"
 
Аватар для Hamster
 
Регистрация: 01.09.2005
Возраст: 52
Город: Москва
Регион: 77, 97, 99, 177
Машина: 08\Acura\MDX •••• 07\Honda\Civic 4D
Сообщений: 4,379
Hamster is a splendid one to beholdHamster is a splendid one to beholdHamster is a splendid one to beholdHamster is a splendid one to beholdHamster is a splendid one to beholdHamster is a splendid one to beholdHamster is a splendid one to behold
По умолчанию

Цитата:
Сообщение от Eugene Посмотреть сообщение
это неправильный подход. качество будет ацтой.
в эрте устанавливают внутрь устройства специальную плату
Нифига. Качество отличное. Возможно ты перепутал с "кассетным адаптером", т.е. псевдокассета, которая транслирует сигнал на головку магнитофона, ну а далее он уже идет как обычно. Это да, отстой. Ибо идет дополнительное преобразование сигнала: кассета-головка.

Речь же шла о том, чтобы заменить сигнал с головки магнитофона на свой, сделав таким образом линейных вход. Пустая кассета в данном варианте нужна только для активации входа с магнитофона.
Я думаю платка эртавская как раз и занимается активацией линейного входа.
А если брать схемотехнику, то как правило во всех магнитолах коммутацией входов занимается одна микруха, и ей ваще параллельно, что за вход она коммутирует и передает на усилительный каскад - толи это с тюнера сигнал, толи с CD, толи вообще со стороны
Т.е. эртовский вариант просто более грамотный, но по качеству такой же.


Цитата:
Сообщение от AxiDim
Другое дело в Москве наверно и караоке на каждом шагу
Нет, просто частота 88+ тоже забита радиостанциами Да и помех дохрена...
__________________
Старый проект Honda Accord RHD
Теперь будет Acura MDX 2008 и Honda Civic 4D 2007 и Mitsubishi Outlander XL 2011
Hamster вне форума   Ответить с цитированием
Старый 15.11.2006, 22:50   #108
Eugene
Страшный Пользователь
 
Аватар для Eugene
 
Регистрация: 28.02.2006
Возраст: 42
Город: Москва
Регион: 77, 97, 99, 177
Машина: 2006\Toyota\Land Cruiser 120 Prado
Сообщений: 661
Eugene will become famous soon enough
По умолчанию

Аллес. Забрал сегодня машину из ремонта. Все ОК, как новая.
Теперь надо активизировать работу над компом.

зы. завтра надеюсь заскочить в гаёвну и сообщить "вновь открывшиеся обстоятельства относительно номера машины обичика"...
Eugene вне форума   Ответить с цитированием
Старый 16.11.2006, 01:40   #109
Hamster
Больной. Диагноз "Car PC"
 
Аватар для Hamster
 
Регистрация: 01.09.2005
Возраст: 52
Город: Москва
Регион: 77, 97, 99, 177
Машина: 08\Acura\MDX •••• 07\Honda\Civic 4D
Сообщений: 4,379
Hamster is a splendid one to beholdHamster is a splendid one to beholdHamster is a splendid one to beholdHamster is a splendid one to beholdHamster is a splendid one to beholdHamster is a splendid one to beholdHamster is a splendid one to behold
По умолчанию

Ну что, это гууд! Поменьше уродцев на дорогах тебе!
__________________
Старый проект Honda Accord RHD
Теперь будет Acura MDX 2008 и Honda Civic 4D 2007 и Mitsubishi Outlander XL 2011
Hamster вне форума   Ответить с цитированием
Старый 17.11.2006, 10:37   #110
pyankov
Новый Пользователь
 
Регистрация: 11.11.2006
Возраст: 52
Город: Пермь
Машина: Toyota Land Cruiser Prado(120)
Сообщений: 13
pyankov is on a distinguished road
По умолчанию

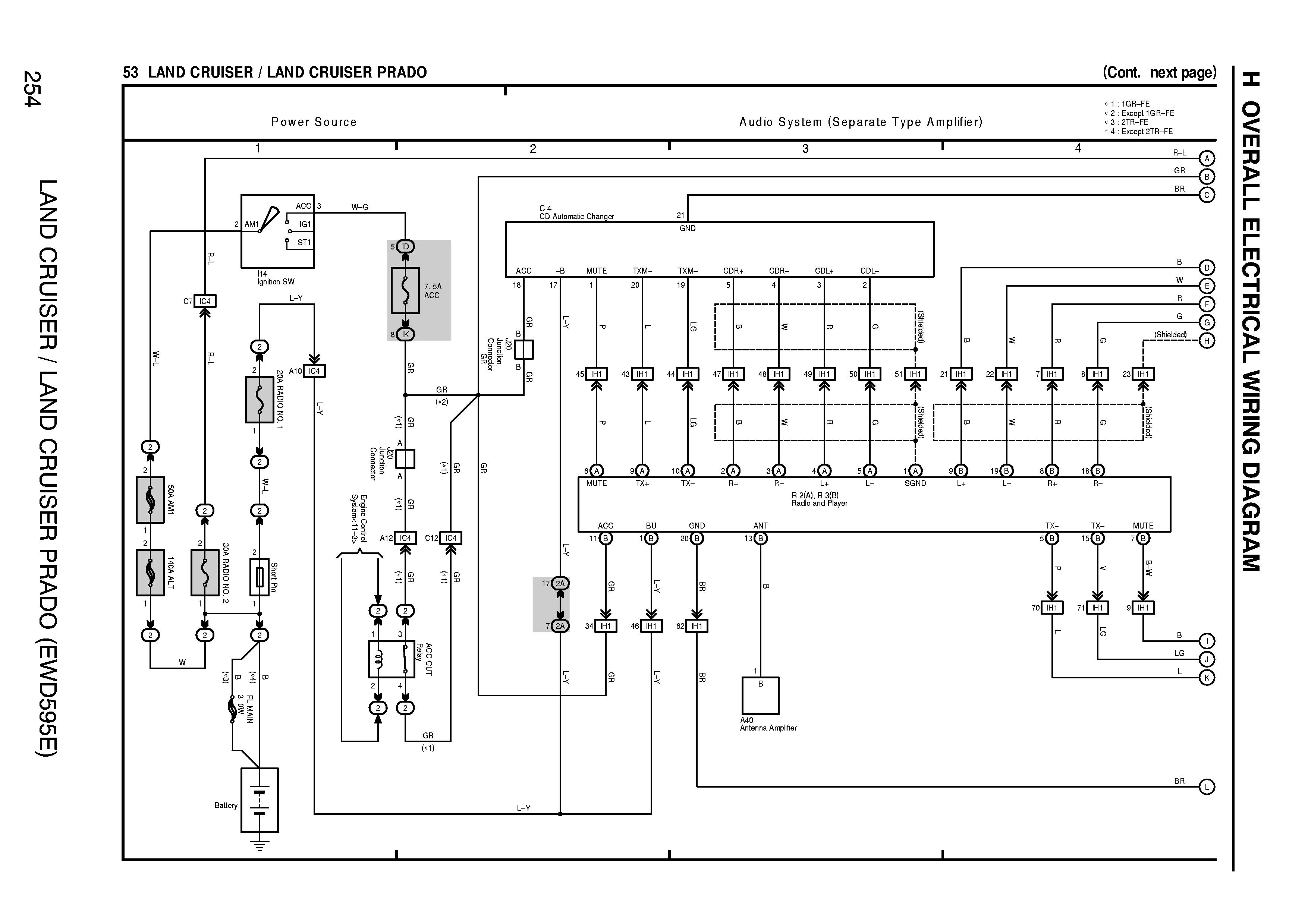
вот схемы и усилка и самой головы. Какие будут соображения, возможно ли его использовать при замене головы на другую, или для усиления 4-1 с компа?
Миниатюры
Нажмите на изображение для увеличения
Название: 256-2.jpg
Просмотров: 2124
Размер:	625.6 Кб
ID:	1121   Нажмите на изображение для увеличения
Название: 256.jpg
Просмотров: 1882
Размер:	575.2 Кб
ID:	1122  
__________________
"все в жизни проходит..., и это тоже..."
pyankov вне форума   Ответить с цитированием
Ответ


Здесь присутствуют: 1 (пользователей: 0 , гостей: 1)
 

Ваши права в разделе
Вы не можете создавать новые темы
Вы не можете отвечать в темах
Вы не можете прикреплять вложения
Вы не можете редактировать свои сообщения

BB коды Вкл.
Смайлы Вкл.
[IMG] код Вкл.
HTML код Выкл.



Часовой пояс GMT +4, время: 05:16.


Работает на vBulletin® версия 3.8.4.
Copyright ©2000 - 2026, Jelsoft Enterprises Ltd.
Перевод: zCarot