PCCar.ru - Ваш автомобильный компьютер

Вернуться   PCCar.ru - Ваш автомобильный компьютер > MP3Car ТехИнфа > Мониторы > Вопросы по прошивкам

Закрытая тема
 
Опции темы Поиск в этой теме
Старый 31.07.2014, 15:20   #1071
Mitroxa
Пользователь
 
Регистрация: 09.07.2012
Возраст: 45
Регион: 27
Сообщений: 70
Mitroxa is on a distinguished road
По умолчанию

Еще хотел добавить пожелание в реализацию настройки авторегулировки. Если нет возможности сделать изменение параметров в обе стороны, то хотя бы сделать возможность быстрое изменение длительным нажатием. А то 250 раз щелкать если пролистал не очень удобно
Mitroxa вне форума  
Старый 31.07.2014, 15:22   #1072
ancc
Гуру
 
Регистрация: 17.03.2008
Возраст: 47
Город: Новокузнецк
Регион: 42
Машина: 2003\Lexus\RX330
Сообщений: 1,192
ancc is a splendid one to beholdancc is a splendid one to beholdancc is a splendid one to beholdancc is a splendid one to beholdancc is a splendid one to beholdancc is a splendid one to beholdancc is a splendid one to behold
По умолчанию

судя по даташиту, попробуйте вывод ENA вообще отключить и отставить подключенным только ШИМ на выход DIM. Это может помочь. Это ко всем относится у кого похожий драйвер. И ENA и DIM скорей всего на одну ногу этого драйвера приходят.
ancc вне форума  
Старый 31.07.2014, 15:25   #1073
ancc
Гуру
 
Регистрация: 17.03.2008
Возраст: 47
Город: Новокузнецк
Регион: 42
Машина: 2003\Lexus\RX330
Сообщений: 1,192
ancc is a splendid one to beholdancc is a splendid one to beholdancc is a splendid one to beholdancc is a splendid one to beholdancc is a splendid one to beholdancc is a splendid one to beholdancc is a splendid one to behold
По умолчанию

Цитата:
Сообщение от Mitroxa Посмотреть сообщение
Еще хотел добавить пожелание в реализацию настройки авторегулировки. Если нет возможности сделать изменение параметров в обе стороны, то хотя бы сделать возможность быстрое изменение длительным нажатием. А то 250 раз щелкать если пролистал не очень удобно
я пробовал и с единичным нажатием и когда можно не отпуска кнопку (повторение), показалось что с единичным гораздо удобнее, т.к. когда включен повтор кнопки довольно быстро меняется значение, попасть в нужное число труднее. Попробую подправить.
ancc вне форума  
Старый 31.07.2014, 15:44   #1074
zizigal
Старший Пользователь
 
Регистрация: 12.03.2008
Возраст: 51
Город: Казань
Регион: 16, 116
Машина: Nexia
Сообщений: 204
zizigal is on a distinguished road
По умолчанию

Объясните пожалуйста, на данной схеме ардуина нужна только для тестирования регулировки подсветки, а доработка платы заключается только в навешивании еепром? Или я что то не понимаю...

zizigal вне форума  
Старый 31.07.2014, 15:55   #1075
ancc
Гуру
 
Регистрация: 17.03.2008
Возраст: 47
Город: Новокузнецк
Регион: 42
Машина: 2003\Lexus\RX330
Сообщений: 1,192
ancc is a splendid one to beholdancc is a splendid one to beholdancc is a splendid one to beholdancc is a splendid one to beholdancc is a splendid one to beholdancc is a splendid one to beholdancc is a splendid one to behold
По умолчанию

у вас вроде старая схема доработки. EEPROM давно не надо, ардуина нужна только если нужно внешнее управление.

ancc вне форума  
Старый 31.07.2014, 16:03   #1076
bfom
Старший Пользователь
 
Аватар для bfom
 
Регистрация: 07.02.2009
Возраст: 49
Город: Севастополь
Регион: другой - для добавления сообщить ab
Машина: Chevrolet Tacuma 2004
Сообщений: 362
bfom is a jewel in the roughbfom is a jewel in the roughbfom is a jewel in the roughbfom is a jewel in the rough
По умолчанию

Цитата:
Сообщение от ancc Посмотреть сообщение
судя по даташиту, попробуйте вывод ENA вообще отключить и отставить подключенным только ШИМ на выход DIM. Это может помочь. Это ко всем относится у кого похожий драйвер. И ENA и DIM скорей всего на одну ногу этого драйвера приходят.
Без Ena не включается
bfom вне форума  
Старый 31.07.2014, 16:07   #1077
Mitroxa
Пользователь
 
Регистрация: 09.07.2012
Возраст: 45
Регион: 27
Сообщений: 70
Mitroxa is on a distinguished road
По умолчанию

У меня тоже. Правда если палец держать на расстоянии около 1см от провода ENA начинает загораться, и чем ближе тем ярче.
Mitroxa вне форума  
Старый 31.07.2014, 20:55   #1078
ancc
Гуру
 
Регистрация: 17.03.2008
Возраст: 47
Город: Новокузнецк
Регион: 42
Машина: 2003\Lexus\RX330
Сообщений: 1,192
ancc is a splendid one to beholdancc is a splendid one to beholdancc is a splendid one to beholdancc is a splendid one to beholdancc is a splendid one to beholdancc is a splendid one to beholdancc is a splendid one to behold
По умолчанию

Цитата:
Сообщение от bfom Посмотреть сообщение
Без Ena не включается
надо кусок схемы срисовывать, как подключен EN и как DIM. В вашем даташите есть типовые схемы включения, нужно подгонять схему чтобы был один вход EN и он же DIM.
ancc вне форума  
Старый 31.07.2014, 21:16   #1079
ancc
Гуру
 
Регистрация: 17.03.2008
Возраст: 47
Город: Новокузнецк
Регион: 42
Машина: 2003\Lexus\RX330
Сообщений: 1,192
ancc is a splendid one to beholdancc is a splendid one to beholdancc is a splendid one to beholdancc is a splendid one to beholdancc is a splendid one to beholdancc is a splendid one to beholdancc is a splendid one to behold
По умолчанию

кстати есть еще вариант, который можно попробовать. Сигнал с ШИМа подать на EN, а DIM оставить незадействованный.
ancc вне форума  
Старый 31.07.2014, 22:47   #1080
bfom
Старший Пользователь
 
Аватар для bfom
 
Регистрация: 07.02.2009
Возраст: 49
Город: Севастополь
Регион: другой - для добавления сообщить ab
Машина: Chevrolet Tacuma 2004
Сообщений: 362
bfom is a jewel in the roughbfom is a jewel in the roughbfom is a jewel in the roughbfom is a jewel in the rough
По умолчанию

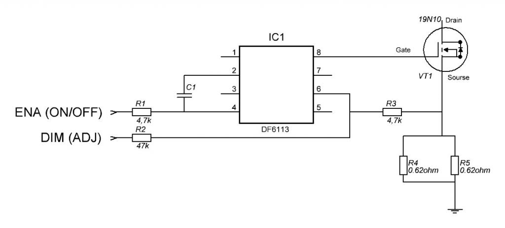
На пине DIM
Backlight 100% минимальная яркость___3,18 v
Backlight 50% Средняя яркость_______1,56 v
Backlight 0% Максимальная яркость__0,00 v

На пине ENA__________________________2,92 v

Цитата:
кстати есть еще вариант, который можно попробовать. Сигнал с ШИМа подать на EN, а DIM оставить незадействованный.
Попробовал, не светит.

Кусок схемы набросал
Миниатюры
Нажмите на изображение для увеличения
Название: 6113.jpg
Просмотров: 1115
Размер:	27.0 Кб
ID:	36673  
bfom вне форума  
Закрытая тема


Здесь присутствуют: 1 (пользователей: 0 , гостей: 1)
 

Ваши права в разделе
Вы не можете создавать новые темы
Вы не можете отвечать в темах
Вы не можете прикреплять вложения
Вы не можете редактировать свои сообщения

BB коды Вкл.
Смайлы Вкл.
[IMG] код Вкл.
HTML код Выкл.



Часовой пояс GMT +4, время: 08:19.


Работает на vBulletin® версия 3.8.4.
Copyright ©2000 - 2026, Jelsoft Enterprises Ltd.
Перевод: zCarot