PCCar.ru - Ваш автомобильный компьютер

Вернуться   PCCar.ru - Ваш автомобильный компьютер > MP3Car ТехИнфа > AndroidCar > Питание

Ответ
 
Опции темы Поиск в этой теме
Старый 25.11.2015, 13:38   #1051
sandr2010
Гуру
 
Регистрация: 13.11.2011
Возраст: 62
Город: Волгоград
Регион: 34
Машина: Mitsubishi RVR, Chery Tiggo
Сообщений: 1,780
sandr2010 is a jewel in the roughsandr2010 is a jewel in the roughsandr2010 is a jewel in the roughsandr2010 is a jewel in the rough
По умолчанию

С асусовской зарядкой (новой,планшетной)на китайфоне имею иногда фантомы.
sandr2010 вне форума   Ответить с цитированием
Старый 25.11.2015, 16:09   #1052
LeoBlack
Пользователь
 
Регистрация: 31.10.2015
Город: Спб
Регион: 78, 98
Машина: Ниссан Классик
Сообщений: 52
LeoBlack is on a distinguished road
По умолчанию

Цитата:
Сообщение от sandr2010 Посмотреть сообщение
Могу предположить,что ноутбучный блок питания возможно не дает чистого питания или дает какую-то гармонику.
Есть контакт, взял другой блок (еще и с ферритовым кольцом) проблема отпала...
LeoBlack вне форума   Ответить с цитированием
Старый 25.11.2015, 16:18   #1053
sandr2010
Гуру
 
Регистрация: 13.11.2011
Возраст: 62
Город: Волгоград
Регион: 34
Машина: Mitsubishi RVR, Chery Tiggo
Сообщений: 1,780
sandr2010 is a jewel in the roughsandr2010 is a jewel in the roughsandr2010 is a jewel in the roughsandr2010 is a jewel in the rough
По умолчанию

Вот и вся проблема
sandr2010 вне форума   Ответить с цитированием
Старый 28.11.2015, 22:53   #1054
youstm
Пользователь
 
Регистрация: 13.05.2014
Возраст: 45
Регион: 78, 98
Сообщений: 83
youstm is on a distinguished road
По умолчанию

есть у кого схема как правильно включать планшет через датчик холла.. и погопин при этом задействован?
__________________
Mazda 3, Nexus 7 wifi 2012
youstm вне форума   Ответить с цитированием
Старый 28.11.2015, 23:16   #1055
oleg707
Гуру
 
Аватар для oleg707
 
Регистрация: 16.04.2014
Возраст: 41
Город: Gdynia
Регион: другой - для добавления сообщить ab
Сообщений: 2,548
oleg707 has a reputation beyond reputeoleg707 has a reputation beyond reputeoleg707 has a reputation beyond reputeoleg707 has a reputation beyond reputeoleg707 has a reputation beyond reputeoleg707 has a reputation beyond reputeoleg707 has a reputation beyond reputeoleg707 has a reputation beyond reputeoleg707 has a reputation beyond reputeoleg707 has a reputation beyond repute
По умолчанию

Цитата:
Сообщение от youstm Посмотреть сообщение
есть у кого схема как правильно включать планшет через датчик холла.. и погопин при этом задействован?
есть
oleg707 вне форума   Ответить с цитированием
Старый 08.01.2016, 12:26   #1056
foketgod
Пользователь
 
Регистрация: 11.04.2015
Возраст: 38
Регион: 29
Сообщений: 52
foketgod is on a distinguished road
По умолчанию

delete
foketgod вне форума   Ответить с цитированием
Старый 09.01.2016, 23:23   #1057
SiC20101
Пользователь
 
Аватар для SiC20101
 
Регистрация: 01.04.2015
Город: Кашира
Регион: 50, 90, 150
Машина: Honda Civic
Сообщений: 67
SiC20101 is on a distinguished road
По умолчанию

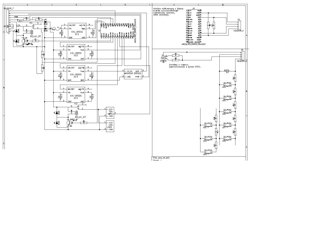
Добрый всем вечер. Прошу посмотрите пожалуйста мою схему блока питания для андройд платы. Основана она куске схемы от yamm (управление силовой частью), и модулях кис. номиналов не расставлено, так как это моя первая работа (в плане рисования схем). по причине этого очень прошу критики и пинков в мягкое место
рисовал в kicad проект прикладываю в архиве.
Картинка плохого качества так что вот ссылка на оригинал https://yadi.sk/i/DbanyfoRmmNjD
Миниатюры
Нажмите на изображение для увеличения
Название: блок питания.jpg
Просмотров: 786
Размер:	66.5 Кб
ID:	42165  
Вложения
Тип файла: zip pow_ver2.zip (13.9 Кб, 520 просмотров)
__________________
съем мозг чайной ложкой.... извиняюсь
SiC20101 вне форума   Ответить с цитированием
Старый 10.01.2016, 01:59   #1058
oleg707
Гуру
 
Аватар для oleg707
 
Регистрация: 16.04.2014
Возраст: 41
Город: Gdynia
Регион: другой - для добавления сообщить ab
Сообщений: 2,548
oleg707 has a reputation beyond reputeoleg707 has a reputation beyond reputeoleg707 has a reputation beyond reputeoleg707 has a reputation beyond reputeoleg707 has a reputation beyond reputeoleg707 has a reputation beyond reputeoleg707 has a reputation beyond reputeoleg707 has a reputation beyond reputeoleg707 has a reputation beyond reputeoleg707 has a reputation beyond repute
Question

Цитата:
Сообщение от SiC20101 Посмотреть сообщение
Добрый всем вечер. Прошу посмотрите пожалуйста мою схему блока питания для андройд платы. Основана она куске схемы от yamm (управление силовой частью), и модулях кис. номиналов не расставлено, так как это моя первая работа (в плане рисования схем). по причине этого очень прошу критики и пинков в мягкое место
рисовал в kicad проект прикладываю в архиве.
Картинка плохого качества так что вот ссылка на оригинал https://yadi.sk/i/DbanyfoRmmNjD
критика ( раз сильно просили)
1- качество картинки бяка ( сохраняйте в гиф 256 серого)
2- на DC1 идет предохранитель, а остальные обделили? Непоследовательно. Не помню как на модулях KIS, а на KIW3312s преды есть на плате ( резаки 805 0ом), достаточно общего преда на плату и дорожки тонкие перед платой сделать.
3- не вникал, зачем так много кисов, но я бы заменял на KIW, ввиду того, что места в 2 раза меньше занимает.
4- выход DC1 идёт на Vin ардуины. Бред. Либо на 5,0В вести, либо поставить пару диодов на Vin и выкинуть DC1.
5- NANO не подходит для имитации мультимедийной клавы без танцев с бубном ( надо леонардо или про микро вроде, с другим процем)
6- на Q1и Q2 не хватает подтяжки с Б на К.
7-D2 и D6 что делают?! походу лишние.
8- реле К1 в качестве самозапитки - хорошая штука, чтобы посадить АКБ. Для остального - бред. Используйте полевые или не очень транзисторы ( заодно и габариты поменьше будут) ( можете слизать входной узел с моего блока питания, там и самозапитка реализована программная.
9- я бы и K2 выкинул за компанию, а впихнул бы еще 2 транзюка.
oleg707 вне форума   Ответить с цитированием
Старый 10.01.2016, 05:38   #1059
SiC20101
Пользователь
 
Аватар для SiC20101
 
Регистрация: 01.04.2015
Город: Кашира
Регион: 50, 90, 150
Машина: Honda Civic
Сообщений: 67
SiC20101 is on a distinguished road
По умолчанию

Спасибо большое за критику, постараюсь пояснить:
1- Картинка да действительно, шлак полный. И ту с трудом сделал. В Kicad нельзя схему сохранить в jpg или ещё чем, только их формат, мало того всё это безобразие у меня работает под ОС Linux, а это как с завязанными за спиной руками.
2- Про предохранитель я в курсе. (просто про него сначала забыл), а что бы правильно его вставить надо было бы чуть ли не всю схему перерисовать...
3- Всё просто, они уже в наличии...
4- Где-то читал что нано держит до 12V, а на заведенном авто 14,5V если я не ошибаюсь. Ну это вы и без меня в курсе...
5- Так же в курсе, это просто не отражено в схеме. Уже в наличии аж 2 штуки. вот такие http://www.aliexpress.com/snapshot/7...71605236861299
6;7- А х... его знает, взято из схемы yamm вот посмотрите...
8;9 - Для меня это тёмный лес, я уже всю голову себе сломал с этими транзисторами, не могу понять что и как... единственное знаю что мне нужно где-то 20А тока пропускать на всё это "барахло". А как это реализовать на транзисторах не могу понять, вот и делаю на реле.
Миниатюры
Нажмите на изображение для увеличения
Название: POWER 1.jpg
Просмотров: 652
Размер:	53.2 Кб
ID:	42167  
__________________
съем мозг чайной ложкой.... извиняюсь
SiC20101 вне форума   Ответить с цитированием
Старый 10.01.2016, 16:32   #1060
oleg707
Гуру
 
Аватар для oleg707
 
Регистрация: 16.04.2014
Возраст: 41
Город: Gdynia
Регион: другой - для добавления сообщить ab
Сообщений: 2,548
oleg707 has a reputation beyond reputeoleg707 has a reputation beyond reputeoleg707 has a reputation beyond reputeoleg707 has a reputation beyond reputeoleg707 has a reputation beyond reputeoleg707 has a reputation beyond reputeoleg707 has a reputation beyond reputeoleg707 has a reputation beyond reputeoleg707 has a reputation beyond reputeoleg707 has a reputation beyond repute
Lightbulb

Цитата:
Сообщение от SiC20101 Посмотреть сообщение
Спасибо большое за критику, постараюсь пояснить:
1- Картинка да действительно, шлак полный. И ту с трудом сделал. В Kicad нельзя схему сохранить в jpg или ещё чем, только их формат, мало того всё это безобразие у меня работает под ОС Linux, а это как с завязанными за спиной руками.
2- Про предохранитель я в курсе. (просто про него сначала забыл), а что бы правильно его вставить надо было бы чуть ли не всю схему перерисовать...
3- Всё просто, они уже в наличии...
4- Где-то читал что нано держит до 12V, а на заведенном авто 14,5V если я не ошибаюсь. Ну это вы и без меня в курсе...
5- Так же в курсе, это просто не отражено в схеме. Уже в наличии аж 2 штуки. вот такие http://www.aliexpress.com/snapshot/7...71605236861299
6;7- А х... его знает, взято из схемы yamm вот посмотрите...
8;9 - Для меня это тёмный лес, я уже всю голову себе сломал с этими транзисторами, не могу понять что и как... единственное знаю что мне нужно где-то 20А тока пропускать на всё это "барахло". А как это реализовать на транзисторах не могу понять, вот и делаю на реле.
1 - sPlan в помощь. Или diptrace.
4 - ставить 2 -4 диода последовательно, на каждом падение -0,5-1,5 вольта.
6 - 6- на Q1и Q2 не хватает подтяжки с Б на К. - ну поставьте 1 килоом туда, главная задача загнать транзюк в ключевой режим, подав напряжение выше полного напряжения открытия на базу.
7 - ввыкинуть. Диоды ставят в обмотки рэле Защита от обратного тока катушек индуктивности
9 - на тебе образец, что ли


Вообще тяжело расписывать АЗЫ, вам бы макетку и тренироваться.
oleg707 вне форума   Ответить с цитированием
Ответ


Здесь присутствуют: 1 (пользователей: 0 , гостей: 1)
 

Ваши права в разделе
Вы не можете создавать новые темы
Вы не можете отвечать в темах
Вы не можете прикреплять вложения
Вы не можете редактировать свои сообщения

BB коды Вкл.
Смайлы Вкл.
[IMG] код Вкл.
HTML код Выкл.



Часовой пояс GMT +4, время: 19:08.


Работает на vBulletin® версия 3.8.4.
Copyright ©2000 - 2026, Jelsoft Enterprises Ltd.
Перевод: zCarot