PCCar.ru - Ваш автомобильный компьютер

Вернуться   PCCar.ru - Ваш автомобильный компьютер > Всё Остальное > Проекты > Рабочий журнал

Ответ
 
Опции темы Поиск в этой теме
Старый 31.10.2012, 08:39   #1
alexvtk
Гуру
 
Аватар для alexvtk
 
Регистрация: 08.04.2011
Город: Железногорск, Красноярский край
Регион: 24
Машина: Toyota Prius NHW20, 2008, Park Assist (продана), Chevrolet Lanos, 2006, 1,5
Сообщений: 1,612
alexvtk is just really nicealexvtk is just really nicealexvtk is just really nicealexvtk is just really nicealexvtk is just really nice
По умолчанию Андроид планшет как CarPC в Toyota Prius II. "Бескровная" установка

Описание CarPC на базе планшета Ployer momo9

Почему планшет на Андроиде? Потому что компьютер на Винде уже был в предыдущей машине и все специфические сопутствующие «прелести» я вкусил. Почему планшет Ployer momo9? Потому что он построен на процессоре Allwinner A10 и к весне этого года известный в Андроид кругах забугорный ромодел Кристиан Трой наваял целую линейку кастомных прошивок СМ9 для таблеток на А10, поддерживающих внешний USB DAC, Bluetooth донглы и USB GPS. Да и потому что на момент начала построения Андроид КарПиси он просто у меня был.

Планшет устанавливался в гибрид Toyota Prius NHW20, 2008, Park Assist, которая имеет штатную камеру заднего хода, систему автопарковки и отличную штатную bluetooth hands-free. Плюсом леворукого Приуса оказалось наличие AUX-IN под крышкой подлокотника и рядом с ним гнезда прикуривателя. Регистратор использую в виде отдельного девайса. Компу регистрацию не доверяю. Ненадежно.
Планшету оставлены следующие функции: музыка, видео, навигация, диагностика по OBDII, интернет.
Главная задача «бескровная инсталляция», т.е. не трогать торпеду, но встроить планшет максимально органично в интерьер панели (хотя бы по-моему мнению «органично»). Вариант «оперативного вмешательства» уже проходил на Toyota Vitz, встраивая китайский моник с тачем вместо штатной магнитолы.

Комплектующие
Собственно 7 дюймовый планшет Ployer momo9 с минимальными доработками. Выведено внешнее питание (штатный разъем подключения зарядника очень «хлипкий») и пара проводников от контактов кнопки Power для организации просыпания-засыпания планшета по наличию-отсутствию АСС.
Нажмите на изображение для увеличения
Название: 02 Планшет.jpg
Просмотров: 3652
Размер:	212.5 Кб
ID:	28339 Нажмите на изображение для увеличения
Название: 03 Планшет (тыл)2.jpg
Просмотров: 3529
Размер:	228.6 Кб
ID:	28340

Wi-Fi маршрутизатор TPLINK-MR3020 и Мегафон модем.
Нажмите на изображение для увеличения
Название: 07 Роутер и модем.jpg
Просмотров: 7656
Размер:	112.1 Кб
ID:	28341 Нажмите на изображение для увеличения
Название: 08 УСБ ЖПС.jpg
Просмотров: 2913
Размер:	121.1 Кб
ID:	28342

Bluetooth GPS приемник. В процессе отладки «на столе» пробовал популярный USB GPS приемник BU-353. Работал, но под Андроидом требуется прога, которая нестабильно автостартует. Остановился на BT GPS. Никаких дополнительных прог не потребовалось. BT GPS поселился в бардачке, батарея вынута, запитан по гнезду зарядки от АСС через DC-DC 5V.

USB Audio. Приобретено 3 внешних USB Audio: нонейм за 1,5 бакса, типа «брендовый» "SoundBlaster Play!" и плата DAC на PCM2704 (еще едет почтой из Китая). Никакой разницы между нонейм и "SoundBlaster Play!" не ощутил. Но ощущается отличие в лучшую сторону у обеих звуковух от выхода на наушники планшета.
Нажмите на изображение для увеличения
Название: USB Audio Noname.jpg
Просмотров: 2491
Размер:	199.4 Кб
ID:	28343 Нажмите на изображение для увеличения
Название: 14 USB Audio2.jpg
Просмотров: 2241
Размер:	175.4 Кб
ID:	28344

На подходе такая платка http://www.aliexpress.com/item/Frees...548543837.html

USB хаб. Ничего особенного, Defender на 4 входа. Со стороны планшета провод +5В в хабе отпаян. Только внешнее питание от АСС через 5В DC-DC стабилизатор.
Нажмите на изображение для увеличения
Название: USB hub Defender.jpg
Просмотров: 2464
Размер:	259.8 Кб
ID:	28345 Нажмите на изображение для увеличения
Название: 13 БТ свисток.jpg
Просмотров: 2291
Размер:	195.3 Кб
ID:	28346

USB Bluetooth донгл.
Старенький Orient. Работает с Андроид очень стабильно. Проблем с режимом сна нет.

Адаптер OBDII Bluetooth ELM327
Нажмите на изображение для увеличения
Название: BTELM.jpg
Просмотров: 20946
Размер:	20.4 Кб
ID:	28347

Блок питания и автоматики.

Внешнее питание планшета 5В 3А собрано на модуле KIS-3R33S.
Нажмите на изображение для увеличения
Название: 11 Модуль питания MP2307 3A DC to DC Step-down.jpg
Просмотров: 2862
Размер:	267.8 Кб
ID:	28350 Нажмите на изображение для увеличения
Название: Автоматика2.jpg
Просмотров: 12499
Размер:	37.5 Кб
ID:	28349

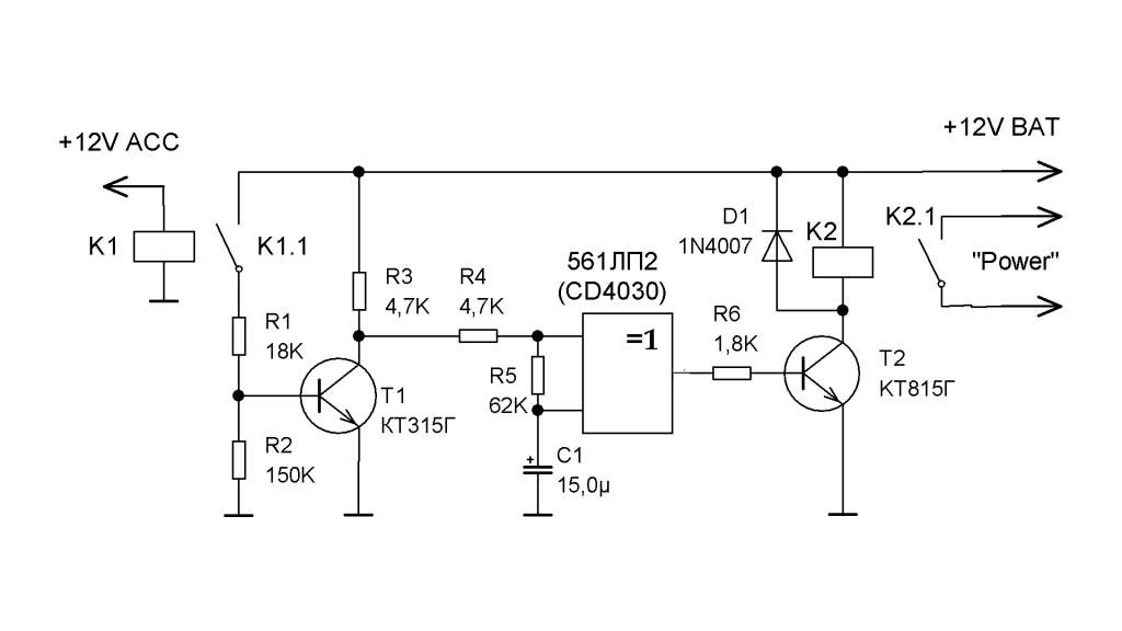
Для «нажатия» кнопки Power классическая схема на К561ЛП2. При появлении – пропадании АСС реле на секунду замыкает контакты кнопки Power планшета.Тут масса вариантов, можно и микроконтроллеры. Мне привычней и надежней два реле, два транзистора и одна К-МОП микросхема.

Получилось так:
Нажмите на изображение для увеличения
Название: БП_и_автоматики_плата.jpg
Просмотров: 2872
Размер:	175.5 Кб
ID:	28351 Нажмите на изображение для увеличения
Название: БП_и_автоматики1.jpg
Просмотров: 2230
Размер:	276.5 Кб
ID:	28352 Нажмите на изображение для увеличения
Название: УСБ5ВотПрикуривателя.jpg
Просмотров: 2282
Размер:	189.6 Кб
ID:	28353

Для питания USB GPS и USB HUB от АСС использованы «затычки» в прикуриватель.

Софт

1. Прошивка: Cyanogenmod9 2012-09-13 с поддержкой BT, USB Audio, USB GPS
2. Автоматика: Tasker и AutomateIt
3. Аудиоплеер: PowerAmp
4. Видеоплеер: MXPlayer
5. Интернет радио: TuneIn Radio
6. Интернет телефония: Skype
7. Диагностика: Torque
8. Навигация: 7Дорог, Сити Гид , Навител, Яндекс пробки
9. Оформление рабочего стола: Desktop VisualizeR


Схема коммутации
Планшет никогда не выключается полностью. Уводится в сон. Батарея в планшете оставлена.

Нажмите на изображение для увеличения
Название: Схема.jpg
Просмотров: 7689
Размер:	58.0 Кб
ID:	28354


Инсталяция в машину

Инсталяция – это громко сказано. Одной из задач было не «дорабатывать напильником» торпеду. Было решено пожертвовать целевым назначением «бардачка» под штатной магнитолой. Для крепления был придуман кронштейн из трех деталей. Изготовлен из пластика (использована нижняя часть старой клавиатуры). Для закрепления планшета на кронштейне использована лента застежки-липучки. Верхним краем планшет входит под нижний край панели магнитолы куда подклеен кусочек уплотнителя для окон, чтобы планшет не дребезжал.
Вот макет кронштейна из картона. И вот готовый кронштейн в машине.
Нажмите на изображение для увеличения
Название: Макет_крепления.jpg
Просмотров: 2842
Размер:	208.4 Кб
ID:	28355Нажмите на изображение для увеличения
Название: Крепление.jpg
Просмотров: 3820
Размер:	292.0 Кб
ID:	28360

Так это выглядит в итоге. Хаб в подлокотнике.
Нажмите на изображение для увеличения
Название: Планшет_в_машине2.jpg
Просмотров: 5624
Размер:	233.1 Кб
ID:	28357 Нажмите на изображение для увеличения
Название: Хаб_в_подлокотнике.jpg
Просмотров: 3194
Размер:	288.8 Кб
ID:	28358

Скрин рабочего стола.
Нажмите на изображение для увеличения
Название: Рабочий стол.jpg
Просмотров: 4692
Размер:	61.5 Кб
ID:	28361

Принципиальный апгpейд не планирую. Попробую как будет звучать идущая почтой платка DAC на PCM2704, и, возможно, перенесу блок питания и автоматики поближе к планшету (в неиспользуемый теперь бардачок под магнитолой за планшетом).

А все таки не утерпел. Тут апгрейд проекта.
__________________
Toyota Prius NHW20, 2008, Park Assist, Android CarPc: планшет 7" Ployer momo9 (Allwinner A10) - заменен на Pipo U1pro, Bluetooth GPS, диагностика BT ELM327, Мегафон модем и Wi-Fi роутер TPLINK-MR3020. Фильтр помех по звуку на ВА3121.
(продана)
Chevrolet Lanos, 2006, 1,5. Андроид ГУ Infidini, 2й монитор с тач. контроллером от YAM, кзх, БК Multitronics MPC-800

Мой проект
Апгрейд проекта
Видео
Видео оболочки
Видео оболочки 2

Видео апгрейда

Последний раз редактировалось alexvtk; 27.02.2013 в 19:37.
alexvtk вне форума   Ответить с цитированием
Старый 31.10.2012, 11:39   #2
macau
Старший Пользователь
 
Регистрация: 22.10.2012
Регион: 78, 98
Сообщений: 758
macau is just really nicemacau is just really nicemacau is just really nicemacau is just really nice
По умолчанию

а есть ли готовые варианты для питания планшета и кнопки?
macau вне форума   Ответить с цитированием
Старый 01.11.2012, 20:45   #3
maxkuz
Старший Пользователь
 
Регистрация: 22.02.2011
Регион: 77, 97, 99, 177
Сообщений: 210
maxkuz is on a distinguished road
По умолчанию

С таким же успехом можно его было тупо прилепить на присоску к лобовухе и воткнуть в прикуриватель...смотрится чужеродно. Имея современный штатный монитор с примочками, необходимость в планшете пропадает, безсмыслица и нагромождение "огорода".
maxkuz вне форума   Ответить с цитированием
Старый 01.11.2012, 20:59   #4
Hamster
Больной. Диагноз "Car PC"
 
Аватар для Hamster
 
Регистрация: 01.09.2005
Возраст: 52
Город: Москва
Регион: 77, 97, 99, 177
Машина: 08\Acura\MDX •••• 07\Honda\Civic 4D
Сообщений: 4,379
Hamster is a splendid one to beholdHamster is a splendid one to beholdHamster is a splendid one to beholdHamster is a splendid one to beholdHamster is a splendid one to beholdHamster is a splendid one to beholdHamster is a splendid one to behold
По умолчанию

Цитата:
Сообщение от maxkuz Посмотреть сообщение
С таким же успехом можно его было тупо прилепить на присоску к лобовухе и воткнуть в прикуриватель...
Да ладно... Смотрится как раз хорошо, да низкова-то, но это уже другой вопрос.
Соглашусь с Alex-NN, тема про андроид планшеты уже за 200 страниц, а проектов с фотками очень мало.
__________________
Старый проект Honda Accord RHD
Теперь будет Acura MDX 2008 и Honda Civic 4D 2007 и Mitsubishi Outlander XL 2011
Hamster вне форума   Ответить с цитированием
Старый 01.11.2012, 21:20   #5
Gorynch
Старший Пользователь
 
Аватар для Gorynch
 
Регистрация: 22.04.2009
Возраст: 44
Город: Москва
Регион: 77, 97, 99, 177
Машина: 2005\Nissan\X-Trail
Сообщений: 775
Gorynch has a reputation beyond reputeGorynch has a reputation beyond reputeGorynch has a reputation beyond reputeGorynch has a reputation beyond reputeGorynch has a reputation beyond reputeGorynch has a reputation beyond reputeGorynch has a reputation beyond reputeGorynch has a reputation beyond repute
По умолчанию

картинок бы побольше, и при свете )

а так - хорошо
__________________
В детстве, чтобы маленький Змей Горыныч был как все, мама заплетала его в косичку
Gorynch вне форума   Ответить с цитированием
Старый 01.11.2012, 21:56   #6
DmitrySmol
Старший Пользователь
 
Аватар для DmitrySmol
 
Регистрация: 20.04.2011
Возраст: 47
Город: Минск
Регион: Беларусь
Машина: Subaru Forester '09
Сообщений: 646
DmitrySmol is a glorious beacon of lightDmitrySmol is a glorious beacon of lightDmitrySmol is a glorious beacon of lightDmitrySmol is a glorious beacon of lightDmitrySmol is a glorious beacon of light
По умолчанию

Нормуль все, кроме крепления и высоты (как мне кажется). А штатный лучше не трогать .. написано ведь здесь: "Бескровная" установка. На присоске такое получить тоже можно, но вопрос ведь не в этом .. А в GPS, Audio, 3G, WiFi и диагностике на android.

alexvtk, есть вопросы ..
1. как насчет саморазряда в режиме сна?
2. хаб, питание для него отрубается при выключении ACC?
3. в KIS-3R33S вроде нет гальванической развязки по земле, что насчет помех по звуку?
__________________
Мой проект:
SUBARU Forester '09

Последний раз редактировалось DmitrySmol; 01.11.2012 в 23:49.
DmitrySmol вне форума   Ответить с цитированием
Старый 02.11.2012, 01:22   #7
s.m.
Гуру
 
Регистрация: 20.07.2009
Город: Минск
Регион: Беларусь
Сообщений: 1,543
s.m. is a splendid one to beholds.m. is a splendid one to beholds.m. is a splendid one to beholds.m. is a splendid one to beholds.m. is a splendid one to beholds.m. is a splendid one to beholds.m. is a splendid one to behold
По умолчанию

Цитата:
На подходе такая платка http://www.aliexpress.com/item/Frees...548543837.html
То, что на выходе стоят пленочные конденсаторы - это правильно для качества звука, а вот то, что такой USB разъем - нет, ибо кабель нужен нестандартный уже.
s.m. вне форума   Ответить с цитированием
Старый 02.11.2012, 09:53   #8
alexvtk
Гуру
 
Аватар для alexvtk
 
Регистрация: 08.04.2011
Город: Железногорск, Красноярский край
Регион: 24
Машина: Toyota Prius NHW20, 2008, Park Assist (продана), Chevrolet Lanos, 2006, 1,5
Сообщений: 1,612
alexvtk is just really nicealexvtk is just really nicealexvtk is just really nicealexvtk is just really nicealexvtk is just really nice
По умолчанию

Цитата:
Сообщение от maxkuz Посмотреть сообщение
С таким же успехом можно его было тупо прилепить на присоску к лобовухе и воткнуть в прикуриватель...смотрится чужеродно. Имея современный штатный монитор с примочками, необходимость в планшете пропадает, безсмыслица и нагромождение "огорода".
У каждого свое мнение. У меня не было задачи разворотить штатную панель (это уже пройдено на другой машине) и моник. Тем более, что нет реальных решений под Андроид. Точнее говоря, якобы, есть некие платы, которыми торгуют из Австралии, но сайт больше похож на фейк или мошенничество. У Примуса дохрена примочек на штатном монике, только много бесполезных. Возьмем навигацию. Последние карты нави Е15 с картой Росии для Приуса и Лексуса убогие. Нарезка их наболванку, как оказалось, те еще танцы с бубном (можно почитать на сайтах примусоводов) Диск русификации Нави толкают в нете за 4тр. Трип компьютет показывает красивый мультик с крутящимися колесиками и стрелками направления движения энергии от двигателей и зарядки большой батарейки. Из полезного только расход на 100 км и рекуперацию. Хэндз-фри и КЗХ, отмечу, работают надежно. Оно мне надо такие "примочки"? Диагностика по ЕЛМ дает мне полную инфу о большой батарейке и много еще полезного даже для такого дилетанта, как я. За такую диагостику при покупке машины я заплатил "спецам" 600 р. А теперь каждый раз нажимая кнопку Torque я не плачу ничего
Насчет нагромождения... А что там нагромождено? От нижнего края магнитолы под углом еще одна плоскость - планшет. Из него сбоку торчит мини усб. И все. Остальное не видно.

Цитата:
Сообщение от Gorynch Посмотреть сообщение
картинок бы побольше, и при свете )
Сделаю в выходные днем фотки и возможно видео.

Цитата:
Сообщение от DmitrySmol Посмотреть сообщение
1. как насчет саморазряда в режиме сна?
2. хаб, питание для него отрубается при выключении ACC?
3. в KIS-3R33S вроде нет гальванической развязки по земле, что насчет помех по звуку?
Нет саморазряда в режиме сна, тк плаштет запитан от АКБ батареи машины. Поскольку батарея все время 100%, то потребление режиме сна от АКБ машины около 40мА.
Питание хаба отрубается при отключении АСС. Проблем с подхватыванием устройств при пробуждении планшета и включении хаба нет.
Да, в KIS нет гальванической развязки. Помехи по питанию все-таки есть. На макс громкости на паузе слышны легкие потрескивания. Можно было бы с ними побороться выведя общий от контура платы планшета и толстенным проводником искать точку заземления, либо землиться от общего аналогового выхода DAC (кучу вариантов пришлось бы попробовать), но я забил на этот неблагодарный и тяжкий процесс Да и не слушаю паузу на максимальной громкости

Цитата:
Сообщение от s.m. Посмотреть сообщение
То, что на выходе стоят пленочные конденсаторы - это правильно для качества звука, а вот то, что такой USB разъем - нет, ибо кабель нужен нестандартный уже.
Кабель будет подпаян непосредственно на плату DAC.
По большому счету все эти УСБ разъемы, особенно миниусб - полное дерьмо в контексте использования в машине. Надо бы просто припаять БТ УСБ и кабель от DAC напрямую к плате хаба. Возможно так и сделаю впоследствии. А DAC в идеале запитать от отдельной батарейки вообще. Но это уже, типа, Hi-End.

ЗЫ: тут, конечно, есть лазейки для помех по земле, например, питание хаба. В идеале надо бы делать качественные источники с гальванической развязкой и землить уже общий контакт входного гнезда AUX-IN.
__________________
Toyota Prius NHW20, 2008, Park Assist, Android CarPc: планшет 7" Ployer momo9 (Allwinner A10) - заменен на Pipo U1pro, Bluetooth GPS, диагностика BT ELM327, Мегафон модем и Wi-Fi роутер TPLINK-MR3020. Фильтр помех по звуку на ВА3121.
(продана)
Chevrolet Lanos, 2006, 1,5. Андроид ГУ Infidini, 2й монитор с тач. контроллером от YAM, кзх, БК Multitronics MPC-800

Мой проект
Апгрейд проекта
Видео
Видео оболочки
Видео оболочки 2

Видео апгрейда

Последний раз редактировалось alexvtk; 02.11.2012 в 11:28.
alexvtk вне форума   Ответить с цитированием
Старый 02.11.2012, 12:46   #9
s.m.
Гуру
 
Регистрация: 20.07.2009
Город: Минск
Регион: Беларусь
Сообщений: 1,543
s.m. is a splendid one to beholds.m. is a splendid one to beholds.m. is a splendid one to beholds.m. is a splendid one to beholds.m. is a splendid one to beholds.m. is a splendid one to beholds.m. is a splendid one to behold
По умолчанию

Цитата:
Приобретено 3 внешних USB Audio: нонейм за 1,5 бакса
купил такой вчера на подмену умершему DAC - на низких уровнях громкости ужасные искажения. Не хочет нормально работать в OTG, много помех от рядом подключенного hdd, издает громкий щелчок при появлении звука. PCM звучал в разы лучше, особенно в наушниках. Жду новый DAC PCM2704 с eBAy. Кстати, осторожно с ним!
У меня умер один PCM2704 в процессе экспериментов, даже не понял почему, может статика. Теперь "устройство не опознано" на всех компах с Виндой.
s.m. вне форума   Ответить с цитированием
Старый 02.11.2012, 13:17   #10
alexvtk
Гуру
 
Аватар для alexvtk
 
Регистрация: 08.04.2011
Город: Железногорск, Красноярский край
Регион: 24
Машина: Toyota Prius NHW20, 2008, Park Assist (продана), Chevrolet Lanos, 2006, 1,5
Сообщений: 1,612
alexvtk is just really nicealexvtk is just really nicealexvtk is just really nicealexvtk is just really nicealexvtk is just really nice
По умолчанию

Цитата:
Сообщение от s.m. Посмотреть сообщение
купил такой вчера на подмену умершему DAC - на низких уровнях громкости ужасные искажения. Не хочет нормально работать в OTG, много помех от рядом подключенного hdd, издает громкий щелчок при появлении звука. PCM звучал в разы лучше, особенно в наушниках. Жду новый DAC PCM2704 с eBAy. Кстати, осторожно с ним!
У меня умер один PCM2704 в процессе экспериментов, даже не понял почему, может статика. Теперь "устройство не опознано" на всех компах с Виндой.
Я насчет этого нонейма и даже "Саундбластера" иллюзий не строю. Правда, щелчков и ощутимых на слух искажений нет. А что за эксперименты привели к смерти РСМ2704? Чтобы не наступить на грабли.
__________________
Toyota Prius NHW20, 2008, Park Assist, Android CarPc: планшет 7" Ployer momo9 (Allwinner A10) - заменен на Pipo U1pro, Bluetooth GPS, диагностика BT ELM327, Мегафон модем и Wi-Fi роутер TPLINK-MR3020. Фильтр помех по звуку на ВА3121.
(продана)
Chevrolet Lanos, 2006, 1,5. Андроид ГУ Infidini, 2й монитор с тач. контроллером от YAM, кзх, БК Multitronics MPC-800

Мой проект
Апгрейд проекта
Видео
Видео оболочки
Видео оболочки 2

Видео апгрейда
alexvtk вне форума   Ответить с цитированием
Ответ


Здесь присутствуют: 1 (пользователей: 0 , гостей: 1)
 
Опции темы Поиск в этой теме
Поиск в этой теме:

Расширенный поиск

Ваши права в разделе
Вы не можете создавать новые темы
Вы не можете отвечать в темах
Вы не можете прикреплять вложения
Вы не можете редактировать свои сообщения

BB коды Вкл.
Смайлы Вкл.
[IMG] код Вкл.
HTML код Выкл.



Часовой пояс GMT +4, время: 02:49.


Работает на vBulletin® версия 3.8.4.
Copyright ©2000 - 2026, Jelsoft Enterprises Ltd.
Перевод: zCarot