PCCar.ru - Ваш автомобильный компьютер

Вернуться   PCCar.ru - Ваш автомобильный компьютер > MP3Car ТехИнфа > АвтоЗвук

Ответ
 
Опции темы Поиск в этой теме
Старый 01.03.2013, 01:36   #1
ap_greid
Новый Пользователь
 
Регистрация: 01.03.2013
Регион: 77, 97, 99, 177
Машина: Accord Coupe JDM
Сообщений: 2
ap_greid is on a distinguished road
По умолчанию Пропал сигнал AUX (rs88)

Магнитола пионер рс88-2...неожиданно пропал звук с аух устройства(планшетник), проверял с другими устройствами - тоже самое. Поменял кабель - тоже самое. Радио и диск работают, звук есть. Если сделать звук на максимум в режиме аукс то можно услышать тихий звук искажённый каким то шумом и помехами!
В электронике более менее разбираюсь, есть паяльная станция, нашёл схему, разобрал мафон, с виду всё впорядке, конденсаторы вроде целые, прозвонил даже парочку элементов...
В чём может быть дело, куда копать?
ap_greid вне форума   Ответить с цитированием
Старый 01.03.2013, 12:47   #2
Dj Aleks
Старший Пользователь
 
Аватар для Dj Aleks
 
Регистрация: 13.05.2010
Возраст: 41
Город: Воронеж
Регион: 36
Машина: Jetta 6
Сообщений: 899
Dj Aleks is infamous around these parts
По умолчанию

проверь кондюки по входу... а вообще начинай идти от входа грубо говоря к выходу...
__________________
Мой проект http://pccar.ru/showthread.php?t=18618

Поспешишь, AIRBAG распушишь...

Dj Aleks вне форума   Ответить с цитированием
Старый 02.03.2013, 01:31   #3
ap_greid
Новый Пользователь
 
Регистрация: 01.03.2013
Регион: 77, 97, 99, 177
Машина: Accord Coupe JDM
Сообщений: 2
ap_greid is on a distinguished road
По умолчанию

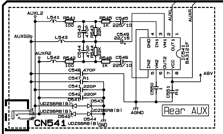
проверил...он по сути там один...вот схема...склоняюсь что дело в микросхеме ba3121f...нет осцилогрофа чтоб её проверить
Миниатюры
Нажмите на изображение для увеличения
Название: аукс.jpg
Просмотров: 969
Размер:	113.5 Кб
ID:	30104  
ap_greid вне форума   Ответить с цитированием
Старый 02.03.2013, 02:34   #4
Dj Aleks
Старший Пользователь
 
Аватар для Dj Aleks
 
Регистрация: 13.05.2010
Возраст: 41
Город: Воронеж
Регион: 36
Машина: Jetta 6
Сообщений: 899
Dj Aleks is infamous around these parts
По умолчанию

значит на включенной магнитоле делай самое простое так... возьми иголочку и тыкай по входу aux... слушай что в динамиках... потом после ba3121f на 1 и 7 ногу потыкай и послушай... если сигнал громче (усиленный) значит микруху на помойку...
__________________
Мой проект http://pccar.ru/showthread.php?t=18618

Поспешишь, AIRBAG распушишь...

Dj Aleks вне форума   Ответить с цитированием
Старый 02.03.2013, 13:24   #5
vladj
Гуру
 
Аватар для vladj
 
Регистрация: 03.05.2011
Возраст: 74
Город: Верещагино
Регион: 59
Машина: Toyota-Echo
Сообщений: 2,046
vladj has a reputation beyond reputevladj has a reputation beyond reputevladj has a reputation beyond reputevladj has a reputation beyond reputevladj has a reputation beyond reputevladj has a reputation beyond reputevladj has a reputation beyond reputevladj has a reputation beyond reputevladj has a reputation beyond reputevladj has a reputation beyond repute
По умолчанию

Питалово на 8 ноге не забудь проверить. Питанием проц командует и если питания нет, то в крайнем случае можно через механическую кнопку-тумблер запитать.
vladj вне форума   Ответить с цитированием
Старый 02.03.2013, 20:07   #6
Dj Aleks
Старший Пользователь
 
Аватар для Dj Aleks
 
Регистрация: 13.05.2010
Возраст: 41
Город: Воронеж
Регион: 36
Машина: Jetta 6
Сообщений: 899
Dj Aleks is infamous around these parts
По умолчанию

Цитата:
Сообщение от vladj Посмотреть сообщение
Питалово на 8 ноге не забудь проверить.
да точно)))) мозг уже спал...
__________________
Мой проект http://pccar.ru/showthread.php?t=18618

Поспешишь, AIRBAG распушишь...

Dj Aleks вне форума   Ответить с цитированием
Ответ


Здесь присутствуют: 1 (пользователей: 0 , гостей: 1)
 
Опции темы Поиск в этой теме
Поиск в этой теме:

Расширенный поиск

Ваши права в разделе
Вы не можете создавать новые темы
Вы не можете отвечать в темах
Вы не можете прикреплять вложения
Вы не можете редактировать свои сообщения

BB коды Вкл.
Смайлы Вкл.
[IMG] код Вкл.
HTML код Выкл.



Часовой пояс GMT +4, время: 08:30.


Работает на vBulletin® версия 3.8.4.
Copyright ©2000 - 2026, Jelsoft Enterprises Ltd.
Перевод: zCarot