PCCar.ru - Ваш автомобильный компьютер

Вернуться   PCCar.ru - Ваш автомобильный компьютер > MP3Car ТехИнфа > Сделай сам

Ответ
 
Опции темы Поиск в этой теме
Старый 14.01.2011, 20:16   #1
dvlion
Новый Пользователь
 
Регистрация: 06.08.2008
Возраст: 59
Город: Пермь
Регион: 59
Машина: 2004 Рено Меган2
Сообщений: 7
dvlion is on a distinguished road
По умолчанию управление BT-359

Коллеги, помогите со схемкой управления GPS приемника .
Этот приемник на bluetooth интерфейсе. Часто забываю включить перед запуском на ПК Навитела. Есть желание, чтобы GPS включался при включении ПК. В штатном для ВТ-359 режиме для включения надо нажать на кнопку "ВКЛ" и удерживать 1-2 сек. Для выключения эту процедуру надо повторить.
Со включением у меня вроде получилось. Подпаялся к кнопке "ВКЛ", к светодиоду индикации включения и контакту питания USB (используется для зарядки). По схеме ключа на транзисторе это соединил (см. вложение). Теперь при включении ПК сразу стартует GPS приемник. А вот с выключением выявилась проблема.
Я надеялся на функцию энергосбережения в этом приемнике, которая отключает его через несколько минут после прекращения bluetooth соединения. Вне авто эта функция работает, а внутри - ВТ-359 не отключается пока не разрядится. У меня подозрение на DVD с bluetooth, которая стоит в авто.
Так вот просьба у меня к вам. Дайте идейку как подать сигнал на отключение ВТ-359 (т.е. импульс 1-2 сек) при отключении питания по USB. Можно сделать еще один ключ : база - USB, коллектор- питание светодиода. Но вот как соединить в одно эти два ключика?
Миниатюры
Нажмите на изображение для увеличения
Название: ключ.JPG
Просмотров: 1550
Размер:	5.9 Кб
ID:	19925  
dvlion вне форума   Ответить с цитированием
Старый 14.01.2011, 22:33   #2
Gorynch
Старший Пользователь
 
Аватар для Gorynch
 
Регистрация: 22.04.2009
Возраст: 44
Город: Москва
Регион: 77, 97, 99, 177
Машина: 2005\Nissan\X-Trail
Сообщений: 775
Gorynch has a reputation beyond reputeGorynch has a reputation beyond reputeGorynch has a reputation beyond reputeGorynch has a reputation beyond reputeGorynch has a reputation beyond reputeGorynch has a reputation beyond reputeGorynch has a reputation beyond reputeGorynch has a reputation beyond repute
По умолчанию

мне кажется проще и лучше разобраться почему не работает штатное автовыключение. Что за DVD? поподробнее
Gorynch вне форума   Ответить с цитированием
Старый 15.01.2011, 16:19   #3
dvlion
Новый Пользователь
 
Регистрация: 06.08.2008
Возраст: 59
Город: Пермь
Регион: 59
Машина: 2004 Рено Меган2
Сообщений: 7
dvlion is on a distinguished road
По умолчанию

Цитата:
Сообщение от Gorynch Посмотреть сообщение
Что за DVD? поподробнее
Это китайский экземпляр: http://www.tradeeasy.com/supplier/54...-je-369bt.html.
dvlion вне форума   Ответить с цитированием
Старый 15.01.2011, 18:05   #4
Gorynch
Старший Пользователь
 
Аватар для Gorynch
 
Регистрация: 22.04.2009
Возраст: 44
Город: Москва
Регион: 77, 97, 99, 177
Машина: 2005\Nissan\X-Trail
Сообщений: 775
Gorynch has a reputation beyond reputeGorynch has a reputation beyond reputeGorynch has a reputation beyond reputeGorynch has a reputation beyond reputeGorynch has a reputation beyond reputeGorynch has a reputation beyond reputeGorynch has a reputation beyond reputeGorynch has a reputation beyond repute
По умолчанию

И зачем к нему цеплять gps?
Gorynch вне форума   Ответить с цитированием
Старый 15.01.2011, 22:16   #5
dvlion
Новый Пользователь
 
Регистрация: 06.08.2008
Возраст: 59
Город: Пермь
Регион: 59
Машина: 2004 Рено Меган2
Сообщений: 7
dvlion is on a distinguished road
По умолчанию

GPS я не прикручиваю к ДВД. У ДВД как только подключается питание включается модуль bluetooth. Не смотря на то, что между ними связи не установлено, но это как-то мешает GPS отключится. Это мое предположение.
GPS "прикручен" к carPC. Но надоело его включать-отключать. Хочется, чтобы работал совместно с carPC. Я вроде нашел решение. Спаял макет, логика работы как требуется. Буду на днях реализовывать. Буду благодарен, если выскажите замечания и предложения по номиналам элементов.
Миниатюры
Нажмите на изображение для увеличения
Название: ключ.JPG
Просмотров: 1288
Размер:	25.4 Кб
ID:	19937  
dvlion вне форума   Ответить с цитированием
Старый 16.01.2011, 00:03   #6
Gorynch
Старший Пользователь
 
Аватар для Gorynch
 
Регистрация: 22.04.2009
Возраст: 44
Город: Москва
Регион: 77, 97, 99, 177
Машина: 2005\Nissan\X-Trail
Сообщений: 775
Gorynch has a reputation beyond reputeGorynch has a reputation beyond reputeGorynch has a reputation beyond reputeGorynch has a reputation beyond reputeGorynch has a reputation beyond reputeGorynch has a reputation beyond reputeGorynch has a reputation beyond reputeGorynch has a reputation beyond repute
По умолчанию

Не совсем по теме, но может сменить gps на USB или com?
Gorynch вне форума   Ответить с цитированием
Старый 16.01.2011, 11:45   #7
dvlion
Новый Пользователь
 
Регистрация: 06.08.2008
Возраст: 59
Город: Пермь
Регион: 59
Машина: 2004 Рено Меган2
Сообщений: 7
dvlion is on a distinguished road
По умолчанию

Предложение правильное. Только менять шило на мыло не хочется. К тому же BT-359 иногда использую с КПК.
К сожалению ни первая, ни вторая схема не работают... Требуется задержка на пару секунд при включении.

Последний раз редактировалось dvlion; 17.01.2011 в 18:51.
dvlion вне форума   Ответить с цитированием
Старый 07.02.2011, 19:18   #8
dvlion
Новый Пользователь
 
Регистрация: 06.08.2008
Возраст: 59
Город: Пермь
Регион: 59
Машина: 2004 Рено Меган2
Сообщений: 7
dvlion is on a distinguished road
По умолчанию

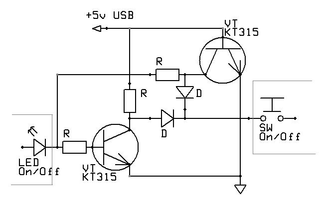
Может кому пригодится... Схема, которая работает:
Миниатюры
Нажмите на изображение для увеличения
Название: ключ.JPG
Просмотров: 1318
Размер:	51.6 Кб
ID:	20376  
dvlion вне форума   Ответить с цитированием
Старый 07.02.2011, 19:25   #9
Gorynch
Старший Пользователь
 
Аватар для Gorynch
 
Регистрация: 22.04.2009
Возраст: 44
Город: Москва
Регион: 77, 97, 99, 177
Машина: 2005\Nissan\X-Trail
Сообщений: 775
Gorynch has a reputation beyond reputeGorynch has a reputation beyond reputeGorynch has a reputation beyond reputeGorynch has a reputation beyond reputeGorynch has a reputation beyond reputeGorynch has a reputation beyond reputeGorynch has a reputation beyond reputeGorynch has a reputation beyond repute
По умолчанию

А на этом DVD Bluetooth принудительно нельзя отключить?
Не проще было привязаться параллельно кнопки включения компа?

Но за схемку спасибо, вполне может пригодиться )
Gorynch вне форума   Ответить с цитированием
Ответ


Здесь присутствуют: 1 (пользователей: 0 , гостей: 1)
 
Опции темы Поиск в этой теме
Поиск в этой теме:

Расширенный поиск

Ваши права в разделе
Вы не можете создавать новые темы
Вы не можете отвечать в темах
Вы не можете прикреплять вложения
Вы не можете редактировать свои сообщения

BB коды Вкл.
Смайлы Вкл.
[IMG] код Вкл.
HTML код Выкл.



Часовой пояс GMT +4, время: 15:52.


Работает на vBulletin® версия 3.8.4.
Copyright ©2000 - 2026, Jelsoft Enterprises Ltd.
Перевод: zCarot