PCCar.ru - Ваш автомобильный компьютер

Вернуться   PCCar.ru - Ваш автомобильный компьютер > MP3Car ТехИнфа > AndroidCar > Питание

Ответ
 
Опции темы Поиск в этой теме
Старый 05.12.2020, 12:36   #791
Vitaly123
Новый Пользователь
 
Регистрация: 27.01.2018
Регион: Казахстан
Машина: Santa-FE
Сообщений: 16
Vitaly123 is on a distinguished road
По умолчанию

Не получается таким способом загорается светодиод питания и тут же тухнет проблема как мне кажется в двух проводах синем и желтом их отключаешь от аккумулятора напряжения все выходят а планшет не запускается
Vitaly123 вне форума   Ответить с цитированием
Старый 05.12.2020, 12:50   #792
skanch
Модератор
 
Аватар для skanch
 
Регистрация: 19.01.2010
Возраст: 60
Город: Санкт-Петербург
Регион: 78, 98
Сообщений: 2,669
skanch has a brilliant futureskanch has a brilliant futureskanch has a brilliant futureskanch has a brilliant futureskanch has a brilliant futureskanch has a brilliant futureskanch has a brilliant futureskanch has a brilliant futureskanch has a brilliant futureskanch has a brilliant futureskanch has a brilliant future
По умолчанию

Цитата:
Сообщение от Vitaly123 Посмотреть сообщение
Не получается таким способом загорается светодиод питания и тут же тухнет проблема как мне кажется в двух проводах синем и желтом их отключаешь от аккумулятора напряжения все выходят а планшет не запускается
К чему подключаете? Какой максимальный (реальный) ток выдаёт преобразователь? Возможно, что просто не хватает мощности DC-DC преобразователя. Судя по количеству параллельных проводов питания на контроллере, реальный ток при максимальной загрузке может быть в районе 6-7А. При выборе преобразователя для питания планшета (одноплатника) в машине, необходимо использовать источник питания, рассчитанный на максимальное потребление девайсом, "плюс" запас в 20-25% мощности. Поскольку планшет по сути является "динамической нагрузкой", необходимое условие - стабильность выходного напряжения при резких изменениях тока.

Последний раз редактировалось skanch; 05.12.2020 в 13:22.
skanch вне форума   Ответить с цитированием
Старый 05.12.2020, 13:22   #793
Vitaly123
Новый Пользователь
 
Регистрация: 27.01.2018
Регион: Казахстан
Машина: Santa-FE
Сообщений: 16
Vitaly123 is on a distinguished road
По умолчанию

У меня лобараторник на 10а отпаял разъем от платы контролера собрал в кучу все плюсовые провода на плате контролера они тоже были к одной точке припаяны как и минусовые подключил проводом сечением где-то 4 кв + на разъем а минус на корпус usb на лобароторнике напруга при включении даже не дернется подаю 4.4в

Корпус usb звонится с массой аккумулятора
Vitaly123 вне форума   Ответить с цитированием
Старый 05.12.2020, 13:33   #794
skanch
Модератор
 
Аватар для skanch
 
Регистрация: 19.01.2010
Возраст: 60
Город: Санкт-Петербург
Регион: 78, 98
Сообщений: 2,669
skanch has a brilliant futureskanch has a brilliant futureskanch has a brilliant futureskanch has a brilliant futureskanch has a brilliant futureskanch has a brilliant futureskanch has a brilliant futureskanch has a brilliant futureskanch has a brilliant futureskanch has a brilliant futureskanch has a brilliant future
По умолчанию

Тогда нужно экспериментировать... Один из вариантов: замерить сопротивление на контроллере с банками между контактами проводов ( синий и жёлтый) относительно "минуса". Подобрать постоянные резисторы такого номинала и припаять на отрезанный разъём. Повторить включение от лабораторника. Как здесь...

Цитата:
Сообщение от Vitaly123 Посмотреть сообщение
...Корпус usb звонится с массой аккумулятора
Это ничего не значит... "Масса" может звониться через силовые ключи на мат.плате, отвечающие за логику включения/выключения питания. А мы пытаемся "обойти" эту схему...
skanch вне форума   Ответить с цитированием
Старый 05.12.2020, 15:31   #795
Vitaly123
Новый Пользователь
 
Регистрация: 27.01.2018
Регион: Казахстан
Машина: Santa-FE
Сообщений: 16
Vitaly123 is on a distinguished road
По умолчанию

Не получается мерил я сопротивление между ними там почти 1Мом пробовал подкидывать туда сопротивление безрезультатно на подключенном аккумуляторе там появляется 3.3 в на обоих
Vitaly123 вне форума   Ответить с цитированием
Старый 05.12.2020, 16:10   #796
skanch
Модератор
 
Аватар для skanch
 
Регистрация: 19.01.2010
Возраст: 60
Город: Санкт-Петербург
Регион: 78, 98
Сообщений: 2,669
skanch has a brilliant futureskanch has a brilliant futureskanch has a brilliant futureskanch has a brilliant futureskanch has a brilliant futureskanch has a brilliant futureskanch has a brilliant futureskanch has a brilliant futureskanch has a brilliant futureskanch has a brilliant futureskanch has a brilliant future
По умолчанию

Цитата:
Сообщение от Vitaly123 Посмотреть сообщение
Не получается мерил я сопротивление между ними там почти 1Мом пробовал подкидывать туда сопротивление безрезультатно на подключенном аккумуляторе там появляется 3.3 в на обоих
Хорошо... Поменяйте схему. Соберите два делителя и подключите к проводам.
Название: 9e88213709b155e8c2213c8f64d0ac15.jpg
Просмотров: 2155

Размер: 10.6 Кб Нажмите на изображение для увеличения
Название: 63.JPG
Просмотров: 1617
Размер:	23.9 Кб
ID:	52236

Последний раз редактировалось skanch; 05.12.2020 в 17:02.
skanch вне форума   Ответить с цитированием
Старый 05.12.2020, 17:13   #797
Vitaly123
Новый Пользователь
 
Регистрация: 27.01.2018
Регион: Казахстан
Машина: Santa-FE
Сообщений: 16
Vitaly123 is on a distinguished road
По умолчанию

Напряжение идет туда с платы

У меня там еще есть белый провод когда аккумулятор не вставлен на нем 3.7 в когда вставляешь напряжение пропадает
Vitaly123 вне форума   Ответить с цитированием
Старый 05.12.2020, 17:35   #798
skanch
Модератор
 
Аватар для skanch
 
Регистрация: 19.01.2010
Возраст: 60
Город: Санкт-Петербург
Регион: 78, 98
Сообщений: 2,669
skanch has a brilliant futureskanch has a brilliant futureskanch has a brilliant futureskanch has a brilliant futureskanch has a brilliant futureskanch has a brilliant futureskanch has a brilliant futureskanch has a brilliant futureskanch has a brilliant futureskanch has a brilliant futureskanch has a brilliant future
По умолчанию

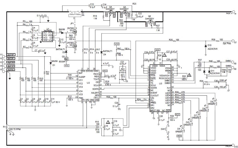
Тогда остаётся рискнуть микросхемой на контроллере батареи и сделать перемычку по "минусу", предварительно отрезав банки. Это, как на Nexus 7. И подать на контроллер 4.4V вместо банок. Даже если микросхема уйдёт в защиту, есть шанс, что через перемычку по "минусу" питание пойдёт на планшет. Но предварительно нужно точно определить по какой схеме собран ваш контроллер, прозвонив линию "плюс" и линию "минус". Если контроллер управляет питанием по "плюсу", то перемычку ставим по "плюсу", если управление по "минусу", то наоборот. Ниже схема подобного контроллера от батареи ноутбука с управлением по "плюсу".

Нажмите на изображение для увеличения
Название: images-stories-Battery-schematic.jpg
Просмотров: 1573
Размер:	171.0 Кб
ID:	52237
skanch вне форума   Ответить с цитированием
Старый 05.12.2020, 17:35   #799
Vitaly123
Новый Пользователь
 
Регистрация: 27.01.2018
Регион: Казахстан
Машина: Santa-FE
Сообщений: 16
Vitaly123 is on a distinguished road
По умолчанию

Собрал схему с двумя делителями все также лампочка вспыхивает красным как будто аккумулятор дохлый и все

А если он заблокируется что с ним потом делать другой аккумулятор заказывать он стоит также как и планшет
Vitaly123 вне форума   Ответить с цитированием
Старый 05.12.2020, 17:48   #800
skanch
Модератор
 
Аватар для skanch
 
Регистрация: 19.01.2010
Возраст: 60
Город: Санкт-Петербург
Регион: 78, 98
Сообщений: 2,669
skanch has a brilliant futureskanch has a brilliant futureskanch has a brilliant futureskanch has a brilliant futureskanch has a brilliant futureskanch has a brilliant futureskanch has a brilliant futureskanch has a brilliant futureskanch has a brilliant futureskanch has a brilliant futureskanch has a brilliant future
По умолчанию

Цитата:
Сообщение от Vitaly123 Посмотреть сообщение
...А если он заблокируется что с ним потом делать другой аккумулятор заказывать он стоит также как и планшет
Хм... Установка инородного "тела" в машину всегда сопряжена с рисками:в лучшем случае потеря "тела", в худшем - машины.
Если нет "даташита" по установке и вы первопроходец, то вам выбирать: или рисковать, или оставить всё, как есть...
skanch вне форума   Ответить с цитированием
Ответ

Метки
nsd1512, питание


Здесь присутствуют: 1 (пользователей: 0 , гостей: 1)
 
Опции темы Поиск в этой теме
Поиск в этой теме:

Расширенный поиск

Ваши права в разделе
Вы не можете создавать новые темы
Вы не можете отвечать в темах
Вы не можете прикреплять вложения
Вы не можете редактировать свои сообщения

BB коды Вкл.
Смайлы Вкл.
[IMG] код Вкл.
HTML код Выкл.



Часовой пояс GMT +4, время: 22:03.


Работает на vBulletin® версия 3.8.4.
Copyright ©2000 - 2026, Jelsoft Enterprises Ltd.
Перевод: zCarot