PCCar.ru - Ваш автомобильный компьютер

Вернуться   PCCar.ru - Ваш автомобильный компьютер > MP3Car ТехИнфа > AndroidCar > Железо > Планшеты

Ответ
 
Опции темы Поиск в этой теме
Старый 28.10.2018, 14:21   #4261
oleg707
Гуру
 
Аватар для oleg707
 
Регистрация: 16.04.2014
Возраст: 42
Город: Gdynia
Регион: другой - для добавления сообщить ab
Сообщений: 2,548
oleg707 has a reputation beyond reputeoleg707 has a reputation beyond reputeoleg707 has a reputation beyond reputeoleg707 has a reputation beyond reputeoleg707 has a reputation beyond reputeoleg707 has a reputation beyond reputeoleg707 has a reputation beyond reputeoleg707 has a reputation beyond reputeoleg707 has a reputation beyond reputeoleg707 has a reputation beyond repute
По умолчанию

Цитата:
Сообщение от skanch Посмотреть сообщение
Это и так из "шапки"... Просто никто не читает её-эту "шапку", как я понимаю.
Шапка нужна более продвинутым пользователям для ответов менее продвинутым
oleg707 вне форума   Ответить с цитированием
Старый 28.10.2018, 17:11   #4262
Mixman
Пользователь
 
Регистрация: 28.05.2015
Возраст: 42
Город: Нижний Новгород
Регион: 52
Машина: Audi a6 c5
Сообщений: 94
Mixman is on a distinguished road
По умолчанию

Да просто нужно указать "подключение внешней активной GPS антенны". Для WiFi, для LTE.

Шапку многие читают. Но она большая, поэтому нужно немного конкретики.
__________________
Больше ни слова о БП
Mixman вне форума   Ответить с цитированием
Старый 29.10.2018, 06:57   #4263
Алексей L&M
Старший Пользователь
 
Регистрация: 23.03.2016
Возраст: 42
Регион: Казахстан
Сообщений: 246
Алексей L&M will become famous soon enough
По умолчанию

Подскажите, АСС и IGN можно так соединять или нет? Задача сохранить питание реле при запуске двигателя, т.к. АСС пропадает. Что то в нете вообще такой схемы подключения не могу найти, везде кондёры вешают, а мне хотелось бы от них избавиться.
Миниатюры
Нажмите на изображение для увеличения
Название: Безимени-4.jpg
Просмотров: 1261
Размер:	41.5 Кб
ID:	50385  
__________________
Nexus 7 2012 3G + Nexus 7 2013 WiFi
Алексей L&M вне форума   Ответить с цитированием
Старый 29.10.2018, 09:47   #4264
skanch
Модератор
 
Аватар для skanch
 
Регистрация: 19.01.2010
Возраст: 60
Город: Санкт-Петербург
Регион: 78, 98
Сообщений: 2,669
skanch has a brilliant futureskanch has a brilliant futureskanch has a brilliant futureskanch has a brilliant futureskanch has a brilliant futureskanch has a brilliant futureskanch has a brilliant futureskanch has a brilliant futureskanch has a brilliant futureskanch has a brilliant futureskanch has a brilliant future
По умолчанию

Цитата:
Сообщение от Алексей L&M Посмотреть сообщение
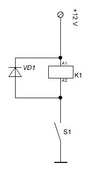
Подскажите, АСС и IGN можно так соединять или нет? Задача сохранить питание реле при запуске двигателя, т.к. АСС пропадает. Что то в нете вообще такой схемы подключения не могу найти, везде кондёры вешают, а мне хотелось бы от них избавиться.
Да - так можно. Если реле электромеханическое, то параллельно обмотке желательно ставить диод.

Нажмите на изображение для увеличения
Название: 1.JPG
Просмотров: 1090
Размер:	7.8 Кб
ID:	50386

У меня по аналогичной схеме включения через два диода стоит твёрдотельное реле на 80А уже лет восемь. Использую для "разгрузки" линии "АСС".


Последний раз редактировалось skanch; 29.10.2018 в 10:21.
skanch вне форума   Ответить с цитированием
Старый 29.10.2018, 23:31   #4265
papant
Старший Пользователь
 
Регистрация: 11.10.2015
Возраст: 47
Город: Йошкар-Ола
Регион: 12
Машина: Kia Sorento 2011
Сообщений: 182
papant is on a distinguished road
По умолчанию

А еще можно просто в ЮСБ подключить GPS антенну (например у меня такая )и ничего не паяя заиметь хороший сигнал )
papant вне форума   Ответить с цитированием
Старый 29.10.2018, 23:52   #4266
oleg707
Гуру
 
Аватар для oleg707
 
Регистрация: 16.04.2014
Возраст: 42
Город: Gdynia
Регион: другой - для добавления сообщить ab
Сообщений: 2,548
oleg707 has a reputation beyond reputeoleg707 has a reputation beyond reputeoleg707 has a reputation beyond reputeoleg707 has a reputation beyond reputeoleg707 has a reputation beyond reputeoleg707 has a reputation beyond reputeoleg707 has a reputation beyond reputeoleg707 has a reputation beyond reputeoleg707 has a reputation beyond reputeoleg707 has a reputation beyond repute
По умолчанию

Цитата:
Сообщение от papant Посмотреть сообщение
А еще можно просто в ЮСБ подключить GPS антенну (например у меня такая )и ничего не паяя заиметь хороший сигнал )
ты бы еще про настройки этого добра выложил, мне, например, боязно, что оно с родной конфликтовать будет.
oleg707 вне форума   Ответить с цитированием
Старый 30.10.2018, 01:35   #4267
papant
Старший Пользователь
 
Регистрация: 11.10.2015
Возраст: 47
Город: Йошкар-Ола
Регион: 12
Машина: Kia Sorento 2011
Сообщений: 182
papant is on a distinguished road
По умолчанию

Цитата:
Сообщение от oleg707 Посмотреть сообщение
ты бы еще про настройки этого добра выложил, мне, например, боязно, что оно с родной конфликтовать будет.
Сейчас под рукой планшета нету, но примерно вот так
Ничего ни с чем не конфликтует, работает на ура
papant вне форума   Ответить с цитированием
Старый 01.11.2018, 20:41   #4268
tima10
Новый Пользователь
 
Аватар для tima10
 
Регистрация: 04.08.2015
Город: UAUU, #10
Регион: Казахстан
Машина: CHEVROLET CAPTIVA
Сообщений: 25
tima10 is on a distinguished road
По умолчанию

Цитата:
Сообщение от Алексей L&M Посмотреть сообщение
. АСС пропадает. Что то в нете вообще такой схемы подключения не могу найти, везде кондёры вешают, а мне хотелось бы от них избавиться.
я решил все это с помощью Таскера, и пропадание АСС как-то не проявляется, правда у меня датчик Холла не задействован, простая схема подачи питания на юсб планшета, а остальное все делают Таскер и патч автовключения.(батарейка планша оставлена, используется чисто как навигатор, установлен в панель авто (Nexus7_2012 WiFi). а для мультимедиа есть в авто ГУ. и так уже три зимы и лета, посмотрим эту зиму
Миниатюры
Нажмите на изображение для увеличения
Название: 2.jpg
Просмотров: 1239
Размер:	49.4 Кб
ID:	50401  
__________________
-----------------------------------------------------------------------
aвто: CHEVROLET CAPTIVA_2.4_AT
Google Nexus 7 (2012)WiFi: AndroidCar(AutoDroid_1.2( SlimKat 4.4.4));
Авто ГУ JY_RK3188_1024х600 ,Android-KK444_FUSE_root_mod
tima10 вне форума   Ответить с цитированием
Старый 01.11.2018, 21:11   #4269
oleg707
Гуру
 
Аватар для oleg707
 
Регистрация: 16.04.2014
Возраст: 42
Город: Gdynia
Регион: другой - для добавления сообщить ab
Сообщений: 2,548
oleg707 has a reputation beyond reputeoleg707 has a reputation beyond reputeoleg707 has a reputation beyond reputeoleg707 has a reputation beyond reputeoleg707 has a reputation beyond reputeoleg707 has a reputation beyond reputeoleg707 has a reputation beyond reputeoleg707 has a reputation beyond reputeoleg707 has a reputation beyond reputeoleg707 has a reputation beyond repute
По умолчанию

Цитата:
Сообщение от Алексей L&M Посмотреть сообщение
Подскажите, АСС и IGN можно так соединять или нет? Задача сохранить питание реле при запуске двигателя, т.к. АСС пропадает. Что то в нете вообще такой схемы подключения не могу найти, везде кондёры вешают, а мне хотелось бы от них избавиться.
Собери мой " умный БП", там это даже вопросом не стоит, если надо откорректируешь настройки под себя. Можешь даже взять комплект по себестоимости.
oleg707 вне форума   Ответить с цитированием
Старый 03.11.2018, 11:59   #4270
kyty30v
Пользователь
 
Регистрация: 18.08.2018
Возраст: 42
Регион: Беларусь
Сообщений: 53
kyty30v is on a distinguished road
По умолчанию

Вопрос немного не в тему будет. Есть какой либо доп софт для парковочных линий. Ввиду нестандартной установки они у меня вверху окажутся при включении))
kyty30v вне форума   Ответить с цитированием
Ответ


Здесь присутствуют: 5 (пользователей: 0 , гостей: 5)
 
Опции темы Поиск в этой теме
Поиск в этой теме:

Расширенный поиск

Ваши права в разделе
Вы не можете создавать новые темы
Вы не можете отвечать в темах
Вы не можете прикреплять вложения
Вы не можете редактировать свои сообщения

BB коды Вкл.
Смайлы Вкл.
[IMG] код Вкл.
HTML код Выкл.



Часовой пояс GMT +4, время: 05:51.


Работает на vBulletin® версия 3.8.4.
Copyright ©2000 - 2026, Jelsoft Enterprises Ltd.
Перевод: zCarot