PCCar.ru - Ваш автомобильный компьютер

Вернуться   PCCar.ru - Ваш автомобильный компьютер > MP3Car ТехИнфа > Блоки питания > Разное

Ответ
 
Опции темы Поиск в этой теме
Старый 20.03.2006, 06:38   #1
_SDY_
Пользователь
 
Регистрация: 17.03.2006
Возраст: 48
Город: Владивосток
Регион: 25
Машина: Карина
Сообщений: 60
_SDY_ will become famous soon enough
По умолчанию Переделка ATX на 12в

Пытаюсь переделать ATX БП для питания от 12в. Может кто подскажет...
Схема прилагается, у меня немного не такая, но рисовать не хотелось, в принципе - похоже, за основу схемы взята какая-то из тырнета. Высоковольтная часть была полностью выкинута, первичная обмотка - перемотана, выход ШИМ-контроллера через транзисторы, которые были включены в "схеме управления" коллекторами были повешены на затворы полевых транзисторов.
Без нагрузки все это дело включается, работает, жрет от источника 1,2А. Один винт тащит (греется, собака), но два винта, а тем более мать сильно садит выходные напряжения и страшно греются выходные полевики. Кстати, греется похоже только один, вчера ночью заметил. :-)

ЗЫ Файл реально gif, пришлось ему расширение jpg дать, чтобы upload можно было сделать...
Изображения
Тип файла: jpg atx_12v.gif.jpg (47.8 Кб, 36379 просмотров)
_SDY_ вне форума   Ответить с цитированием
Старый 20.03.2006, 12:06   #2
_SDY_
Пользователь
 
Регистрация: 17.03.2006
Возраст: 48
Город: Владивосток
Регион: 25
Машина: Карина
Сообщений: 60
_SDY_ will become famous soon enough
По умолчанию

Вдогонку. Вот так был перемотан транс...
Изображения
Тип файла: jpg SDY_ATX_trans.gif.jpg (7.6 Кб, 32035 просмотров)
_SDY_ вне форума   Ответить с цитированием
Старый 20.03.2006, 17:37   #3
Sergey_L
Старший Пользователь
 
Регистрация: 08.09.2005
Город: Москва
Регион: 77, 97, 99, 177
Машина: х2 ВАЗ-21053 (1993 вишня, 2002 океан)
Сообщений: 542
Sergey_L is on a distinguished road
По умолчанию

Теоретически, схема правильная.
Не понятно назначение обмоток 9-7-10?
Еще мне не понравилось отношение витков в первичке и вторичке.
у меня (согласно нумерации данного транса (пост 2)):
1-2-3=6-6 витков (первичка)
5-6-0-8-4=8-6-6-8 витков (вторичка)
все намотано один провод D=1.0мм
и прекрасно работает.

Последний раз редактировалось Sergey_L; 20.03.2006 в 18:19.
Sergey_L вне форума   Ответить с цитированием
Старый 21.03.2006, 04:19   #4
_SDY_
Пользователь
 
Регистрация: 17.03.2006
Возраст: 48
Город: Владивосток
Регион: 25
Машина: Карина
Сообщений: 60
_SDY_ will become famous soon enough
По умолчанию

Изначально была смотана половина обмотки 1-3, а именно часть 2-1, на основании числа витков - 19 и напряжения в 310 вольт между 1-3 (155 между 2-1) был сделан вывод, что для питания от 12в (теоретически максимальный размах 24в, если я, конечно, прав :-) надо намотать две первичных обмотки по 1,5 витка. Осциллографа нет, приходилось делать все практически методом научного тыка с помощью китайского цифрового тестера. :-)
Перепробованы были разные варианты: сначала выводы 9, 10 у TL494 были оторваны от земли и воткнуты в затворы полевых транзисторовров, что-то мне не понравилось, тогда в качестве инверторов сигнала были выбраны два транзистора, которые были использованы в исходной схеме, как сейчас на схеме. Видимо, когда я намотал 2 по 2 витка, тогда и подпалил один из транзисторов - БП без нагрузки во включенном состоянии (PS-ON на земле) жрал около 3-4-х ампер и они сильно грелись. Пришлось перемотать весь транс, чтобы увеличить кол-во витков в первичной обмотке.
На основании http://carmp3.narod.ru/ps.htm был сделан вывод, что первичная обмотка (2-1 и 3-2) и часть вторичной, с которой снимается 5в (6-0 и 0-8) должны иметь одинаковое число витков 6 по 6. Для этого они и были увеличены в 2 раза.
То есть у меня так и получилось: 1-2 и 3-2 по 6 витков, 6-0 и 0-8 по 6 витков, 5-6 и 8-4 по 8 витков, 10-7 и 7-9 по 8 витков.
Честно говоря, даже не разбирался зачем обмотки 10-7 и 7-9, да я и говорил, что схема моего БП отличается от той, что приведена, у меня даже дежурный режим по-другому сделан, скорее всего - это для него, на схеме просто принцип переделки показан.
Вчера наконец-то окончательно сдох один транзистор (который грелся), видимо он все-таки был давно мной спален в процессе экспериментов, сегодня пойду еще одну пару куплю и проверю, скорее всего все в порядке со схемой, дело было в этом транзюке.

Последний раз редактировалось _SDY_; 21.03.2006 в 05:23.
_SDY_ вне форума   Ответить с цитированием
Старый 21.03.2006, 15:36   #5
Sergey_L
Старший Пользователь
 
Регистрация: 08.09.2005
Город: Москва
Регион: 77, 97, 99, 177
Машина: х2 ВАЗ-21053 (1993 вишня, 2002 океан)
Сообщений: 542
Sergey_L is on a distinguished road
По умолчанию

Кстати, а на схеме я нашел косяк, там силовые полевики не закрываются.
Так что это ни транзистор был битый, а косяк подключения (схемы).
У меня так: выводы 9, 10 у TL494 были оторваны от земли и воткнуты в затворы полевых транзисторов через 15 ом и с затворов на землю 200 ом. Выводы 8 и 11 подключить на питание TL494 (12).

Последний раз редактировалось Sergey_L; 21.03.2006 в 17:36.
Sergey_L вне форума   Ответить с цитированием
Старый 22.03.2006, 04:21   #6
_SDY_
Пользователь
 
Регистрация: 17.03.2006
Возраст: 48
Город: Владивосток
Регион: 25
Машина: Карина
Сообщений: 60
_SDY_ will become famous soon enough
По умолчанию

Меня такие мысли тоже посещали, насчет того, что транзисторы не закрываются полностью.
А с выводов 9 и 10 я уже пробовал брать импульсы, но их не хватало, чтобы их открыть (тогда я еще с осциллографом на все это дело смотрел), только у меня при этом 8 и 11 выводы были подключены через резисторы, которые в схеме есть.
Сегодня попробую вернуться к этому подключению, на 8 и 11 питание подать, т. е. сделаю как у тебя.
_SDY_ вне форума   Ответить с цитированием
Старый 22.03.2006, 14:14   #7
Sergey_L
Старший Пользователь
 
Регистрация: 08.09.2005
Город: Москва
Регион: 77, 97, 99, 177
Машина: х2 ВАЗ-21053 (1993 вишня, 2002 океан)
Сообщений: 542
Sergey_L is on a distinguished road
По умолчанию

Вот тут:
http://carmp3.narod.ru/carmp3/photo/schem12.gif
транзисторы включены правильно и транс правильный.
Sergey_L вне форума   Ответить с цитированием
Старый 23.03.2006, 03:29   #8
_SDY_
Пользователь
 
Регистрация: 17.03.2006
Возраст: 48
Город: Владивосток
Регион: 25
Машина: Карина
Сообщений: 60
_SDY_ will become famous soon enough
По умолчанию

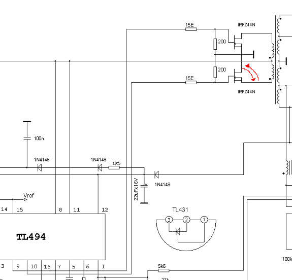
В итоге это и получилось. :-) В принципе я мог бы сэкономить один транзистор, так как изначально так и собирал, но на 8 и 11 питание подавал через резистор и транзисторы не открывались.
В общем - спасибо.

Итоговая схема представлена ниже.
Резисторы в 15Ом между 9 и 10 ногами и затворами, что они есть, что их нет - без разницы? Зачем их ставить?
Изображения
Тип файла: jpg atx_12v_2.gif.jpg (47.3 Кб, 32109 просмотров)
_SDY_ вне форума   Ответить с цитированием
Старый 23.03.2006, 04:49   #9
jonia
Новый Пользователь
 
Регистрация: 22.03.2006
Возраст: 62
Город: Болгария
Машина: Renault Clio
Сообщений: 1
jonia is on a distinguished road
По умолчанию

Цитата:
Сообщение от _SDY_
В итоге это и получилось. :-)
.................
Итоговая схема представлена ниже.
Резисторы в 15Ом между 9 и 10 ногами и затворами, что они есть, что их нет - без разницы? Зачем их ставить?
Что-то, я не понял, говорите получилось - харошо, а подключение нижнего по схеме IRFZ44 по моему надо немножко повернуть,(по вертикали) или я не прав?
Или это учтено, а схему не подправили?

Получается, что исток верхнего IRFZ44 подключен к +12в. через транс, а у нижнего IRFZ44 к шине +12 подключен сток, шота не вяжется... вроде двухтактная схема.
Объясните чайнику, если будет времени...
Миниатюры
Нажмите на изображение для увеличения
Название: IRFZ44.jpg
Просмотров: 22581
Размер:	22.0 Кб
ID:	363  

Последний раз редактировалось jonia; 23.03.2006 в 12:00.
jonia вне форума   Ответить с цитированием
Старый 23.03.2006, 06:40   #10
_SDY_
Пользователь
 
Регистрация: 17.03.2006
Возраст: 48
Город: Владивосток
Регион: 25
Машина: Карина
Сообщений: 60
_SDY_ will become famous soon enough
По умолчанию

Цитата:
Сообщение от jonia
Что-то, я не понял, говорите получилось - харошо, а подключение нижнего по схеме IRFZ44 по моему надо немножко повернуть,(по вертикали) или я не прав?
Или это учтено, а схему не подправили?
Все так как на схеме. Ничего переворачивать не надо.
_SDY_ вне форума   Ответить с цитированием
Ответ


Здесь присутствуют: 1 (пользователей: 0 , гостей: 1)
 
Опции темы Поиск в этой теме
Поиск в этой теме:

Расширенный поиск

Ваши права в разделе
Вы не можете создавать новые темы
Вы не можете отвечать в темах
Вы не можете прикреплять вложения
Вы не можете редактировать свои сообщения

BB коды Вкл.
Смайлы Вкл.
[IMG] код Вкл.
HTML код Выкл.



Часовой пояс GMT +4, время: 01:32.


Работает на vBulletin® версия 3.8.4.
Copyright ©2000 - 2026, Jelsoft Enterprises Ltd.
Перевод: zCarot