PCCar.ru - Ваш автомобильный компьютер

Вернуться   PCCar.ru - Ваш автомобильный компьютер > MP3Car ТехИнфа > АвтоЗвук > Усилители

Ответ
 
Опции темы Поиск в этой теме
Старый 26.11.2017, 20:31   #411
Саймон
Старший Пользователь
 
Регистрация: 27.01.2016
Возраст: 34
Город: Москва
Регион: 77, 97, 99, 177
Машина: Lexus gs300
Сообщений: 116
Саймон is infamous around these partsСаймон is infamous around these parts
По умолчанию

Если я правильно понял это тема посвящена самостоятельной сборке усилителя, который по бюджету выходит далеко за 15 тыщ?
Саймон вне форума   Ответить с цитированием
Старый 26.11.2017, 21:54   #412
basurman
Super Moderator
 
Аватар для basurman
 
Регистрация: 19.07.2011
Возраст: 54
Город: Нижегородские болота
Регион: 52
Машина: пешкарус
Сообщений: 2,033
basurman has a reputation beyond reputebasurman has a reputation beyond reputebasurman has a reputation beyond reputebasurman has a reputation beyond reputebasurman has a reputation beyond reputebasurman has a reputation beyond reputebasurman has a reputation beyond reputebasurman has a reputation beyond reputebasurman has a reputation beyond repute
По умолчанию

Цитата:
Сообщение от Саймон Посмотреть сообщение
Если я правильно понял это тема посвящена самостоятельной сборке усилителя, который по бюджету выходит далеко за 15 тыщ?
Ты правильно понял. Но можно автору заказать, под ключ сделает.
basurman вне форума   Ответить с цитированием
Старый 26.11.2017, 23:01   #413
Vladget
Moderator
 
Регистрация: 04.04.2009
Возраст: 69
Город: Краснодар
Регион: 23, 93
Машина: HONDA CR-V-08
Сообщений: 3,129
Vladget is a splendid one to beholdVladget is a splendid one to beholdVladget is a splendid one to beholdVladget is a splendid one to beholdVladget is a splendid one to beholdVladget is a splendid one to beholdVladget is a splendid one to behold
По умолчанию

да, если что есть лишние платы + россыпью почти все детали
__________________


Vladget вне форума   Ответить с цитированием
Старый 06.01.2018, 02:21   #414
Alex-L
Moderator
 
Аватар для Alex-L
 
Регистрация: 23.03.2008
Возраст: 55
Город: Москва, Нагорная
Регион: 77, 97, 99, 177
Машина: Mitsubishi Lancer-X
Сообщений: 2,096
Alex-L is a splendid one to beholdAlex-L is a splendid one to beholdAlex-L is a splendid one to beholdAlex-L is a splendid one to beholdAlex-L is a splendid one to beholdAlex-L is a splendid one to beholdAlex-L is a splendid one to behold
По умолчанию

Хотя тема и про автомобильный усилитель, но в этом и следующих постах речь пойдет о том, как сделать домашнюю версию. Думаю, некоторым будет интересно. Да и все равно тема заглохла. Да простят меня остальные модераторы!


Basurman, ты спрашивал, как из этих плат домашнюю версию запилить? Кто-то спрашивал...
Отвечаю: просто и элегантно

Берем две платы (в моем случае усилок предполагается стерео), ножницы по металлу и напильник... Либо любым другим привычным способом цинично отрезаем от плат часть ПН. Как конкретно резать, дальше будет понятно по фото.

В оставшиеся три отверстия использовавшихся ранее под вторичку трансформатора ПН, теперь пойдут провода от вторички сетевого трансформатора. Поскольку усилок высококачественный, не будем нарушать концепцию "моноблок" и будем делать "двойное моно". Т.е. на каждый канал - свой понижающий трансформатор, в крайнем случае - трансформатор с четырьмя обмотками по 18...20в - на каждый канал свои две обмотки.

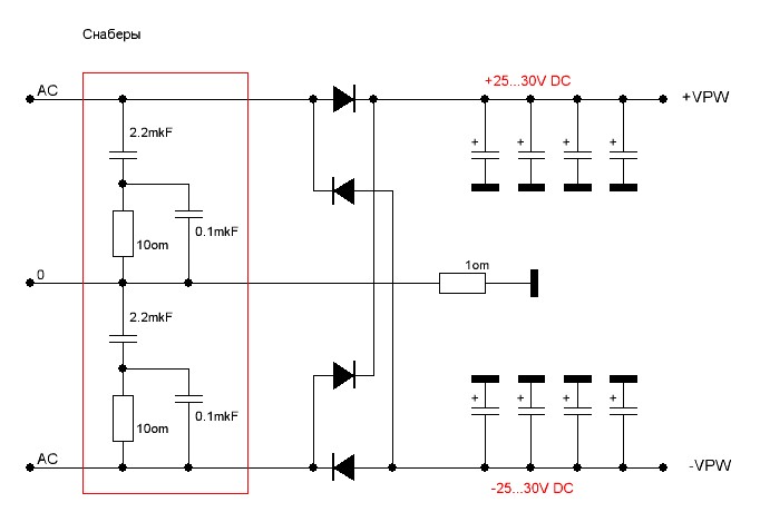
В автоверсии снаберы не использовались - здесь же желательно их поставить, благо место на плате есть. Номиналы элементов снаберов (на схеме и на фото обведены красным), так же как и резистор 1Ом в средней точке, рекомендованы Маньяком.
Конструктивно, на плате, резисторы 10Ом и конденсаторы 0.1мкф паяются бутербродом на одно посадочное место. У меня не было конденсаторов 2.2мкф, поэтому так же, бутербродом, запаяно по два кондера по 1мкф на другое посадочное место.
Конденсаторы и резисторы SMD1206. Конденсаторы на 50в.

В домашней версии, дроссели после выпрямителя нам не нужны, поэтому заменяем их перемычками. На фото выделены красным.

Теперь нужно избавиться от переменника, регулятора громкости, ибо для домашки конструктивно он расположен совершенно неудобно. Да и вообще он мне не нужен - будет применен Регулятор громкости Никитина с ДУ от Antecom (Вегалаб). Посему входная часть схемы тоже несколько изменена.
Резистор 1к запаян с обратной стороны платы. Одна из его ножек использует "штатное" отверстие, а другая запаяна непосредственно на ножку конденсатора 1мкф (Wima). Резистор 10к запаян вместо переменника (в крайние отверстия).
Таким образом получаем полный аналог схемы с переменником, как будто этот переменник выкручен на максимум.

Входные разъемы ставить не стал - все будет только на пайке, минимально короткими проводами. Феньшуй, аднако

В общем, очередной долгострой намечается... Пока разработана общая концепция и компоновка. Собраны платы двух каналов. Далее: выходные фильтры с акустическими терминалами, блок дежурного питания, заказ и настройка РГ от Антеком, ну и самое вкусное - корпус
Продолжение следует...
Полный пополняемый фотоотчет в хронологическом беспорядке, как всегда здесь.

***

Всех с Наступившим!
Миниатюры
Нажмите на изображение для увеличения
Название: Снаберы2.jpg
Просмотров: 934
Размер:	88.2 Кб
ID:	48949   Нажмите на изображение для увеличения
Название: Дроссели.jpg
Просмотров: 893
Размер:	86.4 Кб
ID:	48950   Нажмите на изображение для увеличения
Название: Входная часть.JPG
Просмотров: 911
Размер:	10.1 Кб
ID:	48951   Нажмите на изображение для увеличения
Название: 1к.jpg
Просмотров: 964
Размер:	73.8 Кб
ID:	48954   Нажмите на изображение для увеличения
Название: 10к.jpg
Просмотров: 929
Размер:	51.8 Кб
ID:	48955  

Нажмите на изображение для увеличения
Название: Общий вид.jpg
Просмотров: 901
Размер:	100.3 Кб
ID:	48956   Нажмите на изображение для увеличения
Название: Общий вид 2.jpg
Просмотров: 881
Размер:	81.2 Кб
ID:	48957   Нажмите на изображение для увеличения
Название: Снаберы.JPG
Просмотров: 1152
Размер:	34.7 Кб
ID:	48958  

Последний раз редактировалось Alex-L; 06.01.2018 в 15:15.
Alex-L вне форума   Ответить с цитированием
Старый 06.01.2018, 02:43   #415
basurman
Super Moderator
 
Аватар для basurman
 
Регистрация: 19.07.2011
Возраст: 54
Город: Нижегородские болота
Регион: 52
Машина: пешкарус
Сообщений: 2,033
basurman has a reputation beyond reputebasurman has a reputation beyond reputebasurman has a reputation beyond reputebasurman has a reputation beyond reputebasurman has a reputation beyond reputebasurman has a reputation beyond reputebasurman has a reputation beyond reputebasurman has a reputation beyond reputebasurman has a reputation beyond repute
По умолчанию

Спасибо Леш. Вроде безработный, а времени нету))) Да и с деньгами естественно не очень. Когда нибудь соберу.
__________________
ВСЕ ДЛЯ АРДУИНО

Моя почта - mogirov971sobakamail.ru
basurman вне форума   Ответить с цитированием
Старый 06.01.2018, 15:04   #416
Alex-L
Moderator
 
Аватар для Alex-L
 
Регистрация: 23.03.2008
Возраст: 55
Город: Москва, Нагорная
Регион: 77, 97, 99, 177
Машина: Mitsubishi Lancer-X
Сообщений: 2,096
Alex-L is a splendid one to beholdAlex-L is a splendid one to beholdAlex-L is a splendid one to beholdAlex-L is a splendid one to beholdAlex-L is a splendid one to beholdAlex-L is a splendid one to beholdAlex-L is a splendid one to behold
По умолчанию

Да не за что

Выходные фильтры с акустическими терминалами. Собрано для прикидки. На самом деле терминалы будут прикручены к задней стенке корпуса, затем на них накручены латунные стойки М4 20...25мм, а к стойкам уже будет крепиться плата с фильтрами.
Миниатюры
Нажмите на изображение для увеличения
Название: DSC03614.jpg
Просмотров: 934
Размер:	63.6 Кб
ID:	48959  
Alex-L вне форума   Ответить с цитированием
Старый 07.01.2018, 22:38   #417
segan
Новый Пользователь
 
Регистрация: 07.01.2018
Регион: 56
Сообщений: 2
segan is on a distinguished road
По умолчанию

Цитата:
Сообщение от Alex-L Посмотреть сообщение
Далее: выходные фильтры с акустическими терминалами,
Просветите, для чего эти фильтры и что дают?
По поводу кондёра 0.1мкф в снаббере, он правильно у вас стоит? А то я встречал схему где он вешается на вторичку, а у вас через кондёр 2.2мкф.
segan вне форума   Ответить с цитированием
Старый 08.01.2018, 16:36   #418
Alex-L
Moderator
 
Аватар для Alex-L
 
Регистрация: 23.03.2008
Возраст: 55
Город: Москва, Нагорная
Регион: 77, 97, 99, 177
Машина: Mitsubishi Lancer-X
Сообщений: 2,096
Alex-L is a splendid one to beholdAlex-L is a splendid one to beholdAlex-L is a splendid one to beholdAlex-L is a splendid one to beholdAlex-L is a splendid one to beholdAlex-L is a splendid one to beholdAlex-L is a splendid one to behold
По умолчанию

Это так называемая "цепь Цобеля" - исключает возбуд на сложной нагрузке, коей является акустическая система.
Снабер (он и стоит после вторички - АС это переменка со вторички трансформатора, 0 - средняя точка) - это конденсатор 2.2мкф последовательно с резистором 10Ом. Для чего нужен 0.1мкф - не заморачивался.
Alex-L вне форума   Ответить с цитированием
Старый 08.01.2018, 17:36   #419
Vladget
Moderator
 
Регистрация: 04.04.2009
Возраст: 69
Город: Краснодар
Регион: 23, 93
Машина: HONDA CR-V-08
Сообщений: 3,129
Vladget is a splendid one to beholdVladget is a splendid one to beholdVladget is a splendid one to beholdVladget is a splendid one to beholdVladget is a splendid one to beholdVladget is a splendid one to beholdVladget is a splendid one to behold
По умолчанию

Я так думаю что если убрать его (кондёра 0.1мкф) то никто и не поймет зачем он нужен и вообще понятие снаббер появился когда появился шим контроллер (или ему подобный), т.е. "бестрансфоматорный" БП, так если вопрос без "подковырки" хочешь ставь, хочешь нет, он то (ну так например) не во всех компьютерных БП стоит
__________________


Vladget вне форума   Ответить с цитированием
Старый 08.01.2018, 23:14   #420
segan
Новый Пользователь
 
Регистрация: 07.01.2018
Регион: 56
Сообщений: 2
segan is on a distinguished road
По умолчанию

А причём здесь импульсные бп, если речь про линейные? Насколько я знаю, то снабберы ставятся на вторичку для сглаживания бросков транса при закрытии диодов моста, есть такое выражение у спецов звон диодов при закрытии, вот снаббер его гасит.
Alex-L, попробуйте поискать в инете, кондёр 0.1мкф вроде должен стоять между вторичкой. Так же можете посмотреть схему продвинутого для аудио фильтра 220в, там тоже RC и C.
segan вне форума   Ответить с цитированием
Ответ


Здесь присутствуют: 1 (пользователей: 0 , гостей: 1)
 
Опции темы Поиск в этой теме
Поиск в этой теме:

Расширенный поиск

Ваши права в разделе
Вы не можете создавать новые темы
Вы не можете отвечать в темах
Вы не можете прикреплять вложения
Вы не можете редактировать свои сообщения

BB коды Вкл.
Смайлы Вкл.
[IMG] код Вкл.
HTML код Выкл.



Часовой пояс GMT +4, время: 16:57.


Работает на vBulletin® версия 3.8.4.
Copyright ©2000 - 2026, Jelsoft Enterprises Ltd.
Перевод: zCarot