PCCar.ru - Ваш автомобильный компьютер

Вернуться   PCCar.ru - Ваш автомобильный компьютер > MP3Car ТехИнфа > Блоки питания > Разное

Ответ
 
Опции темы Поиск в этой теме
Старый 01.11.2007, 22:48   #91
sergeykobo
Новый Пользователь
 
Регистрация: 01.11.2007
Город: Екатеринбург
Регион: 66, 96
Сообщений: 3
sergeykobo is on a distinguished road
По умолчанию Греется трансформатор

Переделал БП как писалось. Запустился нормально, все напряжения в норме, потребляет в дежурном режиме 70мА, на холостом 700мА,
одна проблема - сильно греется трансформатор на холостом ходу, если не обдувается вентилятором. Мне кажется на холостом без обдува греться не должен, радиаторы транзисторов еле теплые. Транс мотал как писалось только на кольце 40х25х11, провод 1,18мм, может сеченее кольца маловато?
sergeykobo вне форума   Ответить с цитированием
Старый 14.11.2007, 07:38   #92
hruma
Новый Пользователь
 
Регистрация: 14.11.2007
Город: Ирк. обл.
Регион: 77, 97, 99, 177
Сообщений: 10
hruma is on a distinguished road
По умолчанию шим на 6105

Я вот понять не могу как работает схема на 6105. По даташиту на неё активный уровень - низкий, т.е. в дежурке на выходах микрухи высокий уровень! (что подтверждают измерения) Тогда как к ней подключены NPN-биполярники в штатной схеме БП для PC?!
Собрал инверсию на транзюках КТ502 (кажется) с тройкой диодов в цепи эмиттеров - такой спад некрасивый на выходе. IR4426 (с инверсией) под рукой нет, думаю на 561ТЛ2 да ЛН2 забацать... Надеюсь 200ом в цепи затвора потянут...

Кстати, в дежурном режиме потребление не более 20 мА, на холостом (со штатными резюками БП в нагрузке) - не более 300 мА

Собрал
Управление полевиками на 561ТЛ2 + какая-то 74ACT00 (ЛН2 не было, выдрал эту махонькую smd-шку из валявшейся рядом сетевухи))
Транс от этого же БП (InWin) с описанным выше кол-вом витков. Микруха IW1688 (аналог 6105).
Мать ELITGROUP miniATX. Чипсет P4M800 + 8237R+ . Видео встроенное. Проц - целик 1.7ГГц. Память 256DDR400 Kingston. Винт Seagate 7200.7 80Gb, DVD читалка NEC. В винде не тестил, но в досе всё вместе кушает от 12В 6.5А, при установке винды падает до 4А, иногда подскакивает до 11 (редко).

Нет, всё же переделал. Собрал на 561 ТЛ1, ЛН2 и четырёх транзюках! (2 открывающих и 2 закрывающих полевики). Форма сигнала - просто сказка

Последний раз редактировалось hruma; 21.11.2007 в 05:21.
hruma вне форума   Ответить с цитированием
Старый 04.12.2007, 14:00   #93
stalker
Пользователь
 
Регистрация: 03.12.2007
Возраст: 43
Город: Бобруйск
Регион: Беларусь
Машина: Chrysler 300m 2003 3.5
Сообщений: 41
stalker is on a distinguished road
По умолчанию

Привет я ту новенький есть пару вопросов по поводу переделки. Первое транзисторы которые на радиаторе оставлять или нет. Второе IRFZ44 надо в плату впаивать или просто проводами к катушке и TL494.

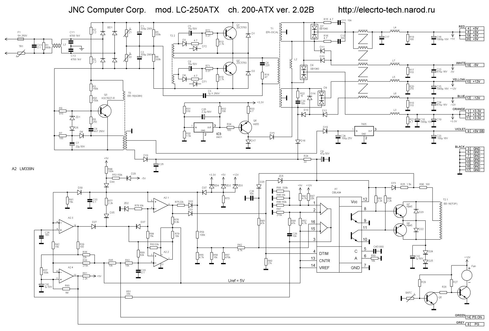
Вот схема блока JNC lc-235atx помогите переделать
Миниатюры
Нажмите на изображение для увеличения
Название: JNC 200-ATX.jpg
Просмотров: 9119
Размер:	196.6 Кб
ID:	4843  

Последний раз редактировалось stalker; 07.12.2007 в 03:07.
stalker вне форума   Ответить с цитированием
Старый 07.12.2007, 04:41   #94
_SDY_
Пользователь
 
Регистрация: 17.03.2006
Возраст: 48
Город: Владивосток
Регион: 25
Машина: Карина
Сообщений: 60
_SDY_ will become famous soon enough
По умолчанию

Простейший вариант переделки, без драйверов полевых транзисторов.
Обмотки Т1:
- первичная: 2 x 6 вит.
- вторичная "верхняя": 2 x 6 вит.
- вторичная "нижняя": 2 x 14 вит.
Миниатюры
Нажмите на изображение для увеличения
Название: JNC%20200-ATX_12v.jpg
Просмотров: 18853
Размер:	185.5 Кб
ID:	4844  
_SDY_ вне форума   Ответить с цитированием
Старый 07.12.2007, 12:35   #95
stalker
Пользователь
 
Регистрация: 03.12.2007
Возраст: 43
Город: Бобруйск
Регион: Беларусь
Машина: Chrysler 300m 2003 3.5
Сообщений: 41
stalker is on a distinguished road
По умолчанию

спасибо за помощь еще вопрос трансформатор перематывать или можно использовать его комп будет P2-P3 не мощнее
stalker вне форума   Ответить с цитированием
Старый 07.12.2007, 13:34   #96
_SDY_
Пользователь
 
Регистрация: 17.03.2006
Возраст: 48
Город: Владивосток
Регион: 25
Машина: Карина
Сообщений: 60
_SDY_ will become famous soon enough
По умолчанию

Цитата:
Сообщение от stalker Посмотреть сообщение
спасибо за помощь еще вопрос трансформатор перематывать или можно использовать его комп будет P2-P3 не мощнее
Я чего-то не понял... Как ты неперемотанный транс хочешь использовать? У него даже первичная обмотка без отвода от середины. Да и витков дофига.
Конечно, перематывать....
Может быть ты хотел спросить можно ли использовать сердечник родного транса, не заменяя его на ферритовое кольцо? Тогда ответ положительный. :-) Я пробовал - работает.
_SDY_ вне форума   Ответить с цитированием
Старый 09.12.2007, 01:19   #97
stalker
Пользователь
 
Регистрация: 03.12.2007
Возраст: 43
Город: Бобруйск
Регион: Беларусь
Машина: Chrysler 300m 2003 3.5
Сообщений: 41
stalker is on a distinguished road
По умолчанию Какая мощность у блока

Какая будет мощность у переделанного блока питания
stalker вне форума   Ответить с цитированием
Старый 09.12.2007, 08:49   #98
_SDY_
Пользователь
 
Регистрация: 17.03.2006
Возраст: 48
Город: Владивосток
Регион: 25
Машина: Карина
Сообщений: 60
_SDY_ will become famous soon enough
По умолчанию

Цитата:
Сообщение от stalker Посмотреть сообщение
Какая будет мощность у переделанного блока питания
250 кВт (китайских Ватт ;-)
для работы PII - PIII должно хватить, переделывай, расскажешь
_SDY_ вне форума   Ответить с цитированием
Старый 11.12.2007, 01:28   #99
stalker
Пользователь
 
Регистрация: 03.12.2007
Возраст: 43
Город: Бобруйск
Регион: Беларусь
Машина: Chrysler 300m 2003 3.5
Сообщений: 41
stalker is on a distinguished road
Smile

Должны на днях транзисторы привезти если все будет нормально к новому году сделаю
stalker вне форума   Ответить с цитированием
Старый 13.12.2008, 17:44   #100
Leha080
Banned
 
Регистрация: 09.12.2008
Возраст: 41
Город: М.О. Подольск
Регион: 50, 90, 150
Машина: 2008 Opel Astra Gtс 1.6
Сообщений: 505
Leha080 is on a distinguished road
По умолчанию

не подскажете как переделать вот этот блок PM230w(есть схема но незнаю как вставить) соаброжения кое какие есть Но хотелось бы услышать специалистов
Leha080 вне форума   Ответить с цитированием
Ответ


Здесь присутствуют: 1 (пользователей: 0 , гостей: 1)
 
Опции темы Поиск в этой теме
Поиск в этой теме:

Расширенный поиск

Ваши права в разделе
Вы не можете создавать новые темы
Вы не можете отвечать в темах
Вы не можете прикреплять вложения
Вы не можете редактировать свои сообщения

BB коды Вкл.
Смайлы Вкл.
[IMG] код Вкл.
HTML код Выкл.



Часовой пояс GMT +4, время: 09:37.


Работает на vBulletin® версия 3.8.4.
Copyright ©2000 - 2026, Jelsoft Enterprises Ltd.
Перевод: zCarot