PCCar.ru - Ваш автомобильный компьютер

Вернуться   PCCar.ru - Ваш автомобильный компьютер > MP3Car ТехИнфа > AndroidCar > Звук > Звуковые процессоры

Ответ
 
Опции темы Поиск в этой теме
Старый 21.11.2017, 16:30   #631
basurman
Super Moderator
 
Аватар для basurman
 
Регистрация: 19.07.2011
Возраст: 54
Город: Нижегородские болота
Регион: 52
Машина: пешкарус
Сообщений: 2,033
basurman has a reputation beyond reputebasurman has a reputation beyond reputebasurman has a reputation beyond reputebasurman has a reputation beyond reputebasurman has a reputation beyond reputebasurman has a reputation beyond reputebasurman has a reputation beyond reputebasurman has a reputation beyond reputebasurman has a reputation beyond repute
По умолчанию

Цитата:
Сообщение от oleg707 Посмотреть сообщение
а ты думаешь, почему так долго. У меня на более простые проекты года уходят, чтобы вылизать.
А че мне думать, я это все знаю. Про года ты загнул. Этот проект возможно и глобальный, спору нет работа большая.
basurman вне форума   Ответить с цитированием
Старый 22.11.2017, 18:39   #632
Alekssandr
Старший Пользователь
 
Регистрация: 11.08.2013
Возраст: 36
Регион: 86
Сообщений: 445
Alekssandr is a jewel in the roughAlekssandr is a jewel in the roughAlekssandr is a jewel in the rough
По умолчанию

basurman С железо на 100% разбираюсь сам, с программной частью иногда помогает друг, он учился на программиста. Проект получился сложный, но оно того стоит

И так по делу, пришли 50шт. RCA разъёмы "RS-409". для подключения межблочных кабелей. И очень меня расстроили, они немного больше чем я думал, в итоге на плате помещаются не все разъёмы.
Нашёл один нестандартный выход это повернуть AUX вход в сторону платы всё равно его нужно удлинять и выводить кудато в бардачок, предусмотрел чтобы в месте подключения Aux провода не было никаких торчащих элементов. Думаю норм вариант

Очень повезло что не заказал печатные платы) почти все элементы для сборки уже получил, на днях на завод в количестве 20шт.
Миниатюры
Нажмите на изображение для увеличения
Название: 1.jpg
Просмотров: 670
Размер:	236.1 Кб
ID:	48619   Нажмите на изображение для увеличения
Название: 2.jpg
Просмотров: 560
Размер:	230.8 Кб
ID:	48620   Нажмите на изображение для увеличения
Название: 3.jpg
Просмотров: 591
Размер:	167.4 Кб
ID:	48621   Нажмите на изображение для увеличения
Название: 4.jpg
Просмотров: 589
Размер:	174.3 Кб
ID:	48622  
Alekssandr вне форума   Ответить с цитированием
Старый 02.12.2017, 14:57   #633
Alekssandr
Старший Пользователь
 
Регистрация: 11.08.2013
Возраст: 36
Регион: 86
Сообщений: 445
Alekssandr is a jewel in the roughAlekssandr is a jewel in the roughAlekssandr is a jewel in the rough
По умолчанию

Нарисовал всю схему питания платы и её управлением.

Также заказал печатные платы 20шт + 2 трафареты с рамкой и электрохимической полировкой на верхнюю и нижнюю стороны всё обошлось в 15 тыс руб. (из них доставка 6,5 тыс, обыскал кучу контор никто не хочет делать доставку дешевле) В России вообще сдурели, всё обходится не меньше 30 тыс, + доставка.

Ссылка на PDF формат схемы
Миниатюры
Нажмите на изображение для увеличения
Название: 0.jpg
Просмотров: 561
Размер:	156.5 Кб
ID:	48718   Нажмите на изображение для увеличения
Название: 1.jpg
Просмотров: 545
Размер:	71.0 Кб
ID:	48719   Нажмите на изображение для увеличения
Название: 2.JPG
Просмотров: 544
Размер:	145.7 Кб
ID:	48720   Нажмите на изображение для увеличения
Название: 3.JPG
Просмотров: 879
Размер:	92.1 Кб
ID:	48721   Нажмите на изображение для увеличения
Название: 4.jpg
Просмотров: 541
Размер:	85.4 Кб
ID:	48722  

Нажмите на изображение для увеличения
Название: 5.jpg
Просмотров: 544
Размер:	49.1 Кб
ID:	48723   Нажмите на изображение для увеличения
Название: 6.jpg
Просмотров: 576
Размер:	48.6 Кб
ID:	48724   Нажмите на изображение для увеличения
Название: 7.jpg
Просмотров: 529
Размер:	93.0 Кб
ID:	48725   Нажмите на изображение для увеличения
Название: 8.jpg
Просмотров: 595
Размер:	66.1 Кб
ID:	48726  
Alekssandr вне форума   Ответить с цитированием
Старый 02.12.2017, 15:45   #634
oleg707
Гуру
 
Аватар для oleg707
 
Регистрация: 16.04.2014
Возраст: 41
Город: Gdynia
Регион: другой - для добавления сообщить ab
Сообщений: 2,548
oleg707 has a reputation beyond reputeoleg707 has a reputation beyond reputeoleg707 has a reputation beyond reputeoleg707 has a reputation beyond reputeoleg707 has a reputation beyond reputeoleg707 has a reputation beyond reputeoleg707 has a reputation beyond reputeoleg707 has a reputation beyond reputeoleg707 has a reputation beyond reputeoleg707 has a reputation beyond repute
Question

Цитата:
Сообщение от Alekssandr Посмотреть сообщение
Нарисовал всю схему питания платы и её управлением.

Также заказал печатные платы 20шт + 2 трафареты с рамкой и электрохимической полировкой на верхнюю и нижнюю стороны всё обошлось в 15 тыс руб. (из них доставка 6,5 тыс, обыскал кучу контор никто не хочет делать доставку дешевле) В России вообще сдурели, всё обходится не меньше 30 тыс, + доставка.

Ссылка на PDF формат схемы
привет, только сейчас увидел.
Почему ты используешь для управления REM связку 2х транзисторов?!

Если уже давно существуют интеллектуальные ключи да еще с защитой по току! Тогда даже предохранители там можно не ставить ( такая схема используется в управлении всем штатным светом в бмв X5 X6. Только ключи по I2C шине управляются )
Как пример глянь мои или Сканча проекты!
Есть ключи в SOP-8 корпусе, не требуют обвязки и резисторов. Максимум - блокировочные конденсаторы 0.1uF.
oleg707 вне форума   Ответить с цитированием
Старый 02.12.2017, 16:37   #635
Alekssandr
Старший Пользователь
 
Регистрация: 11.08.2013
Возраст: 36
Регион: 86
Сообщений: 445
Alekssandr is a jewel in the roughAlekssandr is a jewel in the roughAlekssandr is a jewel in the rough
По умолчанию

Цитата:
Сообщение от oleg707 Посмотреть сообщение
привет, только сейчас увидел.
Почему ты используешь для управления REM связку 2х транзисторов?!
Всё просто, AO4801 это P канальный мосфет в корпусе SOIC8, чтоб его полностью закрыть нужно подать на GATE напряжение что и на SOURS, если это делать без транзистора BC127 как минимум выгорит ножка микроконтроллера ATTINY24.
Выбор пал на AO4801 из за её цены (она дешевая) и идеально подходит для этих целей, а BC817 так вообще копейки стоит. В общем такой подход из за дешевизны компонентов. Плата и так получилась дорогой.

Даташит на AO4801
Миниатюры
Нажмите на изображение для увеличения
Название: Снимок.JPG
Просмотров: 524
Размер:	107.1 Кб
ID:	48729  
Alekssandr вне форума   Ответить с цитированием
Старый 02.12.2017, 20:04   #636
Alekssandr
Старший Пользователь
 
Регистрация: 11.08.2013
Возраст: 36
Регион: 86
Сообщений: 445
Alekssandr is a jewel in the roughAlekssandr is a jewel in the roughAlekssandr is a jewel in the rough
По умолчанию

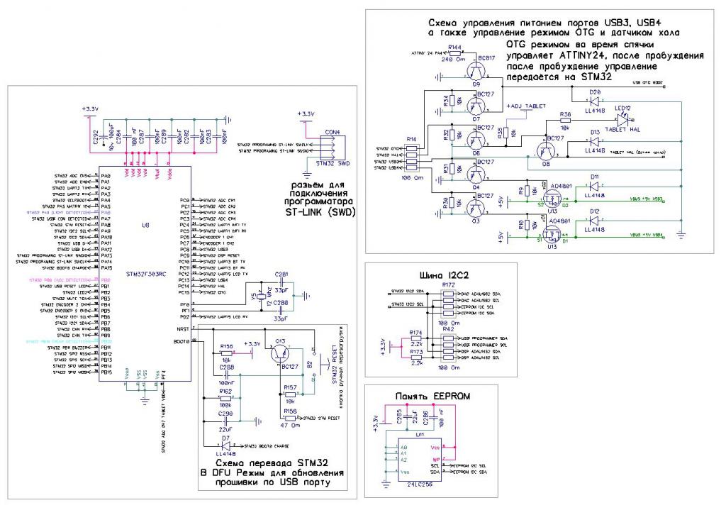
Нарисовал схему обвязки STM32, управления портами USB3-4, датчиком холла и режимом OTG.


Ссылка на PDF формат схемы
Миниатюры
Нажмите на изображение для увеличения
Название: 0.jpg
Просмотров: 596
Размер:	109.7 Кб
ID:	48732   Нажмите на изображение для увеличения
Название: 1.jpg
Просмотров: 554
Размер:	124.1 Кб
ID:	48733   Нажмите на изображение для увеличения
Название: 2.JPG
Просмотров: 542
Размер:	76.1 Кб
ID:	48734   Нажмите на изображение для увеличения
Название: 3.JPG
Просмотров: 501
Размер:	56.8 Кб
ID:	48735   Нажмите на изображение для увеличения
Название: 4.jpg
Просмотров: 553
Размер:	110.6 Кб
ID:	48736  

Alekssandr вне форума   Ответить с цитированием
Старый 06.12.2017, 23:44   #637
Alekssandr
Старший Пользователь
 
Регистрация: 11.08.2013
Возраст: 36
Регион: 86
Сообщений: 445
Alekssandr is a jewel in the roughAlekssandr is a jewel in the roughAlekssandr is a jewel in the rough
По умолчанию

Ребята, наконец то всё заработало! Теперь все настройки которые храняться в STM32 без проблем переносятся в андройд приложение и выставляют ползунки и переключатели точ в точ).

Всё это было реализовать сложно так как все эти переменные храняться в массивах данных фотки которых я выкидывал на форум раньше, да ещё и в 16 ричном формате с плавающей запятой до 7го знака.

Записал демонстрационное видео
Alekssandr вне форума   Ответить с цитированием
Старый 07.12.2017, 00:19   #638
awtoap
Гуру
 
Аватар для awtoap
 
Регистрация: 19.09.2009
Возраст: 48
Город: Мелитополь
Регион: Украина
Сообщений: 2,022
awtoap is a splendid one to beholdawtoap is a splendid one to beholdawtoap is a splendid one to beholdawtoap is a splendid one to beholdawtoap is a splendid one to beholdawtoap is a splendid one to beholdawtoap is a splendid one to behold
По умолчанию

И че там сложного? Организовываешь структуру и передаешь ее одним махом. Аля блочное чтение/запись.
awtoap вне форума   Ответить с цитированием
Старый 07.12.2017, 00:59   #639
Alekssandr
Старший Пользователь
 
Регистрация: 11.08.2013
Возраст: 36
Регион: 86
Сообщений: 445
Alekssandr is a jewel in the roughAlekssandr is a jewel in the roughAlekssandr is a jewel in the rough
По умолчанию

Цитата:
Сообщение от awtoap Посмотреть сообщение
И че там сложного? Организовываешь структуру и передаешь ее одним махом. Аля блочное чтение/запись.
Легко на словах а на деле, всё это на много сложнее.

и полный кикл от включения до отключения выглядит примерно так:
1) инициализируем структуру данных (массивы из дефолтных настроек)
2) записываем прошивку в DSP
3) читаем из EEPROM настройки и заполняем структуру
4) присваиваем каждому элементу управления из структуры адресса которые зашиты в DSP
5) передаём данные настроек из структуры в DSP
6) по запросу с android передаём данные по USB на android
7) на android принимаем 16 ричные значения
8) Производим обратное конвертировани при помощи формул БИХ фильтров
9) Ковертированые данные выглядят примерно так 0.92342223 их конвертируем в понятный для человека вид в виде целых чисел.
10) чтоб отправить данные опять ковертируем из целых чисел в не целые
11) конвертируем значения при помощи формул БИХ
12) отправляем по USB в STM32
13) заполняем структуру новыми данными
14) отправляем новые данные на DSP
15 ) при отключении пишем структуру с новыми данными в EEPROM

как то так не так уж просто, я на всё это кучу времени потратил чтоб всё работало без ошибок. Самая запара в расчётах коэфициентов БИХ фильтров, как и писал выше.
Alekssandr вне форума   Ответить с цитированием
Старый 07.12.2017, 02:19   #640
awtoap
Гуру
 
Аватар для awtoap
 
Регистрация: 19.09.2009
Возраст: 48
Город: Мелитополь
Регион: Украина
Сообщений: 2,022
awtoap is a splendid one to beholdawtoap is a splendid one to beholdawtoap is a splendid one to beholdawtoap is a splendid one to beholdawtoap is a splendid one to beholdawtoap is a splendid one to beholdawtoap is a splendid one to behold
По умолчанию

Нафига столько конвертаций? В твоем случае все должен делать СТМ включая расчет фильтров. Ты только передаешь значения громкости, усиления для фильтра, тип и тд., а сама стм уже ведет нужный расчет и закидывает в дсп по нужным адресам.
Для дсп сигма сама формирует все адреса, нужно только закинуть их раз в таблицу и забыть. Потом поменял прошивку и поменял адреса дсп, которые нужно менять...все. Ничего сложного, если уже знать что и как ))) Со временем сам многое улучшишь/упростишь.

ЗЫ. Я же сразу говорил, что сильно большой "пирог" решил за раз укусить...надо было постепенно усложнять девайс.
awtoap вне форума   Ответить с цитированием
Ответ


Здесь присутствуют: 1 (пользователей: 0 , гостей: 1)
 
Опции темы Поиск в этой теме
Поиск в этой теме:

Расширенный поиск

Ваши права в разделе
Вы не можете создавать новые темы
Вы не можете отвечать в темах
Вы не можете прикреплять вложения
Вы не можете редактировать свои сообщения

BB коды Вкл.
Смайлы Вкл.
[IMG] код Вкл.
HTML код Выкл.



Часовой пояс GMT +4, время: 04:37.


Работает на vBulletin® версия 3.8.4.
Copyright ©2000 - 2026, Jelsoft Enterprises Ltd.
Перевод: zCarot